Trekkrunner HG-SM3110 Including Leg Extension-Curl and Arm Curl Attachments

Product Information
The HG-SM3110 (PART-B) is a fitness equipment that includes Leg Extension/Curl and Arm Curl Attachments. It comes with an owner’s manual and assembly manual. The equipment has various components that need to be assembled using an adjustable wrench and Allen wrench. The equipment has a backrest support, backrest adjustment support, arm curl pad support, leg developer, foam roll tubes, and end caps.
Product Usage Instructions
- Before starting any exercise program, consult your doctor, especially if you are over the age of 35 or have pre-existing health problems.
- Remove all parts from the packaging and separate and count each various component to ensure everything has been correctly provided.
- Follow the instructions in the assembly manual and consult both the individual assembly pages and the overall expanded views of the equipment.
- Certain parts may arrive pre-assembled from the factory. It is the owner’s responsibility to ensure that all users of this unit have read the owner’s manual and are familiar with the safety precautions.
- It is strongly recommended two or more people assemble this machine to avoid possible injury. Do not tighten all the bolts and nuts until getting instruction.
- Choose the desired seat pad position during exercise. The user can choose the arm curl pad support or leg developer as desired.
- To attach the arm curl pad, insert the arm curl pad support into the opening as shown in Diagram 6. Attach the arm curl pad onto the arm curl pad support and secure them with 2pcs M8*20 Allen bolt, washer, and one pc M10 Aircraft nut.
- To attach the leg developer, push three pcs foam roll tubes and six pcs foam roll as shown in Diagram 6. Then push six pcs end caps and secure it with M10*30 Bolt.
- To adjust the backrest support, secure the Backrest adjustment support and backrest support frame together as shown in Diagram 4.
Choose the desired incline position when exercising. - To adjust the arm curl pad support, insert the arm curl pad support into the opening as shown in Diagram 5. Choose the desired height with the M18 Lock knob.
Always read all instructions before assembling or using any fitness equipment. Force USA Fitness Equipment assumes no responsibility for personal injury or property damage sustained by or through the use of this product. Save these instructions.
CAUTION!
Read all precautions and instructions in this manual before using this equipment.
ASSEMBLY MANUAL
FID Bench – Including Leg Extension/Curl and Arm Curl Attachments
BEFORE YOU START
Remove all parts from the packaging and separate and count each various component to ensure everything has been correctly provided.
Follow the instructions and consult both the individual assembly pages and the overall expanded views of the equipment.
Certain parts may arrive pre-assembled from the factory.
It is the owner’s responsibility to ensure that all users of this unit have read the owner’s manual and are familiar with the safety precautions.
SAFETY PRECAUTIONS
- Highly recommended for two or more people to assemble the equipment to avoid injury.
- Assemble the equipment on a flat level surface.
- Consider placing a mat under the equipment to protect your floor.
- Wear appropriate footwear and clothing during assembly and use.
- Only tighten nuts and bolts by hand until the whole equipment is assembled
- Ensure you correctly orientate each piece before attaching
- Do not allow children and pets to be unsupervised around the assembly or usage of this equipment.
- Ensure all parts are in full working order before use.
- Only one person should use the machine at any one time.
- Do not use the equipment outdoors or around water.
- Keep hair, fingers or clothing away from moving parts.
- Only use attachments recommended by the manufacturer.
- Never operate if any parts are not functioning correctly.
- Always correctly stretch and warm up before using the equipment.
- Stop immediately if your experience any pain, dizziness or nausea. See a doctor at once.
- PLEASE NOTE: Descriptions of pieces as LEFT and RIGHT are from the point of view of standing behind the equipment facing towards the front.
- BEFORE STARTING ANY EXERCISE PROGRAM, CONSULT YOUR DOCTOR. ESPECIALLY IF YOU ARE OVER THE AGE OF 35 OR HAVE PRE-EXISTING HEALTH PROBLEMS.
- READ ALL INSTRUCTIONS BEFORE ASSEMBLING OR USING ANY FITNESS EQUIPMENT.
- FORCE USA FITNESS EQUIPMENT ASSUMES NO RESPONSIBILITY FOR PERSONAL INJURY OR PROPERTY DAMAGE SUSTAINED BY OR THROUGH THE USE OF THIS PRODUCT.
- SAVE THESE INSTRUCTIONS.
EXPLODED DIAGRAM

PARTS LIST

HARDWARE IDENTIFIER
NOTE: The following parts are not drawn to scale. Please use your own ruler to measure the size.



ASSEMBLY INSTRUCTION
Tools Required Assembling the Machine: Adjustable Wrench and Allen Wrench.
NOTE: It is strongly recommended two or more people assemble this machine to avoid possible injury. Do not tighten all the bolts and nuts until getting instruction.
STEP 1 (See Diagram 1)
- Attach the main base frame(2#) onto the front Stabilizer(1#) ,Carefully align the holes and secure them with 2pcs M10*125 hex bolt(49# ) ,4pcs Ø10mm washers (60#) and 2 pcs M10 aircraft nut (56#).
- The U shape pin (26#) was installed in the factory already.

STEP 2 (See Diagram 2)
Attach the main base frame (2#) to the rear stabilizer(3#),Secure them with 2pcs M10*95 Carriage bolt(45#),one pc U shape bracket(14#),2pcs Ø10 washer (60#) and 2pcsM10 aircraft nuts (56#).
Note: The 2pcs transport wheels were installed in the factory already.

STEP 3 (See Diagram 3)
Attach the 2pcs Bracket (13#) to the both side of the main base frame(2#) as the diagram shows. Secure them with three pcs M10*125 Hex bolt(49#),Six pcs Ø10 washer (60#) and three pcs M10 Aircraft nuts(56#) .

STEP 4 (See Diagram 4)
A Attach the Left connection frame(8#) and right connection frame(9#) and the Backrest support (7#) together.Secure them with one pc Axle(51#),2pcs big bushing(29#),2pcs Ø25 washers(58#) and two pcs M10 aircraft nut(56#).
B Secure the Backrest adjustment support (6#) and backrest support frame(7#) together as the diagram shows,Secure them with the M12*165 Hex bolt(47#), two pcs Ø12washer(59#) and one pc M12 Aircraft nut(55#). You can choose the desired incline position when exercising.

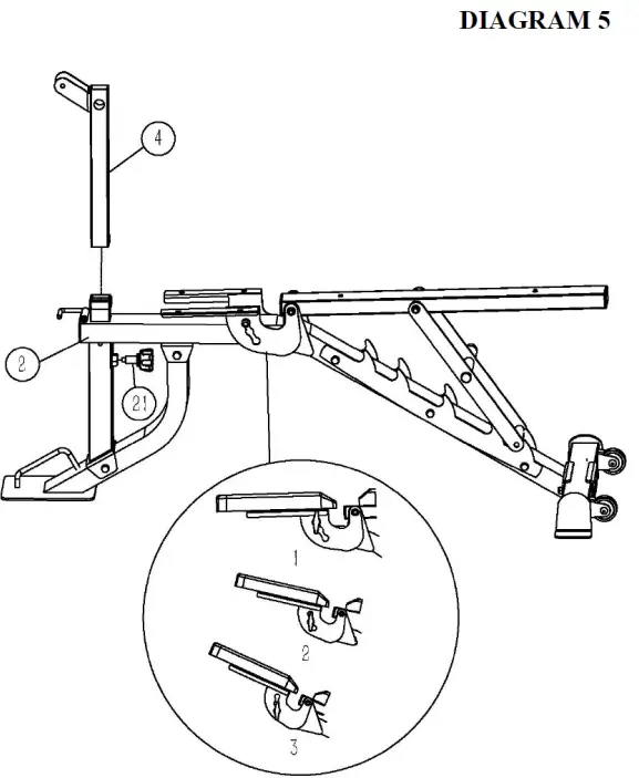
STEP 5 (See Diagram 5)
Insert the arm curl pad support(4#) into the opening as the diagram shows and choose the desired height with the M18 Lock knob(21#).
The user can choose the desired seat pad position during the exercise when using .

STEP 6 (See Diagram 6)
The user can choose the arm curl pad support or leg developer as the consumer desire.
A Attach the arm curl pad(16#) onto the arm curl pad support(10#) and secure them with 2pcs M8*20 Allen bolt(46#) and two pcs Ø8 washer(62#).
B Attach the barbell support frame (11#) to the arm curl pad support(10#), Secure them with one pc bracket(15#), two pcs M10*65 Carriage bolt(44#), two pcs Ø 10washer(60#) and 2 pcs M10 aircraft nut(56#). Insert the arm curl pad support into the opening as the diagram shows.

A’ Attach the leg developer(5#)to the bracket , Secure them with one pc M10*78 hex bolt(53#), two pcs Ø 10 washer(60#) and one pc M10 Aircraft nut(56#).
B’ Push three pcs foam roll tubes(12#) and six pcs foam roll as the diagram shows and then push six pcs end caps(22#) and secure it with M10*30 Bolt (50#).

STEP 7 (See Diagram 7)
A Attach the backrest pad(18#) onto the support(7#),Carefully align the holes and secure them with two
pcs M8*50 Allen bolt(48#) and two pcs Ø8 washer(62#).
B Attach the seat pad (17#) onto the left & right connection frame(8#&9#),Secure them with four pcs M8*20Allen bolt(46#) and four pcs Ø18 washer(62#).



















