DAVIS LIGHTING WPB1020CTP Wyplash WPB Sensor 
Installation Instruction
WYPLASH WPB (Standard/Sensor/Emergency)
- Read all instructions to prevent injury, electric shock or damage due to fire or mechanical hazards.
- See product label for supply specifications.
Storage:
Prior to installation products are to be stored in cool and dry conditions.
Application:
The installation application and orientation of the product is designed in accordance with the nominated product IP rating, class designation. Installation environments outside these conditions are not recommended.
Cautions:
- Electronic control equipment must not be subjected to high voltages, DO NOT MEGGER between Live and Neutral.
- All cable/conduit terminations must be installed in accordance with the designated IP rating of this product.
- Suitable installation fastening methods should be employed to ensure the mounting points are not damaged when subjected to vibration and or movement.
- This luminaire must be installed by qualified electrician in accordance with local rules and codes.
- This luminaire cannot be disassembled by non-professionals.
- The light source contained in this luminaire shall only be replaced by the manufacturer or his service agent or a similar qualified person.
Dimensions: 
Installation
- Turn OFF power.

- Secure clips to mounting surface as per measurements provided & tighten the screws.

- Hook the body into the mounting clips.

- Open diffuser by unlocking all clamps. If clamps are secured with screws, undo screws first. Note: The diffuser will be retained by clamps at

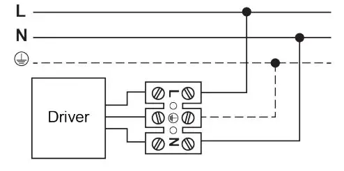
- Insert incoming supply cable through cable gland and connect incoming supply cable to terminal block.

- Select power on pin switch accordingly.

- Select colour temperature accordingly.
- Secure the cover with clamps after installation.
- Turn ON the power.

The default setting for sensor model as below:
Maintenance
The supply must be isolated before opening or accessing the luminaire. Product maintenance is critical to the products designed performance. Davis Lighting is not responsible for any product not maintained in accordance with the recommended procedure or intervals. It is recommended that a bi-annual cleaning cycle is implemented. Inspect optical surfaces for damage or crack. Products supplied with visors or covers must not be operated with a damaged visor or cover; it is recommended that damaged visors or covers be replaced by a competent person immediately. Seals and electrical components such as wirings to be checked for deterioration.














