COOPER lighting OEM-WOB-WH WaveLinx Lite Wireless Outdoor Fixture Mount Sensor

Interactive Menu
• Order Information
• Additional Resources
• Connected Systems
• Product Warranty
Top Product Features
- Models suitable for applications up to 40ft / 45ft major motion
- Out of the box functionality (on at dusk, off at dawn, occupied to 100%, unoccupied to 50%)
- Passive Infra-Red (PIR) motion sensor with coverage up to 5000 square feet
- Integrated photocell for closed loop daylight harvesting
- Software configurable settings with WaveLinx Lite Mobile Application
- Simple tool-less twist lock fixture connection via 4-pin Zhaga Book 18 socket
- IP66 rating for outdoor site and indoor environments
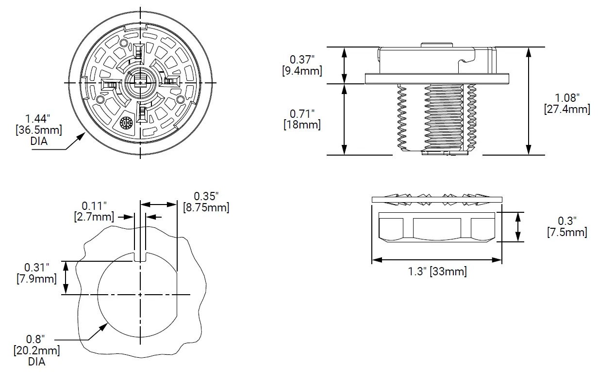
Dimensional Details

Mounting Height

Order Information
WaveLinx Lite Outdoor Fixture Mount Sensors are accessories to the WaveLinx Lite (WLC) system which may be used with out-of-the-box functionality or commissioned via
the WaveLinx Lite mobile application.
WaveLinx Lite Outdoor Fixture Mount Sensors are used to provide occupancy and daylight dimming to spaces from the outdoor light fixture.
WaveLinx Lite devices are not currently compatible with the WaveLinx Pro Wireless Area Controller.
Catalog Number
| Catalog # | Description |
| OEM-WOB-WH | WaveLinx Lite Outdoor Fixture – Low Mount Sensor, White, 7 – 15ft (2.1 – 4.5m) |
| OEM-WOB-BZ | WaveLinx Lite Outdoor Fixture – Low Mount Sensor, Bronze, 7 – 15ft (2.1 – 4.5m) |
| OEM-WOB-BK | WaveLinx Lite Outdoor Fixture – Low Mount Sensor, Black, 7 – 15ft (2.1 – 4.5m) |
| OEM-WOF-WH | WaveLinx Lite Outdoor Fixture – High Mount Sensor, White, 15 – 40ft (4.5 – 12.2m) |
| OEM-WOF-BZ | WaveLinx Lite Outdoor Fixture – High Mount Sensor, Bronze, 15 – 40ft (4.5 – 12.2m) |
| OEM-WOF-BK | WaveLinx Lite Outdoor Fixture – High Mount Sensor, Black, 15 – 40ft (4.5 – 12.2m) |
| Notes For use with outdoor light fixtures equipped with the WaveLinx Zhaga compliant 4-pin socket only. | Notes When used as a component in the WaveLinx Lite system, design best practices (including the number of devices, installation locations, device to device spacing, etc. must strictly adhered. High mount models accommodate mounting height to 45ft (13.7m) for major motion (vehicles, fork trucks, etc.) – may not detect minor motion of people depending on conditions. |

| Catalog Number | Description |
| OEM-BK18-SOCKET | Zhaga compliant 4-pin book-18 socket |
| OEM-OUT-IND-CM | WaveLinx outdoor – Industrial 0-10V control module |
Product Specifications
Key Features
- Models suitable for High (up to 40ft / 45ft major motion) and Low (up to 15ft) mounting applications
- Out of the box functionality (on at dusk, off at dawn, occupied to 100%, unoccupied to 50%)
- Passive Infra-Red (PIR) motion sensor with coverage up to 5000 square feet
- Integrated photocell for closed loop daylight harvesting
- Software configurable settings with WaveLinx Mobile Application
- Simple tool-less twist lock fixture connection via 4-pin Zhaga Book 18 socket
- IP66 rating for outdoor site and indoor environments
- Control modules suitable for 120-277VAC with 6 amp zero cross relay and 0-10V continuous dimming
Sensor Mechanical
Size: Base Diameter 3.2” (82mm) Height: 1.6” (41mm)
Weight: 0.20 lbs (0.10 kg)
Environment:
• Operating temperature: -40°F to 131°F (-40°C to 55°C)
Note: Sensor passive infrared (PIR) performance may become exceedingly sensitive below -4°F (-20°C)
• Storage temperature: -40°F to 158°F (-40°C to 70°C)
• Relative humidity operating: 0% to 95% non-condensing
• Default behavior intended for outdoor use only
Mounting: Fixture mount
Mounting Height: High bay up to 40ft (12m) and Low bay up to15ft (5m)
Color: White, Bronze and Black colors available
Housing: UV stabilized plastic
Ingress protection: IP66
Light Sensor Detector Shields: Field configured shield included
Daylighting Installation:
• Ensure that sensor is not looking directly at artificial light
• Ensure that sensor is not obstructed
Socket Mechanical
- Socket Color: Gray
- Socket Housing: PBT
- Socket Nut Color: Black
- Socket Nut Housing: Nylon
- Socket Contacts: Copper Alloy, Sn over Ni finish
- Star Washer: Stainless Steel
- Lock Washer: (Ref P/N: 2213817-1) and Nut: (Ref P/N: 2213791-1) not assembled, shipped bulk pack
Electrical Control Module
- Input Voltage: 120-277VAC, 50/60Hz
- Input Current: 6mA @ 120VAC, 4.5mA @ 277VAC
- Output Voltage: 120-277VAC, 50/60Hz (Relay)
- Output Current: 6A MAX
- Load Types: Electronic Ballast, LED, Magnetic Ballast
- Output Control: 0-10VDC, Class 2
Software Specifications
- Mobile app configuration for Occupancy/Vacancy
- Remote Hold Time settings fully configurable via mobile app
- Mobile app configuration of Occupied and Unoccupied light levels
Wireless Specifications
- Radio: 2.4GHz
- Standard: IEEE 802.15.1 – Bluetooth® 4.2 Low Energy (BLE)
- Transmitter Power: +14dBm
- Range: Device to device; 100ft (30m) LOS (best practice)
System Performance
Maximum number of nodes supported: Up to 50 devices per commissioned network (best practice 40 devices)
Standards/Ratings
- cULus Listed – Energy Management Equipment (UL916)
- FCC Part 15/ECES-003
- Meets latest ASHRAE Standard 90.1 requirements
- Meets latest IECC requirements
- Meets latest CEC Title 24 requirements
- Socket must comply with Directive 2002 / 95 / EC (ROHS)
Warranty
Five year warranty standard
System Architecture
This diagram shows the the main components and topology of the WaveLinx Lite (WLC) system. The WLC system uses standardized IEEE 802.15.1 (Bluetooth® 4.2 Low Energy) mesh technology for device to device communications without the requirement of a gateway. WLC integrated luminaires provide out-of-the-box functionality for independent operation when energized. With the use of the WLC mobile application with MyApps secure cloud portal access, groups of independent luminaires may be created and maintained with areas, control zones, and occupancy sets. WaveLinx Lite devices are not currently compatible with the WaveLinx Pro Wireless Area Controller.

Overview
The Outdoor sensors are an integral part of the WaveLinx Lite System and offer passive infrared (PIR) occupancy and a photocell for closed loop daylighting. WaveLinx
Lite Outdoor sensors offer installation heights up to 40 feet and have coverage patterns up to 5000 square feet (see sensor specifications – field of view). When part of the WaveLinx Lite system, the sensor operates on a wireless mesh network based on IEEE 802.15.1(Bluetooth® 4.2 Low Energy) standards.
The sensors offer simple tool-less integration into WaveLinx Outdoor light fixtures equipped with the 4-pin Zhaga Book 18 compliant socket. Once installed, sensors receive power from their co-located light fixture with no batteries to replace. The sensor in combination with the WaveLinx Lite Mobile application allows you to gain considerable energy savings from occupancy and daylight sensing lighting control. The WaveLinx Lite Mobile application allows you to map the sensor to any area or control zone, select occupancy or vacancy, occupied and unoccupied light levels and set the hold time.
Installation
TheWOB / WOF easily install into WaveLinx-ready LED fixtures equipped with Zhaga Book 18 4-pin sockets. Sensor connection is enabled via the simply twist-lock connection and provides immediate out-of-the-box functionality.
Removal

Additional Dimensional Details
Control Module

Socket

Field of View – Low Mount
TOP VIEW:

SIDE VIEW:

Field of View – High Mount
TOP VIEW:

SIDE VIEW:
High mount models accommodate mounting height to 45ft (13.7m) for major motion (vehicles, fork trucks, etc.) – may not detect minor motion of people depending on conditions.
Note:
- False motion detection can occur when objects of contrasting temperature with the surrounding environment move within the sensor field of view. Wind blowing leaves, branches, or other objects can trigger the motion sensor. It is recommended that the sensor be mounted away from these objects.
- Air movement at temperature contrasting with the environment may cause false motion detection. For that reason, it is recommended that the sensor be mounted 3-4ft away from air vents, when possible.
Cooper Lighting Solutions
1121 Highway 74 South
Peachtree City, GA 30269
P: 770-486-4800
www.cooperlighting.com
















