M22A 1.5T Mini-Split 2X2 Heat Pump Cassette
Instruction Manual
THIS MANUAL MUST BE LEFT WITH THE OWNER FOR FUTURE REFERENCE
WARNING
Improper ins thallation, adjustment, alteration, seer vice or maintenance can cause property damage, personal injury or loss of life.
Installation and service must be performed by a li censed professional HVAC installer (or equivalent) or a service agency.
WARNING
The clean Air Act of 1990 bans the intentional venting of refrigerant (CFCs, HCFCs, and HFCs) as of July, 1992. Approved methods of recovery, recycling or reclaiming must be followed. Fines and/or incarceration may be levied for non-compliance.
CAUTION
As with any mechanical equipment, contact with sharp sheet metal edges can result in personal injury. Take care while handling this equipment and wear gloves and protective clothing.
General
Refer to the Product Specifications bulletin (EHB) for more product information.
These instructions are intended as a general guide and do not supersede local or national codes in any way.
Authorities having jurisdiction should be consulted before installation.
The M22A and M33C ceiling cassette indoor units are matched with an outdoor heat pump unit to create a miniplate system that uses HFC-410A refrigerant.
Included Parts
Package 1 of 1 contains the following:
1 – Assembled Indoor Unit
The assembled indoor unit will include the following items:
| Parts | Figure | Quantity | Parts | Figure | Quantity |
| Wireless controller | 1 | Installation and owner’s manual | 1 | ||
| Wireless control holder with two mounting screws | 1 | Paper template for installation | 1 | ||
| Batteries (AAA) | 2 | 3/4” Drain Adapter with two band claps. | 1 | ||
| Conduit Installation Plate | 1 |
1 – Assembled Outdoor Unit and the following items:
| Parts | Figure | Quantity | Parts | Figure | Quantity |
| Drain connector | 1 | Seal ring | 1 |
Model Number Identification
CASSETTE NON-DUCTED INDOOR UNITS
OUTDOOR HEAT PUMP UNITS
Indoor / Outdoor Unit Match-Ups
Table 1. Indoor / Outdoor Match-ups
| Outdoor Unit | Indoor Unit Match-Up | Voltage |
| MPC009S4S-*P | M22A009S4-*P | 208/230V |
| MPC012S4S-*P | M22A012S4-*P | 208/230V |
| MPC018S4S-*P | M22A018S4-*P | 208/230V |
| MPC024S4S-*P | M33C024S4-*P | 208/230V |
| MPC036S4S-*P | M33C036S4-*P | 208/230V |
| MPC048S4S-*P | M33C048S4-*P | 208/230V |
| MLB009S4S-*P | M22A009S4-2P | 208/230V |
| MLB012S4S-*P | M22A012S4-2P | 208/230V |
| MLB018S4S-*P | M22A018S4-2P | 208/230V |
| MLB024S4S-*P | M33C024S4-2P | 208/230V |
| MLB036S4S-*P | M33C036S4-2P | 208/230V |
| MLB048S4S-*P | M33C048S4-2P | 208/230V |
Typical System Components

System Dimensions
Outdoor Units


Indoor Units

System Clearances
Outdoor Unit
Indoor Unit
Torque Requirements for Caps and Fasteners
When servicing or repairing HVAC components, ensure the fasteners are appropriately tightened. “Table 2. Torque Requirements” on page 13 provides torque values for fasteners.
IMPORTANT
Only use Allen wrenches of sufficient hardness (50Rc
– Rockwell Harness Scale minimum). Fully insert the wrench into the valve stem recess.
Service valve stems are factory-torqued from 9 ft.-lbs. (12 N) for small valves, to 25 ft.-lbs. (34 N) for large valves) to prevent refrigerant loss during shipping and handling. Using an Allen wrench rated at less than 50Rc risks rounding or breaking off the wrench, or stripping the valve stem recess.
See the Lennox Service and Application Notes C-08-1 for further details and information.
Table 2. Torque Requirements
| Parts | Recommended Torque | |
| U.S. | Newton-Meter- N | |
| Service valve cap | 8 ft.-lb. | 11 |
| Sheet metal screws | 16 in.-lb. | 2 |
| Machine screws #10 | 27 in.-lb. | 3 |
| Compressor bolts | 7 ft.-lb. | 10 |
| Gauge port seal cap | 8 ft.-lb. | 11 |
Indoor Unit Installation
CAUTION
In order to avoid injury, take proper precaution when lifting heavy objects.
Unit Placement Considerations
AVOID
Do not install the unit in the following locations:
- Areas exposed to petrochemicals or petrochemical products
- Areas exposed to salt or other corrosive materials or caustic gases
- Areas exposed to extreme voltage variations (such as factories
- Tightly enclosed areas that may impede service of the unit
- Areas exposed to fossil fuels (such as oil or gas in kitchens)
- Areas exposed to strong electromagnetic forces
- Areas exposed to acids or alkaline detergents
DO
- Place the unit so that it is not exposed to direct sunlight
- Ensure the structural ceiling can support the weight of the unit
- Select a location where the condensate line will have the shortest run to a suitable drain per local codes.
- Allow sufficient space around unit for proper operation and maintenance
- Install unit a minimum of 3 feet (1m) away from any antenna, power cord (line) radio, telephone, security system, or intercom. Electrical interference and radio frequencies from any of these sources may affect operation
- Be sure to instruct customers how to properly operate the unit (especially maintenance of air filter, and operation procedure) by having them carry out operations themselves while looking at the manual provided with the controller
Installation of Cassette Base
It is important to place the cassette unit in the center of the area that is being conditioned. This will provide the best air distribution.
- If the unit is to be installed in an application that includes a drop-down tile ceiling, remove the ceiling tiles necessary to accommodate installation of the four-way cassette. Before removing the drop ceiling support grid, use a plumb line or laser device to identify the center point of the structural ceiling. Make sure that the ceiling is supported before removing any of the support grid. It may be necessary to add extra support to maintain the structural integrity of the drop ceiling.
- If the unit is to be installed in an application that includes a sheet rock (plasterboard) ceiling, the installation site must be carefully measured and the sheet rock must be cut to accommodate the cassette unit. First, identify the center point of the installed cassette. Use a plumb line to transfer the center mark to the floor for future use. Use the provided template to mark the area of the required opening. Carefully cut the required opening.
Make sure that the removal of the required ceiling support does not affect the structural integrity of the ceiling. It may be necessary to add extra support. - Use the unit as a template or use the provided paper template to mark the location of the hanging brackets on the floor. Use a plumb line or a laser to transfer the bracket positions to the main structural ceiling.
- Make sure that the structural ceiling is able to support the weight of the cassette unit. It may be necessary to add extra support. If the structural ceiling is constructed of concrete, install anchors to accept four ⅜” threaded rods to suspend the cassette base. If the structural ceiling includes wooden joists, use angle iron or a Unistrut channel fixed securely in place to accept the ⅜” threaded rods.
- Slide one nut and one washer onto each threaded rod. Use electrical tape to keep the washer from failing off. Position the nuts slightly above the final resting place of the four suspension brackets.

- Use either a mechanical lifting device or a minimum of two people to raise the unit and insert the threaded rods into the suspension brackets on the cassette base. Slide a washer and then a nut onto each rod below each suspension bracket. Use the leveling nut (beneath suspension bracket) to adjust the cassette base to the correct height. Remove the electrical tape holding the upper washers and nuts in place and tighten each of the four nuts above the brackets down onto the brackets. This will ensure that the unit remains level.
- If the unit is being installed in an application that includes a sheet rock (plasterboard) ceiling, it is recommended to install an access panel in a suitable location to allow final connection of the refrigerant piping, condensate line and electrical connections. This will also allow access for future maintenance. If this is not possible, make final connections before installing cassette cover panel.
Installation of Cassette Cover Panel
The M33 cassette cover panel is not included and is order separately. Please refer to the product specification (EHB) for catalog number for ordering.
IMPORTANT
Do not place the cover panel with the diffusers face down on the floor or other surface. Louvers will be damaged if pressure is applied to them.
- Carefully remove the cassette cover panel from its protective packaging and place the panel diffuser side-out on a clean, level surface.
- Press the two grille latch release buttons at the same time to release the grille as illustrated in “Figure 16. Remove Return Air Grille”. Tilt the return air grille outward at a 45º angle and lift the grille away from the panel. Carefully place the return air grille off to the side.

- Remove access covers from each corner of the panel.


- Position the ceiling panel so that the arrow on the panel is aligned with the arrow sticker on the cassette base (both arrow stickers should be on the same side of the cassette base).
NOTE: If the panel and the base are not properly aligned, the airflow will be blocked and the harness plugs from the panel to the cassette base will not be long enough to plug together. - Place the cover panel hangers on the two corners with the louver swing motors. Place these two hangers on the corresponding hooks on the corners of the cassette base. See detail A in “Figure 18. Install Cover Panel”. Then, place the other hangers from the other two corners over their corresponding hooks on the cassette base as shown in detail B in “Figure 18.
Install Cover Panel”. - Connect the six-pin harness plugs from each of the two swing motors to the matching six-pin plugs from the control box in the cassette base.
- Connect the black harness from the display on the cover panel to the corresponding black plug from the control box in the cassette base.
- Connect the black two-pin plug from the temperature sensor to the corresponding black plug from the control box in the cassette base.
- Tighten the provided screws in the bracket in the cover panel immediately below each panel hanger. See detail C in “Figure 18. Install Cover Panel”. Adjust the cover panel by turning slightly clockwise, if necessary, to make sure that the panel is properly aligned with the cassette base.

- Continue to tighten the cover panel securing screws until the insulation between the cover panel and the cassette base has been compressed to approximately ¼” (6 mm). The cover panel must form a seal with the ceiling and the cassette base around the entire perimeter of the unit.

- If it is necessary to adjust the cassette height after the cover panel has been installed, access the leveling nut through the removable access cover on each corner.
- The return air grille must be reinstalled on the cover panel. Align the four tabs on the grille with the four slots in the cover panel. Tilt the panel back into place.
Press the opposite side of the cover gently until the latches engage.
Indoor Unit Condensate Piping Connections
IMPORTANT
Make sure that drain piping is properly routed and insulated to prevent both leaks and condensation.
- Use a field-provided hose clamp to secure the drain line stub on the side of the cabinet to a field-supplied 1-inch (25 mm) drain line.
NOTE: Take care not to over-tighten the hose clamps this may damage the drain line stub.
NOTE: Connection between stub and drain line must be watertight. Apply non hardening plumbing joint compound if needed to ensure a watertight seal. - Confirm proper slope (not less than 1/4 inch per foot (18 mm per m)) and routing of condensate lines to ensure moisture is drained away from the indoor unit.
- Drain should be as short as possible and should not have any droops or kinks that would restrict condensate flow and shall be approved resistant pipe.
There must be a 2-inch (51 mm) space between the end of the condensate drain and the final termination point (ground, open drain, etc.) to ensure that the line will drain freely. - After the system installation is complete, the condensate drain line must be checked for leaks and proper drainage. If a field-provided condensate pump has been installed, it must be checked to ensure proper operation. This check is part of the start-up process which must be done by the installing contractor.
IMPORTANT
Drain should have a slope of at least ¼ inch per foot and should be approved corrosion-resistant pipe. You must confirm operation of every drain and pump in the system as part of the commissioning procedure.

Outdoor Unit Installation
CAUTION
In order to avoid injury, take proper precaution when lifting heavy objects.
Placement Considerations
Consider the following when positioning the unit:
- In coastal areas or other places with salty atmosphere of sulfate gas, corrosion may shorten the life of the unit. In coastal areas, the coil should be cleaned with potable water several times per year to avoid corrosive buildup (salt)
- Some localities are adopting sound ordinances based on the unit’s sound level registered from the adjacent property, not from the property where the unit is installed. Install the unit as far as possible from the property line
- When possible, do not install the unit directly outside a window. Glass has a very high level of sound transmission.
- Install unit level

- Choose a place solid enough to bear the weight and vibration of the unit, where the operation noise will not be amplified
- Choose a location where the hot air discharged from the unit or the operation noise will not be a nuisance to neighbors
- Avoid installing the outdoor unit near a bedroom or other places where noise may cause a problem
- There must be sufficient space to carry the unit into and out of the site
- There must be unobstructed air flow around the air inlet and the air outlet
- The unit must not be installed in areas where a flammable gas leak may occur
- Install the outdoor unit a minimum of 3 feet (1m) away from any antenna, power cord (line), radio, telephone, security system, or intercom. Electrical interference and radio frequencies from any of these sources may affect operation
- Since water drains from the outdoor unit during various stages of operation, do not place anything which may be damaged by moisture under the unit
Direct Sunlight, Rain, Snow and Ice Protection
- If the outdoor unit is subjected to prolong exposure to direct sunlight with temperatures over 100°F (38°C) a canopy is recommended as illustrated in “Figure 24.
Outdoor Unit on Pedestal (Stand) and Protective Canopy” or “Figure 29. Dog House-Style Shelter” on page 18.
IMPORTANT
The construction of a canopy or shade is necessary because of an ambient limit control set to 122°F (50°C) to protect the electronics. If the outdoor unit is placed in direct sunlight it is possible that the limit may activate and shut down the unit.
- Place unit away from overhanging roof lines which would allow water or ice to drop on, or in front of, coil or into unit. Construct a canopy as illustrated in “Figure 24. Outdoor Unit on Pedestal (Stand) and Protective Canopy”
- The unit base should be elevated above the depth of average snows as illustrated in “Figure 25. Outdoor Unit on Brackets above Snow Line”
- In heavy snow areas, do not place the unit where drifting will occur as illustrated in “Figure 26. Outdoor Unit Air Flow Obstructed by Snow”
- Carefully consider how to manage defrost water disposal to prevent ice from blocking walkways or creating a safety hazard near the outdoor unit as illustrated in “Figure 27. Avoid Defrost Water Ice Hazard”


Prevailing Winds
Normally wind baffles are not required for a outdoor unit.
However, in order to maximize reliability and performance, the following best practices should be followed.
If unit coil cannot be installed away from prevailing winter winds, some method of protecting the coil is recommended.
However, minimum clearances as reference in “Figure 12.
Outdoor Unit Clearances – inches (mm)” on page 12 must be observed at all times.
Common application examples are:
- When prevailing winds are from the air inlet side, then position the wind barrier a minimum of 12 inches (305 mm) from the unit as illustrated in “Figure 28. Wind Barrier”
- When prevailing wind is into the discharge side, then position the wind barrier a minimum 79 inches (2007 mm) from the front of the unit as illustrated in “Figure 28. Wind Barrier”
- Outdoor unit can be installed in a dog house style shelter as illustrated in “Figure 29. Dog House-Style Shelter”
- Outdoor unit can be installed in a alcove or under a roof overhang as illustrated in “Figure 30. Unit installed in Alcove”)



Buried Refrigerant Pipe Protection
- All refrigerant lines must be insulated regardless of if it is buried
- In addition to insulating each line of piping, buried lines must rest inside a sealed, watertight conduit
- The conduit must be designed so it cannot collect and retain water
Outdoor Unit Condensate Piping
Condensate formed during the heating and defrost processes must be drained from heat pump units. Drain holes are provided in the base of the units to ensure proper drainage. Heat pumps must be raised when installed on a concrete pad or the ground to allow drainage to occur. If the heat pump unit is installed on wall mounting bracket, insert the provided drain connector into one of the 1 inch (25 mm) drain holes and attached a field-provided insulated drain hose to the connector. Use field-provided rubber plugs to cover any unused drain holes (see “Figure 31. Condensate Drain” on page 19).

Securing the Outdoor Unit
Slab or Roof Mounting
Install the unit a minimum of 4 inches (102 mm) above the roof or ground surface to avoid ice build-up around the unit. Place the unit above a load bearing wall or area of the roof that can adequately support the unit. Consult local codes for rooftop applications.
CAUTION
Roof Damage!
This system contains both refrigerant and oil. Some rubber roofing material may absorb oil. This will cause the rubber to swell when it comes into contact with oil.
The rubber will then bubble and could cause leaks.
Protect the roof surface to avoid exposure to refrigerant and oil during service and installation. Failure to follow this notice could result in damage to roof surface.
Securing Outdoor Unit to Slab, Frame, or Rails
If the outdoor unit is installed on a field-provided slab or frame, use lag bolts or equivalent to secure the outdoor unit to the slab or frame.

Securing Outdoor Unit to Hanging Brackets
If the outdoor unit is installed on field-provided wall mounting brackets, use lag bolts or equivalent to secure the outdoor unit to the bracket. Minimum rear clearance can be reduced to 6 inches (152 mm) when mounted on brackets and with no obstructions on the other three sides.
Allow for condensate disposal when placing units above one another.
Refrigerant Piping Connections
Field piping consists of two copper lines connecting the outdoor unit to the indoor unit. “Table 4. Refrigerant Piping and Indoor Unit Connection Sizes” lists the connection sizes. The connections are made using the provided brass flare nuts at the end of the refrigerant piping connections.
Preparing Piping:
- Choose the correct pipe sizes for your application using “Refrigerant Piping and Indoor Unit Connection Sizes” on page 20.
- Confirm that you are using the correct diameter piping.
- Determine the necessary piping length required for the application.
- Cut the selected pipes with a pipe cutter. Make the cuts flat and smooth as illustrated in “Figure 35. Cutting Pipe”

- Insulate the copper piping.
- Insert a flare nut onto each pipe before flaring.
- Use “Table 3. Flaring Piping” to properly flare the pipe.
Table 3. Flaring PipingPipe Diameter Flare Dimension A (mm) Flare Shape Min Max 1/4” (6.35) 8.3 8.7 
3/8” (9.62) 12.0 12.4 1/2” (9.52” 15.4 15.8 5/8” (15.9) 18.6 19.1 3/4” (22.9) 22.9 23.3 - After flaring the pipe, temporarily sealed pipe ends with adhesive tape to avoid contaminants from entering the pipes.
- The seal on the unit refrigerant piping connections should remain in place until the last possible moment.
This will prevent dust or water from getting into the refrigerant piping before it is connected. - CAREFULLY adjust refrigerant piping connections to suit the application.
- Slowly loosen one of the flare nuts to release the factory nitrogen charge from the indoor units only.
- Remove the flare nuts from the connections on the unit and discard the seal from each of the piping connections.
- Slide the flare nuts onto the ends of the field-provided refrigerant piping before using a suitable flaring tool to flare the end of the copper pipe.
- Apply recommended HFC-410A refrigerant lubricant to the outside of the flared refrigerant lines.
IMPORTANT
The compressor in this unit contains PVE oil (Polyvinyl ether). PVE oil is formulated for hydrofluorocarbon (HFC) refrigerants, such as HFC410A, which this system contains. While it may have some miscibility properties with mineral-based oil and POE oil (Polyol ester), it is not recommended to mix PVE oil with any other type of refrigerant oil. - Align the threaded connections with the flared refrigerant lines. Tighten the flare nuts lightly at first to obtain a smooth match as illustrated in “Figure 36. Making Connections (Male to Female Connection)”.
- Once snug, continue another half-turn on each nut which should create a leak-free joint. A torque wrench may be used to tighten flare nuts using “Table 5. Flare Nut Torque Recommendations” on page 21. Do not over-tighten a flared joint.
- After refrigerant piping has been installed and checked for leaks, apply insulation over all flared connections.
Table 4. Refrigerant Piping and Indoor Unit Connection Sizes
| Size (But) | Liquid Line in. | Gas Line in. |
| 9000 | 1/4 | 3/8 |
| 12000 | 1/4 | 1/2 |
| 18000 | 1/4 | 1/2 |
| 24000 | 3/8 | 5/8 |
| 36000 and 48000 | 3/8 | 5/8 |

IMPORTANT
Always use two wrenches when tightening flare nuts to avoid twisting refrigerant piping. DO NOT over-tighten flare nuts.
Table 5. Flare Nut Torque Recommendations
| Outside Diameter | Recommended Torque | No torque wrench available Finger tighten and use an appropriately sized wrench to turn an additional: |
| Inches | ||
| 1/4 | 15 ft.-lb. (20 N) | 1/4 turn |
| 3/8 | 26 ft.-lb. (35 N) | 1/2 turn |
| 1/2 | 41 ft.-lb. (56 N) | 7/8 turn |
| 5/8 | 48 ft.-lb. (65 N) | 1 full turn |

IMPORTANT
Do not allow for excess length of line sets to be left rolled up as part of the required distance, or in general. This will also cause additional performance issues.
Each system size has a line set length and vertical elevation parameters.
| System Size (KBtu) | Line Set Diameters (in.) | Maximum Elevation Outdoor Unit BELOW Indoor Unit – Feet (Meter) | Maximum Elevation Outdoor Unit ABOVE Indoor Unit – Feet (Meter) | Maximum Line Set Length – Feet (Meters) | |
| Liquid | Gas | ||||
| 9 | 1/4 | 3/8 | 40 (12) | 40 (12) | 82 (25) |
| 12 | 1/4 | 1/2 | 40 (12) | 40 (12) | 82 (25) |
| 18 | 1/4 | 1/2 | 66 (20) | 66 (20) | 98 (30) |
| 24 | 3/8 | 5/8 | 82 (25) | 82 (25) | 164 (50) |
| 036/048 | 3/8 | 5/8 | 98 (30) | 98 (30) | 213 (65) |
Leak Test and Evacuation
Air and moisture remaining in the refrigerant system will have undesirable effects as indicated below:
- Pressure in the system rises
- Operating current rises
- Cooling or heating efficiency drops
- Moisture in the refrigerant circuit may freeze
- Water may lead to corrosion of parts in the refrigeration system
The line set between the indoor and outdoor units must be leak tested and evacuated to remove any noncondensables and moisture from the system.
IMPORTANT
Use only oxygen-free nitrogen (OFN).
Leak Test
Use the following procedure to test for system leaks:
- Connect the manifold gauge set and dry nitrogen gas cylinder to the liquid and gas service ports.
- Open valve on nitrogen cylinder.
- Pressurize the system per the pressure test specifications in “Table 7. Pressure Test Specifications”.
- Check that the system pressure remains stable. If there is any movement check system for leaks.
- After the system is found to be free of leaks:
- Close valve on nitrogen cylinder
- Relieve the nitrogen pressure by loosening the charge hose connector at the nitrogen cylinder
- When the system pressure is reduced to normal, disconnect the hose from the cylinder.
Table 7. Pressure Test Specifications
| Bar | Psig | kPa | Duration | |
| 1 | 3 | 44 | 303 | Minimum of 10 minutes |
| 2 | 15 | 220 | 1517 | Minimum of 10 minutes |
| 3 | 32 | 470 | 3241 | Minimum of 10 minutes |
| 4 | 45 | 650 | 4482 | 1 hour. Stress test to prove the integrity of the complete installation. |
| 5 | 32 | 470 | 3241 | 24 hours. Lower system pressure test, after confirmation No. 4 was successfully completed. |
Triple Evacuation Procedure
A Micron or Torr gauge must be used for this procedure.
- Discharge the oxygen-free nitrogen and evacuate the system to a reading of 8000 Microns (8 Torr) using all service valves.
- Break the vacuum by allowing nitrogen into the port connections (liquid line and gas line pipes) until a positive pressure is achieved.
- Evacuate the system to a reading of 5000 Microns (5 Torr).
- Break the vacuum by allowing nitrogen into the port connections (liquid line and gas line pipes) until a positive pressure is achieved
- Evacuate the system to a minimum reading of 500 Microns (0.5 Torr).
- For a moisture-free system, ensure the vacuum is held without movement for a minimum of 4 hours.
- If vacuum fails to hold, carry out steps 2 through 6 until vacuum holds.
Wiring Connections
IMPORTANT
Install unit so that unit disconnect is accessible.
Use specified wiring and cable to make electrical connections. Clamp cables securely and make sure that connections are tight to avoid strain on wiring. Insecure wiring connections may result in equipment failure and risk of fire.
Wiring must be installed so that all cover plates can be securely closed.
WARNING
Electric Shock Hazard. Can cause injury or death. Unit must be rounded in accordance with national and local codes.
Line voltage is present at all components when unit is not in operation. Disconnect all remote electric power supplies before opening access panel. Unit may have multiple power sources.
CAUTION
All terminal connections must be made as illustrated in the following diagrams. Improperly connected wiring could damage unit or cause communication errors between indoor and outdoor units.
In the U.S.A., wiring must conform with current local codes and the current National Electric Code (NEC). In Canada, wiring must conform with current local codes and the current Canadian Electrical Code (CEC).
Refer to unit nameplate for minimum circuit ampacity and maximum over-current protection size.
Outdoor Unit
- Refer to unit nameplate for minimum circuit ampacity and maximum over-current protection size
- Make all electrical power wiring connections at the outdoor unit
- Be sure to reattach all electrical box covers after connections are complete
Indoor Unit
- All indoor units are powered by the outdoor unit
- Communication Wiring (Indoor Units 30K and Below):
Use one stranded 4-conductor wire to provide power and communication - Communication Wiring (Indoor Units 36K and Above):
Use one stranded 3-conductor wire to provide power and one stranded 2-conductor wire to provide communication - See “Table 8. Single Zone Installation Wiring Requirements” on page 24 for further details.
NOTE: When installing a condensate pump, wire in-line with the CN5 float switch

IMPORTANT
This unit must be properly grounded and protected by a circuit breaker. The ground wire for the unit must not be connected to a gas or water pipe, a lightning conductor or a telephone ground wire.
Do not connect power wires to the outdoor unit until all other wiring and piping connections have been completed.
Do not install the unit near a lighting appliance that includes a ballast. The ballast may affect remote control operation.
IMPORTANT
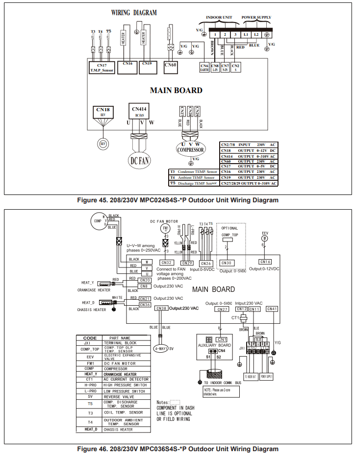
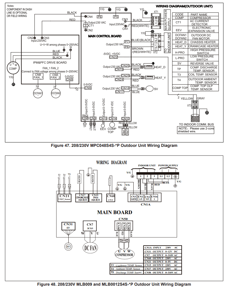
All diagrams (Figure 40 through Figure 512) are typical control board connection diagrams. Refer to the diagram on the unit for actual wiring.
Wiring Requirements
Table 8. Single Zone Installation Wiring Requirements
| System and Terminal Designations | System Capacity | System Voltage | Number of Conductors | Wire Type | Wire Gauge / MCA |
| Indoor to Outdoor Wiring (Communication/Power) 1, 2, 3 and GND | 09K and 12K | 208/230VAC | 4 | Stranded and unshielded | 16AWG |
| Outdoor to Main Power L1, L2 and GND | 09K and 12K | 208/230VAC | 3 | Stranded and unshielded | 16AWG |
| Indoor to Outdoor Wiring (Communication/Power) 1, 2, 3 and GND | 18K | 208/230VAC | 4 | Stranded and unshielded | 16AWG |
| Outdoor to Main Power L1, L2 and GND | 18K | 208/230VAC | 3 | Stranded and unshielded | 14AWG / 17A |
| Indoor to Outdoor Wiring (Communication/Power) 1, 2, 3 and GND | 24K | 208/230VAC | 4 | Stranded and unshielded | 16AWG |
| Outdoor to Main Power L1, L2 and GND | 24K | 208/230VAC | 3 | Stranded and unshielded | 12AWG / 22A |
| Indoor to Outdoor Wiring (Power only) L1, L2 and GND | 36K | 208/230VAC | 3 | Stranded and unshielded | 16AWG |
| Indoor to Outdoor Wiring (Communication only) (S1, S2 and GND) | 36K | 208/230VAC | 3 | Stranded and shielded | 24AWG |
| Outdoor to Main Power L1, L2 and GND | 36K | 208/230VAC | 3 | Stranded and unshielded | 10AWG / 30A |
| Indoor to Outdoor Wiring (Power only) L1, L2 and GND | 48K | 208/230VAC | 3 | Stranded and unshielded | 16AWG |
| Indoor to Outdoor Wiring (Communication only) (S1, S2 and GND) | 48K | 208/230VAC | 3 | Stranded and shielded | 24AWG |
| Outdoor to Main Power L1, L2 and GND | 48K | 208/230VAC | 3 | Stranded and unshielded | 6AWG / 50A |
| MCA = Minimum Circuit Amps | |||||
Indoor Unit Control Board Wiring Connections

Outdoor Unit Control Board Wiring Connections







Unit Start-Up
IMPORTANT
Units should be energized 24 hours before unit start-up to prevent compressor damage as a result of slugging.
- Inspect all factory- and field-installed wiring for loose connections.
- Verify that the manifold gauge set is connected.
- Add additional refrigerant charge if required before opening valves and while system is still under a vacuum.
- Open the liquid and gas line service valves to release the refrigerant charge contained in outdoor unit into the system.
- Replace the stem caps and tighten to the value listed in “Table 2. Torque Requirements” on page 13. 6. Check voltage supply at the outdoor unit terminal strip.
The voltage must be within the range listed on the unit’s nameplate. If not, do not start the equipment until you have consulted with the power company and the voltage condition has been corrected. - Refer to the included user guide to operate the system using the provided remote control.
- Visually check for binding of both indoor and outdoor fans.
Adding Refrigerant for Longer Line Set
The outdoor unit is factory-charged with refrigerant.
Calculate the additional refrigerant required according to the diameter and the length of the liquid pipe between the outdoor unit and indoor unit connections.
Be sure to add the proper amount of additional refrigerant.
Failure to do so may result in reduced performance.
| Table 9. Additional Refrigerant Charge | ||
| System Size (But) | Pipe Length (feet / meters) | Amount of Refrigerant to add |
| 09 | >25 (7.5) | 0.161 oz/ft (15g/m) |
| 12 | >25 (7.5) | 0.161 oz/ft (15g/m) |
| 18 | >25 (7.5) | 0.161 oz/ft (15g/m) |
| 24 | >25 (7.5) | 0.322 oz/ft (30g/m) |
| 36 | >25 (7.5) | 0.322 oz/ft (30g/m) |
| 48 | >25 (7.5) | 0.322 oz/ft (30g/m) |
Self Clean Feature
For units that use the provided wireless remote control, there is a button labeled “self clean”. Press to activate self cleaning mode. In cooling or dry mode only, the indoor unit will temporarily change operation to allow condensate on the indoor unit coil to evaporate, and then will turn off.
During this operation, code SC will display on the indoor unit.
The sequence of operation for the self-clean function is illustrated below.

Test Run
Pre-Checks
Only perform test run after you have completed the following steps:
- Electrical Safety Checks – Confirm that the unit’s electrical system is safe and operating properly
- Refrigerant Leak Checks – Check all flare nut connections and confirm that the system is not leaking
- Confirm that gas and liquid valves are fully open
Procedure
You should perform the Test Run for at least 30 minutes.
- Connect power to the unit.
- Press the ON/OFF button on the remote controller to turn it on.
- Press the mode button to scroll through the following functions, one at a time:
• COOL – Select lowest possible temperature
• HEAT – Select highest possible temperature - Let each function run for 5 minutes, and perform the following checks:
Table 10. Test Run Checklist
| Checks | Pass | Fail |
| No electrical leakage | ||
| Unit is properly grounded | ||
| All electrical terminals properly covered | ||
| Indoor and outdoor units are solidly installed | ||
| All pipe connection points do not leak | ||
| Water drains properly from drain hose | ||
| All piping is properly insulated | ||
| Unit performs COOL function properly | ||
| Unit performs HEAT function properly | ||
| Indoor unit louvers rotate properly | ||
| Indoor unit responds to remote controller |
Troubleshooting
Indoor Unit Error Codes
Table 11. System Status and Troubleshooting Error Codes
| Type | Indoor Unit Display | Indoor Unit Error Codes Description | |
| M22A | M33C | ||
| Status | Defrost | ||
| Status | Filter cleaning reminder(power on display for 15 seconds). | ||
| Status | Active clean | ||
| Status | Remote switched off. | ||
| Status | Forced cooling. | ||
| Status | Heating in room temperature under 8°C (46.4°F). | ||
| Status | Filter replacement reminder (power on display for 15 seconds). | ||
| Error | — | — | Mode conflict for multi-zone systems |
| Error | Indoor unit EEPROM error | ||
| Error | Communication error between indoor unit and outdoor units | ||
| Error | Indoor fan speed error (DC motor) | ||
| Error | Indoor room temperature sensor error (T1) | ||
| Error | Indoor coil temperature sensor error (T2) | ||
| Error | Refrigerant leakage detection (Cooling mode only) | ||
| Error | High water level alarm | ||
| Error | Indoor fan motor zero-crossing signal detection error (AC motor) | ||
| Error | Outdoor current overload protection | ||
Table 11. System Status and Troubleshooting Error Codes
| Type | Indoor Unit Display | Indoor Unit Error Codes Description | |
| M22A | M33C | ||
| Error | Communication error between wired controller and indoor unit | ||
| Outdoor ambient temperature sensor error (T4) | |||
| Error | The cassette panel is abnormal | ||
| Error | Outdoor coil temperature sensor error (T3) | ||
| Error | Compressor discharge temperature sensor error (T5) | ||
| Error | Outdoor unit EEPROM error | ||
| Error | Outdoor unit fan speed error (DC fan motor) | ||
| Error | Indoor coil outlet temperature sensor error (T2B) | ||
| Error | Indoor unit #1 coil outlet temperature sensor error (T2B for multi-zone) | ||
| Indoor unit #2 coil outlet temperature sensor error (T2B for multi-zone) | |||
| Indoor unit #3 coil outlet temperature sensor error (T2B for multi-zone) | |||
| Indoor unit #4 coil outlet temperature sensor error (T2B for multi-zone) | |||
| Indoor unit #5 coil outlet temperature sensor error (T2B for multi-zone) | |||
| Indoor unit #6 coil outlet temperature sensor error (T2B for multi-zone) | |||
| Error | Indoor unit EEPROM parameter error | ||
| Error | Communication error between main control board and display board | ||
| Error | Inverter module IPM error | ||
| Error | High or Low voltage protection | ||
| Error | High temperature sensed at compressor top | ||
| Error | Outdoor low ambient temperature protection | ||
| Error | Compressor drive error | ||
| Error | High pressure switch open | ||
| Error | Low pressure switch open | ||
| Error | Outdoor IGBT temperature sensor error | ||
Dry Mode Operation (Dehumidification)
Procedure
- Using the provided wired remote control, press the MODE button and select DRY mode.
- Press the UP/ DOWN button to select the desired temperature. The temperature setting range is from 62°F (17°C) to 86°F (30°C) in one degree increments.
NOTE: The blower is preset at a low speed and cannot be changed therefore it will get cold and most likely will surpass the temperature setting and will run down to 50°F (10°C) room temperature depending on the room size or other various factors. Also the Follow Me mode does not operate in this mode.
NOTE: In addition, the indoor units do not have a humidistat installed therefore they are unable to determine humidity levels. This product is not recommend as a main source for dehumidification.
Sequence of Operation
When in dry mode operation the unit is actually in cooling mode with a low speed blower operation. Set remote temp to a lower room temp to begin the dry mode operation.
The compressor will stop when the room temperature is 50°F (10°C) lower than the temperature setting.
System will not resume unit until room temperature rises above 53.6°F (12°C).


























