FRYMASTER 8197238 Pasta Magic Gas Water Cooker

NOTICE
- IF, DURING THE WARRANTY PERIOD, THE CUSTOMER USES A PART FOR THIS FRYMASTER EQUIPMENT OTHER THAN AN UNMODIFIED NEW OR RECYCLED PART PURCHASED DIRECTLY FROM FRYMASTER OR ANY OF ITS AUTHORIZED SERVICERS, AND/OR THE PART BEING USED IS MODIFIED FROM ITS ORIGINAL CONFIGURATION, THIS WARRANTY WILL BE VOID. FURTHER, FRYMASTER AND ITS AFFILIATES WILL NOT BE LIABLE FOR ANY CLAIMS, DAMAGES OR EXPENSES INCURRED BY THE CUSTOMER WHICH ARISE DIRECTLY OR INDIRECTLY, IN WHOLE OR IN PART, DUE TO THE INSTALLATION OF ANY MODIFIED PART AND/OR PART RECEIVED FROM AN UNAUTHORIZED SERVICER.
- This appliance is intended for professional use only and is to be operated by qualified personnel only. A Frymaster Factory Authorized Servicer (FAS) or other qualified professional should perform installation, maintenance, and repairs. Installation, maintenance, or repairs by unqualified personnel may void the manufacturer’s warranty. See Chapter 1 of this manual for definitions of qualified personnel.
- This equipment must be installed in accordance with the appropriate national and local codes of the country and/or region in which the appliance is installed. See NATIONAL CODE REQUIREMENTS in Chapter 2 of this manual for specifics.
NOTICE TO U.S. CUSTOMERS
This equipment is to be installed in compliance with the basic plumbing code of the Building Officials and Code Administrators International, Inc. (BOCA) and the Food Service Sanitation Manual of the U.S. Food and Drug Administration.
NOTICE
- Drawings and photos used in this manual are intended to illustrate operational, cleaning and technical procedures and may not conform to onsite management operational procedures.
- This appliance is intended to be used for commercial applications, for example in kitchens of restaurants, canteens, hospitals and in commercial enterprises such as bakeries, butcheries, etc., but not for continuous mass production of food.
DANGER
- Improper installation, adjustment, maintenance or service, and unauthorized alterations or modifications can cause property damage, injury, or death. Read the installation, operating, and service instructions thoroughly before installing or servicing this equipment. Only qualified service personnel may convert this appliance to use a gas other than that for which it was originally configured.
- No structural material on the cooker should be altered or removed to accommodate the placement of the cooker under a hood. Questions? Call the Frymaster Service Hotline at 1-800-551-8633.
WARNING
After installation of a gas cooker and after any maintenance to the gas system of a gas cooker-manifold, valve, burners, etc. – check for gas leaks at all connections. Apply a thick soapy solution to all connections and ensure there are no bubbles. There should be no smell of gas.
NOTICE
The Commonwealth of Massachusetts requires any and all gas products to be installed by a licensed plumber or pipe fitter.
DANGER
Adequate means must be provided to limit the movement of this appliance without depending upon the gas line connection. Single cookers equipped with legs must be stabilized by installing anchor straps. All cookers equipped with casters must be stabilized by installing restraining chains. If a flexible gas line is used, an additional restraining cable must be connected at all times when the cooker is in use.
CAUTION
No warranty is provided for any Frymaster cooker used in a mobile or marine installation or concession. Warranty protection is only offered for cookers installed in accordance with the procedures described in this manual. Mobile, marine or concession conditions of this cooker should be avoided to ensure optimum performance.
DANGER
The front ledge of the cooker is not a step! Do not stand on the cooker. Serious injury can result from slips or contact with the hot water.
DANGER
- Do not store or use gasoline or other flammable liquids or vapors in the vicinity of this or any other appliance.
- Do not spray aerosols in the vicinity of this appliance while it is in operation.
- Instructions to be followed in the event the operator smells gas or otherwise detects a gas leak must be posted in a prominent location. This information can be obtained from the local gas company or gas supplier.
- Improper installation, adjustment, maintenance or service, and unauthorized alterations or modifications can cause property damage, injury, or death. Read the installation, operating, and service instructions thoroughly before installing or servicing this equipment.
- Prior to the movement, testing, maintenance and any repair on your Frymaster cooker; disconnect ALL electrical power cords from the electrical power supply.
WARNING
- Use caution and wear appropriate safety equipment to avoid contact with hot water or surfaces that may cause severe burns or injury.
- Do not use deliming solution to clean water bath units. Use of deliming solution will damage all stainless steel parts.
Functional Description
The Pasta Magic GWC Gas Cookers have a 12.7-gallon (48.1-liter) stainless steel cookpot. The water in the cookpot is heated by a high-efficiency infrared heating system that requires approximately 43% less energy than conventional burner systems to heat the same volume of water. Two self-contained burners are located beneath the cookpot. Each burner is fitted with special ceramic tiles that are heated by the burning of a forced air/gas mixture. The tiles transfer their heat to the cookpot by means of infrared radiation, providing much more constant and uniform heat dispersion over the surface of the cookpot than do conventional burners. Because relatively less heat is lost to the atmosphere in the process, compared to “open-burner” designs, less fuel is required to achieve and maintain a given cookpot temperature.
Gas flow to both of the burners is regulated by one electromechanical gas valve.
Operational control of the burner system is accomplished through a simple thermostat controller for simmering and switching for boil. Ease of operation is assured through simple on/off, and boil/simmer switches. The front-mounted green power light indicates when the unit is on, and the front-mounted amber trouble light is illuminated for over 30 seconds indicating when the unit is not functioning properly.
The module will try to light for four seconds. If unsuccessful, the blower will remain on for 15 seconds and try again. During the 15-second period, the amber light will remain on. Once the burner is lit and the flame is proved, the module ends the lighting sequence and the amber light goes out. If the flame is not proven after eight tries, the module will lock out and the amber light will remain lit. When in the BOIL mode, the burners are lit at all times. It is used when actually cooking pasta.
The SIMMER mode feature maintains the water temperature just below boiling, which conserves energy and water. This feature is designed for rethermalizing previously cooked packaged products and for keeping the cooker in standby.
The SKIM function on this cooker is manual. The purpose is to cause the water in the cookpot to overflow into the drain, carrying floating starch with it. (A buildup of starch reduces the efficiency of the cooker and can cause erroneous temperature and water level sensing.) NOTE: Do not use deliming solution to clean these units. Use of deliming solution will damage all stainless steel parts.) To skim, add enough water after cooking to overflow into the drain for about 10 seconds.
LOW WATER SENSING
Disables the unit and will not heat. When the water level in the cookpot is below the float switch, such as when draining and cleaning the cookpot, the amber trouble indica-tor will illuminate.
NORMAL WATER LEVEL is when the water is to the bottom of overflow.
THE ELECTRONIC IGNITION SYSTEM
The ignition module, located in the component box, is connected to ignitor assemblies at each burner. The ignition module performs three important functions: it provides an ignition spark, supplies operating voltage to the gas valve, and proofs the burner flame. The GWC series use a Fenwal ignition module. The ignition module contains a 4-second time delay circuit and a coil that activates the gas valve. The ignitor assembly consists of a spark plug, an enrichment tube, and flame sensor.
At start-up, the power switch is placed in the ON position. If the float switch senses the correct water level in the cookpot, it closes the relay contacts sends a signal to the 24VAC relay in the component box to close the blower contacts. This supplies line voltage to the blower motor. A centrifugal switch in the blower closes if the blower is operating correctly, which allows 24VAC to flow through the closed contacts of the 24VAC relay to the ignition module.
Circuitry in the ignition modules sends 24VAC to the gas valve. Simultaneously, the module causes the ignitors to spark for 4 seconds to light the burners. A flame sensor for each burner verifies that the burner is lit by measuring the flow of microamps through the flame. If the burner does not light (or is extinguished), current to the ignition module is cut, preventing the gas valve from opening, and the ignition module “locks out” until the power switch is turned off and then back on.
A thermostat monitors the temperature in the cookpot. When the setpoint temperature is reached, the contacts open, which de-energizes the 24VAC heat relay, thus cutting line voltage to the blower and the 24VAC to the ignition module.
Accessing Equipment for Servicing
DANGER
Moving this equipment while it is filled with hot water may cause spilling or splattering of the hot water. Always drain the cookpot before attempting to relocate this equipment for servicing.
- Disconnect the unit from the electrical power supply, the gas supply and the water supply.
- Disconnect any attached restraining devices.
- Relocate the unit for service accessibility.
- After servicing is complete, reconnect the unit to the water supply and the gas supply. Reattach the restraining devices, and reconnect the unit to the electrical power supply.
Replacing Equipment Components
Replacing Electronic Components
- Drain the cookpot and disconnect the cooker form the electrical power supply.
- The control box is mounted inside the bottom of the cabinet located beneath the cookpot. It may be easier to remove the control box to replace components. The box is secured with two screws on the front bottom bracket of the box.

- On the component to be replaced, make a note of the wiring connection points. Disconnect the wires and remove the failed component. Install the replacement component and reconnect the wiring in accordance with the notes made, or with the wiring diagram on the door of the unit.
- Replace the component box cover, and reinstall the controller being sure to reconnect the ground wire and trouble light wires. Reconnect the cooker to the electrical power supply.
Replacing a Float Switch or the Thermostat
- Drain the cookpot and disconnect the cooker from the electrical power supply.
- Remove the screw attaching the faucet handle.
- Remove the screws in the bottom of the control panel to allow access to the thermostat or float switch.
- If replacing a water-level sensor (see illustration below):
- Remove the thermostat knob.
- Remove the four screws securing the thermostat cover plate to allow access to the sensor.
- Disconnect the sensor lead by pulling it from its terminal then remove the Keps nut, terminal, and washer from the sensor.
- Inside the cookpot, remove the probe and float, switch guard.
- Inside the cookpot, remove the keeper ring from the float switch.
- Disconnect the float switch leads.
- Carefully disconnect the failed float switch and replace with the new switch.
- Reassemble the washer, terminal, and nut onto the sensor, and reattach the leads.
- Reverse Steps 1-4 to complete the procedure.

- If replacing the thermostat:
- Inside the cookpot, remove the probe and float switch guard.
- Mark the wiring harness leads and disconnect them from the thermostat leads at the push-on connectors.
- Remove the knob.
- Remove the four screws securing the thermostat mount.
- Loosen the probe fitting.
- Carefully pull the probe from the pot and replace with the new probe.
- Reattach the leads and reverse Steps 1-3 and 5 to complete the procedure.
Replacing the Water Faucet
- Drain the cookpot and disconnect the cooker from the electrical power supply.
- Turn off the water supply to the cooker.
- Remove the screw attaching the faucet handle.
- Remove the two screws in the bottom of the control panel to allow access to the faucet.
- Loosen and disconnect the fittings from the faucet.
- Remove the two screws from the faucet mounting plate.
- Replace the faucet
- Reverse steps 1-6 to complete the procedure.
Replacing Gas Supply System Components or Ignitor Assemblies
- Disconnect the cooker from the electrical power supply and from the gas supply. If necessary, disconnect restraints to gain proper access to components.
- Disconnect the component to be replaced (see illustration below) and install the replacement component. NOTE: If replacing the gas valve, disconnect the enrichment tubes and gas supply tubes at the valve, then unscrew the valve from the mounting bracket. Recover the fittings from the failed valve and install them on the replacement valve using a thread sealer suitable for gas appliances (Loctite™ PST 56765 is one example). Do not apply the sealer to the first two threads of the fitting. This will help prevent clogging of the burner orifices and gas valve.


- Reconnect the cooker to the gas supply and check all connections for leaks using a solution of soapy water.
DANGER
DO NOT use matches, candles, or other ignition methods to check for leaks. - When satisfied that there are no leaks, reconnect the unit to the electrical supply, and reconnect any restraints disconnected in Step 1.
Replacing the Cookpot
NOTE: The following procedure addresses removing the cookpot or rinse tank from a GWC unit.
- Disconnect the cooker from the electrical power supply and from the gas supply. If necessary, disconnect restraints to gain proper access to components.
- Turn off the water supply to the cooker. Disconnect the water supply to provide easier access to the cooker.
- Remove the screw attaching the faucet handle.
- Remove the two screws in the bottom of the control panel to allow access to the inner components.
- Mark and disconnect all wires to the control panel and set aside.
- Remove the screws that secure each of the rear corners of the backsplash assembly.
- Remove the screws that secure the backsplash sides to the cabinet sides then remove the four screws that secure the topcap to the cabinet.
- Remove the top connecting strip.
- Remove the screws attaching the standoff brackets to the cookpot.
- If removing the cookpot, disconnect the enrichment tubes and gas supply tubes from the burner assemblies. Disconnect the ignition cables and flame sensor wires from the ignitor assemblies on each burner.
- Remove the blower.
- Lift the cookpot straight up and out of the cabinet.
- Invert the cookpot or rinse tank on a suitable work surface and remove the salvageable components (e.g., thermostat, float switch, drain and fresh plumbing, etc.). Install the recovered components on the replacement cookpot or rinse tank, using a thread sealer on all connections.
- Reverse Steps 1 through 11 to complete the procedure.
Troubleshooting
Problems with this equipment maybe grouped into two broad categories:
- Failure or malfunction of a Power-Supply System component.
- Failure or malfunction of the Water Heating System components (float switch, thermostat, mod-ule, burner, gas valve, etc.).
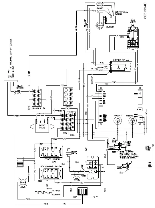
Sections 1.4.1 through 1.4.2 briefly explain the functioning of each of the systems mentioned above. Section 1.4.3 contains troubleshooting guides that provide systematic procedures to isolate and identify the specific source of a problem. A wiring diagram is located at the end of the chapter.
How the Power-Supply System Works
Line voltage is supplied to the system via a power cord that is plugged or hard-wired into the store’s electrical service. The power cord is connected to pins 1 and 5 of the high voltage 8-pin terminal block. Line voltage is supplied to a 24VAC transformer from pins 4 and 8 of the high voltage terminal block. Pin 6 on the relay behind the control panel supplies 24VAC to a heat relay, which controls line voltage to the blower motor and 24VAC to the gas valve via the ignition module. The transformer supplies 24VAC to the power switch and to the coils of the 24VAC relays.
How the Water Heating System Works
The power switch provides the interface between the operator and the system components. The power switch switches 24VAC supplied through pins 5 and 6 on the switch. Internal circuitry senses the water level and water temperature. The boil/simmer switch switches power through the thermostat in simmer mode, which controls water temperature or in boil mode which bypasses the thermostat and sends voltage to the 24VAC relay which controls burner firing.
To prevent lighting the burners when there is no water in the cookpot, these units are equipped with a low-water float switch. This switch must close when the water in the cookpot rises to a safe level, before the control circuitry will allow firing of the burners. Starch or lime build-up on the low-water-level float switch may keep the switch from closing, therefore always make sure the sensor is clean and its lead is firmly connected to the relay.
NOTE:
Do not use deliming solution to clean these units. Use of deliming solution will damage all stainless steel parts.)
In addition to the low-water-float sensor discussed above, the water heating system has two more parts: the electronic ignition system, the thermostat. The electronic ignition system controls firing of the burners. See Page 1-2 for a complete description of this system. The thermostat is used only when the unit is in simmer mode. When the simmer mode is selected, the thermostat monitors the temperature of the water. When the water temperature drops below the thermostat simmer setpoint, the thermostat closes the heat relay, causing the burners to fire. When the water temperature reaches the setpoint, the thermostat opens the heat relay, extinguishing the burners. This process repeats as required to maintain the temperature at the setpoint programmed on the thermostat.
Technician Troubleshooting Guides

Wiring Diagram GWC

























