CaterChef 688.240 Electric Pasta Cooker
Introduction
For giving full play to our product performance, please read instruction carefully before using the machine, and keep it properly for reference in future.
It’s an electric high-efficiency pasta cooker which developed by our company, with fast speed heating, unique style, reasonable structure, easy operation.
Warning: Ensure the safety of using machine, it must be contact with ground, thank you!
Warning: The installation of this cooker need specialist to operate.
BASIC PARAMETERS
| Model | *688.240 | *688.242 |
| Voltage | 230 V/50 Hz | 230 V/50 Hz |
| Power | 3000 W | 3000 W |
NOTES
- Heating in dry condition is prohibited, please add 1/2 cylinder water before using the machine, should be not too much, in case get scalded.
- The temperature controller is on the surface, it can be used alone, and also can be used at the same time, temperature controller on the left control left pot temperature; temperature in the middle control the middle pot temperature, temperature on the right control the right pot temperature.
- Power on, the green indicator light on, switch the temperature controller clockwise, yellow indicator light on, now the electric is supplied the machine, heating tube start to work, when heat reach the specified temperature, the electric power will be cut down automatically, at the same time, yellow indicator light off, heating tube stop working. When temperature drop slightly, temperature controller will get power on again, yellow indicator light on, heating tube start to work again, temperature increase, to make sure the constant temperature within a given range.
- According to request to adjust the temperature, can make the food achieve the desire effect.
- If there is any abnormal phenomena, stop the machine immediately, after current fault remove, then start to reuse.
GENERAL FAULT HANDLING
| Fault phenomena | Reason | Elimination methods |
| 1. Turn on the power switch, but indicator light doesn’t shine. | 1. Power switch fuse burn-out. 2. Loose contact of power line. | 1. Change suitable fuse. 2. Fasten power line. |
| 2. The yellow indicator light doesn’t off, can not control the temperature. | 1. Wrong connection of indicator light line. 2. Temperature thermostat is broken. | 1. Correct the indicator light line. 2. Change the temperature thermostat. |
| 3. Indicator light doesn’t shine, temperature thermostat is working. | 1. Bad connection of indicator light line. 2. Indicator light is broken. | 1. Fasten the light. 2. Change the indicator light. |
| 4. The yellow indicator light is on, but thermostat is not working. | 1. Wrong connection of indicator light line. 2. The heating tube is broken. | 1. Correct the indicator light line. 2. Change the heating tube. |
NOTES FOR INSTALLATION AND WORKING ENVIRONMENT
- Machine should be installed by specialist!
- Machine should be put in flat place, 10cm away from incombustible stuff on both side, 20cm away from incombustible stuff(like brick wall) on the back.
- Using voltage should match machine’s standard voltage.
- User need to install suitable power switch, fuse protector, leakage protector near the machine, no stacking of debris near power switch.
- Potential connection terminals are on the back down position, should be well connected according to require standard.
- Ground wire(yellow and green wire) are combined with power line together, ground wire should be well connected with safety performance brass bolt.
- Check electronic component of pasta cooker if they connect well before starting up.
- Environment temperature should not above 50°C
TRANSPORTATION AND STORAGE
During the transportation, machine should be handle with care, prevent strenuous vibration, well packed pasta cooker should not open storage over a long period of time. Machine should be put in warehouse with good ventilation, non-corrosive gas condition. Do not place up side down, apply the protective measure of rain.
CLEANING AND MAINTENANCE
To prevent accident, cut off the power switch during cleaning.
Use wet towel with non-corrosive cleanser to clean the exterior of the machine and power supply line after daily work. Prevent to damage the performance, spray water for washing is forbidden.
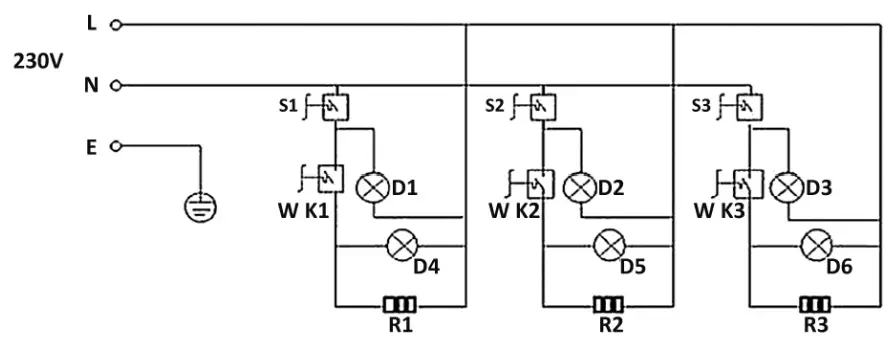
CIRCUIT DIAGRAM





















