frifri 690132 Super Easy Pasta 311 Free Standing Pasta Cooker

Please make a note of your product details for future use:

ABOUT COMPANY
- Lincat Ltd
- Whisby Road
- Lincoln
- LN6 3QZ
- Tel +44 (0) 1522 503250
- Fax +44 (0) 1522 875530
- [email protected]
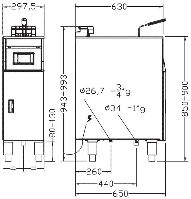
LAYOUT AND DIMENSIONS
Floor standing pastacooker

Built-In Unit

| Type | 311 |
| Net weight (Kg) | 70 |
| Number of baskets | 1 |
| Water quantity at maximum level (l) | 30 |
| Pasta quantity per cycle (Kg) | 2 |
Identification of the appliance
Each pastacooker is provided with a technical identification plate. Always have this identification plate information available when making enquiries to our customer services department.

Ambient conditions
| Type | 311 |
| Min. Temperature ( °C ) | + 5 |
| Max Temperature ( °C ) | + 40 |
| Max. humidity (%) | 60 |
Voltages, types of connection and versions

| Type | 311 |
| Power | 7.5 kW |
| 3N 400V | 11 A |
Electrical connection
The electrical connection of the machine must be completed by an electrician or a qualified person who can ensure that the installation meets the required standards. Proceed as follows:
- Check that the specifications of the electrical mains correspond to those given on the rating plate. (This plate is located on the inside of the door.)
- Connect according to IEC or CEI 335-1 standards and local regulations.
- The plug must be accessible after installing the pasta cooker. We recommend connecting the pasta cooker to a fault-current protective switch (for machines which exceeds 10mA of leakage current).
- For permanent installation: connect to a main switch with all the poles isolated; minimum distance of the contacts 3 mm.
Equipotential bonding point- If the supply cord is damaged, it must be replaced by the manufacturer, its service agent or similarly qualified persons in order to avoid a hazard.
Water / waste water connection
- The water inlet is located on the bottom of the pasta cooker via a ¾” G male threaded connection.
- The waste water is at the bottom of the unit and should either go into a suitable receptacle or floor level drain
SAFETY REGULATIONS
The following warning symbols are fitted to the pastacooker as appropriate:
High voltage
- Warning of dangerous electrical voltage. Electric shocks lead to serious injury or death.
- Only authorized specialist personnel may carry out work on electrical installations.
- Follow the specific technical safety instructions!
- Always disconnect the pastacooker from the mains power before carrying out work on electrical installations.
Hot surfaces / hot internal components
Warning of heat which can lead to injuries. Always allow hot surfaces to cool
Hot water
Warning of hot water which can lead to injuries. Always allow the hot water to cool before carrying out work.
Advice
The manufacturer has mounted warning symbols (stickers) at all the relevant positions on the pastacooker before delivery. If during operation or within the scope of cleaning work any of these warning symbols become detached the operator of the pastacooker is obliged to apply these warning symbols again immediately!
Specified use of the pastacooker
The pastacooker must not be used as a fryer. The pastacooker is exclusively authorized for supervised operation. Any other use of the pastacooker is regarded as non-specified. The observance of the operating manual and the following of the maintenance and repair instructions from the manufacturer are also part of the specified use.
Specific dangers and instructions
CAUTION
- Comply always with the batch sizes and volumes recommended on this manual. Never clean the submerged heater element with a steel brush or by burning off (dry operation). Verifiable improper cleaning of the submerged heater will lead to the exclusion of all guarantees.
- It is recommended, at the end of the work, to use a water and vinegar solution at 10% for cleaning the pastacooker, in particular the vat, and the heating element. After washing, rinse thoroughly with clean water. Personnel safety
WARNING
- If incorrectly operated, the pastacooker can cause serious or fatal injuries to personnel. The personnel who operate and maintain the pastacooker must be trained in the correct operation and handling of the appliance and must have read and understood the safety regulations in this operating manual before starting work on or with it.
- Never change or remove safety devices. Do not switch off safety devices by making changes to the pastacooker. Never remove warning symbols which may have been fitted to the pastacooker (depending upon country). Immediately replace missing or defective warning symbols.
- Never operate the pastacooker in a damaged condition. Report immediately any irregularities, especially those which affect safety, to your managers.
- When exchanging electrical or mechanical components ensure that the pastacooker is disconnected from the mains power supply. Always check all safety functions after completing servicing work.
Availability of operating manual
A copy of this operating manual must be available at all times to the personnel at the installation location of the pastacooker.
INSTALLATION AND STARTING UP
Installation of the floor standing appliance
When installing the machine, please take into consideration the following points:
- The pastacooker has to stand level and its height can be changed by using the adjustable legs (Between 850mm min. and 900mm)
- Minimum distance between the back of the pastacooker and a wall or another device is 30 mm.
- The pastacooker should not stand on an inflammable surface. Please comply with local safety and construction regulations.
- The unit is fitted with an outlet for a floor level drain.
- Remove all packaging. Clean the pastacooker and the accessories with a non caustic cleaning agent, which is approved for the food area use.
- Close the drain valve.
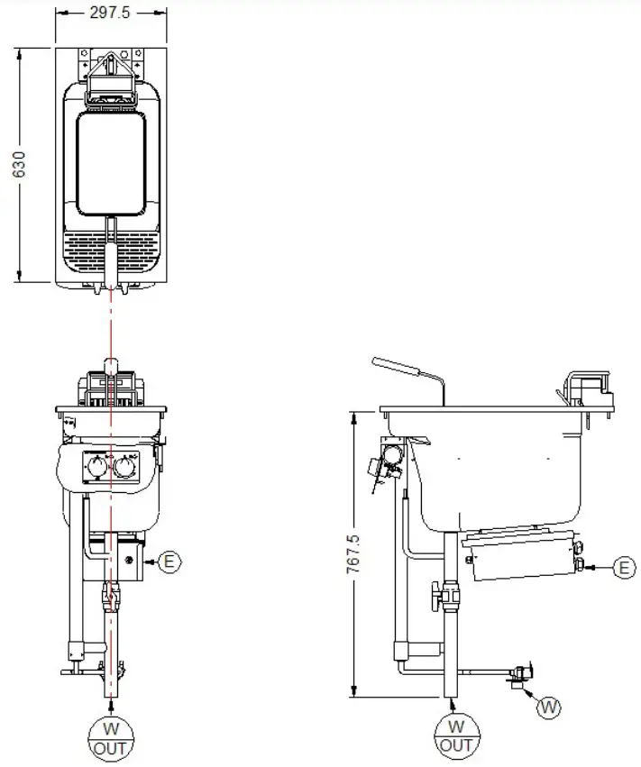
Installation of built-in unit.
- Installation of the tank.
- The stainless steel hobtop requires a cutout to the sizes below

- The frame supplied should be welded to the hobtop and sealed with silicone sealant to make it water-proof (see picture below). The drain cutout detail is for the base of the unit.

- The stainless steel hobtop requires a cutout to the sizes below
- Pressure switch
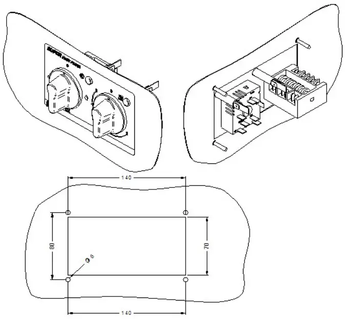
There is a pressure switch supplied that forms part of the interlock circuit and this should be mounted to the chassis above the metal pressure pipe to prevent water getting trapped in the silicone pipe. - Control panel
- The control panel may be either fitted on the supplied metal panel to a cutout as shown below or the components can be mounted direct to the fascia plate.

- Connect the tank drain to a suitable drain observing local water regulations.
- The control panel may be either fitted on the supplied metal panel to a cutout as shown below or the components can be mounted direct to the fascia plate.
- Inlet solenoid
The inlet solenoid is supplied with a mounting plate. The cutout required for it is shown below. The inlet connector is ¾” BSP
USE OF THE PASTACOOKER
Control panel

The pasta cooker is equipped with control knobs and indicator lights
- Selector control knob for appliance operation and filling the tank with water
- Heating control knob to regulate cooking temperature.
- Green neon, indicating power to the appliance.
- Amber neon, indicating element operation.
Selector control knob displays the following:
Off
Water filling
Working / Heating position
Adding / topping up water whilst heating
Heater control knob displays the following

Filling the tank
Attention: The maximum water level corresponds to the overflow hole situated near the end of water load pipe. The unit is fitted with a pressure switch and the elements cannot be turned on until the water level is over the elements and about half way up the tank.
Close the water drainage tap
Fill the tank with water by turning the selector knob to this position
Once the level of the overflow hole has been reached, turn the knob to this position
In order to add a low flow of water, during cooking, turn the knob to this position
Switching on the pasta cooker heater
- Fill the tank with water as detailed, using the selector knob – the green neon is illuminated.
- Turning the heater control to 5 turns the element on continuously and amber neon illuminates. When the water is boiling, turn the control down. The unit is now ready to cook.
Switching off the pasta cooker
Turn both control knobs to the ‘Off’ position. The neon indicators will extinguish. Switch off at the mains supply.
Emptying the tank
Open the tank water drainage tap and drain into either a suitable receptacle or a floor drain.
CARE AND MAINTENANCE
- Do not use a water jet or steam cleaner and do not immerse this appliance.
- Always disconnect the appliance from the power supply before cleaning or maintenance.
- Steel parts can be cleaned using a cloth with water and mild detergent – aggressive or abrasive cleaning substances such as steel wool or chlorine based products must be avoided.
- Do not use sharp objects during cleaning.
- If the appliance is not to be used for a lengthy period, disconnect from the mains supply and clean well.
- All servicing, maintenance and component replacement must be carried out by qualified personnel.
- Please note that to assist in cleaning the tank, the element in the pasta boilers may be lifted out of the tank.
SERVICE INFORMATION
- For help with the installation, maintenance and use of your Frifri equipment, please contact our service department:
- UK: 01522 875520
- For non-UK customers, please contact your local Frifri dealer
- All service work, other than routine cleaning should be carried out by one of our authorised service agents. We cannot accept responsibility for work carried out by other persons.
- To ensure your service enquiry is handled as efficiently as possible, please tell us:
- Brief details of the problem
- Product code
- Type number
- Serial number
All available on serial plate
- Frifri reserve the right to carry out any work under warranty, given reasonable access to the appliance, during normal working hours, Monday to Friday, 08:30 to 17:00.
GUARANTEE
- This unit carries a comprehensive UK mainland 2 year warranty. The guarantee is in addition to, and does not diminish your statutory or legal rights.
- The guarantee does not cover:
- Accidental damage, misuse or use not in accordance with the manufacturer’s instructions
- Consumable items
- Damage due to incorrect installation, modification, unauthorised service work or damage due to scale, food debris build-up, etc.
- The manufacturer disclaims any liability for incidental, or consequential damages.
- Attendance is based on reasonable access to the appliance to allow the authorised technician to carry out the warranty work.
- Service calls to equipment under warranty will be carried out in accordance with the conditions of sale. Unless otherwise specified, a maximum of 15 minutes of administrative time, not spent directly carrying out servicing work, is provided for within the warranty. Any requirement for staff attending the call to spend greater time than 15 minutes due to administrative requirements, such as on health and safety risk assessments, will be chargeable at the prevailing rate.





Off
Water filling
Working / Heating position
Adding / topping up water whilst heating

















