
Connect-50 12V DCM Digital Switching Module
User Manual
Introduction
This document contains basic specifications, installation instructions, manual channel override, and fuse reset instructions. This and other documents are available at www.empirbus.com.
Safety guidelines and measures
In order to avoid accidental short circuits, make sure to disconnect the power supply to the Connect-50 before making any connections.
Never use this product where there is a danger of dust or gas explosion or other potentially flammable products.
Scope of Delivery
Use manual including CE/FCC declaration of conformity and Digital Switching Terms of use document
Model Range
Both the unit and the box are marked with the model numbers. Features per model are listed below.
12 Volt models with LED indications and touch control:
Type 1: 2110110/ 010-02225-10,
Type 2: 2110111/ 010-02225-11, 2110112/ 010-02225-12. 2110112 also equipped with WiFi.
12 Volt models without LED indications and touch control:
Type 1: 2110000/ 010-02225-00
Type 2: 2110001/ 010-02225-01
24 Volt models with LED indications and touch control:
Type 1: 2120101/ 010-02278-01
Type 2: 2120102/ 010-02278-02
Non-isolated 12 Volt models without LED indications and touch control (No NMEA2000 compliance):
Type 3: 2210101/ 010-02279-01
Type 4: 2210102/ 010-02279-02
Installation
5.1 System limitations
Possible combination with Connect-50
- Max 6 pcs Connect-50 can be connected in the same network
- Connect-50 in “master mode” can handle a maximum up to 6 bus ID.
- Maximum library component in the logic schema with Connect-50 in master mode, 1500pcs.
5.2 Mounting
The unit should be mounted on a flat vertical surface with four screws (not included), with the orientation as shown in figure 5.1. 
5.3 Power feed
The power is supplied on the two M6 bolts with positive on the left (marked with +) and negative on the right (marked with -). The total max output is 50A.
See information under section 4 for versions without LED indications and Touch control. 
5.4 Connectors
The bus connector is an NMEA2000 compatible male Micro-C 5 pin connector. It is not recommended to connect a T-connector directly to the unit; a drop cable should be between the main bus and the unit.
The consumers in and outputs are connected via connectors. Only use correct crimp and extractor tools when assembling the connector. Unused pins in the connector should be plugged with circuit plugs in order to maintain IP65.
6. Circuits
The usage of a channel is determined by the model, option configuration and programming. For pinout, see figure 6.1. The Connect-50 connector accepts cable dimensions up to 2.5 mm2 . No LED indicators and touch control on 2110000/010-02225-00 & 2110001/010-02225-01. 
6.1 Inputs
Any input channel can be configured as digital or analog input.
6.1.1 Digital input – negative
Connect the switch directly between minus and the desired channel. 
6.1.2 Digital input – positive
Connect the switch between the source and the desired channel. See data sheet for measuring range
NOTE: The input signal source and the Connet-50 must have common ground. 
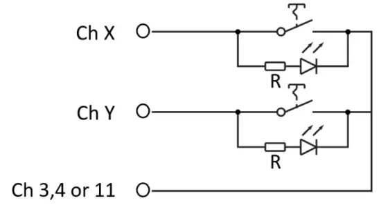
6.1.3 Digital input – a common line
It is possible to have a switch and a LED indicator on the same channel using the circuit below. The common line channel then needs to be connected to channels 3, 4 or 11. 
The value of the resistor R can be calculated using: R = (Voltage supply – LED forward voltage) / 0.020A LED forward voltage (Vf) = nominal 1.7 – 2.2 V
Example 12V system:
14.5V – 1.7V = 12.8V
12.8 / 0,020 = 640Ω minimum
(680Ω or higher recommended)
6.1.4 Analog input – resistance
Connect the resistive sensor directly between “Sensor GND” pin 32 and the desired channel.

6.1.5 Analog input – voltage
Connect the voltage source to the desired channel. See data sheet for measuring range.
NOTE: The input signal source and the Connect-50 must have common ground. 
6.1.6 Analog input – multi-switch
The circuit below enables four separate momentary switches to be connected to a single input channel. Connect the circuit to “Sensor GND” pin 32 and the desired channel. Note: Multi-switch channel setting is only possible for momentary switches. Only one button can be pressed at a time. 
6.1.7 Frequency input – digital
Channel 6 and 22 could be configured to frequency input. The input signal is flank triggered at a positive flank with a configurable thresholds level.
6.1.8 Signal drive – output
Input channel can be configured to drive up to 50mA plus or minus. This will be supplied via an internal resistance, see below table for voltage drop.
| Load 10mA 20mA 30mA 40mA 50mA | Voltage drop internal (+/- 20%) 1,3V 2,0V 2,7V 3,4V 4,0V |
6.2 Outputs
Depending on the model, certain channels can be configured to be outputs. See table 4.1 for model specification.
6.2.1 Digital output – positive
Connect the load directly between the desired channel and minus. Note: Not use “Sensor GND” pin 32 as a Negative.
6.2.2 Digital output – half-bridge
For actuators and other equipment that use shifting polarity, connect the equipment directly between two channels with minus output capability.
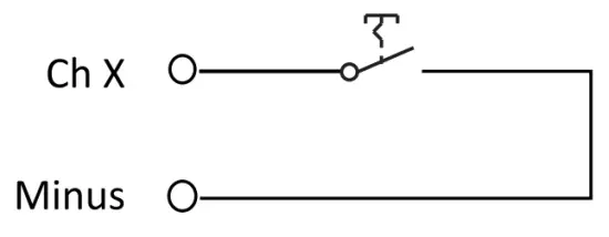
6.2.3 Digital output – Window wiper
Connect-50 can support up to four window wipers. Depending of the electrical design of the window wiper, two different circuits are possible. Most common is window wiper circuit 1. See figure 6.2.
Any channel can be used for Ch X and Ch Y. Channel 3 or 4 is used as high-speed channel.
Note: The diode is never connected to channel 3 or 4.
Less common is window wiper circuit 2. See figure 6.3.
Any channel can be used for Ch X and Ch Y. Channel 3 or 4 is used as a low-speed channel.
Note: The diode is never connected to channel 3 or 4.
6.3 Serial interface
Depending on the model optional CAN and RS485 is available. See table 4.1 for model specification.
6.3.1 Optional CAN-bus
The optional CAN-bus is galvanic isolated, Ch 23 = CAN Hi and Ch 24 = CAN Low. LED indication 23 will indicate when transmitting message “Tx” and LED indication 24 will indicate when receiving a message “Rx” to Connect-50. Two external 120-ohm terminal resistors must be installed at each end of the CAN bus.
6.3.2 RS485
RS485 is galvanic isolated, Ch 30 = A and Ch 31 = B. LED indication 30 will indicate when transmitting message “Tx” and LED indication 31 will indicate when receiving message “Rx” to Connect-50. Two external 120-ohm terminal resistors must be installed at each end of the RS485-bus.
7. Configuration (Not existing on 2110000/010-02225-00 & 2110001/010-02225-01)
The settings covered by this chapter are settings that can be set directly on the unit. Some of these settings can also be set from the EmpirBus Studio PC software, and some settings need to be set both in the PC software and on the unit. For further information, see the EmpirBus Studio documentation.
7.1 Bus ID
All units need to have a unique bus ID. On the Connect-50 the bus ID can be read from the display on the upper left corner. Factory preset is bus ID 0 (000). To change bus ID on a Connect-50 unit:
- Press and hold RESET/AUTO for 10 seconds until the display shows “Bas”
- Press MAN ON/MAN OFF three times. The display now alternates between the current bus ID and “Bas”.
- Use the arrow buttons to set the desired bus ID.
- Press and hold RESET/AUTO for 10 seconds until the DC module restarts.
7.2 Fuse reset
A channel with tripped fuse is in the normal running mode indicated by a red continuous channel indicator. To reset the channel to normal operation:
- Press the right arrow button. ”SEL” will be shown in the display.
- Use the right arrow button to step to the desired channel.
- Press and hold RESET/AUTO for two seconds. The fuse is now reset.
- Press the left arrow until the message “SEL” in the display disappears.
Please note that if the problem that caused the fuse to trip still remains, the fuse will trip again.
7.3 Manual channel override (Not existing on 2110000/010-02225-00 & 2110001/010-02225-01)
In case of bus failure, there is failsafe functionality that allows channels to be manually switched on or off. For automatic bus failure backup settings, see the Enhanced Limp Home documentation. A manually switched-off channel is in the normal running mode indicated by a flashing red channel indicator.
A manually switched on channel is in the normal running mode indicated by a flashing green channel indicator.
7.3.1 Manual override switch off
- Press the right arrow button. ”SEL” will be shown in the display.
- Use the right arrow button to step to the desired channel.
- Press and hold MAN ON/MAN OFF for two seconds
- Press the left arrow until the message “SEL” in the display disappears.
- Outputs manually switched off are now indicated with flashing red indication.
7.3.2 Manual override switch on
- Press the right arrow button. ”SEL” will be shown in the display.
- Use the right arrow button to step to the desired channel.
- Press and hold MAN ON/MAN OFF for two seconds
- If the channel indicator still is flashing red, again press and hold MAN ON/MAN OFF for two seconds
- Press the left arrow until the message “SEL” in the display disappears.
- Outputs manually switched on are now indicated with flashing green indication.
7.3.3 Resetting a channel
- Press the right arrow button. ”SEL” will be shown in the display.
- Use the right arrow button to step to the desired channel.
- Press RESET/AUTO. The channel is now reset.
- Press the left arrow until the message “SEL” in the display disappears.
8. WiFi settings
WIFI factory default SSID: CONNECT- 50 ”unit serial number”
WIFI factory default PW: SECRET000
To change Wifi settings connect to the unit’s Wifi, open a web browser and navigate to 192.168.1.1.
Factory default USERNAME: admin
Factory default PW: admin
Resetting the Wifi to factory default settings is done using the touch button on the Connect-50:
- Press and hold Man ON/OFF until P0 is visible on the display.
- Use the right arrow button and step to P6.
- Press the Man ON/OFF button once.
- Use the right arrow button and step until v03 is visible on the display.
- Press the Man ON/OFF button once, CFO becomes visible in the display.
- Press and hold Man ON/OFF until FAC is visible in the display, Wifi settings are now reset to factory default.
- Exit by pressing the Reset / Auto button three times.
Product specifications
See table 4.1 for model specification and hardware support
| Output Fuse setting Output minus (-) | 1, 5, 8, 10 A 4 channels 6 A minus |
| Digital input 12V power peak/average: 12V power peak/average: Signal Drive output | 170mA / lmA (closed), <0.1mA (open) 340mA / 2mA (closed), <0.1mA (open) Internal resistance = 14,85kohm 50mA positive/negative (se 6.1.8 for internal voltage drop) |
| Analog input Volt Resistance | 0-16V (12V models), 0-32V (24V models) +1 -1% 0-1500 ohm +/-5% |
| Communication CAN-bus Optional CAN-bus Optional RS485 | NMEA 2000 Galvanic isolated, configurable protocol Galvanic isolated, configurable protocol |
| Power supply Maximum current Power consumption (power save) Supply voltage (12V models) Supply voltage (24V models) | 50A 1.5mA 9-16VDC 9-32VDC |
| Connectors NMEA 2000 Channels Power supply | Micro Spin M12 Male Molex MX1SOL 16 circuits M6 bolt |
| Environment Ambient temperature Enclosure | -20 to +55 degrees Celsius (dry) Ingress Protection IP65, Polycarbonate |
| Physical data Size/Weight | 229 x 106 x 41 mm/0.4 kg |
DECLARATION OF CONFORMITY
We, manufacturer, Garmin Sweden Technologies AB, Sweden, declare that the articles: 2110000, 2110001, 2110110, 2110111, 2120101, 2120102, 2210101, 2210102, 010-02225-XX, 01002278-XX, 010-02279-XX are in conformity with EC Directive 2014/30/EU, 2110112, 010-02225-12 are in conformity with EC Directive RED 2014/53/EU
We also declare that articles:
2110000, 2110001, 2110110, 2110111, 2110112, 2120101, 2120102, 2210101, 2210102, 010-02225XX, 010-02278-XX, 010-02279-XX
Comply with:
FCC 47 CFR Part 15, Subpart B, Class A
SIGNS ON BEHALF OF:
Garmin Sweden Technologies AB
Name: Henrik Niklasson
Position: Product & Sales Manager
Location and date: Uddevalla, Sweden, October 1st 2019
Signature:![]()
RoHS CERTIFICATE OF CONFORMANCE
We, manufacturer, Garmin Sweden Technologies AB, Sweden, declare that the articles:
2110000, 2110001, 2110110, 2110111, 2110112, 2120101, 2120102, 2210101, 2210102, 010-02225XX, 010-02278-XX, 010-02279-XX
are in compliance with Directive 2015/863/EU on the restriction of the use in certain hazardous substances in mechanics, electrical and electronic equipment RoHS directives).
SIGNS ON BEHALF OF:
Garmin Sweden Technologies AB
Name:Henrik Niklasson
Position: Product & Sales Manager
Location and date: Uddevalla, Sweden, October 1 st 2019
Signature:![]()
Garmin Sweden Technologies AB
Spikvägen 1
SE-451 75 Uddevalla
Sweden
Support
Phone: +46 522-44 22 22
E-mail: [email protected]
Web: www.empirbus.com
http://www.empirbus.com/



















