Lutron Switching Power Module User Guide

Switching Power Module

Description
- Provides capability for a zone on a GRAFIK Eye control unit (or other product) to switch a fully loaded circuit of lighting.
- May be used to switch incandescent, electronic low voltage, magnetic low-voltage, HID, fluorescent ballasts, and neon / cold cathode lighting sources.
- Utilizes Soft switch arcless switching technology.
- Provides power and switching for one zone.
- Up to 3 power modules may be wired on a single GRAFIK Eye zone.
- Model available for 120 V~ control power.
- Model available for 120 277 V~ load power.
Works with 120 V~ versions of:
- Lutron 3-wire fluorescent dimmers (consult Lutron for Vieta products); see approved list in the dimmers & switches specification guide at www.lutron.com
- GRAFIK Eye QS control units
- GRAFIK Eye 3000 Series control units
- LP, LCP, and GP dimming panels
- Home Works and Home Works QS remote power panels
- Home Works and Home Works QS neutral wire dimmers
- Radio RA 2 neutral wire dimmers
- Casita Wireless neutral wire dimmers
- Energy Saver Node LED+ phase adaptive fixture controller
Models and Capacities

Specifications
Regulatory Approvals
- UL® listed
- CSA certified
- NOM certified
- Complies with requirements for use in other spaces used for environmental air (plenums) per NEC® 2017 300.22(C)(3)
Power - Control voltage: 120 V~
- Load voltage: 120 277 V~
- Capacity: Full 16 A 120 277 V~: 1920 4432 W
- Frequency: 50 / 60 Hz, phase-to-neutral.
- Load (output) power: Phase independent of control device / control voltage.
Sources / Load Types - Switches the following load types:
—Incandescent (tungsten)
—Halogen
—LED
—CFL
—Magnetic low-voltage transformer (iron core)
—Electronic (solid-state) low-voltage transformer
— Magnetic and electronic fluorescent dimming ballasts
—Neon/cold-cathode
— HID - Motors:
11/2 HP at 277 V~
1/2 HP at 120 V~ - May be used with GFI / AFCI breaker protected loads.
Key Design Features - Patented Soft switch technology.
- Two LEDs on front of unit provide diagnostic information
Terminals - Accepts up to two 12 AWG (2.5 mm2) wires.
Environment - 32 to 104 °F (0 to 40 °C). Relative humidity less than 90% non-condensing.
- Indoor use only.
- Maximum heat output of module: 15 BTU/hour.
Mounting - Surface- or recess-mount
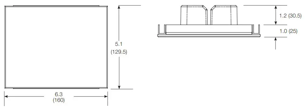
Dimensions
All dimensions shown as: in (mm)

Mounting
- Mount in 2-gang U.S. wall box 3.5 in (89 mm) deep or 4 in x 4 in (102 mm x 102 mm) junction box 2.1 in (53 mm) deep.
- Indoor use only.
- This device generates heat; mount only where ambient temperature is 32 °F to 104 °F (0 °C to 40 °C).
- Mount with arrows facing up to ensure adequate cooling.
- Allow 4.5 in (114 mm) above and below unit and between faceplates when mounting several in a vertical layout.
- Mount so line (mains) voltage wiring is at least 6 ft (1.8 m) from sound or electronic equipment and wiring.
- Mount within 7° of true vertical.
Mount to 2-gang U.S. wall box

Mount to 4 in x 4 in (102 mm x 102 mm), 2.1 in (53 mm) deep U.S. junction box

Mount to 4 in x 4 in (102 mm x 102 mm), 2.1 in (53 mm) deep U.S. junction box with barrier (for 277 V~ model if required by local electrical code)

Wiring
- Pull 12 AWG (2.5 mm2) copper (Cu) wires [167 °F (75 °C) minimum] for input power and load circuit.
- Strip 1/2 in (12 mm) insulation from wires before connecting.
- Run separate neutral for load circuit – no common neutrals.
- May be used with GFI breaker protected loads. Load circuit wiring (from GFI breaker to power module to load) must be run in its own non-metallic conduit, or nuisance tripping may occur. Maximum 100 ft (30.5 m) between power module and load.
- May be used with AFCI breaker protected loads. An AFCI circuit can be loaded to the full allowable NECR rating for switched lighting. If combining dimmed and switched lighting on the same AFCI circuit, the amount of dimmed lighting should not exceed 1000 W, as this may trip the AFCI breaker.
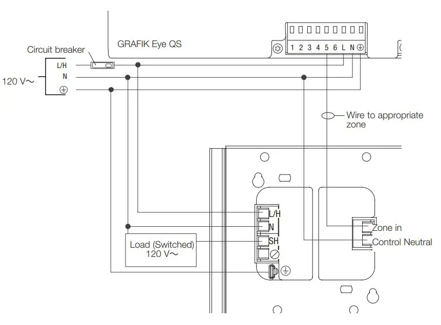
Single Power Feed
Note: The power module may be on the same circuit as the control unit only if the total load does not exceed the rating of the breaker.

Legend
L /H Line / Hot
N Neutral
SH Switched Hot
⊕ Ground
Ø Not Used
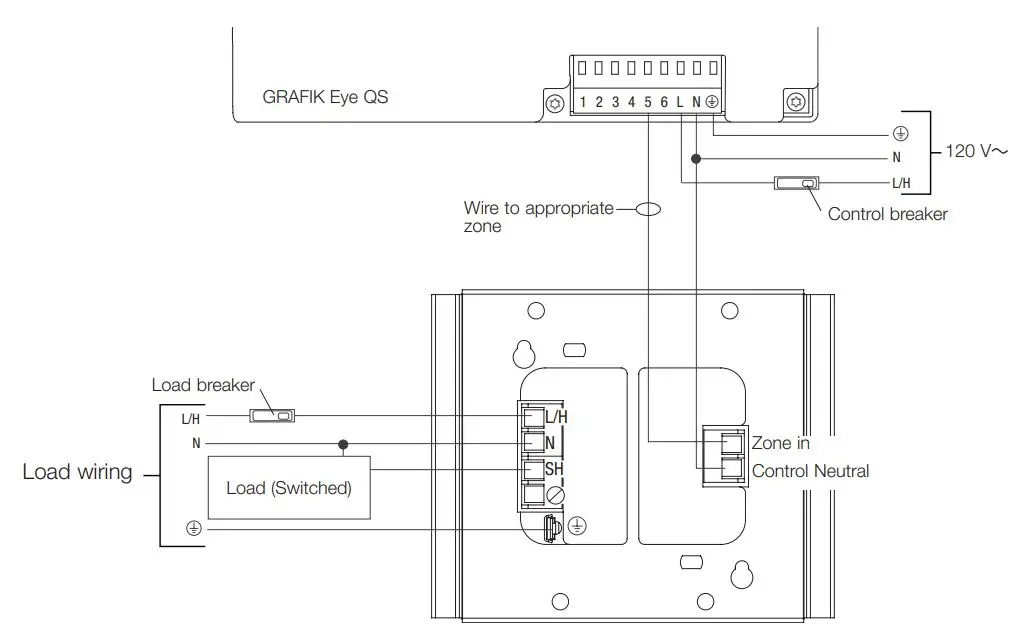
Multiple Power Feeds
The load breaker may be on a different phase than the control breaker.

Legend
L / H Line / Hot
N Neutral
SH Switched Hot
⊕ Ground
Ø Not Used
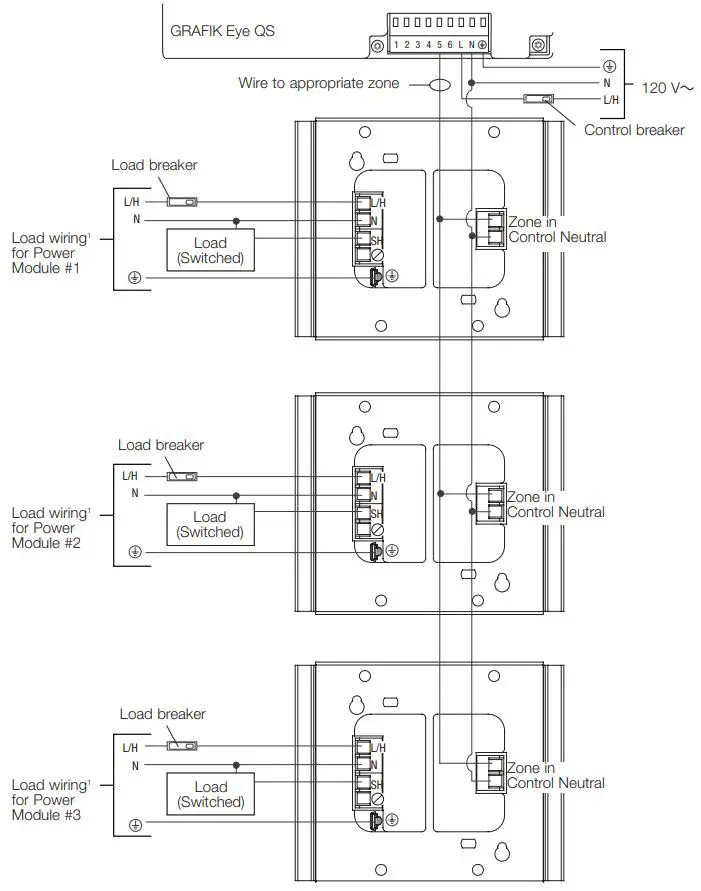
Wiring Multiple Power Modules to a Single GRAFIK Eye Zone
Shown with separate feeds for control and loads. All breakers must be turned off prior to installing or servicing the modules. Up to 3 power modules may be wired to a single zone.

1 Load feed: 120 277 V~ for PHPM-SW-DV-WH
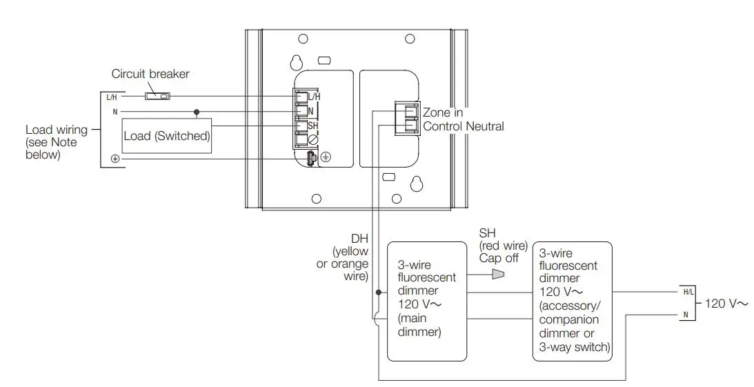
Multi-location Wiring
Note: The power module may be on the same circuit/control zone as the control device only if the total load does not exceed the rating of the breaker (120 V~ only).

Legend
L/H Line / Hot
N Neutral
SH Switched Hot
DH Dimmed Hot
⊕ Ground
Ø Not Used
For specific wire colors, see the wall box lighting controls catalog at www.lutron.com/wallbox catalog
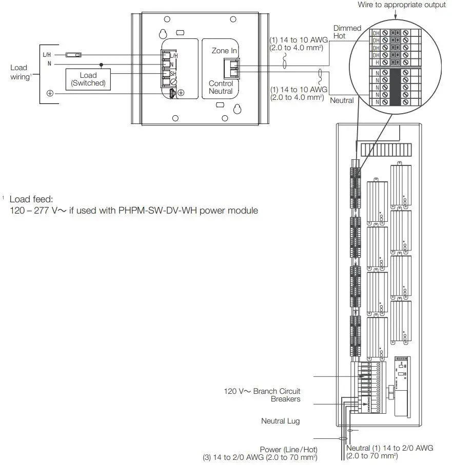
Wiring a Power Module to an LP, LCP, GP, or Home Works Panel
Up to three power modules may be wired to an output of a 120 V~ LP or LCP panel. The load type for the output must be set as Eco-10 or Hi-lumen fluorescent load type on the panel’s circuit selector (for an LP or GP panel), controller (for an LCP panel), or Home Works software (for a Home Works panel).

1 Load feed: 120 277 V~ if used with PHPM-SW-DV-WH power module
Lutron, Lutron, GRAFIK Eye, Soft switch, Vierti,
Home Works, Radio RA, Eco-10, Casita, and Hi-lumen are trademarks of Lutron Electronics Co., Inc. registered in the U.S. and other countries.
Radio RA 2 is a trademark of Lutron Electronics Co., Inc.
NEC is a registered trademark of National Fire Protection Association, Quincy, Massachusetts.
Wiring to an Energi saver Node LED+ Phase Adaptive Fixture Controller

Single or Multiple Power Modules to Single Power Panel
- Control feed must be 120 V~ only.
- Load feed must not exceed voltage rating of the load.
- Up to three power modules may be wired to an output.
1 Load feed: 120 277 V~ if used with PHPM-SW-DV-WH power module
Lighting Loads
L/H Line/Hot
N Neutral
SH Switched Hot
DH Dimmed Hot
⊕ Ground
Ø Not Used




















