
EM100 Switch Module
Instruction Manual

EMS
EMS plus

6721848668 (2022/05)
Explanation of symbols and safety instructions
1.1 Explanation of symbols
Warnings
In warnings, signal words at the beginning of a warning are used to indicate the type and seriousness of the ensuing risk if measures for minimizing danger are not taken.
The following signal words are defined and can be used in this document:
DANGER
DANGER indicates that severe or life-threatening personal injury will occur.
WARNING
WARNING indicates that severe to life-threatening personal injury may occur.
CAUTION
CAUTION indicates that minor to medium personal injury may occur.
NOTICE
NOTICE indicates that material damage may occur.
Important information
The info symbol indicates important information where there is no risk to people or property.
Additional symbols
| Symbol | Meaning |
| ▶ | a step in an action sequence |
| a reference to a related part in the document | |
| • | a list entry |
| – | a list entry (second level) |
Table 1
1.2 General safety instructions
Notices for the target group
These installation instructions are intended for gas, plumbing, heating and electrical contractors. All instructions must be observed. Failure to comply with instructions may result in material damage and personal injury, including danger to life.
▶ Read the installation, service and commissioning instructions (heat source, heating controller, pumps, etc.) before installation.
▶ Observe the safety instructions and warnings.
▶ Follow national and regional regulations, technical regulations and guidelines.
▶ Record all work carried out.
Determined use
▶ Use the product only to control heating systems.
Any other use is considered inappropriate. We take no responsibility for damage caused through incorrect use.
Installation, commissioning and maintenance
Installation, commissioning and maintenance must only be carried out by a competent person.
▶ Never install the product in wet rooms.
▶ Only use genuine spare parts.
Electrical work
Electrical work must only be carried out by a qualified electrician.
▶ Before starting electrical work:
– Isolate all poles of the mains power supply and secure against reconnection.
– Make sure the mains voltage is disconnected.
▶ The product requires different voltages.
Do not connect the (ELV) side to the mains voltage or vice versa.
▶ Also observe the connection diagrams of other system components.
Handover to the user
When handing over, instruct the user how to operate the heating system and inform the user about its operating conditions.
▶ Explain how to operate the heating system and draw the user’s attention to any safety relevant action.
▶ In particular, point out the following:
– Alterations and repairs must only be carried out by an approved contractor.
– Safe and environmentally compatible operation requires inspection at least once a year and responsive cleaning and maintenance.
▶ Point out the possible consequences (personal injury, including danger to life or material damage) of nonexistent or improper inspection, cleaning and maintenance.
▶ Point out the dangers of carbon monoxide (CO) and recommend the use of CO detectors.
▶ Leave the installation instructions and the operating instructions with the user for safekeeping.
Damage caused by frost
The system can freeze if it is switched off:
▶ Observe the notices regarding frost protection.
▶ Due to the additional functions, e.g.
DHW heating or pump anti-seizure protection, the system should always be left on.
▶ Have faults rectified immediately.
Product Information
- The module serves as an expansion module for EMS/EMS plus boiler and EMS plus heat pumps (in the following, generally called heat source).
- The module can adjust the flow temperature or the output of the heat source via an external control signal with 0–10 V (direct voltage).
- The module signals faults in the heat source as well as system faults, apart from service displays, faults in external controllers or maintenance for the installer.
From here for the boiler:
- The module can be used to activate a second solenoid valve and for wall-mounted indoor unit versions operated with liquid gas.
- The module serves as the modulating speed control “Flow Control” of a boiler circulation pump (0-10 V or PWM) in combination with a low loss header or heat exchanger. The boiler circulation pump adapts the flow rate on the boiler side and prevents an increase in the return temperature of the boiler. The objective is to optimise the utilisation of calorific value and to save power. The choice of 0-10 V or pulse width modulation signal makes the function suitable for floor-standing heat sources and wall-mounted indoor units GB162 >45 kW with factory-fitted pump assembly.
3 control modes can be selected (
Tab. 5, page 20):
- Heat exchanger (Diff-T.Flow/Return boiler): control with reference to temperature differential between heating flow and heating return (recommended for heat exchanger; flow temperature sensor T0 is optional)
- Burner output: output control proportional to the boiler output (if additional sensor T0 is not possible)
- Low loss header (Diff.-Flow-T.Boiler-header): control with reference to temperature differential between heating flow and system flow T0 (recommended for low loss header)
2.1 Important notices on use
- The range of functions depends on the control unit installed. Detailed information on control units can be found in the technical guide and on the website of the manufacturer.
- The installation room must be appropriate for the IP rating stated in the technical data of the module.
2.2 Controls of the heat source
This control strategy is used when the heating system is controlled using a building management system with a 0–10 V controller output (
Fig. 22 at the end of the document).
| Input voltage | Flow temperature/output setpoint (wall-mounted indoor unit) | Status of wallmounted indoor unit |
| 0 V – 0.5 V | 0 %/0 °C | off |
| 0.6 V | approx. 6 %/approx. 15 °C | on if > min. output |
| 5.0 V | approx. 50 %/approx. 50 °C | on |
| 10.0 V | approx. 100 %/approx. 90 °C | on/maximum |
Table 2 Control based on output/flow temperature
2.2.1 Output control
Linear relationship between the 0–10 V signal (U in volts) and the required performance (P in percent)

Fig. 1 Linear relationship between the 0–10 V signal (U in volts) and the required performance P (in percent with reference to the maximum system performance)
The connected heat source is enabled and disabled according to the required output.
2.2.2 Flow temperature control
Linear relationship between the 0–10 V signal (U in volts) and the required flow temperature φ in °C with reference to the minimum flow temperature range to the maximum flow temperature range [default setting 20 to 90 °C]):

Fig. 2 Linear relationship between the 0–10 V signal (U in volts) and the required flow temperature φ in °C)
The connected heat source is enabled and disabled according to the required flow temperature.
2.3 Supplied parts
Fig. 6 at end of document:
[1] Module
[2] Bag with strain relief
[3] Installation Manual
2.4 Specification
This product conforms to European directives and supplementary national requirements in design and operation. Compliance is demonstrated by the CE marking.
You can request the conformity declaration of the product. If you require this, contact the address on the back cover of these instructions.
Specification
| Dimensions (W × H × D) | 151×184×61mm (for more dimensions |
| Maximum conductor cross-section • 230 V terminal • Extra-low voltage terminal | • 2.5 mm2 • 1.5 mm2 |
| Rated voltages • BUS • Module mains voltage • User interface • Pump, solenoid valve, interference output | • 15 V DC (reverse polarity protected) • 230 V AC, 50 Hz • 15 V DC (reverse polarity protected) • 230 V AC, 50 Hz |
| Fuse | 230 V, 5 AT |
| BUS interface | EMS and EMS plus |
| Power consumption – Standby | < 3 W |
| Max. power output • per connection(PC0) • per connection(OE1) | • 400 W (high-efficiency pumps permissible: <30A for 10ms) • 120 W (high-efficiency pumps permissible: <30A for 10ms) |
| Permitted ambient temperature | 0 … 60 °C |
| IP rating | IP 44 |
| Protection class | I |
| ID no. | Data plate ( |
| Temperature of ball thrust test | 75 °C |
| Degree of pollution | 2 |
| °C | Ω | °C | Ω | °C | Ω |
| 20 | 12486 | 50 | 3605 | 80 | 1256 |
| 25 | 10000 | 55 | 2989 | 85 | 1070 |
| 30 | 8060 | 60 | 2490 | 90 | 915 |
| 35 | 6536 | 65 | 2084 | 100 | 677 |
| 40 | 5331 | 70 | 1753 | – – | – |
| 45 | 4372 | 75 | 1480 | – – | – |
Table 4 Measurements of low loss header temperature sensor (T0)
2.5 Additional accessories
For detailed information about suitable accessories, refer to the catalogue or Internet page of the manufacturer.
- Low loss header temperature sensor; connection to T0
- Primary pump; connection to PC0
Installation of additional accessories
▶ Install the additional accessories in accordance with legal regulations and the instructions supplied.
2.6 Cleaning
▶ Wipe the casing with a damp cloth when necessary.
Never use aggressive or caustic cleaning agents.
Installation
DANGER
Danger to life from electric shock!
Touching live electrical parts can cause an electric shock.
▶Before installing this product: Disconnect the heat source and all other BUS nodes from the mains voltage across all poles.
▶ Before commissioning: mount the cover (
Fig. 20 at end of document).
3.1 Preparation for the installation in the heat source
▶ Check by referring to the installation instructions of the heat source whether it is possible to install modules (e.g. EM100) in the heat source.
▶ If the module can be installed in the heat source without a mounting rail, prepare the module (
Fig. 8 and 9 at end of document).
3.2 Installation locations
▶ Install the module on a wall, (
Fig. 10 and 11 at end of document), on a mounting rail (
Fig. 12 at end of document), in an assembly or in the heat source.
▶ When the module is installed in a heat source, observe the heat source instructions.
▶ Remove the module from the mounting rail (
Fig. 13 at end of document).
3.3 Installation of a temperature sensor on the low loss header or downstream of the heat exchanger
The low loss header temperature sensor T0 should as a priority be connected to EM100. In the case of wall-mounted boilers with EMS plus, the sensor on the appliance can be connected to the MM100 or also to the MC400.
From software version OF02.05 onwards, one low loss header temperature sensor is sufficient in conjunction with MC400.
Installation on the low-loss header
(
Fig. 23 and 25 at the end of the document)

Fig. 3 Position of flow temperature sensor (T0)
[1] all heat sources
[2] all heating circuits
A low loss header model 1
B low loss header model 2
φ1 overall flow temperature of all heat sources
φ 2 overall return temperature of all heat sources
φ 3 overall flow temperature of all heating circuits
φ 4 overall return temperature of all heating circuits
T0 flow temperature sensor on the low loss header
T0 must be positioned so that φ 3 is detected on the side of all heat sources [1] independently of the volumetric flow rate This is the only way also to ensure stable operation of the control with small loads.
To ensure optimum control response, the flow should circulate around the temperature sensor. This can be achieved by a combination of tee, tap extension and sensor set.
Optimised sensor installation downstream of the heat exchanger
The temperature sensor (T0) must be mounted on the flow downstream of the heat exchanger on the secondary side (wet sensor) (
Fig. 24 at end of document).
There are two ways to ensure optimised sensor installation downstream of the heat exchanger (
Item [1] with angled screw connection and Item [2], 4):

Fig. 4 Optimised sensor installation
The temperature sensor must be positioned so the measurement is taken centrally in the pipe.
▶ Use tap extensions to adjust the installation depth of the low loss header temperature sensor (
Installation instructions of low loss header sensor set). If installed correctly, the sensor projects 1-2 cm into the heat exchanger.
3.4 Electric connection
▶When observing the applicable regulations for the connection, at least electrical cables of type H05 VV-…. must be used.
3.4.1 Establishing the BUS connection and temperature sensor (extra-low voltage side)
▶ If the conductor cross-sections vary, use a junction box to connect the BUS nodes.
If the maximum total length of the BUS connections between all BUS nodes is exceeded or the BUS system has a ring structure, commissioning of the system is not possible.
Maximum total length of BUS connections:
- 100 m with 0.50 mm² conductor cross-section
- 300 m with 1.50 mm² conductor cross-section
▶ To avoid inductive interference: Make sure all low-voltage cables are routed separately from supply voltage carrying cables (min. clearance 100 mm).
▶ In the case of external inductive effects (e.g. from PV systems) use shielded cable (e.g. LiYCY) and ground one end of the shield. |Connect the shield to the building’s
earthing system, e.g. to a free earth conductor terminal or water pipes, and not to the connecting terminal for earth leads in the module.
When extending the sensor leads, use the following conductor cross-sections:
- 0.75 to 1.50 mm² conductor cross-section for up to 20 m
- 1.50mm² conductor cross-section for 20 m to 100 m
▶ Route cables through the grommets provided and connect them as shown in the connection diagrams.
3.4.2 Connecting the power supply, pump, solenoid valve or fault display (mains voltage side)
The assignment of the electrical connection depends on which system is installed. The description at the end of the document in Fig. 14 to 17 is a possible suggestion for the electrical connection. Not all steps are shown in black. This makes it easier to see, which steps belong together.
▶ Only use electric cables of the same quality.
▶ Make sure the power supply is connected to the correct phases. Connecting to a main power supply via an earthed safety plug is not permitted.
▶ Connect only components and assemblies to the outputs as described in these instructions. Do not connect any additional controls that operate other system components.
▶ Route cables through the grommets, connect them as shown in the connection diagrams and secure them with the strain relief devices included in the scope of delivery
(
Fig. 14 to 17 at the end of this document).
The maximum power consumption of the connected components and assemblies must not exceed the power output stated in the specifications for the module.
▶ If the mains voltage is not supplied via the electronic system of the heat source EN 60335-1, install a standard all-pole isolator (in accordance with EN 60335-1) on site to
interrupt the mains voltage.
3.4.3 Overview of the terminal assignment
This overview indicates which system parts can be connected.
Depending on what the module is used for (coding at the module and configuration via the control unit), connect the system parts as specified in the corresponding connection diagram.
The pump plugs (
Fig. 6 at the end of the document) are cut off, and the cables to PC0 and OC0 must be adapted.
Connection diagrams with system schematics
The hydraulic diagrams are only schematic in nature and are non-binding suggestions for a hydraulic layout. The safety equipment must be implemented in accordance with the applicable standards and local regulations. For further information and options, refer to the technical guides or tender specification.
The system components, which are marked with * in the system schematics at the end of the document, are possible as options depending on the control mode (
Tab. 9, page 26).
| System schematics at end of this document | Fig. |
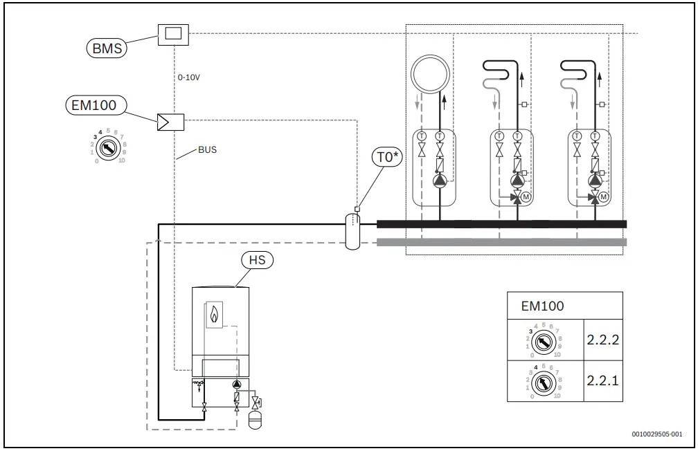
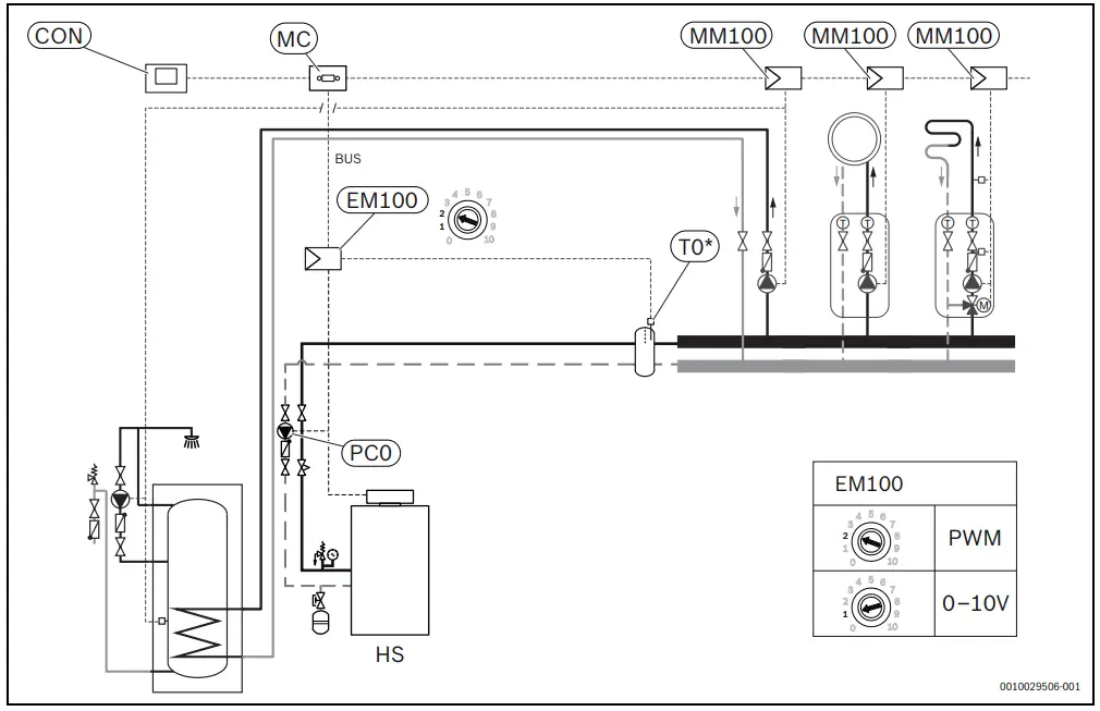
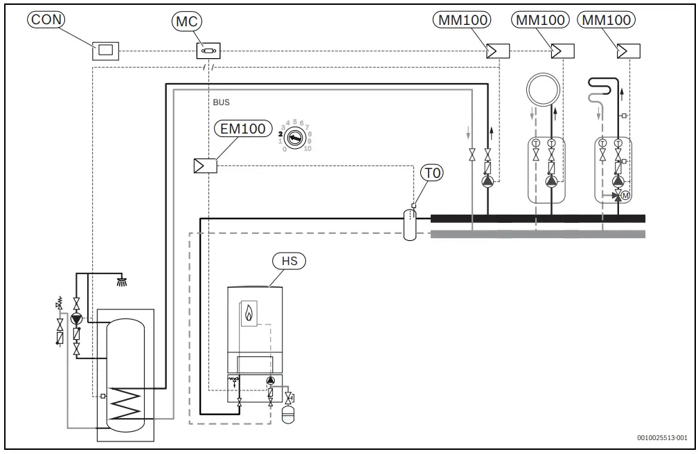
| Connection to building management system (BMS) (setpoint value 0-10 V); wall-mounted indoor unit; type of control is specified via rotary selector (3, 4)( | 22 |
| Floor-standing appliance; low loss header, pump outlet is specified via rotary selector (1, 2) ( | 23 |
| Floor-standing appliance; heat exchanger, pump outlet is specified via rotary selector (1, 2) ( | 24 |
| Wall-mounted indoor unit GB162 V2; low loss header, pulse width modulation pump (can not be altered) | 24 and 25 |
Table 5 A brief description of the system schematics is provided at the end of this document

Caption to the figure above and connection diagrams with system schematics at end of document:
Ground conductor
Connecting terminal designations:
230 V AC Mains voltage connection
BUS BUS system connection
BMS Building Management System with 0-10 V interface
HS Heat Source on BUS system
OE1-74 Mains voltage output, solenoid valve
OE1-75 Fault output (230 V)
PC0 Mains voltage output, pump (230 V)
IE0 Pump alarm output (default setting: N/O contact)
OP0 Pump on/off (output/potential-free contact ≤ 24 V), coding position 3‒5: potential-free fault output
T0 Low loss header temperature sensor input1)
IO1-1(+),2(-)Feedback output for heat source power (0-10 V)
IO1-3(+),4(-)Input for heat source actuation (setpoint value 0–10 V)
OC0 1-2 Output for pump control signal (setpoint value 0-10 V/PWM)2)
OC0 1-3 Pump feedback input (pulse width modulation), optional2)
CON Control unit with BUS system (Controller)
MC Boiler control device (Master Controller)
MM 100 Heating circuit module (EMS/EMS plus)
EM100 Extension module
- The heat exchanger sensor is T0 with the heat exchanger.
- Observe coding switch position.
Commissioning
Ensure all connections are correctly made before carrying out commissioning!
▶ Observe the installation instructions for all components and assemblies in the system.
▶ Only switch on the power supply if the coding switch is correctly set.
▶ If a control unit is connected, it is recommended to start the configuration wizard.
NOTICE
Risk of damage to system through pump failure!
▶ Fill and vent the system before switching it on so that the pumps do not run dry.
4.1 Setting the coding switch
The coding switch ser ves as On/Off indicator of the module and status display of the connected heat sources or modules:

Fig. 5 Coding switch
| Coding | Function of module | |||||||
| Actuation 2 Solenoid valve | Fault output OE1-75 | Fault output OP0 | Flow temperature control of the heat source | Output control of the heat source | Pump control via 0-10V | Pump control via PWM | Efficiency and energy calculation | |
| 01) | – | – | – | – | – | – | – | – |
| 1 | – | – | – | – | ||||
| 2 | – | – | – | – | ||||
| 32) | – | – | – | – | ||||
| 42) | – | – | – | – | ||||
| 5 | – | – | – | – | – | |||
| 6–93) | – | – | – | – | – | – | – | – |
| 104) | – | – | – | – | – | – | – | |
- Off (delivered condition)
- In the case of simple systems, which operate with the standard settings, no control unit RC310 is necessary in positions 3 and 4. This is optional.
- Unused
- Two EM100 can be used simultaneously in the system (one with coding 10, the other with coding 1 – 5).
Table 6 Coding and function
EMS plus heat pumps without own fault output: with coding 5, the fault output OE1-75 is available. Other functions cannot be used. More information (
heat pump installation instructions).
4.2 Commissioning of the system and module
If a control unit is connected, start the automatic configuration wizard.
NOTICE
Danger of data loss in combination with MC400 Follow the sequence during commissioning.
▶ First put heat source into operation with EM100, then put MC400 into operation.
4.3 Settings menu EM100
The settings on the EM100 can be performed via the control unit. Depending on the software version, certain settings are displayed.
If RC310 is reconnected from MC400 to heat sources with EM100 and vice versa, the system settings are lost. Renewed commissioning is required.
▶ To set the EM100, follow the sequence during commissioning (
Notice).
▶ To set the EM100 subsequently, use separate RC310 as service tool.
The factory settings are highlighted in the following table.
| Meu item | Settings/adjustment range | Remark/restriction |
| PM10 pump modulation | Yes | No | |
| PM10 voltage min. vol. | Output | 0.5 … 2.5 … 10 K | Selection of output control or temperature control. |
| PM10 control type | 0 … 10 V | |
| PM10 voltage max. vol. | 0 … 10 V |
Table 7 Menu EM100 (for RC310 with NF18.xx)
| Meu item | Settings/adjustment range | Remark/restriction | ||
| Meu item Settings/adjustment range Remark/restriction Pump config. (boiler circulation pump PCO) | ||||
| Activate pump control | Yes | I No | Activate pump control | |
| Output config. | PWM I InversePWM 10 -10 V | How is the pump to be modulated? (e.g. wall-mounted indoor unit with internal pump: inverted pulse width modulation, floor standing heating appliance with external boiler circulation pump: 0-10 V) | ||
| Pump output 230V | Permanent I Switched | Select supply voltage for pump | ||
| Control mode Pump (-> Chapter 2, page 17) | Diff-T.Flow/Return boiler Burner outputIDiff-FlowT.Boiler-header | Select pump control mode | ||
| Max. pump output | 0 … 100 % | Set maximum output signal for pump | ||
| Min. pump output | 0 …100 % | Set minimum output signal for pump | ||
| Pump fault input | Close I Open | Fault signal when opening or closing the contacts? | ||
| Pump run-on | ||||
| Overrun time | 0 … 3 …60 min | Set the pump overrun time | ||
| Meu item | Settings/adjustment range | Remark/restriction | |
| Temp.dep. overrun | on I off | Switch on temperature-dependent pump overrun | |
| Set temperature differential | 2…3 …10 K | Enter set temperature differential for end of overrun | |
| Pump control | |||
| Max. value control | Max. flow temp | 85 … 100 °C | Enter maximum flow temperature |
| Maximum range | 1…4…20K | Enter width of max. range | |
| Proportional range | 1…5…20K | Enter width of proportional range | |
| dT control | dT set value | off10.5 … 2.5 … 20 K | Enter temperature differential set value |
| Proportional factor | 1 … 10 …100 K | Set proportional factor for controller | |
| Integral factor | 0 … 60 … 600 s | Set integral factor for control unit | |
| Differential factor | 0 …150 s | Set differential factor for control unit | |
| Max diff control | Max. differential | 25 … 40 … 85 K | Set maximum temperature differential |
| Maximum range | 1…10 … 20 K | Enter width of max. range | |
| Proportional range | 1…5…20K | Enter width of proportional range | |
| Ramp | off I 1 … 5 … 20 %/s | Enter ramp for pump modulation | |
Table 8 Menu EM100 (for RC310 from NF74.xx)
| Meu item Settings/adjustment range Remark/restriction | |||
| Heat source control (setpoint value) | |||
| Config mode 0-10V | Temp. Output | Heat source via temperature or output? | |
| Input value f. off | 0… 10 V | Switch off heat source with voltage | |
| Input value f. max. | 0 …10 V | Heat source at max. output with voltage | |
| Max. temp. set v. | 0 … 90… 100 °C | Set max. set temperature | |
| Min. temp. set v. | 0 … 20… 100 °C | Set min. set temperature | |
Table 9 Menu for building management system (for RC310 from NF74.xx)
4.4 Fault output
The fault outputs (OE1-75 and OP0 in coding positions 3-5) are only activated following a delay 10 of minutes after the fault has occurred. If no faults are present, the fault output is deleted immediately. Faults, which disappear within the delay time of 10 minutes, are not displayed on the fault output.
Troubleshooting
Use only original spare parts. Damage caused by the use of spare parts not supplied by the manufacturer is excluded from the warranty.
▶ If a fault cannot be rectified, please contact your local service engineer.
If the coding switch is turned to 0 when the power supply is switched on for >2 s, all the module outputs are reset to the factory settings, the faults are deleted and all settings are reset to the factory settings.
▶ Restart the module.
The On/Off indicator indicates the operating condition of the module.

| Status indicator | Possible causes | Remedy |
| Constant! y red | Invalid switch position or internal fault | ►Replace the module or select valid switch position. |
| Red flashing | Temperature sensor faulty or pump alarm output | ►Replace temperature sensor or eliminate pump fault. |
| Constant! y yellow | Coding switch set to 0 | ►Select the correctencoding position. |
| Green flashing | No communication with the BUS system | ►Establish the BUS connection to the EMS-BUS or check it. |
| Constantl y green | No fault, normal operation | ►— |
| Constant! y OFF | Lack of electrical supply | ►Supply the module with mains voltage. |
Environmental protection and disposal
Environmental protection is a key commitment of the Bosch Group.
Quality of products, efficiency and environmental protection are equally important objectives for us. Environmental protection laws and regulations are strictly observed.
To protect the environment, we use the best possible technology and materials while taking into account economic considerations.
Packaging
Where packaging is concerned, we participate in countryspecific recycling processes that ensure optimum recycling. All of our packaging materials are environmentally compatible and can be recycled.
Used appliances
Used appliances contain valuable materials that can be recycled.
The various assemblies can be easily dismantled. Synthetic materials are marked accordingly. Assemblies can therefore be sorted by composition and passed on for recycling or disposal.
Old electrical and electronic appliances
This symbol means that the product must not be disposed of with other waste, and instead must be taken to the waste collection points for treatment, collection, recycling and disposal.
The symbol is valid in countries where waste electrical and electronic equipment regulations apply, e.g.
“European Directive 2012/19/EC on old electronic and electrical appliances”. These regulations define the framework for the return and recycling of old electronic appliances that apply in each country.
As electronic devices may contain hazardous substances, it needs to be recycled responsibly in order to minimize any potential harm to the environment and human health.
Furthermore, recycling of electronic scrap helps preserve natural resources.
For additional information on the environmentally compatible disposal of old electrical and electronic appliances, please contact the relevant local authorities, your household waste disposal service or the retailer where you purchased the product.
You can find more information here: www.weee.bosch-thermotechnology.com/
![]() | ![]() |
![]() | ![]() |
![]() | ![]() |
![]() | ![]() |
![]() | ![]() |
![]() | ![]() |
![]() | ![]() |
![]() | ![]() |
![]() | ![]() |
![]() | ![]() |
The following text is in English for legal reasons.
Used Commercial Source Components
7.1 This product contains software developed and licensed by SEGGER Software GmbH
List of used Open Source Components.
This document contains a list of open source software (OSS) components used within the product under the terms of the respective licenses. The source code corresponding to the open source components is also provided along with the product wherever mandated by the respective OSS license
The following open source software (OSS) components are included in this product:
| Name of OSS Component | Version of OSS Component | Name and Version of License(License text can be found inAppendix below) | More Information |
| MBED_ARM | Unspecified | Apache License 2.0 | Copyright © 20062015, ARM Limited Copyright © 2016, ARM Limited Copyright © 20062018, ARM Limited Copyright © 2006- 2017, ARM Limited Copyright © 20062016, ARM Limited Copyright© 20142017, ARM Limited Copyright © 20142016, ARM Limited Copyright © 20092016, ARM Limited Copyright © 20132016, ARM Limited |
| ST Generated | Unspecified | BSD (Three Clause License) | Copyright © 2009- 2015 ARM LIMITED |
| STM32 cube generated files | Unspeci- fied | BSD (Three Clause License) | COPYRIGHT © 2016 STMicroelectronics COPYRIGHT © 2014 STMicroelectronics |
| STMC4 Lib-IAR | Unspecified | BSD (Three Clause License) | Copyright © 2009- 2015 ARM LIMITED COPYRIGHT © 2016 STMicroelectronics |
| stm32f 30x | Unspecified | MCD-ST Liberty Software License Agreement v2 | COPYRIGHT © 2012 STMicroelectronics |
| TIRTOS | 2.21.00. 06 | BSD (Three Clause License) EPL-1.0 License | Copyright © 2012, Texas Instruments Incorporated Copyright © 2013 Texas Instruments and others |
| XDCTo ols | 3.32.00. 06 | Eclipse Distribution License – v 1.0 3.4 EPL-1.0 License | Copyright © 2008 Texas Instruments Copyright © 2008 Texas Instruments |
Provided that within certain OSS-Licenses (e.g. LGPL-2.0) necessary, reverse-engineering is allowed for the respective software component to the required extent. This shall not apply for other components of the software.
Appendix – License text incl. Copyright information
9.1 Apache License 2.0
Apache License Version 2.0, January 2004
http://www.apache.org/licenses/ TERMS AND CONDITIONS FOR USE, REPRODUCTION, AND DISTRIBUTION
1. Definitions.
License shall mean the terms and conditions for use, reproduction, and distribution as defined by Sections 1 through 9 of this document. Licensor shall mean the copyright owner or entity authorized by the copyright owner that is granting the License. Legal Entity shall mean the union of the acting entity and all other entities that control, are controlled by, or are under common control with that entity. For the purposes of this definition, control means (i) the power, direct or indirect, to cause the direction or management of such entity, whether by contract or otherwise, or (ii) ownership of fifty percent (50%) or more of the outstanding shares, or (iii) beneficial ownership of such entity. You (or Your) shall mean an individual or Legal Entity exercising permissions granted by this License. Source form shall mean the preferred form for making modifications, including but not limited to software source code, documentation source, and configuration files. Object form shall mean any form resulting from mechanical transformation or translation of a Source form, including but not limited to compiled object code, generated documentation, and conversions to other media types. Work shall mean the work of authorship, whether in Source or Object form, made available under the License, as indicated by a copyright notice that is included in or attached to the work (an example is provided in the Appendix below). Derivative Works shall mean any work, whether in Source or Object form, that is based on (or derived from) the Work and for which the editorial revisions, annotations, elaborations, or other modifications represent, as a whole, an original work of authorship. For the purposes of this License, Derivative Works shall not include works that remain separable from, or merely link (or bind by name) to the interfaces of, the Work and Deriva- tive Works thereof.
Contribution shall mean any work of authorship, including the original version of the Work and any modifications or additions to that Work or Derivative Works thereof, that is intentionally submitted to Licensor for inclusion in the Work by the copyright ow- ner or by an individual or Legal Entity authorized to submit on behalf of the copyright owner. For the purposes of this definition, submitted means any form of electronic, verbal, or written communication sent to the Licensor or its representatives, including but not limited to communication on electronic mailing lists, source code control systems, and issue tracking systems that are managed by, or on behalf of, the Licensor for the purpose of discussing and improving the Work, but excluding communication that is conspicuously marked or otherwise designated in writing by the copyright owner as Not a Contribution. Contributor shall mean Licensor and any individual or Legal Entity on behalf of whom a Contribution has been received by Licensor and subsequently incorporated within the Work.
2. Grant of Copyright License.
Subject to the terms and conditions of this License, each Contributor hereby grants to You a perpetual, worldwide, non-exclusive, no-charge, royalty-free, irrevocable copyright license to reproduce, prepare Derivative Works of, publicly display, publicly perform, sublicense, and distribute the Work and such Derivative Works in Source or Object form.
3. Grant of Patent License.
Subject to the terms and conditions of this License, each Contributor hereby grants to You a perpetual, worldwide, non-exclusive, no-charge, royalty-free, irrevocable (except as stated in this section) patent license to make, have made, use, offer to sell, sell, import, and otherwise transfer the Work, where such license applies only to those patent claims licensable by such Contributor that are necessarily infringed by their Contribution(s) alone or by combination of their Contribution(s) with the Work to which such Contribution(s) was submitted. If You institute patent litigation against any entity (including a cross-claim or counterclaim in a lawsuit) alleging that the Work or a Contribution incorporated within the Work constitutes direct or contributory patent infringement, then any patent licenses granted to You under this License for that Work shall terminate as of the date such litigation is filed.
4. Redistribution.
You may reproduce and distribute copies of the Work or Derivative Works thereof in any medium, with or without modifications, and in Source or Object form, provided that You meet the following conditions: You must give any other recipients of the Work or Derivative Works a copy of this License; and You must cause any modified files to carry prominent notices stating that You changed the files; and You must retain, in the Source form of any Derivative Works that You distribute, all copyright, patent, trademark, and attribution notices from the Source form of the Work, excluding those notices that do not pertain to any part of the Derivative Works; and If the Work includes a „NOTICE“ text file as part of its distribution, then any Derivative Works that You distribute must include a readable copy of the attribution notices contained within such NOTICE file, excluding those notices that do not pertain to any part of the Derivative Works, in at least one of the following places: within a NOTICE text file distributed as part of the Derivative Works; within the Source form or documentation, if provided along with the Derivative Works; or, within a display generated by the Derivative Works, if and wherever such third-party notices normally appear. The contents of the NOTICE file are for informational purposes only and do not modify the License. You may add Your own attribution notices within Derivative Works that You distribute, alongside or as an addendum to the NOTICE text from the Work, provided that such additional attribution notices cannot be construed as modifying the License. You may add Your own copyright statement to Your modificati- ons and may provide additional or different license terms and conditions for use, reproduction, or distribution of Your modifications, or for any such Derivative Works as a whole, provided Your use, reproduction, and distribution of the Work otherwise complies with the conditions stated in this License.
5. Submission of Contributions.
Unless You explicitly state otherwise, any Contribution intentionally submitted for inclusion in the Work by You to the Licensor shall be under the terms and conditions of this License, without any additional terms or conditions. Notwithstanding the above, nothing herein shall supersede or modify the terms of any separate license agreement you may have executed with Licensor regarding such Contributions.
6. Trademarks.
This License does not grant permission to use the trade names, trademarks, service marks, or product names of the Licensor, except as required for reasonable and customary use in describing the origin of the Work and reproducing the content of the NOTICE file.
7. Disclaimer of Warranty.
Unless required by applicable law or agreed to in writing, Licensor provides the Work (and each Contributor provides its Contributions) on an „AS IS“ BASIS, WITHOUT WARRANTIES OR CONDITIONS OF ANY KIND, either express or implied, including, without limitation, any warranties or conditions of TITLE, NON-INFRINGEMENT, MERCHANTABILITY, or FITNESS FOR A PARTICULAR PURPOSE. You are solely responsible for determining the appropriateness of using or redistributing the Work and assume any risks associated with Your exercise of permissions under this License.
8. Limitation of Liability.
In no event and under no legal theory, whether in tort (including negligence), contract, or otherwise, unless required by applicable law (such as deliberate and grossly negligent acts) or agreed to in writing, shall any Contributor be liable to You for damages, including any direct, indirect, special, incidental, or consequential damages of any character arising as a result of this License or out of the use or inability to use the Work (including but not limited to damages for loss of goodwill, work stoppage, computer failure or malfunction, or any and all other commercial damages or losses), even if such Contributor has been advised of the possibility of such damages.
9. Accepting Warranty or Additional Liability.
While redistributing the Work or Derivative Works thereof, You may choose to offer, and charge a fee for, acceptance of support, warranty, indemnity, or other liability obligations and/or rights consistent with this License. However, in accepting such obligations, You may act only on Your own behalf and on Your sole responsibility, not on behalf of any other Contributor, and only if You agree to indemnify, defend, and hold each Contributor harmless for any liability incurred by, or claims asserted against, such Contributor by reason of your accepting any such warranty or additional liability.
9.2 BSD (Three Clause License)
Copyright (c) <YEAR>, <OWNER> All rights reserved. Redistribution and use in source and binary forms, with or wit- hout modification, are permitted provided that the following conditions are met: Redistributions of source code must retain the above copyright notice, this list of conditions and the following disclaimer. Redistributions in binary form must reproduce the above copyright notice, this list of conditions and the following disclaimer in the documentation and/or other materials provided with the distribution. Neither the name of the <ORGANIZATION> nor the names of its contributors may be used to endorse or promote products derived from this software without specific prior written permission. THIS SOFTWARE IS PROVIDED BY THE COPYRIGHT HOLDERS AND CONTRIBUTORS “AS IS” AND ANY EXPRESS OR IMPLIED WARRANTIES, INCLUDING, BUT NOT LIMITED TO, THE IMPLIED WARRANTIES OF MERCHANTABILITY AND FITNESS FOR A PARTICULAR PURPOSE ARE DISCLAIMED. IN NO EVENT SHALL THE COPYRIGHT OWNER OR CONTRIBUTORS BE LIABLE FOR ANY DIRECT, INDIRECT, INCIDENTAL, SPECIAL, EXEMPLARY, OR CONSEQUENTIAL DAMAGES (INCLUDING, BUT NOT LIMITED TO, PROCUREMENT OF SUBSTITUTE GOODS OR SERVICES; LOSS OF USE, DATA, OR PROFITS; OR BUSINESS INTERRUPTION) HOWEVER CAUSED AND ON ANY THEORY OF LIABILITY, WHETHER IN CONTRACT, STRICT LIABILITY, OR TORT (INCLUDING NEGLIGENCE OR OTHERWISE) ARISING IN ANY WAY OUT OF THE USE OF THIS SOFTWARE, EVEN IF ADVISED OF THE POSSIBILITY OF SUCH DAMAGE.
9.3 EPL-1.0 License
THE ACCOMPANYING PROGRAM IS PROVIDED UNDER THE TERMS OF THIS ECLIPSE PUBLIC LICENSE (“AGREEMENT”). ANY USE, REPRODUCTION OR DISTRIBUTION OF THE PROGRAM CONSTITUTES RECIPIENT’S ACCEPTANCE OF THIS AGREEMENT.
- DEFINITIONS
“Contribution” means:
a) in the case of the initial Contributor, the initial code and documentation distributed under this Agreement, and
b) in the case of each subsequent Contributor:
i) changes to the Program, and
ii) additions to the Program; where such changes and/or additions to the Program originate from and are distributed by that particular Contributor. A Contribution ‘originates’ from a Contributor if it was added to the Program by such Contributor itself or anyone acting on such Contributor’s behalf. Contributions do not include additions to the Program which: (i) are separate modules of software distributed in conjunction with the Program under their own license agreement, and (ii) are not derivative works of the Program. “Contributor” means any person or entity that distributes the Program. “Licensed Patents” mean patent claims licensable by a Contributor which are necessarily infringed by the use or sale of its Contribution alone or when combined with the Program. “Program” means the Contributions distributed in accordance with this Agreement. “Recipient” means anyone who receives the Program under this Agreement, including all Contributors. - GRANT OF RIGHTS
a) Subject to the terms of this Agreement, each Contributor hereby grants Recipient a non-exclusive, worldwide, royaltyfree copyright license to reproduce, prepare derivative works of, publicly display, publicly perform, distribute and sublicense the Contribution of such Contributor, if any, and such derivative works, in source code and object code form.
b) Subject to the terms of this Agreement, each Contributor hereby grants Recipient a non-exclusive, worldwide, royalty-free patent license under Licensed Patents to make, use, sell, offer to sell, import and otherwise transfer the Contribution of such Contributor, if any, insource code and object code form. This patent license shall apply to the combination of the Contribution and the Program if, at the time the Contribution is added by the Contributor, such addition of the Contribution causes such combination to be covered by the Licensed Patents. The patent license shall not apply to any other combinations which include the Contribution. No hardware per se is licensed hereunder.
c) Recipient understands that although each Contributor grants the licenses to its Contributions set forth herein, no assurances are provided by any Contributor that the Program does not infringe the patent or other intellectual property rights of any other entity. Each Contributor disclaims any liability to Recipient for claims brought by any other entity based on infringement of intellectual property rights or otherwise. As a condition to exercising the rights and licenses granted hereunder, each Recipient hereby assumes sole responsibility to secure any other intellectual property rights needed, if any. For example, if a third party patent license is required to allow Recipient to distribute the Program, it is Recipient’s responsibility to acquire that license before distributing the Program.
d) Each Contributor represents that to its knowledge it has sufficient copyright rights in its Contribution, if any, to grant the copyright license set forth in this Agreement. - REQUIREMENTS
A Contributor may choose to distribute the Program in object code form under its own license agreement, provided that:
a) it complies with the terms and conditions of this Agreement; and
b) its license agreement:
i) effectively disclaims on behalf of all Contributors all warranties and conditions, express and implied, including warranties or conditions of title and non-infringement, and implied warranties or conditions of merchantability and fitness for a particular purpose;
ii) effectively excludes on behalf of all Contributors all liability fordamages, including direct, indirect, special, incidental and consequential damages, such as lost profits; iii) states that any provisions which differ from this Agreement are offered by that Contributor alone and not by any other party; and
iv) states that source code for the Program is available from such Contributor, and informs licensees how to obtain it in a reasonable manner on or through a medium customarily used for software exchange. When the Program is made available in source code form: a) it must be made available under this Agreement; and
b) a copy of this Agreement must be included with each copy of the Program. Contributors may not remove or alter any copyright notices contained within the Program. Each Contributor must identify itself as the originator of its Contribution, if any, in a manner that reasonably allows subsequent Recipients to identify the originator of the Contribution. - COMMERCIAL DISTRIBUTION
Commercial distributors of software may accept certain responsibilities with respect to end users, business partners and the like. While this license is intended to facilitate the commercial use of the Program, the Contributor who includes the Program in a commercial product offering should do so in a manner which does not create potential liability for other Contributors. Therefore, if a Contributor includes the Program in a commercial product offering, such Contributor (“Commercial Contributor”) hereby agrees to defend and indemnify every other Contributor (“Indemnified Contributor”) against any losses, damages and costs (collectively “Losses”) arising from claims, lawsuits and other legal actions brought by a third party against the Indemnified Contributor to the extent caused by the acts or omissions of such Commercial Contributor in connection with its distri- bution of the Program in a commercial product offering. The obligations in this section do not apply to any claims or Losses relating to any actual or alleged intellectual property infringement. In order to qualify, an Indemnified Contributor must: a) promptly notify the Commercial Contributor in writing of such claim, and b) allow the Commercial Contributor to control, and cooperate with the Commercial Con- tributor in, the defense and any related settlement negotiations. The Indemnified Contributor may participate in any such claim at its own expense. For example, a Contributor might include the Program in a commercial product offering, Product X. That Contributor is then a Commercial Contributor. If that Commercial Contributor then makes performance claims, or offers warranties related to Product X, those performance claims and warranties are such Commercial Contributor’s responsibility alone. Under this section, the Commercial Contributor would have to defend claims against the other Contributors related to those performance claims and warranties, and if a court requires any other Contributor to pay any damages as a result, the Commercial Contributor must pay those damages. - NO WARRANTY
EXCEPT AS EXPRESSLY SET FORTH IN THIS AGREEMENT, THE PROGRAM IS PROVIDED ON AN “AS IS” BASIS, WITHOUT WARRANTIES OR CONDITIONS OF ANY KIND, EITHER EXPRESS OR IMPLIED INCLUDING, WITHOUT LIMITATION, ANY WARRANTIES OR CONDITIONS OF TITLE, NON-INFRINGEMENT, MERCHANTABILITY OR FITNESS FOR A PARTICULAR PURPOSE. Each Recipient is solely responsible for determining the appropriateness of using and distributing the Program and assumes all risks associated with its exercise of rights under this Agreement, including but not limited to the risks and costs of program errors, compliance with applicable laws, damage to or loss of data, programs or equipment, and unavailability or interruption of operations. - DISCLAIMER OF LIABILITY
EXCEPT AS EXPRESSLY SET FORTH IN THIS AGREEMENT, NEITHER RECIPIENT NOR ANY CONTRIBUTORS SHALL HAVE ANY LIABILITY FOR ANY DIRECT, INDIRECT, INCIDENTAL, SPECIAL, EXEMPLARY, OR CONSEQUENTIAL DAMAGES (INCLUDING WITHOUT LIMITATION LOST PROFITS), HOWEVER CAUSED AND ON ANY THEORY OF LIABILITY, WHETHER IN CONTRACT, STRICT LIABILITY, OR TORT (INCLUDING NEGLIGENCE OR OTHERWISE) ARISING IN ANY WAY OUT OF THE USE OR DISTRIBUTION OF THE PROGRAM OR THE EXERCISE OF ANY RIGHTS GRAN- TED HEREUNDER, EVEN IF ADVISED OF THE POSSIBILITY OF SUCH DAMAGES. - GENERAL
If any provision of this Agreement is invalid or unenforceable under applicable law, it shall not affect the validity or enforceability of the remainder of the terms of this Agreement, and without further action by the parties hereto, such provision shall be reformed to the minimum extent necessary to make such provision valid and enforceable. If Recipient institutes patent litigation against any entity (including a cross-claim or counterclaim in a lawsuit) alleging that the Program itself (excluding combinations of the Program with other software or hardware) infringes such Recipient’s patent(s), then such Recipient’s rights granted under Section 2(b) shall terminate as of the date such litigation is filed. All Recipient’s rights under this Agreement shall terminate if it fails to comply with any of the material terms or conditions of this Agreement and does not cure such failure in a reasonable period of time after becoming aware of such noncompliance. If all Recipient’s rights under this Agreement terminate, Recipient agrees to cease use and distribution of the Program as soon as reasonably practicable. However, Recipient’s obligations under this Agreement and any licenses granted by Recipient relating to the Program shall continue and survive. Everyone is permitted to copy and distribute copies of this Agreement, but in order to avoid inconsistency the Agreement is copyrighted and may only be modified in the following manner. The Agreement Steward reserves the right to publish new versions (including revisions) of this Agreement from time to time. No one other than the Agreement Steward has the right to modify this Agreement. The Eclip- se Foundation is the initial Agreement Steward. The Eclipse Foundation may assign the responsibility to serve as the Agreement Steward to a suitable separate entity. Each new version of the Agreement will be given a distinguishing version number. The Program (including Contributions) may always be distributed subject to the version of the Agreement under which it was received. In addition, after a new version of the Agreement is published, Contributor may elect to distribute the Program (including its Contributions) under the new version. Except as expressly stated in Sections 2(a) and 2(b) above, Recipient receives no rights or licenses to the intellectual property of any Contributor under this Agreement, whether expressly, by implication, estoppel or otherwise. All rights in the Program not expressly granted under this Agreement are reserved. This Agreement is governed by the laws of the State of New York and the intellectual property laws of the United States of America. No party to this Agreement will bring a legal action under this Agreement more than one year after the cause of action arose. Each party waives its rights to a jury trial in any resulting litigation.
9.4 Eclipse Distribution License – v 1.0
Copyright (c) 2007, Eclipse Foundation, Inc. and its licensors.
All rights reserved.
Redistribution and use in source and binary forms, with or wit- hout modification, are permitted provided that the following conditions are met:
- Redistributions of source code must retain the above copyright notice, this list of conditions and the following disclaimer.
- Redistributions in binary form must reproduce the above copyright notice, this list of conditions and the following disclaimer in the documentation and/or other materials provided with the distribution.
- Neither the name of the Eclipse Foundation, Inc. nor the names of its contributors may be used to endorse or promote products derived from this software without specific prior written permission.
THIS SOFTWARE IS PROVIDED BY THE COPYRIGHT HOLDERS AND CONTRIBUTORS “AS IS” AND ANY EXPRESS OR IMPLIED WARRANTIES, INCLUDING, BUT NOT LIMITED TO, THE IMPLIED WARRANTIES OF MERCHANTABILITY AND FITNESS FOR A PARTICULAR PURPOSE ARE DISCLAIMED. IN NO EVENT SHALL THE COPYRIGHT OWNER OR CONTRIBUTORS BE LIABLE FOR ANY DIRECT, INDIRECT, INCIDENTAL, SPECIAL, EXEMPLARY, OR CONSEQUENTIAL DAMAGES (INCLUDING, BUT NOT LIMITED TO, PROCUREMENT OF SUBSTITUTE GOODS OR SERVICES; LOSS OF USE, DATA, OR PROFITS; OR BUSINESS INTERRUPTION) HOWEVER CAUSED AND ON ANY THEORY OF LIABILITY, WHETHER IN CONTRACT, STRICT LIABI- LITY, OR TORT (INCLUDING NEGLIGENCE OR OTHERWISE) ARISING IN ANY WAY OUT OF THE USE OF THIS SOFTWARE, EVEN IF ADVISED OF THE POSSIBILITY OF SUCH DAMAGE.
9.5 MCD-ST Liberty Software License Agreement v2
SLA0044 Rev5/February 2018
BY INSTALLING COPYING, DOWNLOADING, ACCESSING OR OTHERWISE USING THIS SOFTWARE OR ANY PART THEREOF (AND THE RELATED DOCUMENTATION) FROM STMICROELECTRONICS INTERNATIONAL N.V, SWISS BRANCH AND/OR ITS AFFILIATED COMPANIES (STMICROELECTRONICS), THE RECIPIENT, ON BEHALF OF HIMSELF OR HERSELF, OR ON BEHALF OF ANY ENTITY BY WHICH SUCH RECIPIENT IS EMPLOYED AND/OR ENGAGED AGREES TO BE BOUND BY THIS SOFTWARE LICENSE AGREEMENT.
Under STMicroelectronics’ intellectual property rights, the redistribution, reproduction and use in source and binary forms of the software or any part thereof, with or without modification, are permitted provided that the following conditions are met:
- Redistribution of source code (modified or not) must retain any copyright notice, this list of conditions and the disclaimer set forth below as items 10 and 11.
- Redistributions in binary form, except as embedded into microcontroller or microprocessor device manufactured by or for STMicroelectronics or a software update for such device, must reproduce any copyright notice provided with the binary code, this list of conditions, and the disclaimer set forth below as items 10 and 11, in documentation and/ or other materials provided with the distribution.
- Neither the name of STMicroelectronics nor the names of other contributors to this software may be used to endorse or promote products derived from this software or part thereof without specific written permission.
- This software or any part thereof, including modifications and/or derivative works of this software, must be used and execute solely and exclusively on or in combination with a microcontroller or microprocessor device manufactured by or for STMicroelectronics.
- No use, reproduction or redistribution of this software partially or totally may be done in any manner that would subject this software to any Open Source Terms. “Open Source Terms” shall mean any open source license which requires as part of distribution of software that the source code of such software is distributed therewith or otherwise made available, or open source license that substantially complies with the Open Source definition specified at www.opensource.org and any other comparable open source license such as for example GNU General Public License (GPL), Eclipse Public License (EPL), Apache Software License, BSD license or MIT license.
- STMicroelectronics has no obligation to provide any maintenance, support or updates for the software.
- The software is and will remain the exclusive property of STMicroelectronics and its licensors. The recipient will not take any action that jeopardizes STMicroelectronics and its licensors’ proprietary rights or acquire any rights in the software, except the limited rights specified hereunder.
- The recipient shall comply with all applicable laws and regulations affecting the use of the software or any part thereof including any applicable export control law or regulation.
- Redistribution and use of this software or any part thereof other than as permitted under this license is void and will automatically terminate your rights under this license.
- THIS SOFTWARE IS PROVIDED BY STMICROELECTRONICS AND CONTRIBUTORS “AS IS” AND ANY EXPRESS, IMPLIED OR STATUTORY WARRANTIES, INCLUDING, BUT NOT LIMITED TO, THE IMPLIED WARRANTIES OF MERCHANTABILITY, FITNESS FOR A PARTICULAR PURPOSE AND NONINFRINGEMENT OF THIRD PARTY INTELLECTUAL PROPERTY RIGHTS, WHICH ARE DISCLAIMED TO THE FULLEST EXTENT PERMITTED BY LAW. IN NO EVENT SHALL STMICROELECTRONICS OR CONTRIBUTORS BE LIABLE FOR ANY DIRECT, INDIRECT, INCIDENTAL, SPECIAL, EXEMPLARY, OR CONSEQUENTIAL DAMAGES (INCLUDING, BUT NOT LIMITED TO, PROCUREMENT OF SUBSTITUTE GOODS OR SERVICES; LOSS OF USE, DATA, OR PROFITS; OR BUSINESS INTERRUPTION) HOWEVER CAUSED AND ON ANY THEORY OF LIABILITY, WHETHER IN CONTRACT, STRICT LIABILITY, OR TORT (INCLUDING NEGLIGENCE OR OTHERWISE) ARISING IN ANY WAY OUT OF THE USE OF THIS SOFTWARE, EVEN IF ADVISED OF THE POSSIBILITY OF SUCH DAMAGE.
- EXCEPT AS EXPRESSLY PERMITTED HEREUNDER, NO LICENSE OR OTHER RIGHTS, WHETHER EXPRESS OR IMPLIED, ARE GRANTED UNDER ANY PATENT OR OTHER INTELLECTUAL PROPERTY RIGHTS OF STMICROELECTRONICS OR ANY THIRD PARTY.

Bosch Thermotechnik GmbH
Sophienstrasse 30-32
D-35576 Wetzlar
www.bosch-thermotechnology.com






































