EmpirBus NMEA2000 Digital Switching Module

Introduction
The DCM is a product from the EmpirBus NXT product family.
This document contains basic specifications, installation instructions, manual channel override and fuse reset instructions. This and other documents are available at www.empirbus.com.
Safety guidelines and measures
In order to avoid accidental short circuits, make sure to disconnect the power supply to the DCM before making any connections.
Never use this product where there is a danger of dust or gas explosion or other potentially flammable products.
Scope of Delivery
If the DCM is equipped with an integrated wireless receiver, a stub antenna is included in the box.
Model Range and options
Both the unit and the box are marked with model number. Each unit has a total of 16 configurable channels. For channel specification, see table 9.1: Model range
Installation
Mounting
The DCM should be mounted on a flat vertical surface with four screws (not included), with the orientation as shown in figure 5.1.

Connectors
The bus connector is an NMEA2000 compatible male Micro-C 5 pin connector. It is not recommended to connect a T-connector directly to the unit; a drop cable should be between the main bus and the unit. The consumers and inputs are connected via Molex MX150L connectors. Only use correct crimp and extractor tools when assembling the connector. Unused pins in the connector should be plugged with circuit plugs in order to maintain IP65.
Power feed
The power is supplied on the two M6 bolts with positive on the left (marked with +) and negative on the right (marked with -). The total max output of a DCM is 100A.
Circuits
The usage of a channel is determined by the model, option configuration and programming. The channels are numbered directly on the unit (1 through 16). The channels (inputs/outputs) are on the upper row of pins and the lower row is minus. See figure 6.1. The Molex MX150L connectors connector accepts cable dimensions up to 2,5 mm2.

Inputs
Any channel on a DCM can be configured as digital or analog input. If options support analog inputs or
Digital input – negative
Connect the switch directly between minus and the desired channel.

Digital input – positive
Connect the switch directly between the source (V+) and the desired channel. NOTE: The input and the DCM must have the same power supply.

Digital input – common line
It is possible to have a switch and a LED indicator on the same channel using the circuit below. The commonline channel needs to be connected to a channel that can switch to minus, which is possible on channel 6 or 14 on all DCM models.

Analog input – resistance
Connect the resistive sensor directly between minus and the desired channel.

Analog input – voltage
Connect the voltage source directly to the desired channel. See data sheet for measuring range. NOTE: The input signal source and the DCM must have common ground.

If input signal source is powered by another power supply, a resistor must be connected in series to the input. A 10kΩ resistor is recommended for this purpose. The programming must take this in consideration. NOTE: The power supply for the input signal source and the DCM must have common ground. (I.e. Both batteries must have common ground.)

Analog input – multi switch
The circuit below enables four separate momentary switches to be connected to a single input channel. Note: Multi switch channel setting is only possible for momentary switches. Only one button can be pressed at a time.

Outputs
Depending on the model, certain channels can be configured to be outputs. See the table 9.1 for model specification.
Digital output – positive
Connect the load directly between the desired channel and minus.

Digital output – half bridge
For actuators and other equipment that use shifting polarity, connect the equipment directly between two channels with minus output capability.

Digital output – Window wiper
See table 9.1 for models with window wiper capability. Depending of the electrical design of the window wiper, two different circuits are possible. Most common is window wiper circuit 1. See figure 6.2.

Any channel can be used for Ch X and Ch Y. Channel 4, 5, 12 or 13 is used as high speed channel.
Note: The diode is never connected to channel 4, 5, 12 or 13.
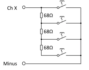
Less common is window wiper circuit 2. See figure 6.3.

Any channel can be used for Ch X and Ch Y. Channel 4, 5, 12 or 13 is used as low speed channel. Note: The diode is never connected to channel 4, 5, 12 or 13.
Configuration
The settings covered by this chapter are settings that can be set directly on the unit. Some of these settings can also be set from the EmpirBus Studio PC software, and some settings needs to be set both in the PC software and on the unit. For further information, see the EmpirBus Studio documentation.
Bus ID
All EmpirBus NXT units needs to have a unique bus ID. On the DCM the bus ID can be read from the display on the upper left corner. Factory preset is bus ID 0 (000). To change bus ID on a DC module:
- Press and hold RESET/AUTO for 10 seconds until the display shows “bAS”
- Press MAN ON/MAN OFF three times. Display now alternates between the current bus ID and “bAS”.
- Use the arrow buttons to set the desired bus ID.
- Press and hold RESET/AUTO for 10 seconds until the DC module restarts.
Fuse reset
A channel with tripped fuse is in normal running mode indicated by a red continuous channel indicator. To reset the channel to normal operation:
- Press the right arrow button. ”SEL” will be shown in the display.
- Use the right arrow button to step to the desired channel.
- Press and hold RESET/AUTO for two seconds. The fuse is now reset.
- Press the left arrow until the message “SEL” in the display disappears.
Please note that if the problem that caused the fuse to trip still remains, the fuse will trip again.
Manual channel override
In case of bus failure there is failsafe functionality that allows channels to be manually switched on or off. For automatic bus failure backup settings, see the Enhanced Limp Home documentation.
- A manually switched off channel is in normal running mode indicated by a flashing red channel indicator.
- A manually switched on channel is in normal running mode indicated by a flashing green channel indicator.
Manual override switch off
- Press the right arrow button. ”SEL” will be shown in the display.
- Use the right arrow button to step to the desired channel.
- Press and hold MAN ON/MAN OFF for three seconds
- Press the left arrow until the message “SEL” in the display disappears.
- Outputs manually switched off are now indicated with flashing red indication.
Manual override switch on
- Press the right arrow button. ”SEL” will be shown in the display.
- Use the right arrow button to step to the desired channel.
- Press and hold MAN ON/MAN OFF for three seconds
- If the channel indicator still is flashing red, again press and hold MAN ON/MAN OFF for three seconds
- Press the left arrow until the message “SEL” in the display disappears.
- Outputs manually switched off are now indicated with flashing green indication.
Resetting a channel
- Press the right arrow button. ”SEL” will be shown in the display.
- Use the right arrow button to step to the desired channel.
- Press and hold RESET/AUTO for two seconds. The channel is now reset.
- Press the left arrow until the message “SEL” in the display disappears.
Wireless transmitter pairing
If the DCM is equipped with a wireless receiver, the transmitters (switches/remotes/detectors etc.) need to be paired with the unit in order to operate. Each transmitter needs to be paired to a unique function number.
- Press and hold MAN ON/MAN OFF for 10 seconds until the display shows “P00”.
- Use right arrow button to step to “P10” for wireless receiver programming.
- Press MAN ON/MAN OFF Once. Display shows “OAS” / “001” blinking. Wireless channel 1 is selected.
- Use right arrow button to choose channel (if other than 1).
- Press MAN ON/MAN OFF to enter learning mode. Display flashes “LEA”.
- Press the wireless switch (or trigger the detector) that is to be connected.
- When button has been pressed the display alternates between “LEA” and “ACC” for five seconds to indicate that the transmitter was learned and accepted.
- The DCM auto detects the type of transmission from the transmitter and suggests a setting: “FU1” or “FU2”. (FU1 = transmitter sends “pressed” and “released”, FU2 = transmitter sends only “pressed”.)
Press MAN ON/MAN OFF to accept the setting and continue. If additional transmitters need to be paired, repeat from step 3. - Press RESET/AUTO to exit programming mode and return to normal mode.
How to delete a paired wireless channel:
- Enter the programming mode P10 as mentioned above from point 1 to 3.
- Use right arrow key to select the channel you want to erase (1 to 30 ).
- Press MAN ON/MAN OFF once to enter learning mode.
- Press and hold in MAN ON/MAN OFF (the text “ddd” will appear on the display) until is shows “del” then release the button.
- Press MAN ON/MAN OFF once, the text “dcd” on the display then confirm that the channel is erased.
Product specifications
See table 4.1 for model specification and hardware support
| Output Fuse setting Output minus (-) Output minus (-) | 1, 5, 8, 10, 15, 18 A (15 and 18A not available on all models) 2 channels 0,1A minus 4 channels 0,5A minus, 3A max 20 sec (not available on all models) |
| Digital input 12V power peak/average: 24V power peak/average: Over current protection limit for LED | 170mA / 1mA (closed), <0,1mA (open) 340mA / 2mA (closed), <0,1mA (open) 20mA |
| Analog input Volt Current Resistance | 0–32V +/-1% 4–20mA +/-1% (not available on all models) 0–1500 ohm +/-5% |
| Communication CAN-bus Wireless receiver | NMEA 2000 EnOcean |
| Power supply Maximum current Supply voltage | 100A 9-32VDC |
| Connectors NMEA 2000 Channels Power supply Antenna | Micro 5pin M12 Male Molex MX150L 16 circuits M6 bolt SMA female |
| Environment Ambient temperature Enclosure | -20 to +55 degrees Celsius Ingress Protection IP65, Polycarbonate1 |
| Physical data Size Weight | 229 x 104 x 41 mm 0,4 kg |
Appedix A – Model range
Table 9.1: Model range.
All units are produced with a setup of options. (See description in figure 4.1.). Any DCM can be delivered with a wireless receiver. Models with 0.5A minus outputs have window wiper capability.


Model range cross reference part numbers
12V
- 2010101/010-02219-01
- 2010102/010-02219-02
- 2010103/010-02219-03
- 2010104/010-02219-04
- 2010105/010-02219-05
- 2010505/010-02219-55
24V
- 2020106/010-02220-06
- 2020107/010-02220-07
- 2020108/010-02220-08
- 2020108W/010-02221-08
- 2020109/010-02220-09
- 2020110/010-02220-10
- 2020408/010-02222-08
- 2020510/010-02222-10
Notes:

DECLARATION OF CONFORMITY

RoHS CERTIFICATE OF CONFORMANCE

Garmin Sweden Technologies AB Spikvägen 1
SE-451 75 Uddevalla Sweden
Support
Phone: +46 522-44 22 22
E-mail: [email protected] Web: www.empirbus.com


















