tbs electronics NMEA 2000 Interface Kit

Package contents

Mounting the interface box

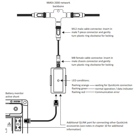
Connecting the interface box

Introduction
The QuickLink to NMEA 2000 interface forms a bridge between QuickLink enabled devices and an NMEA 2000 network. Currently it only supports the Expert Modular baery monitor.
The interface presents the following parameters on the NMEA 2000 network.
- Voltage
- Current
- Amp-Hours removed
- State-of-Charge
- Time Remaining
- Temperature
- Battery Capacity
- Battery Type
- Nominal Voltage
Only the parameters of battery bank 1 are available. Changing of device- and battery instance is fully supported by this interface, allowing mul ple Expert Modulars on the NMEA 2000 network, with each Expert Modular having its own QuickLink to NMEA 2000 interface. A proper NMEA 2000 network management tool is needed to change device- and battery instance. Such a tool is not provided by us. It is assumed that the user of this device has a good understanding of the NMEA 2000 standard.
NMEA 2000 Interface Standard
The NMEA 2000 standard contains the requirements of a serial data communica ons network to inter-connect marine electronic equipment on vessels. It is mul -master and self-configuring, and there is no central network controller. Equipment designed to this standard will have the ability to share data, including commands and status with other compa ble equipment over a single channel. It is based on CAN (Controller Area Network). NMEA 2000 is a registered Trademark of the Na onal Marine Electronics Associa on.
Supported PGNs
The following PGNs are transmitted by the interface. These may be broadcasted, sent on request, or as acknowledgment.
| PGN | Name |
| 59392 | ISO Acknowledgment |
| 60160 | ISO Transport Protocol, Data Transfer |
| 60416 | ISO Transport Protocol, Connection Management – RTS Group Function |
| 60928 | ISO Address Claim |
| 126208 | NMEA – Request Group Function |
| 126464 | PGN List – Received / Transmit PGNs Group Function |
| 126993 | Heartbeat |
| 126996 | Product Information |
| 126998 | Configuration Information |
| 127502 | Switch Bank Control |
| 127506 | DC Detailed Status |
| 127508 | Battery Status |
| 127513 | Battery Configuration Status |
See backside of this paper for con nua on.
The following PGNs are accepted by the interface:
PGN Name
- 59904 ISO Request
- 60160 ISO Transport Protocol, Data Transfer
- 60416 ISO Transport Protocol, Connec
Changing Instances
The following instances are used by the interface:
| Instance | Default value |
| System | 0 |
| Device | 0 |
| Battery | 1 |
| Switch Bank | 252 |
All the above instances can be changed via an NMEA Command Group Function.
The newly set instance is stored and maintained between power cycles.
Changing a PGN’s transmission interval
The following PGNs are broadcast at a fixed interval:
| PGN | Name | Default interval (ms) |
| 126993 | Heartbeat | 60000 |
| 127502 | Switch Bank Control | 2000 |
| 127506 | DC Detailed Status | 1500 |
| 127508 | Battery Status | 1500 |
The default transmission interval can be changed via an NMEA Request Group Function. Setting the transmission interval offset is not supported. The newly set transmission interval is stored and maintained between power cycles.
Switch Bank Control
The Switch Bank Control PGN is used to present Expert Modular alarms on the NMEA 2000 network. External alarm contacts 1 to 8 are mapped to Switch Bank fields Switch 1 to Switch 8. By default the Switch Bank Instance of the interface is configured to 252. A special condition is assigned to instance 252. The Switch Bank Control PGN is broadcasted, but all switches within the PGN will always have value 11b, meaning “no action”. This is to prevent Expert Modular external alarms to interfere with Switches already configured on the network. With any other instance than 252, Switch 1 to Switch 8 will represent the status of Expert Modular external alarm contacts 1 to 8. To make Expert Modular alarms visible on the NMEA 2000 network, the user needs to change the Switch Bank PGN Instance to any other value than the default 252, and select one of the external alarm contacts (Ext.1 to Ext.8) as the Alarm Contact for the alarms the user wishes to make visible.
Specifications plus notes
| Technical specifications isolated NMEA 2000 interface box | |
| Input communication bus type | TBS QuickLink |
| Current consumption | 6.5mA (QuickLink) / < One Network Load (NMEA 2000) |
| Isolation value | 1000Vrms for 3 sec. |
| Operating ambient temp. | -20 … +50 °C |
| Dimensions (L x W x H) | 74 x 43 x 25mm |
Notes:
- Each QuickLink network may contain only one master device (i.e. battery monitor)
- Each QuickLink network may contain only one communication interface.


















