QuickLink to NMEA 2000 interface kit installation and setup guide
Package contents
![]() | Interface box |
![]() | Mounting bracket |
![]() | Mounting screws |
![]() | QuickLink cable |
![]() | NMEA 2000 drop cable |
Mounting the interface box

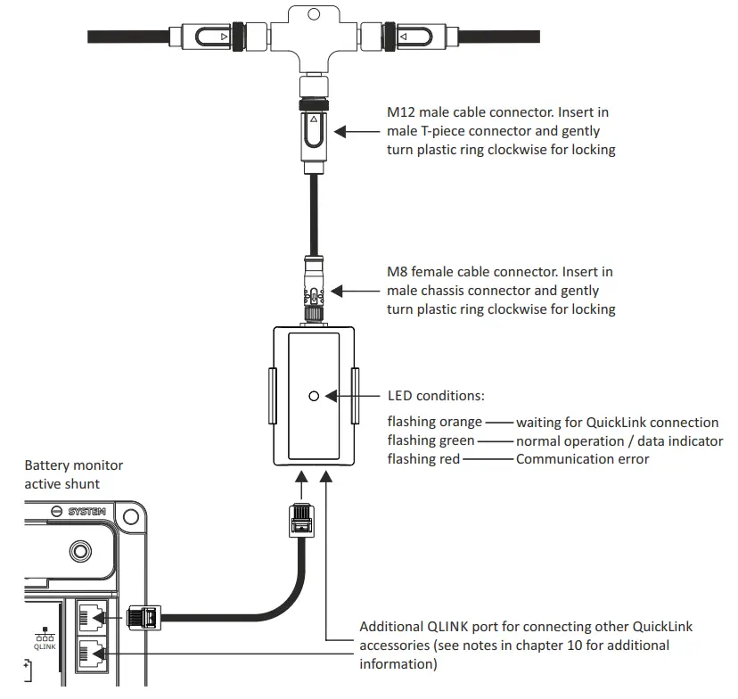
Connecting the interface box

Introduction
The QuickLink to NMEA 2000 interface forms a bridge between QuickLink enabled devices and an NMEA 2000 network. Currently it only supports the Expert Modular baery monitor.
The interface presents the following parameters on the NMEA 2000 network.
- Voltage
- Current
- Amp-Hours removed
- State-of-Charge
- Time Remaining
- Temperature
- Baery Capacity
- Baery Type
- Nominal Voltage
Only the parameters of baery bank 1 are available.
Changing of device- and baery instance is fully supported by this interface, allowing muls on the NMEA 2000 network, with each Expert
Modular having its own QuickLink to NMEA 2000 interface. A proper NMEA 2000 network management tool is needed to change device- and baery instance. Such a tool is not provided by us.
It is assumed that the user of this device has a good understanding of the NMEA 2000 standard.
NMEA 2000 Interface Standard
The NMEA 2000 standard contains the requirements of a serial data communicaork to inter-connect marine electronic equipment on vessels. It is multer and self-configuring, and there is no central network controller. Equipment designed to this standard will have the ability to share data, including commands and status with other compat over a single channel. It is based on CAN (Controller Area Network). NMEA 2000 is a registered Trademark of the Naonics Associa
Supported PGNs
The following PGNs are transmied by the interface. These may be broadcasted,sent on request, or as acknowledgment.
| PGN | Name |
| 59392 | ISO Acknowledgment |
| 60160 | ISO Transport Protocol, Data Transfer |
| 60416 | ISO Transport Protocol, Connecement – RTS Group Func |
| 60928 | ISO Address Claim |
| 126208 | NMEA – Request Group Func |
| 126464 | PGN List – Received / Transmit PGNs Group Func |
| 126993 | Heartbeat |
| 126996 | Product Informa |
| 126998 | Configuraorma |
| 127502 | Switch Bank Control |
| 127506 | DC Detailed Status |
| 127508 | Baery Status |
| 127513 | Baery Configuraatus |
| 59904 | ISO Request |
| 60160 | ISO Transport Protocol, Data Transfer |
| 60416 | ISO Transport Protocol, Connecement – RTS Group Func |
| 60928 | ISO Address Claim |
| 65240 | ISO Commanded Address |
| 126208 | NMEA – Request Group Func |
See backside of this paper for con
The following PGNs are accepted by the interface:
Changing Instances
The following instances are used by the interface:
| Instance | Default value |
| System | 0 |
| Device | 0 |
| Baery | 1 |
| Switch Bank | 252 |
All the above instances can be changed via an NMEA Command Group Func
The newly set instance is stored and maintained between power cycles.
Changing a PGN’s transmission interval
The following PGNs are broadcast at a fixed interval:
| PGN | Name | Default interval (ms) |
| 126993 | Heartbeat | 60000 |
| 127502 | Switch Bank Control | 2000 |
| 127506 | DC Detailed Status | 1500 |
| 127508 | Baery Status | 1500 |
The default transmission interval can be changed via an NMEA Request Group
Funcansmission interval offset is not supported. The newly set transmission interval is stored and maintained between power cycles.
Switch Bank Control
The Switch Bank Control PGN is used to present Expert Modular alarms on the NMEA 2000 network. External alarm contacts 1 to 8 are mapped to Switch Bank fields Switch 1 to Switch 8. By default the Switch Bank Instance of the interface is configured to 252.
A special condio instance 252. The Switch Bank Control PGN is broadcasted, but all switches within the PGN will always have value 11b, meaning “no ac. This is to prevent Expert Modular external alarms to interfere with Switches already configured on the network. With any other instance than 252, Switch 1 to Switch 8 will represent the status of Expert Modular external alarm contacts 1 to 8.
To make Expert Modular alarms visible on the NMEA 2000 network, the user needs to change the Switch Bank PGN Instance to any other value than the default 252, and select one of the external alarm contacts (Ext.1 to Ext.8) as the Alarm Contact for the alarms the user wishes to make visible.
Specifications plus notes
Technical specifications isolated NMEA 2000 interface box
| Input communication bus type | TBS QulckUnk |
| Current consumption | 6.5mA (Quicklink) / < One Network Load (NMEA 2000) |
| Isolation value | 1000Vrms for 3 sec. |
| Operating ambient temp. | -20 … +50’C |
| Dimensions (L x W x H) | 74 x 43 x 25mm |
Notes:
- Each QuickLink network may contain only one master device (i.e. battery monitor)
- Each QuickLink network may contain only one communication interface.























