Pioneer SPH-DA160DAV RDS AV Receiver Installation Guide

Precautions
Your new product and this manual
- Do not operate this product, any applications, or the rear view camera option (if purchased) if doing so will divert your attention in any way from the safe operation of your vehicle. Always observe safe driving rules and follow all existing traffic regulations. If you experience difficulty in operating this product, pull over, park your vehicle in a safe location and apply the handbrake before making the necessary adjustments.
- Do not install this product where it may
(i) obstruct the driver’s vision,
(ii) impair the performance of any of the vehicle’s operating systems of safety features, including airbags, hazard lamp buttons, or
(iii) impair the driver’s ability to safely operate the vehicle. In some cases, it may not be possible to install this product because of the vehicle type or the shape of the vehicle interior
Important safeguards
WARNING
Pioneer does not recommend that you install this product yourself. This product is designed for professional installation only.
We recommend that only authorised Pioneer service personnel, who have special training and experience in mobile
electronics, set up and install this product. NEVER SERVICE THIS PRODUCT YOURSELF. Installing or servicing this product and its connecting cables may expose you to the
risk of electric shock or other hazards, and can cause damage to this product that is not covered by warranty.
Precautions before connecting the system
WARNING
Do not take any steps to tamper with or disable the handbrake interlock system which is in place for your protection. Tampering with or disabling the
handbrake interlock system could result in serious injury or death.
CAUTION
- Secure all wiring with cable clamps or electrical tape. Do not allow any bare wiring to remain exposed.
- Do not directly connect the yellow lead of this product to the vehicle battery. If the lead is directly connected to the battery, engine vibration may eventually cause the insulation to fail at the point where
the wire passes from the passenger compartment into the engine compartment. If the yellow lead’s insulation tears as a result of contact with metal parts, short-circuiting can occur, resulting in considerable danger. - It is extremely dangerous to allow cables to become wound around the steering column or gearstick. Be sure to install this product, its cables, and wiring away in such so that they will not obstruct or hinder driving.
- Make sure that the cables and wires will not interfere with or become caught in any of the vehicle’s moving parts, especially the steering wheel, gearstick, handbrake, sliding seat tracks, doors, or any of the vehicle’s controls.
- Do not route wires where they will be exposed to high temperatures. If the insulation heats up, wires may become damaged, resulting in a short circuit or malfunction and permanent damage to the product.
- Do not shorten any leads. If you do, the protection circuit (fuse holder, fuse resistor or filter, etc.) may fail to work properly.
- Never feed power to other electronic products by cutting the insulation of the power supply lead of this product and tapping into the lead. The current capacity of the lead will be exceeded, causing overheating.
Before installing this product
- Use this product with a 12-volt battery and negative earthing only. Failure to do so may result in a fire or malfunction.
- To avoid shorts in the electrical system, be sure to disconnect the (–) battery cable before installation.
To prevent damage
WARNING
- When speaker output is used by 4 channels , use speakers over 50 W (Maximum input power) and between 4 Ω to 8 Ω (impedance value). Do not use 1 Ω to 3 Ω speakers for this unit.
- The black lead is earth. Please earth this lead separately from the earth of high current products such as power amps. Do
not earth more than one product together with the earth from another product. For example, you must separately earth any amp unit away from the earth of this product. Connecting earths together can cause a fire and/or damage the products if their earths became detached. - When replacing the fuse, be sure to only use a fuse of the rating prescribed on this product.
- This product cannot be installed in a vehicle without ACC (accessory) position on the ignition switch.

Notice for the blue/ white lead
- When the ignition switch is turned on (ACC ON), a control signal is output through the blue/white lead. Connect to an external power amp’s system remote control terminal, the auto-aerial relay
control terminal, or the aerial booster power control terminal (max. 300 mA 12 V DC). The control signal is output through the blue/white lead, even if the audio source is switched off.
This product

- Microphone 3 m
- This product
- Digital Radio aerial input
- Aerial jack
- Connector 1 (REAR VIEW CAMERA IN/
MUTE/STEERING WHEEL CONTROL)
- Connector 2 (AUX IN)
- Pre out supply
- Fuse (10 A)
- Power supply
- To connector 1
- Wired remote input (STEERING WHEEL
CONTROL)
Hard-wired remote control adapter can
be connected (sold separately). - Brown (REAR VIEW CAMERA IN)
- Yellow/black (MUTE)
Power cord

- To power supply
- Depending on the kind of vehicle, the function of 2* and 4* may be different. In this case, be sure to connect 1* to 4* and 3* to 2*.
- Yellow (2*) Back-up (or accessory)
- Yellow (1*) Connect to the constant 12 V supply terminal.
- Red (4*) Accessory (or back-up)
- Red (3*) Connect to terminal controlled by ignition switch (12 V DC).
- Connect leads of the same colour to each other.
- Orange/white To lighting switch terminal.
- Black (earth) To vehicle (metal) body.
- Blue/white (5*) The pin position of the ISO connector will differ depending on the type of vehicle. Connect 5* and 6* when Pin 5 is an aerial control type. In another type of vehicle, never connect 5* and 6*.
- Blue/white (6*) Connect to auto-aerial relay control terminal (max. 300 mA 12 V DC).
- Blue/white Connect to system control terminal of the power amp (max. 300 mA 12 V DC).
- Violet/white Of the two lead wires connected to the back lamp, connect the one in which the voltage changes when the gear shift is in the REVERSE (R) position. This connection enables the unit to sense whether the car is moving forwards or backwards.
- Light green Used to detect the ON/OFF status of the handbrake. This lead must be connected to the power supply side of the handbrake switch.
- Connection method Clamp the lead (1) then clamp firmly with needle-nosed pliers (2).
- Power supply side
- Handbrake switch
- Earth side
- Speaker leads White: Front left + White/black: Front left – Grey: Front right + Grey/black: Front right – Green: Rear left + Green/black: Rear left – Violet: Rear right + Violet/black: Rear right –
- ISO connector In some vehicles, the ISO connector may be divided into two. In this case, be sure to connect to both connectors.
NOTE
The position of the handbrake switch depends on the vehicle model. For details, consult the vehicle Owner’s Manual or dealer.
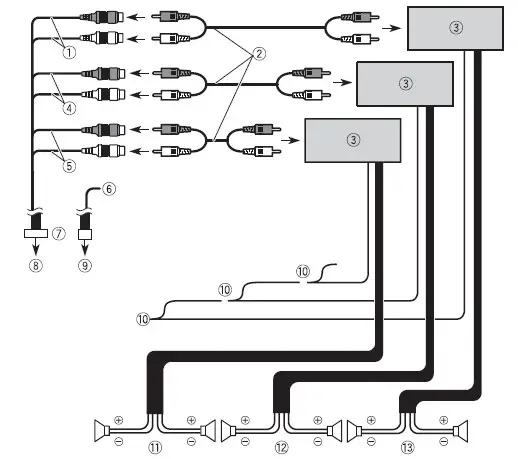
Power amp (sold separately)
Important
The speaker leads are not used when this connection is in use.

- Subwoofer output (SUBWOOFER OUT L/SUBWOOFER OUT R)
- RCA cable (sold separately)
- Power amp
- Front output (FRONT OUT L/FRONT OUT R)
- Rear output (REAR OUT L/REAR OUT R)
- Yellow/black (MUTE)If you use an equipment with Mute function, wire this lead to the Audio Mute lead on that equipment. If not, keep the Audio Mute lead free of any connections.
- Pre out cord
- To pre out supply
- To connector 1
- System remote control Connect to Blue/white cable.
- Rear speaker
iPhone and smartphone
NOTES
- For details on how to connect an external device using a separately sold cable, refer to the manual for the cable.
- For details concerning the connection and operations of iPhone or smartphone, refer to the Operation Manual.
iPhone with Lightning connector
Connecting via the USB port

- iPhone with Lightning connector
- USB interface cable for iPhone (sold separately)
- USB cable 1.5 m
- USB port
Connecting via the USB port
- Smartphone
- USB – micro USB cable (Type USB A – micro USB B) (sold separately) USB Type-C cable (Type USB A – USB C) (sold separately)
- USB cable 1.5 m
- USB port
NOTES
- The length of Type USB A – micro USB B cable cannot exceed 2 m and Type USB A
– USB C cannot exceed 4 m according to the USB cable standard. When using a cable other than the above conditions, the main unit function may not operate properly. - Android is a trademark of Google LLC.
Camera
About rear view camera
When you use the rear view camera, the rear view image is automatically switched from the video by moving the gearstick to
REVERSE
(R). Camera View mode also allows you to check what is behind you while driving.
WARNING USE INPUT ONLY FOR REVERSE OR MIRROR IMAGE REAR VIEW CAMERA. OTHER USE MAY RESULT IN INJURY OR DAMAGE
CAUTION
- The screen image may appear reversed.
- With the rear view camera you can keep an eye on trailers, or back into a tight parking spot. Do not use for entertainment purposes.
- Objects in rear view may appear closer or more distant than in reality.
- The image area of full-screen images displayed while backing or checking the rear of the vehicle may differ slightly.

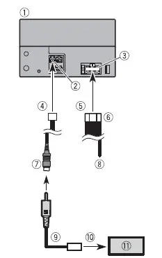
- This product
- Connector 1
- Power supply
- To connector 1
- To power supply
- Power cord
- Brown (REAR VIEW CAMERA IN)
- Violet/white (REVERSE-GEAR SIGNAL
- INPUT)Refer to Power cord on page 3.
- RCA cable (sold separately)
- To video output
- Rear view camera (sold separately)
External video component and the display

- This product
- Pre out supply
- Connector 2
- To connector 2
- To pre out supply
- Pre out cord
- Mini-jack AV cable (sold separately)
- AUX input (AUX IN)
- Yellow (REAR MONITOR OUT)
- Yellow
- Red, white
- RCA cables (sold separately)
- To video input
- Rear display with RCA input jacks
- To video output
- To audio outputs
- External video component (sold separately)
NOTE
The appropriate setting is required to use the external video component. For details, refer to the Operation Manual
WARNING
NEVER install the rear display in a location that enables the driver to watch the video source while driving. This product’s rear video output is for connection of a display to enable passengers in the rear seats to watch the video source.
CAUTION
Be sure to use a mini-jack AV cable (sold separately) for wiring. If you use other cables, the wiring position might differ resulting in disturbed images and sounds.

Precautions before installation
CAUTION
- Never install this product in places where, or in a manner that:
- Could injure the driver or passengers if the vehicle stops
- May interfere with the driver’s operation of the vehicle, such as on the floor in front of the driver’s seat, or close to the steering wheel or
- To ensure proper installation, be sure to
use the supplied parts in the manner specified. If any parts are not supplied with this product, use compatible parts in the manner specified after you have the part compatibility checked by your dealer. If parts other than supplied or compatible ones are used, they may damage internal parts of this product or they may work loose and the product may become detached.
- Do not install this product where it may
(i) obstruct the driver’s vision, (ii) impair the performance of any of the vehicle’s operating systems or safety features, including airbags, hazard lamp buttons or (iii) impair the driver’s ability to safely operate the vehicle.
- Never install this product in front of or
next to the place in the dashboard, door, or pillar from which one of your vehicle’s airbags would deploy. Please refer to your vehicle’s owner’s manual for reference to the deployment area of the frontal airbags.
Before installing
- Consult with your nearest dealer if installation requires drilling holes or other modifications of the
- Before making a final installation of this
product, temporarily connect the wiring to confirm that the connections are correct and the system works properly.
Installation notes
- Do not install this product in places subject to high temperatures or humidity, such as:
- Places close to a heater, vent or air
- Places exposed to direct sunlight, such as on top of the
- Places that may be exposed to rain, such as close to the door or on the vehicle’s
- Install this product horizontally on a surface within 0 to 60 degrees tolerance.

- When installing, to ensure proper heat dispersal when using this unit, make sure you leave ample space behind the rear panel and wrap any loose cables so they are not blocking the

Before installing this product
- Remove the trim ring. Extend top and bottom of the trim ring outwards to remove the trim ring.

- Insert the supplied extraction keys into both sides of the unit until they click into place.
- Pull the unit out of the holder.

Installation with the holder
- Install the holder into the dashboard.

- Secure the mounting sleeve by using a screwdriver to bend the metal tabs (90°) into place.

- Install this product into the holder.

- Attach the trim ring.
Installation using the screw holes on the side of this product
- Fastening this product to the factory radio-mounting bracket. Position this product so that its screw holes are aligned with the screw holes of the bracket, and tighten the screws at three locations on each side.

- TIP
The amount of this unit’s protrusion from the dashboard/console can be adjusted by shifting the position of the screw hole of this unit to the factory radio-mounting bracket.
- Factory radio-mounting bracket
- If the pawl interferes with installation, you may bend it down out of the way.
- Dashboard or console
- Flush surface screw Be sure to use the screws supplied with this product.
Installing the microphone
- Install the microphone in a place where its direction and distance from the driver make it easiest to pick up the driver’s voice.
- Be sure to turn off (ACC OFF) the product before connecting the microphone.
- Depending on the vehicle model, the microphone cable length may be too short when you mount the microphone on the sun visor. In such cases, install the microphone on the steering column.
Mounting on the sun visor
- Fit the microphone lead into the groove.

Microphone lead
Groove - Attach the microphone clip to the sun visor.

- Microphone clip Clamps Use separately sold clamps to secure the lead where necessary inside the vehicle.
Install the microphone on the sun visor when it is in the up position. It cannot recognise the driver’s voice if the sun visor is in the down position.
Installation on the steering column
- Detach the microphone base from the microphone clip by sliding the microphone base while pressing the tab.

Tab
Microphone base - Mount the microphone on the steering column.

NOTE
Install the microphone on the steering column, keeping it away from the steering wheel.
Adjusting the microphone angle
The microphone angle can be adjusted.


































