
DMH-342EX, DMH-341EX, DMH-340EX
DMH-241EX, DMH-240EX, DMH-130BT
RDS AV RECEIVER
AVH-241EX
AVH-240EX
DVD RDS AV RECEIVER
Installation Manual
Important safety information
WARNING
Rear visibility systems (backup cameras) are required in certain new vehicles sold in the U.S. and Canada. U.S. regulations began according to a two-year phase-in on May 1, 2016, and both the U.S. and Canada require that all such vehicles manufactured on or after May 1, 2018 have rear visibility systems. Owners of vehicles equipped with compliant rear visibility systems should not install or use this product in a way that alters or disables that system’s compliance with applicable regulations. If you are unsure whether your vehicle has a rear visibility system subject to U.S. or Canadian regulations, please contact the vehicle manufacturer or dealer.
If your vehicle has a compliant backup camera that displays the backup view through the factory receiver, do not use the Pioneer receiver unless it is connected to and displays the same view as the factory backup camera. Connection to the factory backup camera will require an adaptor, sold separately. Not all vehicles may be able to connect. Please check with a qualified professional installer for installation options specific to your vehicle.
Connection
Precautions
Your new product and this
- Do not operate this product, any applications, or the rearview camera option (if purchased) if doing so will divert your attention in any way from the safe operation of your vehicle. Always observe safe driving rules and follow all manual existing traffic regulations. If you experience difficulty in operating this product, pull over, park your vehicle in a safe location and apply the parking brake before making the necessary adjustments.
- Do not install this product where it may
(i) obstruct the driver’s vision,
(ii) impair the performance of any of the vehicle’s operating systems of safety features, including airbags, hazard lamp buttons, or
(iii) impair the driver’s ability to safely operate the vehicle. In some cases, it may not be possible to install this product because of the vehicle type or the shape of the vehicle interior.
Important safeguards
WARNING
Pioneer does not recommend that you install this product yourself. This product is designed for professional installation only. We recommend that only authorized Pioneer service personnel, who have special training and experience in mobile electronics, set up and install this product. NEVER SERVICE THIS PRODUCT YOURSELF. Installing or servicing this product and its connecting cables may expose you to the risk of electric shock or other hazards and can cause damage to this product that is not covered by warranty.
Precautions before connecting the system
WARNING
Do not take any steps to tamper with or disable the parking brake interlock system which is in place for your protection. Tampering with or disabling the parking brake interlock system could result in serious injury or death.
CAUTION
- Secure all wiring with cable clamps or electrical tape. Do not allow any bare wiring to remain exposed.
- Do not directly connect the yellow lead of this product to the vehicle battery. If the lead is directly connected to the battery, engine vibration may eventually cause the insulation to fail at the point where the wire passes from the passenger compartment into the engine compartment. If the yellow lead’s insulation tears as a result of contact with metal parts, short-circuiting can occur, resulting in considerable danger.
- It is extremely dangerous to allow cables to become wound around the steering column or shift lever. Be sure to install this product, its cables, and wiring away in such so that they will not obstruct or hinder driving.
- Make sure that the cables and wires will not interfere with or become caught in any of the vehicle’s moving parts, especially the steering wheel, shift lever, parking brake, sliding seat tracks, doors, or any of the vehicle’s controls.
- Do not route wires where they will be exposed to high temperatures. If the insulation heats up, wires may become damaged, resulting in a short circuit or malfunction and permanent damage to the product.
- Do not shorten any leads. If you do, the protection circuit (fuse holder, fuse resistor or filter, etc.) may fail to work properly.
- Never feed power to other electronic products by cutting the insulation of the power supply lead of this product and tapping into the lead. The current capacity of the lead will be exceeded, causing overheating.
Before installing this product
- Use this unit with a 12-volt battery and negative grounding only. Failure to do so may result in a fire or malfunction.
- To avoid shorts in the electrical system, be sure to disconnect the (–) battery cable before installation.
To prevent damage
WARNING
- When speaker output is used by 4 channels, use speakers over 50 W (Maximum input power) and between 4 Ω to 8 Ω (impedance value). Do not use 1 Ω to 3 Ω speakers for this unit.
- The black cable is ground. When installing this unit or power amp (sold separately), make sure to connect the ground wire first. Ensure that the ground wire is properly connected to metal parts of the car’s body. The ground wire of the power amp and the one of this unit or any other device must be connected to the car separately with different screws. If the screw for the ground wire loosens or falls out, it could result in fire generation of smoke or malfunction.

*1 Non-supplied for this unit
- When replacing the fuse, be sure to only use a fuse of the rating prescribed on this product.
- This product cannot be installed in a vehicle without ACC (accessory) position on the ignition switch.

- To avoid short-circuiting, cover the disconnected lead with insulating tape. It is especially important to insulate all unused speaker leads, which if left uncovered may cause a short circuit.
- For connecting a power amp or other devices to this product, refer to the manual for the product to be connected.
- The graphical symbol
placed on the product means direct current.
Notice for the blue/ white lead
- When the ignition switch is turned on (ACC ON), a control signal is output through the blue/white lead. Connect to an external power amp’s system remote control terminal, the auto-antenna relay control terminal, or the antenna booster power control terminal (max. 300 mA 12 V DC). The control signal is output through the blue/white lead, even if the audio source is switched off.
This product

- Microphone 3 m (9 ft. 10-1/8 in.)
- This product
- Antenna jack
- Wired remote input (SWC)
Hard-wired remote control adapter can be connected (sold separately). - Pre-out supply (REAR VIEW CAMERA IN)
- Fuse (10 A)
- Power supply
Power cord

- To power supply
- Power cord
- Yellow
To terminal supplied with power regardless of ignition switch position. - Red
To electric terminal controlled by ignition switch (12 V DC) ON/OFF - Orange/white
To lighting switch terminal. - Black (ground)
To vehicle (metal) body. - Violet/white
Of the two lead wires connected to the back lamp, connect the one in which the voltage changes when the gear shift is in the REVERSE (R) position. This connection enables the unit to sense whether the car is moving forward or backward. - Yellow/black
If you use equipment with Mute function, wire this lead to the Audio
Mute lead on that equipment. If not, keep the Audio Mute lead free of any connections. - Blue/white
Connect to system control terminal of the power amp (max. 300 mA 12 V DC). - Light green
Used to detect the ON/OFF status of the parking brake. This lead must be connected to the power supply side of the parking brake switch.
If this connection is made incorrectly or omitted, certain functions of this product will be unusable. - Power supply side
- Parking brake switch
- Ground side
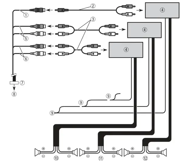
Speaker leads

| 8. White/black 9. Gray 10. Gray/black 11. Green 12. Green/black 13. Violet 14. Violet/black |
Power amp (sold separately)
Important
The speaker leads are not used when this connection is in use.
- Subwoofer output (SUBWOOFER OUT)
- RCA conversion cable (sold separately)
- RCA cable (sold separately)
- Power amp
- Front output (FRONT OUT)
- Rear output (REAR OUT)
- Pre-out cord
- To pre-out supply
- System remote control
Connect to Blue/white cable (max. 300 mA 12 V DC). - Rear speaker
- Front speaker
- Subwoofer
iPhone and smartphone
NOTES
- For details on how to connect an external device using a separately sold cable, refer to the manual for the cable.
- For details concerning the connection and operations of iPhone or smartphone, refer to the Operation Manual or the Owner’s Manual.
iPhone with Lightning connector
Connecting via the USB port
▶DMH-342EX/DMH-341EX/DMH340EX/DMH-130BT

▶DMH-241EX/DMH-240EX/AVH-241EX/AVH-240EX
- USB port
- USB cable 1.5 m (4 ft. 11 in.)
- USB interface cable for iPhone (sold separately)
- iPhone with Lightning connector
Smartphone (Android™ device)
Connecting via the USB port
▶DMH-342EX/DMH-341EX/DMH340EX/DMH-130BT
▶DMH-241EX/DMH-240EX/AVH241EX/AVH-240EX
- USB port
- USB cable 1.5 m (4 ft. 11 in.)
- USB – micro USB cable (Type USB A – micro USB B) (sold separately)
USB Type-C cable (Type USB A – USB C) (sold separately) - Smartphone
NOTES
- The length of Type USB A – micro USB B cable cannot exceed 2 m (6 ft. 6 in.) and Type USB A – USB C cannot exceed 4 m (13 ft. 1 in.) according to the USB cable standard. When using a cable other than the above conditions, the main unit function may not operate properly.
- Android is a trademark of Google LLC.
Camera
About rearview camera
When you use the rearview camera, the rearview image is automatically switched from the video by moving the shift lever to REVERSE (R). Camera View mode also allows you to check what is behind you while driving.
WARNING
USE INPUT ONLY FOR REVERSE OR MIRROR IMAGE REARVIEW CAMERA. OTHER USE MAY RESULT IN INJURY OR DAMAGE.
CAUTION
- The screen image may appear reversed.
- With the rearview camera, you can keep an eye on trailers, or back into a tight parking spot. Do not use it for entertainment purposes.
- Objects in rearview may appear closer or more distant than in reality.
- The image area of full-screen images displayed while backing or checking the rear of the vehicle may differ slightly.

- This product
- Pre-out supply
- Power supply
- To pre-out supply
- To power supply
- Power cord
- Brown (REAR VIEW CAMERA IN)
- Violet/white (REVERSE-GEAR SIGNAL INPUT)
Refer to Power cord on page 3. - RCA cable (sold separately)
- To video output
- Rearview camera (sold separately)
NOTES
- Connect only the rearview camera to REAR VIEW CAMERA IN. Do not connect any other equipment.
- When the camera image is not displayed on the screen, check the camera setting in the setting menu. For details, refer to the Operation Manual or the Owner’s Manual.
External video component and the display

- This product
- Pre-out supply
- AUX input
- Mini-jack AV cable (sold separately)
- To pre-out supply
- Pre-out cord
- Yellow
- Red, white
- Yellow (REAR MONITOR OUT)
- RCA cables (sold separately)
- To video output
- To audio outputs
- The external video component (sold separately)
- To video input
- Rear display with RCA input jack
WARNING
NEVER install the rear display in a location that enables the driver to watch the video source while driving. This product’s rear video output is for the connection of a display to enable passengers in the rear seats to watch the video source.
CAUTION
Be sure to use a mini-jack AV cable (sold separately) for wiring. If you use other cables, the wiring position might differ resulting in disturbing images and sounds.

L: Left audio (White)
R: Right audio (Red)
V: Video (Yellow)
G: Ground
Installation
Precautions before installation
CAUTION
- Never install this product in places where, or in a manner that: – Could injure the driver or passengers if the vehicle stops suddenly. – May interfere with the driver’s operation of the vehicle, such as on the floor in front of the driver’s seat, or close to the steering wheel or shift lever.
- To ensure proper installation, be sure to use the supplied parts in the manner specified. If any parts are not supplied with this product, use compatible parts in the manner specified after you have the part compatibility checked by your dealer. If parts other than supplied or compatible ones are used, they may damage internal parts of this product or they may work loose and the product may become detached.
- Do not install this product where it may (i) obstruct the driver’s vision, (ii) impair the performance of any of the vehicle’s operating systems or safety features, including airbags, hazard lamp buttons or (iii) impair the driver’s ability to safely operate the vehicle.
- Never install this product in front of or next to the place in the dashboard, door, or pillar from which one of your vehicle’s airbags would deploy. Please refer to your vehicle’s owner’s manual for reference to the deployment area of the frontal airbags.
Before installing
- Consult with your nearest dealer if installation requires drilling holes or other modifications of the vehicle.
- Before making a final installation of this product, temporarily connect the wiring to confirm that the connections are correct and the system works properly.
Installation notes
- Do not install this product in places subject to high temperatures or humidity, such as: – Places close to a heater, vent or air conditioner. – Places exposed to direct sunlight, such as on top of the dashboard. – Places that may be exposed to rain, such as close to the door or on the vehicle’s floor.
- Install this product horizontally on a surface within 0 to 30 degrees tolerance (AVH) or 0 to 60 degrees tolerance (DMH).
- When installing, to ensure proper heat dispersal when using this unit, make sure you leave ample space behind the rear panel and wrap any loose cables so they are not blocking the vents.

Before installing this product
▶AVH-241EX/AVH-240EX
Remove the transport screws from the top of the unit.
Important
Remove these two transport screws before installation. Otherwise, the disc player will not work.
- Transport screw
Installation using the screw holes on the side of this product
- Fastening this product to the factory radio-mounting bracket.
Position this product so that its screw holes are aligned with the screw holes of the bracket, and tighten the screws at three locations on each side.
Use either the truss head screws (5 mm× 9 mm) or flush surface screws (5 mm × 9 mm), depending on the shape of the bracket’s screw holes.

- Factory radio-mounting bracket
- If the pawl interferes with the installation, you may bend it down out of the way.
- Dashboard or console Truss head screw or flush surface screw
- Be sure to use the screws supplied with this product.
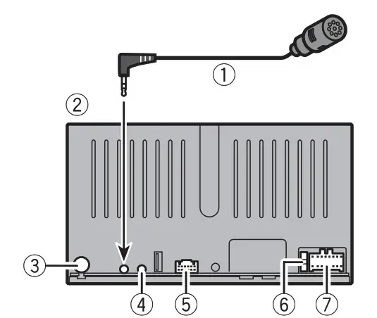
Installing the microphone
- Install the microphone in a place where its direction and distance from the driver make it easiest to pick up the driver’s voice.
- Be sure to turn off (ACC OFF) the product before connecting the microphone.
- Depending on the vehicle model, the microphone cable length may be too short when you mount the microphone on the sun visor. In such cases, install the microphone on the steering column.
Mounting on the sun visor
1. Fit the microphone lead into the groove.

- Microphone lead
- Groove
2. Attach the microphone clip to the sun visor.

- Microphone clip
- Clamps
Use separately sold clamps to secure the lead where necessary inside the vehicle.
Install the microphone on the sun visor when it is in the up position. It cannot recognize the driver’s voice if the sun visor is in the down position.
Installation on the steering column
1. Detach the microphone base from the microphone clip by sliding the microphone base while pressing the tab.

- Tab
- Microphone base
2. Mount the microphone on the steering column.

- Double-sided tape
- Clamps
Use separately sold clamps to secure the lead where necessary inside the vehicle.
NOTE
Install the microphone on the steering column, keeping it away from the steering wheel.
Adjusting the microphone angle
The microphone angle can be adjusted.

PIONEER CORPORATION
28-8, Honkomagome 2-chome, Bunkyo-ku, Tokyo 113-0021, Japan
PIONEER ELECTRONICS (USA) INC.
P.O. Box 1540, Long Beach, California 90801-1540, U.S.A. TEL: (800) 421-1404
PIONEER EUROPE NV
Haven 1087, Keetberglaan 1, B-9120 Melsele, Belgium/Belgique TEL: (0) 3/570.05.11
PIONEER ELECTRONICS ASIACENTRE PTE. LTD.
2 Jalan Kilang Barat, #07-01, Singapore 159346 TEL: 65-6378-7888
PIONEER ELECTRONICS AUSTRALIA PTY. LTD.
5 Arco Lane, Heatherton, Victoria, 3202 Australia TEL: (03) 9586-6300
PIONEER ELECTRONICS DE MEXICO S.A. DE C.V.
Blvd. Manuel Avila Camacho 138, 10 piso
Col.Lomas de Chapultepec, Mexico, D.F. 11000
Tel: 52-55-9178-4270, Fax: 52-55-5202-3714
Important (Serial number)
The serial number is located on the bottom of this unit. For your own security and convenience, be sure to record this number on the enclosed warranty card.
Thank you for buying this Pioneer product.
Please read through these instructions so you will know how to operate your model properly. After you have finished reading the instructions, keep this document in a safe place for future reference.
Important
The screen shown in the examples may differ from actual screens, which may be changed without notice for performance and function improvements.
Precaution
Important safety information
WARNING
- Do not attempt to install or service this product by yourself. Installation or servicing of this product by persons without training and experience in electronic equipment and automotive accessories may be dangerous and could expose you to the risk of electric shock, injury or other hazards.
- Do not allow this product to come into contact with liquids. Electrical shock could result. Also, damage to the product, smoke, and overheating could result from contact with liquids.
- If liquid or foreign matter should get inside this product, park your vehicle in a safe place, turn the ignition switch off (ACC OFF) immediately and consult your dealer or the nearest authorized Pioneer Service Station. Do not use this product in this condition because doing so may result in a fire, electric shock, or another failure.
- If you notice smoke, a strange noise or odor from this product, or any other abnormal signs on the LCD screen, turn off the power immediately and consult your dealer or the nearest authorized Pioneer Service Station. Using this product in this condition may result in permanent damage to the system.
- Do not disassemble or modify this product, as there are high-voltage components inside which may cause an electric shock. Be sure to consult your dealer or the nearest authorized Pioneer Service Station for internal inspection, adjustments or repairs.
- Do not ingest the battery, Chemical Burn Hazard. (The remote control supplied or sold separately with) This product contains a coin/button cell battery. If the coin/button cell battery is swallowed, it can cause severe internal burns in just 2 hours and can lead to death. Keep new and used batteries away from children. If the battery compartment does not close securely, stop using the product and keep it away from children. If you think batteries might have been swallowed or placed inside any part of the body, seek immediate medical attention. Before using this product, be sure to read and fully understand the following safety information:
- Do not operate this product, any applications, or the rearview camera option (if purchased) if doing so will divert your attention in any way from the safe operation of your vehicle. Always observe safe driving rules and follow all existing traffic regulations. If you experience difficulty in operating this product, pull over, park your vehicle in a safe location and apply the parking brake before making the necessary adjustments.
- Never set the volume of this product so high that you cannot hear outside traffic and emergency vehicles.
- To promote safety, certain functions are disabled unless the vehicle is stopped and the parking brake is applied.
- Keep this manual handy as a reference for operating procedures and safety information.
- Do not install this product where it may (i) obstruct the driver’s vision, (ii) impair the performance of any of the vehicle’s operating systems or safety features, including air bags or hazard lamp buttons or (iii) impair the driver’s ability to safely operate the vehicle.
- Please remember to fasten your seat belt at all times while operating your vehicle. If you are ever in an accident, your injuries can be considerably more severe if your seat belt is not properly buckled.
- Never use headphones while driving.
- Rear visibility systems (backup cameras) are required in certain new vehicles sold in the U.S. and Canada. U.S. regulations began according to a two-year phase-in on May 1, 2016, and both the U.S. and Canada require that all such vehicles manufactured on or after May 1, 2018, have rear visibility systems. Owners of vehicles equipped with compliant rear visibility systems should not install or use this product in a way that alters or disables that system’s compliance with applicable regulations. If you are unsure whether your vehicle has a rear visibility system subject to U.S. or Canadian regulations, please contact the vehicle manufacturer or dealer.
If your vehicle has a compliant backup camera that displays the backup view through the factory receiver, do not use the Pioneer receiver unless it is connected to and displays the same view as the factory backup camera. Connection to the factory backup camera will require an adaptor, sold separately. Not all vehicles may be able to connect. Please check with a qualified professional installer for installation options specific to your vehicle.
Parking brake interlock
Certain functions (such as viewing of video image and certain touch panel key operations) offered by this product could be dangerous (possibly resulting in serious injury or death) and/or unlawful if used while driving. To prevent such functions from being used while the vehicle is in motion, there is an interlock system that senses when the parking brake is set and when the vehicle is moving. If you attempt to use the functions described above while driving, they will become disabled until you stop the vehicle in a safe place, and (1) apply the parking brake, (2) release the parking brake, and then (3) apply the parking brake again. Please keep the brake pedal pushed down before releasing the parking brake.
To ensure safe driving
WARNING
- LIGHT GREEN LEAD AT POWER CONNECTOR IS DESIGNED TO DETECT PARKED STATUS AND MUST BE CONNECTED TO THE POWER SUPPLY SIDE OF THE PARKING BRAKE SWITCH. IMPROPER CONNECTION OR USE OF THIS LEAD MAY VIOLATE APPLICABLE LAW AND MAY RESULT IN SERIOUS INJURY OR DAMAGE.
- Do not take any steps to tamper with or disable the parking brake interlock system which is in place for your protection. Tampering with or disabling the parking brake interlock system could result in serious injury or death.
- To avoid the risk of damage and injury and the potential violation of applicable laws, this product is not for use with a video image that is visible to the driver.
- In some countries, the viewing of video images on a display inside a vehicle even by persons other than the driver may be illegal. Where such regulations apply, they must be obeyed. If you attempt to watch video images while driving, the warning “Viewing of front seat video source while driving is strictly prohibited.” will appear on the screen. To watch the video image on this display, stop the vehicle in a safe place and apply the parking brake. Please keep the brake pedal pushed down before releasing the parking brake.
When using a display connected to the video output terminal
The video output terminal is for the connection of a display to enable passengers in the rear seats to watch video images.
WARNING
NEVER install the rear display in a location that enables the driver to watch video images while driving.
To avoid battery exhaustion
Be sure to run the vehicle engine while using this product. Using this product without running the engine can drain the battery.
WARNING
Do not install this product in a vehicle that does not have an ACC wire or circuitry available.
Rearview camera
With an optional rearview camera, you are able to use this product as an aid to keep an eye on trailers, or backing into a tight parking spot.
WARNING
- SCREEN IMAGE MAY APPEAR REVERSED.
- USE INPUT ONLY FOR REVERSE OR MIRROR IMAGE REARVIEW CAMERA. OTHER USE MAY RESULT IN INJURY OR DAMAGE.
CAUTION
The rearview mode is to use this product as an aid to keep an eye on the trailers, or while backing up.
Do not use this function for entertainment purposes.
Handling the USB connector
CAUTION
- To prevent data loss and damage to the storage device, never remove it from this product while data is being transferred.
- Pioneer cannot guarantee compatibility with all USB mass storage devices and assumes no responsibility for any loss of data on media players, iPhones, smartphones, or other devices while using this product.
- It may not be recognized properly by this product if a USB device that had been incorrectly disconnected from the computer is connected.
Failure to operate
After-sales service for Pioneer products
Please contact the dealer or distributor from which you purchased the product for after-sales service (including warranty conditions) or any other information. In case the necessary information is not available, please contact the companies listed below.
Please do not ship your product to the companies at the addresses listed below for repair without making advance contact.
–USA&CANADA
Pioneer Electronics (USA) Inc.
CUSTOMER SUPPORT DIVISION
P.O. Box 1760 Long Beach, CA 90801-1760
800-421-1404
For warranty information, please see the Limited Warranty sheet included with your product.
Visit our website
Visit us at the following site:
https://www.pioneerelectronics.com/PUSA/
https://www.pioneerelectronics.ca/POCEN/
- Register your product.
- Receive updates on the latest products and technologies.
- Download owner’s manuals, order product catalogs, research new products, and much more.
- Receive notices of software upgrades and software updates.
Protecting the LCD panel and screen
- Do not expose the LCD screen to direct sunlight when this product is not used. This may result in LCD screen malfunction due to the resulting high temperatures.
- When using a cellular phone, keep the antenna of the cellular phone away from the LCD screen to prevent disruption of the video in the form of spots, colored stripes, etc.
- To protect the LCD screen from damage, be sure to touch the touch panel keys only with your finger and do so gently.
Notes on the internal memory
- The information will be erased by disconnecting the yellow lead from the battery (or removing the battery itself ).
- Some of the settings and recorded contents will not be reset.
About this manual
- This manual uses diagrams of actual screens to describe operations. However, the screens on some units may not match those shown in this manual depending on the model used.
- When an iPhone is connected to the unit, the source name on the unit appears as [iPod]. Please note that this unit only supports iPhone regardless of the source name.
For details of iPhone compatibility, refer to Compatible iPhone models (page 49).
Meanings of symbols used in this manual
| 000EX | This indicates model names that are supported by the described operations. |
| 000EX | This indicates to touch the appropriate soft key on the touch screen. |
| 000EX | This indicates to touch and hold the appropriate soft key on the touch screen. |
Parts and controls
Main unit


| 1 | Press to turn off the display information. To turn on the display information, press again. Press and hold to power off. To power back on, press again.TIP If you power the unit off, you can turn off almost all functions. The unit turns on by operating the following functions: • A rearview camera image is input when the vehicle is in reverse. • The ignition switch is turned off (ACC OFF), then turned on (ACC ON). NOTE If you display the image from the back camera while the power is off, the image may be displayed on the rear monitor instead. | ||
| 2 | Press to display the top menu screen. Press and hold to mute or unmute. | ||
| 3 | VOL (+/-) | ||
| 4 | RESET | Press to reset the microprocessor (page 11). | |
| 5 | LCD screen | ||
| 6 | USB port | ||
| 7 | Press to eject a disc.* | ||
| 8 | Disc loading slot* | ||
Remote control

| 1 | ‘Volume (+/-) | |
| 2 | BAND/ESC | Press to select the tuner band when tuner is selected as a source. |
| 3 | Press to select the previous or next track/file. Press and hold to perform fast reverse or fast forward. Press to perform seek tuning (Radio). | |
| Press to select the next or previous folder. Press to select a preset channel (Radio). | ||
| 4 | Press to answer a call. | |
| 5 | SRC | Press to switch the sources. |
| 6 | Press to pause or resume playback. | |
| 7 | MUTE | |
| 8 | Press to end a call. | |
| 9 | DISP | Press to switch the display on/off. |
340EX, 240EX
The remote control is sold separately.
Basic operation
Resetting the microprocessor
CAUTION
- Pressing the RESET button resets settings and recorded contents to the factory settings.
– Do not perform this operation when a device is connected to this product.
– Some of the settings and recorded contents will not be reset. - The microprocessor must be reset under the following conditions:
– Prior to using this product for the first time after installation.
– If this product fails to operate properly.
– If there appear to be problems with the operation of the system.
- Turn the ignition switch OFF.
- Press RESET with a pen tip or other pointed tools.
Settings and recorded contents are reset to the factory settings.
Preparing the remote control
342EX, 341EX , 241EX
Remove the insulation sheet before use.

Insert the CR2025 (3 V) battery with the plus (+) and minus (-) poles orientated properly.
WARNING
Batteries (battery pack or batteries installed) must not be exposed to excessive heat such as sunshine, fire or the like.
CAUTION
- Remove the battery if the remote control is not used for a month or longer.
- There is a danger of explosion if the battery is incorrectly replaced. Replace only with the same or equivalent type.
- Do not expose a battery to high or low extreme temperatures during use, storage or transportation
- Do not dispose of a battery into fire or a hot oven, or crush mechanically or cut a battery, which can result in an explosion.
- Do not handle the battery with metallic tools.
- Do not store the battery with metallic objects.
- If the battery leaks, wipe the remote control completely clean and install a new battery.
- When disposing of used batteries, please comply with governmental regulations or environmental public institutions’ rules that apply in your country/area.
- “Perchlorate Material – special handling may apply. See www.dtsc.ca.gov/hazardouswaste/ perchlorate. (Applicable to California, U.S.A.)”
Using the remote control
Point the remote control in the direction of the front panel to operate.
NOTE
The remote control may not function properly in direct sunlight.
Important
- Do not store the remote control in high temperatures or direct sunlight.
- Do not let the remote control fall onto the floor, where it may become jammed under the brake or gas pedal.
Using the touch panel
You can operate this product by touching the keys on the screen directly with your fingers.
NOTE
To protect the LCD screen from damage, be sure to touch the screen only with your finger gently.
Common touch panel keys
: Returns to the previous screen.
: Close the screen.
Operating list screens

- Touching an item on the list allows you to narrow down the options and proceed to the next operation.
- Touch to view any hidden items.

- You can change the playback point by touching in the bar.
Top menu screen

- Source icons
TIP
You can display the hidden source icon(s) by swiping left or right on the screen. (some models)
Settings (page 35)
Bluetooth®
Bluetooth connection
- Turn on the Bluetooth function on the device.
- Press
. - Touch [Phone] or [Bluetooth Audio].
The unit name is shown in the display. - Select the unit name shown in the mobile device display.
- Perform the pairing operation by the mobile device and this unit.
After the device is successfully registered, a Bluetooth connection is established by the system.
TIP
To disconnect the connection, touch the connected device name on the top of the phone number input screen (page 16).
NOTE
You need to disconnect the Bluetooth connection with a connected mobile device to connect to another mobile device.
Hands-free phoning
To use this function you need to connect your cellular phone to this product via Bluetooth in advance (page 15).
CAUTION
For your safety, avoid talking on the phone as much as possible while driving.
Making a phone call
- Press
. - Touch [Phone].
The phone menu screen appears. - Touch one of the call icons on the phone menu screen.
Synchronizes the contacts and call history on your phone manually.
Using phone book
Select a contact from the phone book. Touch the contact on the list.
TIP
You can use initial search by touching the character at the right side of the phone book screen.
Using call history
Make a phone call by touching one of the icon from the received call
, dialed call
, or missed call
.
Direct phone number input
Touch the number keys to enter the phone number then touch
to make a call.
TIP
You can redial to the last dialed number by touching
it without entering the number.
▶To end the call
- Touch
.
Receiving a phone call
- Touch to
answer the call.
Touch
to end the call.
Voice recognition function (for iPhone)
By connecting your iPhone to this product, you can use the voice recognition function on this product.
Switching the audio output
You can switch the audio output between this unit and the connected mobile device.
- Touch
when calling.
The audio output switches each time by touching the icon.
TIP
Touch
to mute or unmute the connected microphone.
Notes for hands-free phoning
▶General notes
- Connection to all cellular phones featuring Bluetooth wireless technology is not guaranteed.
- The line-of-sight distance between this product and your cellular phone must be 10 meters or less when sending and receiving voice and data via Bluetooth technology.
- With some cellular phones, the ring sound may not be output from the speakers.
- If private mode is selected on the cellular phone, hands-free phoning may be disabled
▶Registration and connection
- Cellular phone operations vary depending on the type of cellular phone. Refer to the instruction manual that came with your cellular phone for detailed instructions.
- When phone book transfer does not work, disconnect your phone and then perform pairing again from your phone to this product.
▶Making and receiving calls
- You may hear a noise in the following situations:
– When you answer the phone using the button on the phone.
– When the person on the other end of the line hangs up the phone. - If the person on the other end of the line cannot hear the conversation due to an echodecrease the volume level for hands-free phoning.
- With some cellular phones, even after you press the accept button on the cellular phone when a call comes in, hands-free phoning may not be performed.
- The registered name in the phone book is displayed if the phonebook is transferred tothis unit.
▶The received call and dialed number histories
- You cannot make a call to the entry of an unknown user (no phone number) in the received call history.
▶Phone book transfers
- If there are more than 1 000 phone book entries on your cellular phone, not all entries may download completely.
- Depending on the phone, this product may not display the phone book correctly.
- If the phone book in the phone contains image data, the phone book may not be transferred correctly.
- Depending on the cellular phone, phone book transfer may not be available.
Bluetooth audio
Before using the Bluetooth audio player, register and connect the device to this product (page 15).
NOTES
- Depending on the Bluetooth audio player connected to this product, the available operations with this product may be limited to the following two levels:
– A2DP (Advanced Audio Distribution Profile): Only playing back songs on your audio player is possible.
– A2DP and AVRCP (Audio/Video Remote Control Profile): Playing back, pausing, selecting songs, etc., are possible. - Depending on the Bluetooth device connected to this product, the available operations with this product may be limited or differ from the descriptions in this manual.
- While you are listening to songs on your Bluetooth device, refrain from operating the phone function as much as possible. If you try operating, the signal may cause noise for song playback.
- When you are talking on the Bluetooth device connected to this product via Bluetooth, it may pause playback.
- Press
. - Touch [Bluetooth Audio].
The Bluetooth audio playback screen appears.
Basic operation
| Switches between playback and pause. | |
| Sets a repeat play range. | |
| Plays files in random order. |
AV source
Supported AV source
You can play or use the following sources with this product.
- Radio
- CD*
- ROM (compressed audio or video files on discs)*
- DVD-Video*
- USB
The following sources can be played back or used by connecting an auxiliary device.
- iPhone
- Bluetooth audio
- AUX
* AVH-241EX, AVH-240EX
Selecting a source
- Press
. - Touch the source icon.
TIP
You can display the hidden source icon(s) by swiping left or right on the screen. (some models)
Radio
Starting procedure
- Press
. - Touch [Radio].
The Radio screen appears.
Basic operation

NOTE
Some functions are available only when you receive the FM band.
Disc
AVH- 241EX, 240EX
Inserting and ejecting a disc
You can play a normal music CD, Video-CD, or DVD-Video using the built-in drive of this product.
CAUTION
Do not insert anything other than a disc into the disc loading slot.
Inserting a disc
- Insert a disc into the disc loading slot.
The source changes and then playback will start.
NOTE
If the disc is already set, select [Disc] as the playing source.
Ejecting a disc
- Press
.
Basic operation
Audio source


Video source
CAUTION
For safety reasons, video images cannot be viewed while your vehicle is in motion. To view video images, stop in a safe place and apply the parking brake.


Compressed files
Inserting and ejecting media
You can play compressed audio, compressed video, or still image files stored in a disc or an external storage device.
CAUTION
Do not insert anything other than a disc into the disc loading slot.
Inserting a disc
▶AVH-241EX/AVH-240EX
- Insert a disc into the disc loading slot.
The source changes and then playback will start.
NOTE
If the disc is already set, select [Disc] as the playing source.
Ejecting a disc
▶AVH-241EX/AVH-240EX
- Press
.
Plugging a USB storage device
▶DMH-342EX/DMH-341EX/DMH-340EX
- Pull out the plug from the USB port of the USB cable.
- Plug a USB storage device into the USB cable.
▶DMH-241EX/DMH-240EX/AVH-241EX/AVH-240EX
- Open the USB port cover.
- Plugin the USB storage device using an appropriate cable.
CAUTION
Use a USB cable (sold separately) to connect the USB device as any device connected directly to the unit will protrude out from the unit, which could be dangerous.
NOTES
- This product may not achieve optimum performance with some USB storage devices.
- Connection via a USB hub is not possible.
- A USB cable is required for connection.*
* DMH-342EX, DMH-341EX, DMH-340EX
Unplugging a USB storage device
- Pull out the USB storage device from the USB cable.
NOTES
- Check that no data is being accessed before pulling out the USB storage device.
- Turn off (ACC OFF) the ignition switch before unplugging the USB storage device.
Starting procedure
For Disc
▶AVH-241EX/AVH-240EX
- Insert the disc.
TIP
If the disc is already set, select [Disc] as the playing source.
For USB
- Plug the USB storage device into the USB cable.
TIP
You can also start this source by pressing then touching [USB].
Basic operation
Audio source
![]()

Video source
CAUTION
For safety reasons, video images cannot be viewed while your vehicle is in motion. To view video images, stop in a safe place and apply the parking brake.


Still image source


iPhone
NOTE
iPhone may be referred to as iPod in this manual.
Starting procedure
When connecting an iPhone to this product, the settings are automatically configured according to the device to be connected. For details of the compatibility, refer to Compatible iPhone models (page 49).
NOTE
[iPhone USB Settings] is set to [iPod] (page 35).
- Connect your iPhone via USB.
Playback is automatically performed.
TIP
You can also start this source by pressing
then touching [iPod].
NOTE
For USB connection, refer to the Installation Manual.
Basic operation

Selects a song from the list.
Touch the category then the title of the list to playback of the selected list.
TIP
You can switch the song list by selecting the character in the initial bar while the initial bar is displayed.
NOTE
Only 1 300 songs in the iPhone are available in the list if the iPhone has more tha1 300 songs. The number of songs available may be less than 1 300, due to the additional information included in the songs. Available songs depend on the iPhone.
NOTE
Depending on the generation or version of the iPhone, some functions may not be available.
WebLink™
You can operate WebLink compatible applications with finger gestures such as tappingdragging, scrolling, or clicking on the screen of this product.
NOTES
- The supported finger gestures may vary depending on the WebLink compatible application.
- To use WebLink, you must first install the WebLink Host app on the iPhone or smartphone. For details about the WebLink Host app, visit the following site: https://www.abaltatech.com/weblink/
- Be sure to read Using app-based connected content (page 49) before you perform this operation.
- Copyright-protected files such as DRM cannot be played.
WARNING
Certain uses of the iPhone or smartphone may not be legal while driving in your jurisdiction, so you must be aware of and obey any such restrictions. If in doubt as to a particular function, only perform it while the car is parked. No feature should be used unless it is safe to do so under the driving conditions you are experiencing.
Using WebLink
Important
- Pioneer is not responsible for content or functions accessed via WebLink, which are the responsibility of the application and content providers.
- Availability of non-Pioneer content and services, including apps and connectivity, may change or discontinue without notice.
- When using WebLink with the Pioneer product, available content and functions will be limited while driving.
- WebLink allows access to applications other than those listed, subject to limitations while driving.
Starting procedure
For iPhone users
System requirement
iOS 13.4 or higher
NOTE
[iPhone USB Settings] is set to [WebLink] (page 35).
- Unlock your iPhone and connect it to this product via USB.
WebLink is automatically launched.
TIP
You can also start this source by pressing
then touching [WebLink].
NOTE
For USB connection, refer to the Installation Manual.
For smartphone (Android™) users
System requirement
Android 7.0 or higher
NOTE
The video playback capability depends on the connected Android device.
- Unlock your smartphone and connect it to this product via USB.
WebLink is automatically launched.
TIP
You can also start this source by pressing then touching [WebLink].
NOTES
- For USB connection, refer to the Installation Manual.
- Make sure that file transfer mode for USB connection is enabled on your smartphone if WebLink does not start automatically.
Basic operation
Touch the desired application icon after the WebLink app is launched. The desired application is launched, and the application operation screen appears.
Displays the main menu of the WebLink source screen.
TIPS
- If you connect your device to this product while a WebLink compatible application is already running, the application operation screen will appear on this product.
- Check the Bluetooth connection between the mobile device and this unit if there is no sound output from this unit (page 15).
AUX
You can display the video image output by the device connected to AUX input.
CAUTION
For safety reasons, video images cannot be viewed while your vehicle is in motion. To view video images, stop in a safe place and apply the parking brake.
NOTE
A Mini-jack AV cable (sold separately) is required for connection. For details, refer to the Installation Manual.
Starting procedure
- Press
. - Touch [AUX].
The AUX screen appears.
Camera View
You can display the video image output by the device connected to the camera input. For details, refer to the Installation Manual.
CAUTION
Rear camera function is only as an assistant tool for driving. It cannot replace the drivers’ attention and judgment.
▶Rear view camera
This product features a function that automatically switches to the full-screen image of the rearview camera installed on your vehicle when the shift lever is in the REVERSE (R) position.
▶Camera for Camera View mode
Camera View can be displayed at all times. Note that with this setting, the camera image is not resized to fit, and that a portion of what is seen by the camera is not viewable.
CAUTION
Pioneer recommends the use of a camera that outputs mirror-reversed images, otherwise, the screen image may appear reversed.
- Immediately verify whether the display changes to the rearview camera image when the shift lever is moved to REVERSE (R) from another position.
Starting procedure
- Press
.
AVH-241EX, AVH-240EX
Press
then swipe left on the screen. - Touch [Camera View] for connected camera view.
The video image is displayed on the screen.
Settings
You can adjust various settings in the main menu.
Displaying the setting screen
- Press
. - Touch
. - Touch one of the following categories then selects the options.
System Settings (page 35)
Theme Settings (page 38)
Audio Settings (page 38)
NOTE
Some settings are available only when you stop your vehicle in a safe place and apply the parking brake.
System Settings
| Menu Item | Description |
| [System Language] | Select the system language. NOTES • If the embedded language and the selected language setting are not the same, the text information may not display properly. • Some characters may not be displayed properly. |
| [iPhone USB Settings] [iPod], [WebLink] | Select the desired function to use when the iPhone is connected via USB. |
| [Date & Time] | Set the date and time by touching TIPS • You can change the time display format to [AM], [PM] or [24H]. • You can change the order of the month/date display format. |
| [Back Camera Input] | Select to enable or disable camera view or rearview camera function. |
| [Dimmer Trigger] [Auto] [Day] [Night] | Select the screen brightness automatically according to the vehicle’s lighting switch or select the brightness manually by [Day] or [Night]. |
| [Dimmer Value] | Adjust the display brightness in the daytime or nighttime. |
| [Picture Adjustment] [Brightness] [Contrast] [Color] [Hue] [Sharpness] | Adjust the image quality while playing Video-CD *1, DVDVideo *1, disc *1 /USB video. TIP Adjust the image quality of the camera image by touching anywhere on the screens while in Camera View mode. |
| [Restore Settings] | Touch [OK] to restore the settings to the default settings. Do not turn off the engine while restoring the settings. NOTES • The source is turned off and the Bluetooth connection is disconnected before the process starts. • Before starting the restore process, disconnect any device that is connected to the USB port. Otherwise, some settings may not be restored correctly. |
| [System Information] | Displaying the firmware version. |
| [License] | Displaying the open source license. |
| [Touch panel calibration]*2 | Adjust the response positions of the touch panel screen if the touch panel keys on the screen deviate from the actual positions. 1. Touch four corners of the [+] mark displayed on the screen. 2. Touch the center of the [+] mark displayed on the screen. 3. Touch [OK]. The adjustment results are saved. NOTES • Do not use sharp pointed tools such as ballpoint or mechanical pens. They may damage the screen. • Do not turn off the engine while saving the adjusted position data. |
| [TV Aspect]*1 | Set the aspect ratio suitable for your rear display 16:9 (widescreen display) or 4:3 (regular display). (We recommend use of this function only when you want to fit the aspect ratio to the rear display.) NOTES • When using a regular display, select either [Letter Box] or [Pan Scan]. Selecting [16:9] may result in an unnatural image. • If you select the TV aspect ratio, this product’s display will change to the same setting. • When playing discs that do not have a pan scan system, the disc is played back with [Letter Box] even if you select the [Pan Scan setting. Confirm whether the disc package bears the details, refer to the disc’s instructions. |
| [16:9] | Displays the widescreen image (16:9) as it is. |
| [Letter Box] | Makes the image in the shape of a letterbox with black bands on the top and bottom of the screen. |
| [Pan Scan] | Cuts the image short on the right and left sides of the screen. |
| [Parental]*1 | Set restrictions so that children cannot watch violent or adult-oriented scenes. The first time you select [Parental], set a password. Next, enter the password you set and set the parental lock level. The lower the level is set, the tighter the restriction is applied. • We recommend keeping a record of the password in case you forget it. • The parental lock level is recorded on the disc. You can confirm it by looking at the disc package, the included booklet, or the disc itself. You cannot use the parental lock with discs that do not feature a recorded parental lock level. • With some discs, parental lock operates to skip certain scenes only, after which normal playback resumes. For details, refer to the disc’s instructions. |
*1 AVH-241EX, AVH-240EX
*2 DMH-241EX, DMH-240EX, AVH-241EX, AVH-240EX
Theme Settings
NOTE
This setting is not available when the video/image file is in playback.
| Menu Item | Description |
| [Background] | Select the wallpaper from the preset items in this product. |
| [Illumination]* | Select an illumination color from the preset list. |
* DMH-342EX, DMH-341EX, DMH-340EX
Audio Settings
| Menu Item | Description |
| [EQ] [Flat] [Super Bass] [Powerful] [Natural] [Vocal] [Custom] | Select or customize the equalizer curve. |
| [Fader/Balance] | Touch Set front/rear speaker balance to 0 when using a dual speaker system. Touch TIP You can also set the value by touching the desired place on the displayed table. |
| [Volume] | Adjust the volume level by touching [+]/[-]. |
| [Main Volume] | Other than Bluetooth audio |
| [Talking Volume] | Hands-free phone |
| [TA Volume] | Traffic announces |
| [Bluetooth Audio Volume] | Bluetooth audio |
| [Loudness] [Off] [Low] [Mid] [High] | Compensates for deficiencies in the low-frequency and high-frequency ranges at low volume. |
| [Bass Boost] | Adjust the bass boost level. |
| [Cutoff] [Front HPF] [Rear HPF] [Subwoofer LPF] | Adjust each speaker cutoff frequency value. |
| [Beep Tone] | Select off to disable the beep sound when the button is pressed or the screen is touched. |
Other functions
Setting the time and date
You can adjust the date and time from [Date & Time] in the [System Settings] menu (page 35).
Restoring this product to the default settings
You can restore settings or recorded content to the default settings from [Restore
Settings] in the [System Settings] menu (page 36).
Firmware update
When the latest software is released on our website, you can update the software of this unit (page 6).
CAUTION
- The USB storage device for updating must contain only the correct update file.
- Never turn this product off, disconnect the USB storage device while the firmware is being updated.
- You can only update the firmware when the vehicle is stopped and the parking brake is engaged.
- Download the firmware update files into your computer.
- Connect a blank (formatted) USB storage device to your computer then locate the correct update file and copy it onto the USB storage device.
- Connect the USB storage device to this product (page 24).
- Follow the on-screen instructions to finish updating the firmware.
NOTES
- This product will reset automatically after the firmware update is completed if the update is successful.
- If an error message appears on the screen, perform the above steps again.
Appendix
Troubleshooting
If you have problems operating this product, refer to this section. The most common problems are listed below, along with likely causes and solutions. If a solution to your problem cannot be found here, contact your dealer or the nearest authorized Pioneer service facility.
Common problems
A black screen is displayed, and operation is not possible using the touch panel keys.
→ The power off mode is on.
– Press
to release the mode.
Problems with the AV screen
The screen is covered by a caution message and the video cannot be shown.
→ The parking brake lead is not connected or the parking brake is not applied.
– Connect the parking brake lead correctly, and apply the parking brake.
→ The parking brake interlock is activated.
– Park your vehicle in a safe place and apply the parking brake.
The audio or video skips.
→ This product is not firmly secured.
– Secure this product firmly.
No sounds are produced. The volume level will not rise.
→ The cables are not connected correctly.
– Connect the cables correctly.
iPhone cannot be operated.
→ The iPhone is frozen.
– Reconnect the iPhone with the USB interface cable for iPhone.
– Update the iPhone software version.
→ An error has occurred.
– Reconnect the iPhone with the USB interface cable for iPhone.
– Park your vehicle in a safe place, and then turn off the ignition switch (ACC OFF). Subsequently, turn the ignition switch to on (ACC ON) again.
– Update the iPhone software version.
→ The cables are not connected correctly.
– Connect the cables correctly.
Sound from the iPhone cannot be heard.
→ The audio output direction may switch automatically when the Bluetooth and USB connections are used at the same time.
– Use the iPhone to change the audio output direction.
No back camera image when the vehicle is in reverse.
→ The back camera-input setting on the receiver is set to Off.
– Change the back camera setting to On in the settings menu. (Refer to the System Settings section of this manual to adjust.)
→ The camera input may be loose or not connected.
– Check the connection and make sure the male end of the camera is connected to the brown input on the back of the receiver. (Refer to the installation manual.)
→ The reverse lead on the receiver may not be connected to the proper wire at the reverse lamp.
– Check the connection and make sure that the violet/white lead of the receiver is connected to the lead whose voltage changes when the shift lever is put in reverse. (Refer to the installation manual.)
Black screen is displayed when the vehicle is in reverse, with no camera installed.
→ Back camera input is set to On.
– Turn the setting to Off in the settings menu. (Refer to the System Settings section of this manual to adjust.)
Problems with the phone screen
Dialing is impossible because the touch panel keys for dialing are inactive.
→ Your phone is out of range for service.
– Retry after re-entering the range for service.
Problems with Application screen
The screen is displayed, but the operation does not work at all.
→ An error has occurred.
– Park your vehicle in a safe place, and then turn off the ignition switch (ACC OFF). Subsequently, turn the ignition switch to on (ACC ON) again.
The smartphone was not charged.
→ Charging stopped because the temperature of the smartphone rose due to prolonged use of the smartphone during charging.
– Disconnect the smartphone from the cable, and wait until the smartphone cools down.
→ More battery power was consumed than was gained from charging.
– This problem may be resolved by stopping any unnecessary services on the smartphone.
Error messages
When problems occur with this product, an error message appears on the display. Refer to the table below to identify the problem, then take the suggested corrective action. If the error persists, record the error message and contact your dealer or your nearest Pioneer service center.
Common
AMP Error
→ This product fails to operate or the speaker connection is incorrect; the protective circuit is activated.
– Check the speaker connection. If the message fails to disappear even after the engine is switched off/on, contact your dealer or an authorized Pioneer Service Station for assistance.
Disc
Load Failed
→ The disc is dirty.
–Clean the disc.
→ The disc is scratched.
–Replace the disc.
→ The disc is loaded upside down.
– Check that the disc is loaded correctly.
→ The disc format cannot be played back.
–Replace the disc.
→ The loaded disc is a type this product cannot play.
– Check what type of disc it is.
File Error
→ This type of file is not supported on this product.
– Select a file that can be played.
No Media Files
→ There is no playable file on the disc.
– Check that the files in the disc is compatible with this product.
Unplayable File
→ This type of file is not supported on the product.
– Select a file that can be played.
Audio Code Not Supported
→ This type of file is not supported on product.
– Select a file that can be played.
USB storage device
HUB Error
→ The connected USB hub is not supported by this product.
– Directly connect the USB storage device to this product.
No Response
→ This product cannot recognize the connected USB storage device.
– Disconnect the device and replace it with another USB storage device.
Load Failed
→ Failed to load the USB storage device.
– Reconnect the USB storage device.
→ Security for the connected USB storage device is enabled.
– Follow the USB storage device instructions to disable security.
→ This product cannot recognize the connected USB storage device.
– Disconnect the device and replace it with another USB storage device.
Device Not Supported
→ The connected USB storage device is not supported by this product.
– Disconnect your device and replace it with a compatible USB storage device.
File Error
→ This type of file is not supported on this product.
– Select a file that can be played.
No Media Files
→ There is no playable file in the USB storage device.
– Check that the files in the USB storage device are compatible with this product.
Unplayable File
→ This type of file is not supported on this product.
– Select a file that can be played.
Audio Code Not Supported
→ This type of file is not supported on this product.
– Select a file that can be played.
iPhone
Load Failed
→ Failed to load the iPhone.
– Disconnect the connected iPhone and check the iPhone is working properly.
Device Not Supported
→ The connected iPhone is not supported by this product.
– Disconnect your device and replace it with a compatible iPhone.
No Media Files
→ There is no playable file in the iPhone.
– Check that the files in the iPhone are compatible with this product.
No Music Files
→ There is no playable file in the selected folder.
– Select a compatible file with this product in another folder.
Camera View & AUX
No Video Signal
→ There is no video signal input.
– Confirm whether the connection with the unit is established and there is an output from the external device.
Handling and care of discs
Some basic precautions are necessary when handling your discs.
Built-in drive and care
- Use only conventional, fully circular discs.Do not use shaped discs.
- Do not use cracked, chipped, warped, or otherwise damaged discs as they may damage the built-in drive.
- Use 12-cm discs. Do not use 8-cm discs oran adapters for 8-cm discs.
- When using discs that can be printed on label surfaces, check the instructions and the warnings of the discs. Depending on the discs, inserting and ejecting may not be possible. Using such discs may result in damage to this equipment.
- Do not attach labels, write on or apply chemicals to the surface of the discs.
- Do not attach commercially available labels or other materials to the discs.
- To clean a disc, wipe it with a soft cloth, moving outward from the center.
- Condensation may temporarily impair the built-in drive’s performance.
- Playback of discs may not be possible because of disc characteristics, disc format, recorded application, playback environment, storage conditions and so on.
- Road shocks may interrupt disc playback.
- Read the precautions for discs before using them.
Ambient conditions for playing a disc
- At extremely high temperatures, a temperature cutout protects this product by switching it off automatically.
- Despite our careful design of the product, small scratches that do not affect actual operation may appear on the disc surface
as a result of mechanical wear, ambient conditions for use or handling of the disc.
This is not a sign of the malfunction of this product. Consider it to be normal wear and tear.
Playable discs
AVH-241EX, AVH-240EX
DVD-Video

- DVD is a trademark of DVD Format/Logo Licensing Corporation.
- It is not possible to play DVD Audio discs. This DVD drive may not be able to play all discs bearing the marks shown above.

AVCHD recorded discs
This unit is not compatible with discs recorded in AVCHD (Advanced Video Codec High Definition) format. Do not insert in AVCHD discs. If inserted, the disc may not be ejected.
Playing DualDisc
- DualDisc are two-sided discs that have a recordable CD for audio on one side and a recordable DVD for video on the other
- Playback of the DVD side is possible with this product. However, since the CD side of DualDiscs is not physically compatible with the general CD standard, it may not be possible to play the CD side with this product.
- Frequent loading and ejecting of a DualDisc may result in scratches to the disc.
- Serious scratches can lead to playback problems on this product. In some cases, a DualDisc may become stuck in the disc loading slot and will not eject. To prevent this, we recommend you refrain from using DualDisc with this product.
- Please refer to the manufacturer for more detailed information about DualDiscs.
Dolby®
Manufactured under license from Dolby Laboratories. Dolby, Dolby Audio and the double-D symbol are trademarks of Dolby Laboratories Licensing Corporation.

Detailed information for playable media Compatibility
Common notes about disc compatibility
- Certain functions of this product may not be available for some discs.
- Compatibility with all discs is not guaranteed.
- It is not possible to play DVD-RAM discs.
- Playback of discs may become impossible with direct exposure to sunlight, high temperatures, or depending on the storage conditions in the vehicle.
DVD-Video discs - DVD-Video discs that have incompatible region numbers cannot be played on this DVD drive. The region number of the
player can be found on this product’s chassis.
DVD-R/DVD-RW/DVD+R/DVD+RW/ DVD-R DL (Dual Layer) discs
- Unfinalized discs that have been recorded with the Video format (video mode) cannot be played back.
- Discs that have been recorded with the Video Recording format (VR mode) cannot be played back.
- DVD-R DL (Dual Layer) discs that have been recorded with Layer Jump recording cannot be played back.
- For detailed information about recording mode, please contact the manufacturer of media, recorders, or writing software.
CD-R/CD-RW discs
- Unfinalized discs cannot be played back.
- It may not be possible to playback CD-R/ CD-RW discs recorded on a music CD recorder or a computer because of disc characteristics, scratches or dirt on the disc, or dirt, scratches or condensation on the lens of the built-in drive.
- Playback of discs recorded on a computer may not be possible, depending on the recording device, writing software, their settings, and other environmental factors.
- Please record in the correct format. (For details, please contact the manufacturer of media, recorders, or writing software.)
- Titles and other text information recorded on a CD-R/CD-RW disc may not be displayed by this product (in the case of audio data (CD-DA)).
- Read the precautions with CD-R/CD-RW discs before using them.
Common notes about the USB storage device
- Do not leave the USB storage device in any location with high temperatures.
- Depending on the kind of USB storage device you use, this product may not recognize the storage device or files may not be played back properly.
- The text information of some audio and video files may not be correctly displayed.
- File extensions must be used properly.
- There may be a slight delay when starting playback of files on a USB storage device with complex folder hierarchies.
- Operations may vary depending on the kind of USB storage device.
- It may not be possible to play some music files from USB because of file characteristics, file format, recorded application, playback environment, storage conditions, and so on.
USB storage device compatibility
- For details about USB storage device compatibility with this product, refer to Specifications (page 51).
- Protocol: bulk
- You cannot connect a USB storage device to this product via a USB hub.
- The partitioned USB storage device is not compatible with this product.
- Firmly secure the USB storage device when driving. Do not let the USB storage device fall onto the floor, where it may become jammed under the brake or gas pedal.
- There may be a slight delay when starting playback of audio files encoded with image data.
- Some USB storage devices connected to this product may generate noise on the radio.
- Do not connect anything other than the USB storage device. The sequence of audio files on USB storage device. For USB storage devices, the sequence is different from that of USB storage devices.
Handling guidelines and supplemental information
- Copyright-protected files cannot be played back.
Media compatibility chart
General
- Maximum playback time of audio file stored in the disc: 60 h
- Maximum playback time of audio file stored on a USB storage device: 7.5 h (450 minutes)
CD-R/-RW, DVD-R/-RW/-R DL/+R/+RW
| CODEC FORMAT | MP3, WMA, AAC, AVI, MPEG F |
USB storage device
| CODEC FORMAT | MP3, WMA, WAV, AAC, FLAC, AVI, MPEG-PS, MP4, WMV, MKV, MOV, FLV, MPEG-TS |
MP3 compatibility
- Ver. 2.x of ID3 tag is prioritized when both Ver. 1.x and Ver. 2.x exist.
- This product is not compatible with the following: MP3i (MP3 interactive), mp3 PRO, m3u playlist
| SAMPLING FREQUENCY | 8 kHz to 48 kHz |
| TRANSMISSION RATE | CBR (8 kbps to 320 kbps)/VBR |
| ID3 TAG | ver.1.0/1.1/2.2/ 2.3/2.4 |
WMA compatibility
- This product is not compatible with the following: Windows Media™ Audio 9.2 Professional, Lossless, Voice
| SAMPLING FREQUENCY | 32 kHz to 48 kHz |
| TRANSMISSION RATE | 320 kbps)/VBR |
WAV compatibility
- The sampling frequency shown in the display may be rounded.
| SAMPLING FREQUENCY | 16 kHz to 48 kHz |
| TRANSMISSION RATE | 8 bit, 16 bit |
AAC compatibility
- This product plays back AAC files encoded by iTunes.
| SAMPLING FREQUENCY | 8 kHz to 48 kHz |
| TRANSMISSION RATE | CBR (16 kbps to 320 kbps) |
FLAC compatibility
| SAMPLING FREQUENCY | 8 kHz to 192 kHz |
| TRANSMISSION RATE | 8 bit, 16 bit, 24 bit |
Video files compatibility
- Files may not be played back properly depending on the environment in which the file was created or on the contents of the file.
- This product is not compatible with packet write data transfer.
- This product can recognize up to 32 characters, beginning with the first character, including an extension for the file and folder name. Depending on the display area, this product may try to display them with a reduced font size.
However, the maximum number of the characters that you can display varies according to the width of each character, and of the display area. - The folder selection sequence or other operations may be altered, depending on the encoding or writing software.
- Regardless of the length of blank section between the songs of the original recording, compressed audio files play with a short pause between songs.
- Files may not be able to be played back depending on the bit rate.
- The maximum resolution depends on the compatible video codec.
.avi
| Compatible video codec | MPEG4, H.264 |
| Maximum resolution | 1 920 × 1 080 |
| Maximum frame rate | 30 fps |
.mpg/.mpeg.
| Compatible video codec | MPEG2 |
| Maximum resolution | 720 × 576 |
| Maximum frame rate | 30 fps |
.mp4
| Compatible video codec | MPEG4, H.264 |
| Maximum resolution | 1 920 × 1 080 |
| Maximum frame rate | 30 fps |
.mkv
| Compatible video codec | MPEG4, H.264, VC-1 |
| Maximum resolution | 1 920 × 1 080 |
| Maximum frame rate | 30 fps |
.mov
| Compatible video codec | MPEG4, H.264 |
| Maximum resolution | 1 920 × 1 080 |
| Maximum frame rate | 30 fps |
.flv
| Compatible video codec | VC-1 |
| Maximum resolution | 1 920 × 1 080 |
| Maximum frame rate | 30 fps |
.m4v
| Compatible video codec | H.264 |
| Maximum resolution | 1 920 × 1 080 |
| Maximum frame rate | 30 fps |
.ts
| Compatible video codec | H.264 |
| Maximum resolution | 1 920 × 1 080 |
| Maximum frame rate | 30 fps |
.m2ts
| Compatible video codec | H.264, MPEG2 |
| Maximum resolution | 1 920 × 1 080 |
| Maximum frame rate | 30 fps |
.mts
| Compatible video codec | H.264 |
| Maximum resolution | 1 920 × 1 080 |
| Maximum frame rate | 30 fps |
Example of a hierarchy
NOTE
This product assigns folder numbers. The user cannot assign folder numbers.
Bluetooth
The Bluetooth® word mark and logos are registered trademarks owned by Bluetooth SIG, Inc. and any use of such marks by Pioneer Corporation is under license. Other trademarks and trade names are those of their respective owners.
WMA
Windows Media is either a registered trademark or trademark of Microsoft Corporation in the United States and/or other countries.
- This product includes technology owned by Microsoft Corporation and cannot be used or distributed without a license from Microsoft Licensing, Inc.
FLAC
Copyright © 2000-2009 Josh Coalson Copyright © 2011-2013 Xiph.Org
Foundation
Redistribution and use in source and binary forms, with or without modification, are permitted provided that the following conditions are met:
– Redistributions of source code must retain the above copyright notice, this list of conditions and the following disclaimer.
– Redistributions in binary form must reproduce the above copyright notice, this list of conditions and the following disclaimer in the documentation and/or other materials provided with the distribution.
– Neither the name of the Xiph.org Foundation nor the names of its contributors may be used to endorse or promote products derived from this software without specific prior written permission.
THIS SOFTWARE IS PROVIDED BY THE COPYRIGHT HOLDERS AND CONTRIBUTORS “AS IS” AND ANY EXPRESS OR IMPLIED WARRANTIES, INCLUDING, BUT NOT LIMITED TO, THE IMPLIED WARRANTIES OF MERCHANTABILITY AND FITNESS FOR A PARTICULAR PURPOSE ARE DISCLAIMED. IN NO EVENT SHALL THE FOUNDATION OR CONTRIBUTORS BE LIABLE FOR ANY DIRECT, INDIRECT, INCIDENTAL, SPECIAL, EXEMPLARY, OR CONSEQUENTIAL DAMAGES (INCLUDING, BUT NOT LIMITED TO, PROCUREMENT OF SUBSTITUTE GOODS OR SERVICES; LOSS OF USE, DATA, OR PROFITS; OR BUSINESS INTERRUPTION) HOWEVER CAUSED AND ON ANY THEORY OF LIABILITY, WHETHER IN CONTRACT, STRICT LIABILITY, OR TORT (INCLUDING NEGLIGENCE OR OTHERWISE) ARISING IN ANY WAY OUT OF THE USE OF THIS SOFTWARE, EVEN IF ADVISED OF THE POSSIBILITY OF SUCH DAMAGE.
AAC
AAC is short for Advanced Audio Coding and refers to an audio compression technology standard used with MPEG-2 and MPEG-4. Several applications can be used to encode AAC files, but file formats and extensions differ depending on the application which is used to encode. This unit plays back AAC files encoded by iTunes.
WebLink
WebLink™ is a trademark of Abalta Technologies, Inc.
Android
Android is a trademark of Google LLC.
Detailed information regarding connected iPhone devices
- Pioneer accepts no responsibility for data lost from an iPhone, even if that data is lost while using this product. Please back up your iPhone data regularly.
- Do not leave the iPhone in direct sunlight for extended amounts of time. Extended exposure to direct sunlight can result in iPhone malfunction due to the resulting high temperature.
- Do not leave the iPhone in any location with high temperatures.
- Firmly secure the iPhone when driving. Do not let the iPhone fall onto the floor, where it may become jammed under the brake or gas pedal.
- For details, refer to the iPhone manuals.

Use of the Made for Apple badge means that an accessory has been designed to connect specifically to the Apple product(s) identified in the badge and has been certified by the developer to meet Apple performance standards. Apple is not responsible for the operation of this device or its compliance with safety and regulatory standards. Please note that the use of this accessory with an Apple product may affect wireless performance. iPhone and Lightning are trademarks of Apple Inc., registered in the U.S. and other countries.
iOS
IOS is a trademark or registered
trademark of Cisco in the U.S. and other countries and is used under license.
iTunes is a trademark of Apple Inc.,
iOS
iTunes
registered in the U.S. and other countries.
Compatible iPhone models
- iPhone SE (2nd generation)
- iPhone 11 Pro Max
- iPhone 11 Pro
- iPhone 11
- iPhone XR
- iPhone XS Max
- iPhone XS
- iPhone X
- iPhone 8
- iPhone 8 Plus
- iPhone 7
- iPhone 7 Plus
- iPhone SE (1st generation)
- iPhone 6s
- iPhone 6s Plus
- iPhone 6
- iPhone 6 Plus
Depending on the iPhone models, it may not be compatible with some AV sources. For details about iPhone compatibility with this product, refer to the information on our website.
Using app-based connected content Important Requirements to access app-based connected content services using this product:
- The latest version of the Pioneer compatible connected content application(s) for the smartphone, available from the service provider, is downloaded to your smartphone.
- A current account with the content service provider.
- Smartphone Data Plan. Note: if the Data Plan for your smartphone does not provide for unlimited data usage, additional charges from your carrier may apply for accessing app-based connected content via 3G, EDGE and/or LTE (4G) networks.
- Connection to the Internet via 3G, EDGE, LTE (4G) or Wi-Fi network.
- Optional Pioneer adapter cable connecting your iPhone to this product.
Limitations:
- Access to app-based connected content will depend on the availability of cellular and/or Wi-Fi network coverage for the purpose of allowing your smartphone to connect to the Internet.
- Service availability may be geographically limited to the region. Consult the connected content service provider for additional information.
- Ability of this product to access connected content is subject to change without notice and could be affected by any of the following: compatibility issues with future firmware versions of smartphone; compatibility issues with future versions of the connected content application(s) for the smartphone; changes to or discontinuation of the connected Content application(s) or service by its provider.
- Pioneer is not liable for any issues that may arise from incorrect or flawed app-based content.
- The content and functionality of the supported applications are the responsibility of the App providers.
- In WebLink, functionality through the product is limited while driving, with available functions determined by the App providers.
- Availability of WebLink functionalities is determined by the App Provider, and not determined by Pioneer.
- WebLink allows access to applications other than those listed (subject to limitations while driving), but the extent to which content can be used is determined by the App providers.
Notice regarding video viewing
Remember that use of this system for commercial or public viewing purposes may constitute an infringement on the author’s rights as protected by the Copyright Law.
Notice regarding DVDVideo viewing
This item incorporates copy protection technology that is protected by U.S. patents and other intellectual property rights of Rovi Corporation. Reverse engineering and disassembly are prohibited.
Using the LCD screen correctly
Handling the LCD screen
- When the LCD screen is subjected to direct sunlight for a long period of time, it will become very hot, resulting in possible damage to the LCD screen. When not using this product, avoid exposing it to direct sunlight as much as possible.
- The LCD screen should be used within the temperature ranges shown in Specifications on page 51.
- Do not use the LCD screen at temperatures higher or lower than the operating temperature range, because the LCD screen may not operate normally and could be damaged.
- The LCD screen is exposed in order to increase its visibility within the vehicle. Please do not press strongly on it as this may damage it.
- Do not push the LCD screen with excessive force as this may scratch it.
- Never touch the LCD screen with anything besides your finger when operating the touch panel functions. The LCD screen can scratch easily.
Liquid crystal display (LCD) screen
- If the LCD screen is near the vent of an air conditioner, make sure that air from the air conditioner is not blowing on it. Heat from the heater may break the LCD screen, and cool air from the cooler may cause moisture to form inside this product, resulting in possible damage.
- Small black dots or white dots (bright dots) may appear on the LCD screen. These are due to the characteristics of the LCD screen and do not indicate a malfunction.
- The LCD screen will be difficult to see if it is exposed to direct sunlight
- When using a cellular phone, keep the antenna of the cellular phone away from the LCD screen to prevent disruption of the video in the form of disturbances such as spots or colored stripes.
Maintaining the LCD screen
- When removing dust from or cleaning the LCD screen, first turn this product off and then wipe the screen with a soft dry cloth.
- When wiping the LCD screen, take care not to scratch the surface. Do not use Maintaining the LCD screen harsh or abrasive chemical cleaners.
LED (light-emitting diode) backlight
- A light-emitting diode is used inside the display to illuminate the LCD screen.
- At low temperatures, using the LED backlight may increase image lag and degrade the image quality because of the characteristics of the LCD screen. Image quality will improve with an increase in temperature.
- The product lifetime of the LED backlight is more than 10 000 hours. However, it may decrease if used in high temperatures.
- If the LED backlight reaches the end of its product lifetime, the screen will become dimmer and the image will no longer be visible. In that case, please consult your dealer or the nearest authorized Pioneer Service Station.
Specifications
General
Rated power source: 14.4 V DC (10.8 V to 15.1 V allowable)
Grounding system: Negative type
Maximum current consumption: 10.0 A
Dimensions (W × H × D):
Chassis (D): (DMH-342EX/DMH-341EX/DMH-340EX/ DMH-241EX/DMH-240EX)
178 mm × 100 mm × 110 mm (7 in. × 3-7/ 8 in. × 4-3/8 in.)
(AVH-241EX/AVH-240EX)
178 mm × 100 mm × 162 mm (7 in. × 37/8 in. × 6-3/8 in.)
Nose: 171 mm × 97 mm × 3 mm (6-3/4 in. × 3-7/8 in. × 1/8 in.)
Weight: (DMH-342EX/DMH-341EX/DMH-340EX)
1.1 kg (2.4 lbs)
(DMH-241EX/DMH-240EX)
1.0 kg (2.2 lbs)
(AVH-241EX/AVH-240EX)
1.7 kg (3.7 lbs)
Display
Screen size/aspect ratio:
(DMH-342EX/DMH-341EX/DMH-340EX)
6.75 inch wide/16:9 (effective display
area: 151.8 mm × 79.68 mm) (6 in. × 3-1/8 in.)
(DMH-241EX/DMH-240EX/AVH-241EX/ AVH-240EX)
6.2 inch wide/16:9 (effective display area: 137.40 mm × 77.28 mm) (5-3/8 in. × 3 in.)
Pixels: 800 (Width) × 480 (Height) × 3 (RGB)
Display method: TFT Active matrix driving
Color system: PAL/NTSC compatible
Temperature range: -10 ˚C to +60 ˚C (+14 ˚F to +140 ˚F)
Audio
Maximum power output: 50 W × 4
Continuous power output: 22 W × 4 (50 Hz to 15 kHz, 5 %THD, 4 Ω
LOAD, Both Channels Driven)
Load impedance: 4 Ω (4 Ω to 8 Ω allowable)
Preout output level (max): 2.0 V
Equalizer (13-Band Graphic Equalizer): Frequency:
50 Hz/80 Hz/125 Hz/200 Hz/315 Hz/ 500 Hz/800 Hz/1.25 kHz/2 kHz/3.15 kHz/5 kHz/8 kHz/12.5 kHz
Gain: ±12 dB (2 dB/step)
HPF:
Frequency: 25 Hz/32 Hz/40 Hz/50 Hz/63 Hz/80 Hz/ 100 Hz/125 Hz/160 Hz/200 Hz/250 Hz
Subwoofer/LPF:
Frequency: 25 Hz/32 Hz/40 Hz/50 Hz/63 Hz/80 Hz/ 100 Hz/125 Hz/160 Hz/200 Hz/250 Hz
Bass boost: Gain: +12 dB to 0 dB (2 dB/step)
DVD drive (AVH-241EX/AVH-240EX)
System: DVD-V, VCD, CD, MP3, WMA, WAV, AAC, MPEG player
Usable discs:
DVD-VIDEO, VIDEO-CD, CD, CD-R, CDRW, DVD-R, DVD-RW, DVD+R, DVD+RW, DVD-RDL
Region number: 1
Signal Format:
Sampling frequency: 8 kHz/16 kHz/32 kHz/44.1 kHz/48 kHz
Number of quantization bits: 16 bit/20 bit/24 bit; linear
Frequency response: 5 Hz to 22 000 Hz (with DVD, at sampling frequency 48 kHz)
Signal-to-noise ratio: 85 dB (1 kHz) (IHF-A network) (RCA level)
Number of channels: 2 (stereo)
MP3 decoding format: MPEG-1, 2 & 2.5 Audio Layer 3
WMA decoding format: Ver. 7, 7.1, 8, 9, 9.1, 9.2 (2 ch audio)
(Windows Media Player) AAC decoding format:
MPEG-4 AAC (iTunes encoded only): (.m4a) (Ver. 10.6 and earlier)
MPEG video decoding format: MPEG1 (Low Level), MPEG2 (Main Level)MPEG4 (part2) (Main Level)
USB
USB standard spec: USB 1.1, USB 2.0 full speed, USB 2.0 high speed
Max current supply: 1.5 A
USB Class: MSC (Mass Storage Class)
File system: FAT16, FAT32, NTFS <USB audio>
MP3 decoding format: MPEG-1 & 2 & 2.5 Audio Layer 3
WMA decoding format: Ver. 7, 8, 9, 9.1, 9.2 (2 ch audio)
AAC decoding format: MPEG-4 AAC (iTunes encoded only) (Ver. 12.5 and earlier)
FLAC decoding format: Ver. 1.3.0 (Free Lossless Audio Codec)
WAV signal format: Linear PCM
Sampling frequency:
Linear PCM: 16 kHz/22.05 kHz/24 kHz/32 kHz/44kHz/48 kHz <USB image>
JPEG decoding format: .jpeg, .jpg
Pixel Sampling: 4:2:2, 4:2:0
Decode Size: MAX: 7 680 (H) × 8 192 (W)
MIN: 32 (H) × 32 (W) PNG decoding format: .png
Decode Size: MAX: 576 (H) × 720 (W)
MIN: 32 (H) × 32 (W)
BMP decoding format: .bmp
Decode Size: MAX: 936 (H) × 1 920 (W)
MIN: 32 (H) × 32 (W) <USB video>
H.264 video decoding format: Base Line Profile, Main Profile, High Profile
H.263 video decoding format: Base Line Profile 0/3
VC-1 video decoding format: Simple Profile, Main Profile, AdvancedProfile
AVI video decoding format MPEG4 video decoding format: Simple Profile,
Advanced Simple ProfilMPEG1, 2 video decoding format: Main Profile
Quick Time video decoding format
Matroska video decoding format
TS Stream video decoding format
Frequency band(s):
2.402 GHz to 2.48 GHz
FM tuner
Frequency range: 87.9 MHz to 107.9 MHz
Usable sensitivity: 12 dBf
Signal-to-noise ratio: 50 dB (analog broadcasting) (IHF-A network)
AM tuner
Frequency range: 530 kHz to 1 710 kHz
Usable sensitivity: 28 μV (S/N: 20 dB)
Signal-to-noise ratio: 45 dB (analog broadcasting) (IHF-A network)
CTA2006 Specifications

Power output: 14 W RMS × 4 Channels (4 Ω and 1 % THD+N)< =
S/N ratio: 91 dBA (reference: 1 W into 4 Ω)
NOTE
Specifications and design are subject to possible modifications without notice due to improvements.
Register your product at https://www.pioneerelectronics.com/PUSA/ in Canada https://www.pioneerelectronics.ca/POCEN/
PIONEER CORPORATION
28-8, Honkomagome 2-chome, Bunkyo-ku,
Tokyo 113-0021, Japan
PIONEER ELECTRONICS (USA) INC.
P.O. Box 1540, Long Beach, California 90801-1540, U.S.A.
TEL: (800) 421-1404
PIONEER EUROPE NV
Haven 1087, Keetberglaan 1, B-9120 Melsele, Belgium/Belgique
TEL: (0) 3/570.05.11
PIONEER ELECTRONICS ASIACENTRE PTE. LTD.
2 Jalan Kilang Barat, #07-01, Singapore 159346
TEL: 65-6378-7888
PIONEER ELECTRONICS AUSTRALIA PTY. LTD.
5 Arco Lane, Heatherton, Victoria, 3202 Australia
TEL: (03) 9586-6300
© 2021 PIONEER CORPORATION



















