Multifunction relay
ZUBR MF25, MF32, MF40, MF50, MF63
Technical passport
Installation and operation manual
Purpose
Before the installation and operation of the device, please read by the end of this document. This will help to avoid possible danger, mistakes and misunder standings.
The MF multifunction relay is intended to protect single- phase electrical equipment from deviation from the set limits for voltage, current or power. By using the device, it is
possible to limit the power consumption of remote equipment.
Attention! The relay measures only the active power. The total power consists of active and reactive powers and can be calculated by multiplying the voltage by the current.
Technical data
| Parameters | ZUBR MF25 | ZUBR MF32 | ZUBR MF40 | ZUBR MF50 | ZUBR MF63 | |
| 1 | Basic current limit | 0,1–25 А | 0,1–32 А | 0,1–40 А | 0,1–50 А | 0,1–63 А |
| 2 | Limitation of active power | 0,1–5,5 kW | 0,1–7 kW | 0,1–8,8 kW | 0,1–11 kW | 0,1–13,9 kW |
| 3 | Rated load current | 25 А (max 30 А in 10 minutes) | 32 А (max 40 А in 10 minutes) | 40 А (max 50 А in 10 minutes) | 50 А (max 60 А in 10 minutes) | 63 А (max 80 А in 10 minutes) |
| 4 | Rated power | 5 500 VА | 7 000 VА | 8 800 VА | 11 000 VА | 13 900 VА |
| 5 | Current measurement accuracy | ±2 % ±0,1 А | 5–50А ± 0,1 А, 1–5А ± 0,2 А,<1A ± 0,3 А | 45–63А ± 0,6 А, 10–45А ± 0,1А, 1–10А ± 0,2А, <1A ± 0,3 А | ||
| 6 | Current consumption at 230 V | no more 8 mA | no more 3,8 mA | |||
| 7 | The number of operating cycles under load of not less cycles | 100 000 cycles | 10 000 cycles | |||
| 8 | The number of operating cycles without load of not less cycles | 1000 000 cycles | 500 000 cycles | |||
| 9 | Relay type | electromagnetic | polarized | |||
| Parameters | Value | |
| 10 | Voltage limit | upper 220–280 V lower 120–210 V |
| 11 | Overvoltage trip time | more 264 V 0,04 sec 220–264 V 0,5 sec |
| 12 | Time of switching-off when voltage is lowered | 176–210 V 10 sec 164–176 V 0,5 sec less than 164 V 0,04 sec |
| 13 | Delay time of load turning on | 3–600 sec |
| 14 | Time delay of the load disconnection when a current is tripped or power is exceeded | 0–240 sec |
| 15 | Power Volt | not less than 100 V not more than 420 V |
| 16 | Device weight | 0,21 kg ±10 % |
| 17 | Overall dimensions | 70 × 85 × 53 mm |
| 18 | Connection | not more than 16 mm² |
| 19 | IP to GOST 14254 | IP20 |
Upper limit voltage and increase the parameter
Functional menu
Lower limit voltage and decrease the parameter

Supply package
| Multifunction relay ZUBR MF | 1 piece |
| Guarantee certificate and card | 1 piece |
| Technical passport, instruction | 1 piece |
| Shipping box | 1 piece |
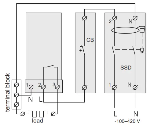
Connection scheme
The supply voltage (100-420 V, 50 Hz) in which current and power will be monitored is applied to terminals 1 and 2, with the phase (L) determined by the indicator and connected to terminal 2, and neutral (N) to terminal 1.
The connecting voltage wires connected to terminal 3 and neutral terminal block (not included).

The simplified internal circuit and connection scheme
DO NOT connect the voltage with surge zero in termi nal 1!
Installation
The appliance is intended for installation inside residences. The risk of moisture or humidity in the installation site should be minimal. When installing in the bathroom, toilet, kitchen, pool appliance must be located in a shell with protection degree not below IP55 per GOST 14254 (partial protection from dust and waterproof in any direction). The ambient temperature during installation should be within –5…+45 °С.
The appliance is installed in a special box, which allows to conduct the easy installation and operation. Cabinet will be equipped with standard mounting rail 35 mm film (DIN rail).
The appliance takes in width of three standard module on 18 mm.
The height of the appliance should be in the range 0,5…1,7 m from the floor. The appliance is installed and activated after installation and inspection of the voltage.
For protection against short circuit and excess capacity in circuit load necessarily need to set in front of the appliance, the automatic circuit-breaker (CB). The automatic witch off is established in the open-phase fault wire, as shown at the

Scheme 2. Connection of the circuit breaker and SSD (safety shutdown device)
It shall be calculated upon the rated load current.
Scheme 2. To protect person from electric shock leak is set SSD (safety shutdown device).
To connect your device:
- fix the appliance on the mounting rail (DIN);
- take a wire;
- make the connection according to the passport.
Terminals of the device designed for wire cross section up to 16 mm . To reduce mechanical load on the terminals it is desirable to use soft wire. Clean the end wires of 10 ±0,5 mm. If end is longer, it can cause a short circuit, and if short — cause unreliable connection. Use the cable lugs. Undo the screws of the terminals and insert tipped end of the wire in terminal. Tighten terminal with derived average 2,4 Н·m. Low tight may lead to low contact and overheating terminals and wires and over tight — damage terminals and wires. Wires protracted in terminals with a screwdriver with a shank width not more than 6 mm. Screw with shank width more than 6 mm may apply mechanical damage to terminals. This could result in loss of warranty.
It is necessary that MF commute the current no more than the rated current specified in the passport.
Cutting wires of wiring to which connects voltage relay should meet the value of electric current, which consumes voltage.
Exploitation
Enabling
After switching on, the relay immediately starts to display the mains voltage. If the voltage is within the permissible limits, the load is switched on after the set time. The screens will flash over last 3 seconds before switching on the load. The green indicator signals about the activation of the load.
The values of the current and the active load power will appear on the corresponding screens.
If the voltage deviates from the set limits, the load will be disconnected.
If the current or power limits are exceeded, the corresponding screen will flash, and protection will be activated after the load has been disconnected. The relay will turn off the load.
The upper / lower limit
(factory setting 242 V / 198 V)
To view the upper limit, press the «+», button, to view the lower limit, press the «–» button. Then use the «+» and «–» buttons to change the limit as necessary. 3 seconds
after the last pressing of the buttons or by briefly pressing the middle button, the relay will return to normal operation.
When setting the voltage limits use the protected equipment technical documentation.
Function menu
Use the middle button to navigate through the menu.

Use the «+» and «–» buttons to change the parameters. After pressing the button for the first time the parameter will flash, after pressing it for the second time the parameter will change. 3 seconds after the last pressing of the buttons or by briefly pressing the middle button, the relay will return to normal operation.
Delay time of load turning on
(see the table Navigation through the function menu)
If the set delay time is more than 6 seconds, the screen will display the maximum fixed voltage, current and power at a short-time voltage jump before the 1,5 seconds countdown, then the current voltage for by 1,5 seconds and countdown.
During the countdown, the current screen will display the remaining time before the load is switched on, the power screen will signal that the relay is in the countdown. The voltage screen is the active voltage during the countdown.
For protection of refrigeration equipment, where there is a compressor, it is recommended to set a delay of turning on load 120–180 sec. It will allow to increase the service life of the compressor.
Table 1. Navigating through the Function menu
| Menu section | Enter by pressing the middle button | Screen | Factory setting | Change with «+» and «–» |
| click 1 time | to view | |||
| Recent fault voltages, current and active power The value is stored in non-volatile memory | click 2 times | 10 А | for limits see Technical datainterval 0,1 А | |
| Current tripping point | click 3 times | 3 kW | for limits see Technical data, interval 0,1 kW | |
| Active power tripping point | click 4 times | 3 sec | limits 3…600 sec, 3 sec interval | |
| Delay time of load turning on (time to on) | click 5 times | 5 sec | limits 0…240 sec, шаг 1 sec | |
| Time delay of the load disconnection (time to off) when a current is tripped or power is exceeded | click 6 times | 3 times | limits 1–5 times or «oFF» | |
| Setting the maximum number of protection trips when a current is tripped or power is exceeded | hold the button for 3 sec | 0 V | Voltage correction limits ±20 V | |
| Correction of voltage or current readings (adjustment) current If you think that the voltage or current screen and your reference device are diverging, you can make an adjustment to the readings of current or overpower in succession. voltage | after viewing the voltage correction, press 1 time if the measured current is more than 1 A. | Limits of current correction ±20 %of the measured current* | ||
| Firmware version | hold the button for 8 sec | to view the rated current of your MF relay will be displayed on the current screen | ||
*Example: with a measured current of 10 A, the maximum correction range is ±2 A
Attention! The manufacturer reserves the right to modify the firmware to enhance the device technical characteristics.
Resetting to the factory settings
Hold three buttons for 8 seconds till the «dEF» sign appears on the screen. After releasing the buttons the device will restart and reset the settings to the factory settings.
The internal overheating protection
If the temperature inside the frame exceeds 85 °С, the emergency power cutoff will take place. The voltage screen will flash «oht», the current screen will display the temperature of the protection sensor, and the power screen will display the temperature in Celsius.
The relay will be unlocked if the temperature inside the housing drops to 60 °C and one of the unlock buttons is pressed. The «oht» message will stop blinking.
![]()
If the thermal protection sensor is broken or short-circuited, the relay will continue to operate normally, but «Ert» message will appear every 4 seconds, indicating a problem with the sensor. In this case, there will be no control over the internal overheating.
POSSIBLE PROBLEMS, CAUSES AND WAYS TO OVERCOME THEM
At turning on neither indicator nor screen do not shine.
Possible cause: There is no power supply voltage.
It is necessary to: Ensure supply voltage presence.
After turning on the screen normal voltage level, but load is not turning on.
It is necessary to: Check the detention. In other cases, please, address to a service centre.
The screen shows «Err» message.
Possible cause: the triggered overcurrent protection or the active power protection in succession exceeded the set value. The relay is blocked.
Remedy: unlock the relay by pressing any button. Check the cause of the tripping and the relay settings.
Safety instructions
Carefully read and become aware of yourself these instructions.
Connection of the device must be done by a qualified electrician.
Before the installation (dismantling) and connection (disconnection) of the device, turn off voltage supply and also act according to the «Rules of an arrangement of electric installations».
Turning on and off or and configure the device should be with dry hands.
Do not connect the device to the network disassembled.
Avoid hitting of water or moisture to the device.
Do not expose the device to extreme temperatures (higher than 40 ºС or below -5°C) and high humidity.
Never clean the device with the use of chemicals such as benzene, solvents.
Do not store the device and do not use it in areas with the dust.
Do not attempt to disassemble and repair the device.
Do not exceed the landmarks value adaptor and power.
To protect against overvoltage caused by lightning discharges, use a lightning protector.
Protect the children from games with the working device, it is dangerous.
Do not fire and do not throw away the device with the household waste.
Device used must be taken in accordance with current legislation.
Transportation of goods carried in the package, ensuring the safety of the product.
The device is transported by any kind of transport (rail, sea, motor, air transportation).
Date of manufacture is on the back side of device.
If you have any questions or you something will not clear, call the Service centre the telephone number listed below.
Low Voltage Directive 2014/35/EU
EMC Directive 2014/30/EU
vP29_190319
Manufacturer and vendor: DS ELECTRONICS, LTD
04136, Ukraine, Kyiv region, Kyiv, 1–3 Pivnichno-Syretska str.
phone: +38 (044) 485-15-01
www.zubr.ua
[email protected]


















