ZUBR 3F
three-phase voltage relay
Technical passport
Installation and operation manual
3F Three Phase Voltage Relay
Before the installation and operation of the device, please read by the end of this document. This will help to avoid possible danger, mistakes and misunderstandings.
Purpose
The 3F voltage relay is intended to protect industrial and household three-phase electrical equipment (including three-phase electric motors) from blackout, exceeding of
permissible voltage limits, phase (voltage) unbalance. The voltage relay also monitors the order of the phase sequence and has an adjustable tripping time for phase (voltage) unbalance.
The voltage relay 3F measures and displays the current effective value at each phase and, in case of exceeding the permissible parameters, controls the internal electromagnetic relay with a changeover contact.
All control parameters will be stored in the non-volatile memory of the relay.
The 3F power comes from the measured phases. For the normal operation of the relay, one phase and zero is enough. Thanks to this, the voltage relay can be used as a full-fledged single-phase protection. No zero voltage relay will not work.
For switching three-phase equipment it is necessary to use a contactor. Contactor is not included in the scope of supply.
Technical data
| Ng | Parameters | Value |
| 1 | Voltage limit | upper 220-280 V lower 120-210 V |
| 2 | Break-time at increasing | not more then 0,04 sec |
| 3 | Break-time at lower | not more then 1 sec (>120 V) not more then 0,04 sec (<120 V) |
| 4 | Load switch-on delay | 3-600 sec |
| 5 | A skew (asymmetry) phases | 10-80 V |
| 6 | Time off at warp phases | 0-30 sec |
| 7 | Maximum load current | 5 A |
| 8 | Maximum load power | 1 000 VA |
| 9 | Power Volt | not less then 100 V not more then 420 V |
| 10 | Mass | 0,15 kg ±10 |
| 11 | Overall dimensions | 66 x 90 x 52 mm |
| 12 | The number of operating cycles under load of not less cycles | 50 000 cycles |
| 13 | The number of operating cycles without load of not less cycles | 20 000 000 cycles |
| 14 | IP to GOST 14254 | IP20 |
Supply package
| Тhree-phase voltage relay ZUBR 3F | 1 piece |
| Guarantee certificate and card | 1 piece |
| Technical passport, manual | 1 piece |
| Shipping box | 1 piece |
Connection scheme
The phases for measurement and supply are determined by the indicator and fed to the relay.
Terminals 1, 2 or 3, 4 are required to control a three-phase contactor.
Scheme 1. Simplified internal scheme and connection scheme
Installation
The appliance is intended for installation inside residences.
The risk of moisture or humidity in the installation site should be minimal. When mounting in the bathroom, toilet, kitchen, pool, device must be located in a shell with a degree of protection is not lower than IP55 per GOST 14254 (partial protection from dust and weatherproof in any direction).
The ambient temperature during the installation should be within –5…+45 °С.
In ZUBR 3F is additional protection voltage in the form of varistor and the fuse.
The appliance is installed in a special box, which allows to conduct the easy installation and operation. Cabinet will be equipped with standard mounting rail 35 mm film (DIN rail). The appliance takes in width of three standard module on 18 mm.
The height of a device has to be in the range from 0,5 to 1,7 m from the floor.
The appliance is installed and activated after installation and inspection of the voltage.
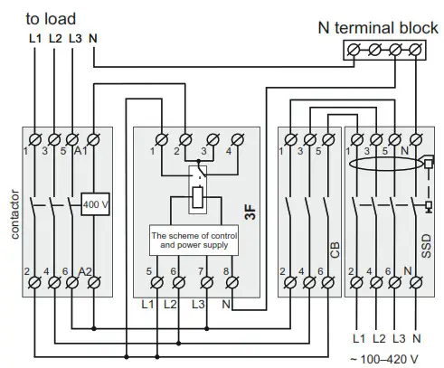
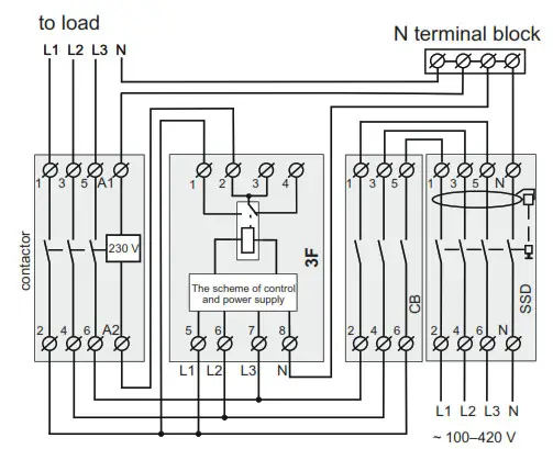
For protection against short circuit and abuse power load in the chain must always be in front of the appliance set the automatic circuit-breaker (CB). The automatic switch off is established in the open-phase fault wire, as shown at schemes 2 and 3. It must be designed for the load current.
To protect person from electric shock leak is set SSD (safety shutdown device).
Scheme 2. A possible connection SSD, automatic circuitbreake and contactor with coil 230 V.
Scheme 3. A possible connection SSD, automatic circuitbreake and contactor with coil400 V.
To connect the device you need:
— fix the appliance on the mounting rail (DIN);
— take a wire;
— perform the connection i according to this passport.
Terminals of the device designed for wire cross section up 2 to 2,5 mm . To reduce mechanical load on the terminals it is desirable to use soft wire, for example, vinyl-insulated wire, flexibility class 3. Clean the end wires of 8 ±0,5 mm. If end is longer, it can cause a short circuit, and if short — cause unreliable connection. Use the cable lugs. Undo the screws of the terminals and insert tipped end of the wire in terminal. Tighten terminal with derived average 0,5 Н·m. Low tight may lead to low contact and overheating terminals and wires and over tight — damage terminals and wires. Wires protracted in terminals with a screwdriver with a shank width not more than 3 mm. Screw with shank width more than 3 mm may apply mechanical damage to terminals. This could result in loss of warranty.
Exploitation
Enabling
3F will immediately begin to display the voltage in three phases. If the voltage is normal, the voltage will be applied to the load after the set time and the red indicator will light up. If the voltage is not normal, the relay will not switch on until the voltage and phase order are normal.
The upper / lower limit
(factory setting 242 V / 198 V)
To view the upper limit, press the «+», button, to view the lower limit, press the «–» button. Then use the «+» and «–» buttons to change the limit as necessary.
When setting the voltage limits use the protected equipment technical documentation.
Function menu (table 2)
Use the middle button to navigate through the menu.
Use the «+» and «–» buttons to change the parameters. After pressing the button for the first time the parameter will flash, after pressing it for the second time the
parameter will change. In 5 sec after the button was pressed the indicator will return to displaying the system voltage.
Delay time of load turning on
The delay control is described in Table 2.
If the set delay time is greater than 6 sec, then during a short-time voltage jump before the countdown for 2 sec, an emergency situation will be displayed, then for 2 seconds
the current and remaining time before the load is switched on.
For protection of refrigeration equipment, where there is a compressor, it is recommended to set a delay of turning on load 120–180 sec. It will allow to increase the service life of the compressor.
Factory reset
To reset the factory settings, hold the three buttons at the same time until «dEF» message appears on the L1 screen. After releasing the buttons, the settings will be reset and the device will restart.
Table 2. Navigating through the Function menu
| Menu section | Enter the middle button | Screen | Factory setting | Notes |
| Viewing the alarm log file (for more details, see the Alarm Log section). Emergency records are stored in non-volatile memory. | click 1 time | Priority for thealarm registration in the log: 1 .Three-phasefaultorincorrect phase sequence. 2.Voltageimbalance. 3.Exceeding the upperor lower limit. The last emergency will be updated in memory if an alarm condition of a higherpriontyoccurs orincase of an alarm condition of the same priontywith more criticalvalues. | ||
| Delay time of the on-load voltage (time to on °dom.) | click 2 times | factory settings 3 sec range 3…600 sec, step 3 sec | miring the countdown of the delay on the screen: — time to turn on the voltage in seconds; — current phase number. | |
| Phase unbalance voltage (phase imbalance lc Pib») | click 3 times | factory settings 20 V range 10…80V, oFF | if the load is switched of due to a violation of the phase unbalance voltage limit, the current phase voltages will alternate on the screen and — numbersof the phaseswithunbalance. To disable, increase the unbalance value will the coFF* message appears. When viewing an emergency situation due to phase | |
| The phase unbalance disconnection time is displayed in seconds on the L2 phase screen, if phase unbalance is active. | click 4 times | factory settings 1 sec range 0…30 sec | ||
| unbalance, the max unbalance value and numbers of phases with unbalance MI be displayed for the first 2 seconds, and for the next 2 seconds — the voltage in phases. The screens of phases with unbalance wil flash. | ||||
| Phase sequence (phase interleave (Phi))) | press 5 times (4 limes with deactivated unbalance) | factory settings deactivate | When viewing an emergency situation, the | |
| phase order wit be displayed when the load was • disconnected. | ||||
| No-phase control (phase lost ePLco) | press 6 times (5 limes with deactivated unbalance) | factory settings deactivate | No-ohase control is only vont* when the Phase | |
| UnbalanceVoltage menu is off, | ||||
| Professional model of the tripping time when the voltage goes beyond the limits (professional r< Pro))) | press 7 times (6 Imes oith deactivated unbalance) | factory settings — — activation | Does not disable the protected equipment at safe voltage deviations in valueand duration. More details about the tripping time model when the voltage is out of range see Table 1. he I TIC (CBEMA) Curve is taken as a basis.(http://www.home.agilent.com/upload/cmc_uploacVA11/1.pdf?&cc=UA&Ieng) | |
| Correction of voltage (correction a Coro), if you think that the voltage readings on the relay screen and your reference device diverge. | press 8 times mes Imes with deactivated unbalance), then e+)) or N-16 | factory settings 0 V range of correction ±.20 | To switch between the corrections for each phase, use the – middle button, the fourth press brings you back to the function menu. | |
| Type of voltage on-delay | press 9 times (8 limes with deactivated unbalance) | factory setting It is possble to switch to | etAn• time after voltage recovery — delay (ton) is counted from the moment of voltage recovery. vtAo v time after switching off — delay (ton) is counted from themoment the relay is turned off. This type of delay takes into account response time of the emergency in the total on-delay tine. | |
| Firmware version (firmware aF») | hold for 16 sec | to view | Attention! The manufacturer reserves the right to modify the firmware to enhance the device technical characteristics. | |
Table 1. Models shutdown exit time voltage beyond
| Model | Limit | Limit of power, V | Offline time, sec |
The usual defaultPro oFF | Upper | 220–280 | 0,04 |
| Lower | 120–210 | 1 | |
| less 120 | 0,04 | ||
ProfessionalPro on | Upper | more 264 | 0,04 |
| 220–264 | 0,5 | ||
| Lower | 176–210 | 10 | |
| 164–176 | 0,5 | ||
| less 164 | 0,04 |
ALARM LOG FILE
The log file is capable of storing the last 100 alarms in the non-volatile memory.
To view the latest alarm, briefly press the middle button.
To move through the log and view previous alarms, use the «+» or «-» buttons. In the first 2 seconds, the relay will display the number and type of the alarm. In the next 2
seconds, it will display the value. For example:
Log entries are displayed in order from the last to the oldest («n 0» is the last entry, «n 1» is the penultimate one, and «n99» is the oldest).
To clear the log file, enter it by pressing the middle button once. Then hold the middle button for 3 seconds until the message appears:
Keep holding the middle button until the message appears:
After releasing the button, the log file will be cleared. If the log file is empty, after pressing the middle button, the relay screen will display:
POSSIBLE PROBLEMS, CAUSES AND WAYS TO OVERCOME THEM
At turning on neither indicator nor screen do not shine.
Possible cause: There is no power supply voltage.
It is necessary to: Ensure supply voltage presence.
After turning on on the screen normal voltage level, but load is not turning on.
It is necessary to: Check the detention. In other cases, please, address to a service centre.
Safety instructions
Carefully read and become aware of yourself these instructions.
Connection of the device must be done by a qualified electrician.
Before the installation (dismantling) and connection (disconnection) of the device, turn off voltage supply and also act according to the «Rules of an arrangement of electric installations».
Turning on and off or and configure the device should be with dry hands.
Do not connect the device to the network disassembled.
Avoid hitting of water or moisture to the device.
Do not expose the device to extreme temperatures (higher than 40 ºС or below -5°C) and high humidity. Never clean the device with the use of chemicals such as
benzene, solvents.
Do not store the device and do not use it in areas with the dust.
Do not attempt to disassemble and repair the device.
Do not exceed the landmarks value adaptor and power.
To protect against overvoltage caused by lightning discharges, use a lightning protector.
Protect the children from games with the working device, it is dangerous.
Do not fire and do not throw away the device with the household waste.
Device used must be taken in accordance with current legislation.
Transportation of goods carried in the package, ensuring the safety of the product.
The deive is transported by any kind of transport (rail, sea, motor, air transportation).
Date of manufacture is on the back side of device.
If you have any questions or you something will not clear, call the Service centre the telephone number listed below.
Low Voltage Directive 2014/35/EU
EMC Directive 2014/30/EU
vF32_200210![]()
Manufacturer and vendor: DS ELECTRONICS, LTD
04136, Ukraine, Kyiv region, Kyiv, 1–3 Pivnichno-Syretska str.
phone: +38 (044) 485-15-01 www.zubr.ua
[email protected]


















