ZUBR V1 Single Phase Household Voltmeter

Product Information
The V1 digital single-phase voltmeter is a device designed for professionals to monitor the voltage of a single-phase network. It has a non-volatile memory that stores the maximum and minimum mains voltage, which can be reset. The device comes with a technical data sheet, installation and operation manual, and warranty card. The appliance is installed in a special box with a standard mounting rail of 35 mm width (DIN rail) and takes up the width of three standard modules on 18 mm. The height of the device should be in the range of 0.5 to 1.7 m from the floor. The warranty for ZUBR devices is valid for 60 months from the date of sale, provided that the instructions are followed.
Product Technical Data
- Power: not less than 100 V, not more than 420 V
- Connection: not more than 1,5 kWt*h/month, not more than 16 mm2
- IP20
Usage Instructions
- Before installation and operation of the device, read the manual carefully to avoid possible danger, mistakes, and misunderstandings.
- The device should be connected according to the passport with an automatic circuit-breaker (QF) set in front of the appliance for protection against electric shock leak.
- To view the maximum and minimum voltage stored in the memory, press the top and lower buttons respectively. The display of voltage values is accompanied by the glow of dots in the rightmost category of the screens. Five seconds after the last pressing of the buttons, the voltmeter will return to displaying the mains voltage.
- To reset the stored maximum and minimum voltage, press both the top and lower buttons simultaneously for 5 seconds.
- To view the firmware version, hold the middle button for 12 seconds.
- If the device has issues, send it to a Service Center or to the store where you purchased the device. If the device is defective due to the manufacturer’s fault, it will be repaired or replaced under warranty within 14 business days.
V1 digital single-phase voltmeter
(hereinafter referred to as the device) is designed to monitor the voltage of a single-phase network.
The device stores the maximum and minimum mains voltage in non-volatile memory. Stored values can be reset.
IN THE BOX
- Digital single-phase voltmeter ZUBR V1 1 piece
- Technical data sheet installation and operation manual and warranty card 1 piece
- The packing box 1 piece
TECHNICAL DATA
| Power Volt | not less than 100 V not more than 420 V |
| Device weight | 0,14 kg ±10 % |
| Overall dimensions (w × h × d) | 53 х 85 х 66 mm |
| Degree of protection GOST14254 | IP20 |
| Power consumption | not more than 1,5 kWt*h / month |
| Connection | not more than 16 mm2 |
Before the installation and operation of the device, PLEASE READ BY THE END OF THIS DOCUMENT. This will help to avoid possible danger, mistakes and misunderstandings. NON-VOLATILE VOLTMETER STORAGE saves all settings in the event of a power outage.
IT IS FORBIDDEN TO POWER THE DEVICE FROM SOURCES WITH A MODIFIED SINE WAVE, uninterruptible power supplies whose output voltage is not a sine wave. Long operation (more than 5 minutes) from the following sources voltage may damage ZUBR and lead to not warranty repair.
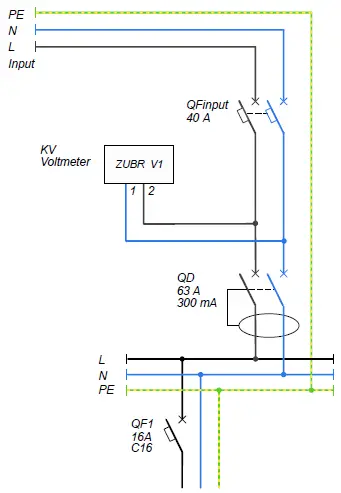
CONNECTION SCHEMES
Voltage for measurement and supply (100–420 V, 50 Hz) is applied to terminals 1 and 2.

Scheme 1. Option of wiring diagram

Scheme 2. Option of the connection diagram
INSTALLATION
The appliance is intended for installation inside residences. The risk of moisture or humidity in the installation site should be minimal. When installed in the bathroom, toilet, kitchen, and pool appliances must be located in a shell with a protection degree not below IP55 per GOST 14254 (partial protection from dust and waterproof in any direction).
The ambient temperature during installation should be within –5…+45 °С.
The appliance is installed in a special box, which allows conducting easy installation and operation. The cabinet should be equipped with standard mounting rail 35 mm width (DIN rail). The appliance takes in the width of three standard modules of 18 mm. The height of the appliance should be in the range 0,5…1,7 m from the floor.
To connect your device:
- fix the appliance on the mounting rail (DIN);
- take a wire;
- make the connection according to the passport.
Necessarily need to set in front of the appliance, the automatic circuit-breaker (QF) (see schemes 1, 2). To protect a person from an electric shock leak is set safety shutdown device (QD).
Terminals of the device designed for wire cross-section up to 16 mm. To reduce the mechanical load on the terminals it is desirable to use soft wire. Clean the end wires of 10 ±0,5 mm. If end is longer, it can cause a short circuit, and if short — cause an unreliable connection. Use the cable lugs. Undo the screws of the terminals and insert tipped end of the wire in the terminal. Tighten terminal with derived average 2,4 Н·m. Low tight may lead to low contact and overheating terminals and wires and over-tight — damage terminals and wires. Wires protracted in terminals with a screwdriver with a shank width not more than 6 mm. Screw with shank width of more than 6 mm may apply mechanical damage to terminals. This could result in loss of warranty.
EXPLOITATION
When turned on, the voltmeter immediately begins to measure and display the value of the mains voltage.
Viewing the minimum and maximum voltage
To view the maximum voltage stored in the memory, press the top button and to view the minimum voltage, press lower button. The display of voltage values is accompanied by the glow of dots in the rightmost category of the screens.
Five seconds after the last pressing of the buttons, the voltmeter will return to displaying the mains voltage.
Resetting the stored maximum and minimum voltage
A short press on the middle button will display «rSt» on the screen. When the button is released, the voltmeter will erase all stored voltage values from memory.
Five seconds after the last pressing of the buttons, the voltmeter will return to displaying the mains voltage.
Viewing of firmware version
To view the firmware version, hold the middle button for 12 seconds.
Correction of voltage indications on the screen
If you think that the readings of the voltmeter V1 and your reference device differ, the readings can be calibrated.
To do this, enter the correction menu by holding down the middle button for 6 seconds until «Cor» appears on the screen.
After releasing the button, you will see a blinking correction value, which can be changed with the «max» button to increase or «min» to decrease the value. The range of variation corresponds to ±20V.
Five seconds after the last pressing, the voltmeter will return to displaying the mains voltage with the adjustment made.
POSSIBLE PROBLEMS, CAUSES, AND WAYS TO OVERCOME THEM
At turning on neither the indicator nor the screen do not shine
- Possible cause: There is no power supply voltage.
- It is necessary to: Ensure supply voltage presence.
WARRANTY TERMS
The warranty for ZUBR devices is valid for 60 months from the date of sale, provided that the instructions are followed. The warranty period for products without a warranty certificate is counted from the date of production. If your device is not working properly, we recommend that you first read the section «Possible problems». If you cannot find an answer, contact Service Center. In most cases, these actions resolve all issues.
If you continue to have issues with the device, please send it to a Service Center or to the store where you purchased the device. If your device is defective due to our fault, we will repair or replace it under warranty within 14 business days. Please see the full text of the warranty and the data you need to send to your Service Center on the website https://www.ds-electronics.company. If you have a warranty case, please, contact the General distributor in your area.
SERVICE CENTER CONTACT
+38 (091) 481-91-81
Viber WhatsApp Telegram
[email protected].
WARRANTY CARD

ADDITIONAL INFORMATION
- Do not fire and do not throw away the device with the household waste.
- After the end of its service life, the product must be disposed of in accordance with applicable law.
- Transportation of goods carried in the package, ensuring the safety of the product.
- The delivery is transported by any kind of transport (rail, sea, motor, air transportation).
- The date of manufacture is on the back side of the device. Application time is unlimited.
- The device does not contain harmful substances.
- If you have any questions or something will not clear, call the Service center at the telephone number listed below.
SAFETY INSTRUCTIONS
- Carefully read and become aware of yourself these instructions.
- Connection of the device must be done by a qualified electrician.
- Before the installation (dismantling) and connection (disconnection) of the device, turn off the voltage supply and also act according to the «Rules of an arrangement of electric installations».
- Turning on and off or and configuring the device should be done with dry hands.
- Do not connect the device to the network disassembled.
- Avoid hitting water or moisture on the device.
- Do not expose the device to extreme temperatures (higher than 40 ºС or below -5 °C) and high humidity.
- Never clean the device with the use of chemicals such as benzene, and solvents.
- Do not store the device and do not use it in areas with dust.
- Do not attempt to disassemble and repair the device.
- Do not exceed the landmarks value adaptor and power.
- To protect against overvoltage caused by lightning discharges, use a lightning protector.
- Protect the children from games with the working device, it is dangerous.
Low Voltage Directive 2014/35/EU EMC Directive 2014/30/EU
Manufacturer and vendor: DS ELECTRONICS, LTD
04136, Ukraine, Kyiv region, Kyiv, 1—3 Pivnichno-Syretska str.
+38 (091 ) 481-91-81, Service Center: +38 (091) 481-91-81
[email protected] www.ds-electronics.company.


















