SCHMERSAL SRB206SQ Safety Relay SRB

About this document
Function
This operating instructions manual provides all the information you need for the mounting, set-up and commissioning to ensure the safe operation and disassembly of the safety-monitoring module. The operating instructions must be available in a legible condition and a complete version in the vicinity of the device.
Target group: authorized qualified personnel
All operations described in this operating instructions manual must be carried out by trained specialist personnel, authorized by the plant operator only.
Please make sure that you have read and understood these operating instructions and that you know all applicable legislations regarding occupational safety and accident prevention prior to installation and putting the component into operation.
The machine builder must carefully select the harmonized standards to be complied with as well as other technical specifications for the selection, mounting and integration of the components.
Appropriate use
Products in Schmersal’s range are not intended to be used by private end consumers.
The products described in these operating instructions are developed to execute safety-related functions as part of an entire plant or machine. It is the responsibility of the manufacturer of a machine or plant to ensure the correct functionality of the entire machine or plant.
The safety-monitoring module must be exclusively used in accordance with the versions listed below or for the applications authorised by the manufacturer. Detailed information regarding the range of applications can be found in the chapter “Product description”.
General safety instructions
The user must observe the safety instructions in this operating instructions manual, the country specific installation standards as well as all prevailing safety regulations and accident prevention rules.
NOTE:
Further technical information can be found in the Schmersal catalogues or in the online catalogue on the Internet: products.schmersal.com
The information contained in this operating instructions manual is provided without liability and is subject to technical modifications.
There are no residual risks, provided that the safety instructions as well as the instructions regarding mounting, commissioning, operation and maintenance are observed.
Operating instructions
Safety-monitoring module
Warning about misuse
CAUTION: In case of inadequate or improper use or manipulations of the safety-monitoring module, personal hazards or damage to machinery or plant components cannot be excluded. The relevant requirements of the standard EN ISO 14119 must be observed.
Exclusion of liability
We shall accept no liability for damages and malfunctions resulting from defective mounting or failure to comply with this operating instructions manual. The manufacturer shall accept no liability for damages resulting from the use of unauthorised spare parts or accessories.
For safety reasons, invasive work on the device as well as arbitrary repairs, conversions and modifications to the device are strictly forbidden; the manufacturer shall accept no liability for damages resulting from such invasive work, arbitrary repairs, conversions and/or modifications to the device.
The safety-monitoring module must only be used when the enclosure is closed, i.e. with the front cover fitted.
Product description
Ordering code
This operating instructions manual applies to the following types:
| SRB206➀–➁ | ||
| No. | Option | Description |
| ➀ | ST | without cross-wire monitoring |
| SQ | with cross-wire monitoring | |
| ➁ | 24V | 24 VAC / VDC |
| 230V | 48 … 230 VAC | |
Special versions
For special versions, which are not listed in the order code below 2.1, these specifications apply accordingly, provided that they correspond to the standard version.
Purpose
The safety-monitoring modules for integration in safety circuits are designed for fitting in control cabinets. They are used for the safe evaluation of the signals of positive break position switches for safety functions on sliding, hinged and removable safety guards as well as emergency stop control devices.
The safety function is defined as the opening of enabling circuits 13-14 and 23-24 when the inputs S11-S12 and/or one or more other inputs up to S112-S122 are opened. The safety-relevant current paths with the output contacts 13-14 and 23-24 meet the following requirements under observation of a B10D value assessment (also refer to “Requirements of EN ISO 13849-1”):
- Control category 4 – PL e to EN ISO 13849-1
- SIL 3 to IEC 61508
- SIL CL 3 to EN 62061
To determine the Performance Level (PL) of the entire safety function (e.g. sensor, logic, actuator) to EN ISO 13849-1, an analysis of all relevant components is required.
CAUTION:
The entire concept of the control system in which the safety component is integrated, must be validated to the relevant standards.
Technical data
General data:
- Standards: EN 60204-1, EN 60947-5-1,
- EN ISO 13849-1, IEC 61508
- Climate resistance: EN 60068-2-78
- Mounting: Snaps onto standard rail to EN 60715
- Terminal designations: EN 60947-1
- Material of the housings: Plastic, glass-fibre reinforced thermoplastic, ventilated
- Material of the contacts: AgCdO, self-cleaning, positive drive
- Weight: 400 g
- Start conditions: Automatic or start button
- Feedback circuit (Y/N): yes
- Pull-in delay: typ. 50 ms
- Drop-out delay in case of emergency stop: typ. 30 ms
- Drop-out delay on “supply failure”: On request
Mechanical data:
- Connection type: Screw connection
- Cable section: min. 0,25 mm² / max. 2,5 mm²
- Connecting cable: rigid or flexible
- Tightening torque for the terminals: 0.6 Nm
- With removable terminals (Y/N): yes
- Mechanical life: 10 million operations
- Electrical life: Derating curve available on request
- Resistance to shock: 10 g / 11 ms
- Resistance to vibrations to EN 60068-2-6: 10 … 55 Hz, amplitude 0.35 mm
Ambient conditions:
- Ambient temperature: – 25 °C … +45 °C
- Storage and transport temperature: – 40 °C … +85 °C
- Degree of protection: Enclosure: IP40
- Terminals: IP20
- Clearance: IP54
- Air clearances and creepage distances to EN 60664-1: 4 kV/2 (basic insulation)
- EMC rating: to EMC Directive
Electrical data:
- Contact resistance in new state: max. 100 mΩ
- Power consumption: 24 V-version: max. 3.6 W / 6.6 VA 230 V-version: max. 6.8 VA
- Rated operating voltage Ue: – 24 V-version: 24 VDC –15% / +20%,
- Residual ripple: 10% 24 VAC –15% / +10% – 230 V-version: 48 … 240 VAC
- Frequency range: 50 / 60 Hz
- Fuse rating for the operating voltage:
– 24 V-version: F1: Internal electronic trip, tripping current > 1 A; reset after disconnection of the supply voltage
– 230 V-version: primary side: safety fuse, tripping current > 1 A; secondary side: internal electronic fuse, tripping current > 0.12 A
Monitored inputs:
- Cross-wire detection (Y/N): Yes (only SRB206SQ)
- Wire breakage detection (Y/N): Yes
- Earth leakage detection (Y/N): Yes
- Number of NO contacts: 0
- Number of NC contacts: 2 … 12
- Cable length: 1,500 m with 1.5 mm²,
- 2,500 m with 2.5 mm²
- Conduction resistance: max. 40 Ω
Outputs:
- Number of safety contacts: 2
- Number of auxiliary contacts: 0
- Number of signalling outputs: 6
- Switching capacity of the safety contacts: 13-14 / 23-24: max. 250 V, 6 A ohmic (inductive in case of appropriate protective wiring)
- Fuse rating of the safety contacts: 6.3 A slow blow
- Utilisation category to EN 60947-5-1: AC-15 / DC-13
The data specified in this manual are applicable when the component is operated with rated operating voltage Ue ±0%.
Safety classification
- Standards: EN ISO 13849-1, IEC 61508
- PL: Stop 0: up to e
- Category: Stop 0: up to 4 (when an individual guard door is opened)
- DC: Stop 0: 99% (high) (when an individual guard door is opened)
- CCF: > 65 points
- PFH value: ≤ 2.00 × 10-8/h
- SIL: Stop 0: up to 3 (when an individual guard door is opened)
- Mission time: 20 years
The PFH value of 2.00 × 10-8/h applies to the combinations of contact load (current through enabling contacts) and number of switching cy-cles (nop/y) mentioned in the table below. At 365 operating days per year and a 24-hours operation, this results in the below-mentioned switching cycle times (tcycle) for the relay contacts.
Diverging applications upon request.
| Contact load | nop/y | tcycle |
| 20 % | 525,600 | 1.0 min |
| 40 % | 210,240 | 2.5 min |
| 60 % | 75,087 | 7.0 min |
| 80 % | 30,918 | 17.0 min |
| 100 % | 12,223 | 43.0 min |
Mounting
General mounting instructions
Mounting: snaps onto standard rails to EN 60715.
Snap the bottom of the enclosure slightly tilted forwards in the rail and push up until it latches in position.
To avoid EMC disturbances, the physical ambient and operational conditions at the place where the product is ins-talled, must meet the provisions laid down in the paragraph “Electromagnetic Compatibility (EMC)” of EN 60204-1.
Dimensions
Device dimensions (H/W/D): 100 x 45 x 121 mm with plugged-in terminals: 120 × 45 × 121 mm
Electrical connection
General information for electrical connection
WARNING: The electrical connection may only be carried out by authorised personnel in a deenergised condition.
WARNING: As far as the electrical safety is concerned, the protection against unintentional contact of the connected and therefore electrically interconnected apparatus and the insulation of the feed cables must be designed for the highest voltage, which can occur in the device.
Settle length x of the conductor: 7 mm X

Wiring examples: see appendix
Operating principle and settings
LED functions
- K1: Status channel 1
- K2: Status channel 2
- UB: Status operating voltage (LED is on, when the operating voltage on the terminals A1-A2 is ON)
- Ui: Status internal operating voltage (LED is on, when the operating voltage on the terminals A1-A2 is ON and the fuse has not been triggered)
Description of the terminals
| Voltages: | A1 A2 | +24 VDC / 24 VAC / 48 … 230 VAC 0 VDC / 24 VAC / 48 … 230 VAC |
| Inputs: | refer to 8.3 Sensor configuration | |
| Outputs: | 13-14 23-24 | First safety enabling circuit (stop 0) Second safety enabling circuit (STOP 0) |
| Feedback circuit: | X1-X3 | Automatic start |
| Start: | X1-X2 | Manual start (reset button, monitored) |
| Signalling output: | 41-42 | Auxiliary contact |

Circuit technical notes
WARNING: Signalling outputs must not be used in safety circuits.
WARNING: Due to the operating principle of the electronic fuse, the customer must check that no hazard is caused by an unexpected restart in circuits without reset button (automatic reset).
Set-up and maintenance
Functional testing
The safety function of the safety-monitoring module must be tested. The following conditions must be previously checked and met:
- Correct fixing
- Check the integrity of the cable entry and connections
- Check the safety-monitoring module’s enclosure for damage.
- Check the electrical function of the connected sensors and their influence on the safety-monitoring module and the downstream actuators
Maintenance
We recommend a regular visual inspection and functional test, including the following steps:
- Check the correct fixing of the safety-monitoring module
- Check the cable for damages
- Check electrical function
WARNING:
If a manual functional check is necessary to detect a possible accumulation of faults, then this must take place during the intervals noted as follows:
- at least every month for PL e with category 3 or category 4 (according to EN ISO 13849-1) or SIL 3 with HFT (hardware fault tolerance) = 1 (according to EN 62061);
- at least every 12 months for PL d with category 3 (according to EN ISO 13489-1) or SIL 2 with HFT (hardware fault tolerance) = 1 (according to EN 62061).
Damaged or defective components must be replaced.
Disassembly and disposal
Disassembly
The safety-monitoring module must be disassembled in a deenergized condition only.
Push up the bottom of the enclosure and hang out slightly tilted forwards.
Disposal
The safety-monitoring module must be disposed of in an appropriate manner in accordance with the national prescriptions and legislations.
Appendix
Wiring examples
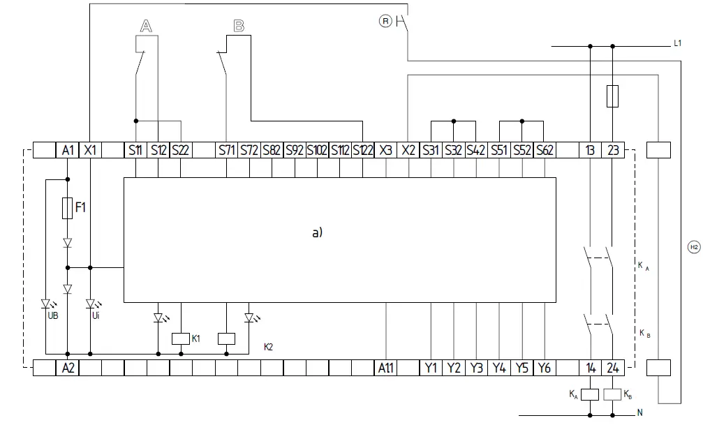
Dual-channel control, shown for a guard door monitor; with two contacts, where at least one is a positive break contact; with external reset button R
- Relay outputs: Suitable for 2-channel control, for increase in capacity or number of contacts by means of contactors or relays with positive-guided contacts.
- The control system recognizes wire breakage, earth faults (and cross-wire shorts in the SQ version) in the guard monitoring circuits.
- S = Feedback circuit

Fig. 2
a) Logic
Start configuration Automatic start (see Fig. 3)
- The automatic start is programmed by connecting the feedback circuit to the terminals X1-X3. If the feedback circuit is not required, establish a bridge.
- When the safety-monitoring module is used with the operating mode “Automatic start”, an automatic restart after a shutdown in case of emergency must be prevented by the upstream control to EN 60204-1 paragraph 9.2.3.4.2.
External reset button (monitored) (see Fig. 4)
- The external reset button is wired to the terminals X1-X2.
- The safety-monitoring module is activated by the reset (after release) of the reset button (= detection of the trailing edge). Faults in the reset button, e.g. welded contacts or manipulations which could lead to an inadvertent restart, are detected in this configuration and will result in an inhibition of the operation.
- The external reset button is integrated in the feedback circuit in series.

Sensor configuration
Sixfold emergency stop circuit to EN 60947-5-5 (see Fig. 5 a-f)
- Dual-channel control
- This control system recognizes earth faults (only SRB206ST-24V and SRB206SQ-24V) and wire breakage in the control circuits.
- Cross-wire shorts between the control circuits are detected (only SRB206SQ-24V and SRB206SQ-230V).
- In case of a partial assignment (less than 6 sensors connected) also refer to the table below with the then required bridges.
| Connection of 1 emergency stop circuit: | Bridges: | |
| NC contact 1 NC contact 2 | S11-S12 S71-S122 | S11 / S22 / S31 / S32 / S42 / S51 / S52 / S62 |
| Connection of 2 emergency stop circuit: | Bridges: | |
| NC contact 1 NC contact 2 NC contact 3 NC contact 4 | S11-S12 S71-S72 S11-S22 S72-S122 | S31 / S32 / S42 / S51 / S52 / S62 |
| Connection of 3 emergency stop circuit: | Bridges: | |
| NC contact 1 NC contact 2 NC contact 3 NC contact 4 NC contact 5 NC contact 6 | S11-S12 S71-S72 S11-S22 S72-S82 S31-S32 S82-S122 | S31 / S42 / S51 / S52 / S62 |
| Connection of 4 emergency stop circuit: | Bridges: | |
| NC contact 1 NC contact 2 NC contact 3 NC contact 4 NC contact 5 NC contact 6 NC contact 7 NC contact 8 | S11-S12 S71-S72 S11-S22 S72-S82 S31-S32 S82-S92 S31-S42 S92-S122 | S51 / S52 / S62 |
| Connection of 5 emergency stop circuit: | Bridges: | |
| NC contact 1 NC contact 2 NC contact 3 NC contact 4 NC contact 5 NC contact 6 NC contact 7 NC contact 8 NC contact 9 NC contact 10 | S11-S12 S71-S72 S11-S22 S72-S82 S31-S32 S82-S92 S31-S42 S92-S102 S51-S52 S102-S122 | S51 / S62 |
| Connection of 6 emergency stop circuit: | Bridges: | |
| NC contact 1 NC contact 2 NC contact 3 NC contact 4 NC contact 5 NC contact 6 NC contact 7 NC contact 8 NC contact 9 NC contact 10 NC contact 11 NC contact 12 | S11-S12 S71-S72 S11-S22 S72-S82 S31-S32 S82-S92 S41-S42 S92-S102 S51-S52 S102-S112 S51-S62 S112-S122 | None |

Sixfold guard door monitoring to EN ISO 14119 with at least one positive break position switch (see Fig. 6 a-f)
- Dual-channel control
- This control system recognizes earth faults (only SRB206ST-24V and SRB206SQ-24V) and wire breakage in the control
- Cross-wire shorts between the control circuits are detected (only SRB206SQ-24V and SRB206SQ-230V).
- In case of a partial assignment (less than 6 sensors connected) also refer to the table below with the required


Sixfold guard door monitoring to EN ISO 14119 with one positive break position switch (only possible with version SRB206ST-24V /-230V (see Fig. 7 a-f)
- Single-channel control, refer to the table below for the status of the signaling outputs Y1…Y6.
- The control system recognizes wire-breakage and earth faults in the control circuit.
- In case of a partial assignment (less than 6 sensors connected) also refer to the table below with the required bridges
| Connection of 1 safety guard: | Bridges: | |
| NC contact 1 | S71-S72 | S72 / S12 / S22 / S32 / S42 / S52 / S62 / S122 |
| Connection of 2 safety guards: | Bridges: | |
| NC contact 1 NC contact 2 | S71-S12 S72-S82 | S12-S72 / S82 / S22 / S32 / S42 / S52 / S62 / S122 |
| Connection of 3 safety guards: | Bridges: | |
| NC contact 1 NC contact 2 NC contact 3 | S71-S12 S72-S22 S82-S92 | S12-S72 / S22-S82 / S92 / S32 / S42 / S52 / S62 / S122 |
| Connection of 4 safety guards: | Bridges: | |
| NC contact 1 NC contact 2 NC contact 3 NC contact 4 | S71-S12 S72-S22 S82-S32 S92-S102 | S12-S72 / S22-S82 / S32-S92 / S102 / S42 / S52 / S62 / S122 |
| Connection of 5 safety guards: | Bridges: | |
| NC contact 1 NC contact 2 NC contact 3 NC contact 4 NC contact 5 | S71-S12 S72-S22 S82-S32 S92-S42 S102-S112 | S12-S72 / S22-S82 / S32-S92 / S42-S102 / S112-S52 / S62-S122 |
| Connection of 6 safety guards: | Bridges: | |
| NC contact 1 NC contact 2 NC contact 3 NC contact 4 NC contact 5 NC contact 6 | S71-S12 S72-S22 S82-S32 S92-S42 S102-S52 S112-S62 | S12-S72 / S22-S82 / S32-S92 / S42-S102 / S112-S52 / S62-S122 |
| Y1 | Y2 | Y3 | Y4 | Y5 | Y6 | Status |
| 1 | 1 | 1 | 1 | 1 | 1 | All guards closed |
| 1 | 1 | 1 | 1 | 1 | 0 | Guard 6 open |
| 1 | 1 | 1 | 1 | 0 | 0 | Guard 5 open |
| 1 | 1 | 1 | 0 | 0 | 0 | Guard 4 open |
| 1 | 1 | 0 | 0 | 0 | 0 | Guard 3 open |
| 1 | 0 | 0 | 0 | 0 | 0 | Guard 2 open |
| 0 | 0 | 0 | 0 | 0 | 0 | Guard 1 open |


Sixfold emergency stop circuit to EN 60947-5-5 (only possible with version SRB206ST-24V / -230V (see Fig. 8 a-f)
- Single-channel control
- The control system recognises wire-breakage and earth faults in the control circuit.
- In case of a partial assignment (less than 6 sensors connected) also refer to the table below with the then required bridges.
| Connection of 1 emergency stop circuit: | Bridges: | |
| NC contact 1 | S71-S72 | S72 / S12 / S22 / S32 / S42 / S52 / S62 / S122 |
| Connection of 2 emergency stop circuits: | Bridges: | |
| NC contact 1 NC contact 2 | S71-S12 S72-S82 | S12-S72 / S82 / S22 / S32 / S42 / S52 / S62 / S122 |
| Connection of 3 emergency stop circuits: | Bridges: | |
| NC contact 1 NC contact 2 NC contact 3 | S71-S12 S72-S22 S82-S92 | S12-S72 / S22-S82 / S92 / S32 / S42 / S52 / S62 / S122 |
| Connection of 4 emergency stop circuits: | Bridges: | |
| NC contact 1 NC contact 2 NC contact 3 NC contact 4 | S71-S12 S72-S22 S82-S32 S92-S102 | S12-S72 / S22-S82 / S32-S92 / S102 / S42 / S52 / S62 / S122 |
| Connection of 5 emergency stop circuits: | Bridges: | |
| NC contact 1 NC contact 2 NC contact 3 NC contact 4 NC contact 5 | S71-S12 S72-S22 S82-S32 S92-S42 S102-S112 | S12-S72 / S22-S82 / S32-S92 / S42-S102 / S112-S52 / S62-S122 |
| Connection of 6 emergency stop circuits: | Bridges: | |
| NC contact 1 NC contact 2 NC contact 3 NC contact 4 NC contact 5 NC contact 6 | S71-S12 S72-S22 S82-S32 S92-S42 S102-S52 S112-S62 | S12-S72 / S22-S82 / S32-S92 / S42-S102 / S112-S52 / S62-S122 |
| Y1 | Y2 | Y3 | Y4 | Y5 | Y6 | Status |
| 1 | 1 | 1 | 1 | 1 | 1 | No emergency stop actuated |
| 1 | 1 | 1 | 1 | 1 | 0 | Emergency stop 6 actuated |
| 1 | 1 | 1 | 1 | 0 | 0 | Emergency stop 5 actuated |
| 1 | 1 | 1 | 0 | 0 | 0 | Emergency stop 4 actuated |
| 1 | 1 | 0 | 0 | 0 | 0 | Emergency stop 3 actuated |
| 1 | 0 | 0 | 0 | 0 | 0 | Emergency stop 2 actuated |
| 0 | 0 | 0 | 0 | 0 | 0 | Emergency stop 1 actuated |

Notes:
- Max. category 4 to EN ISO 13849-1 (when an individual emergency stop or guard door circuit is opened). To control the risk of error accumulation, which is especially required in control category 4, we recommend regularly checking the circuit by means of a start-up test.
- Max. category 3 to EN ISO 13849-1 (when multiple guard door or emergency stop circuits are simultaneously opened).
- An individual fault of the sensors does not lead to the safety function to be lost.
- If the single failure occurs, the safety function will be maintained. Some, although not all, errors will be recognized. An accumulation of unrecognized errors could cause the safety function to be lost. Wiring example signaling output (see Fig. 9)
- Visualization of the door position by external LED indications at the signaling outputs Y1-Y6
- When the safety guard is closed, the signaling output is supplied with 24V.
WARNING: Do not use the signalling outputs for safety circuits!
Actuator configuration
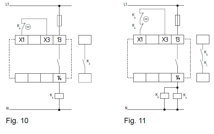
Single-channel control (see Fig. 10)
- Suitable for increase in capacity or number of contacts by means of contactors or relays with positive-guided contacts.
- H2 = feedback circuit:
If the feedback circuit is not required, establish a bridge.Dual-channel control with feedback circuit (see Fig. 11) - Suitable for increase in capacity or number of contacts by means of contactors or relays with positive-guided contacts.
- H2 = feedback circuit:
If the feedback circuit is not required, establish a bridge.

EU Declaration of conformity


NOTE: The currently valid declaration of conformity can be downloaded from the internet at products.schmersal.com
K.A. Schmersal GmbH & Co. KG Möddinghofe 30, 42279 Wuppertal Germany
Phone: +49 202 6474-0 Telefax: +49 202 6474-100
E-Mail: [email protected]
Internet: www.schmersal.com

Actuator configuration

















