Your Networking Ally
User’s Guide
ES11 Series
Unmanaged Fast Ethernet Switches

IMPORTANT
READ CAREFULLY BEFORE USE
KEEP THIS GUIDE FOR FUTURE REFERENCE
This is a User’s Guide for a series of products. Not all products support all firmware features. Screenshots and graphics in this book may differ slightly from your product due to differences in your product firmware or your computer operating system. Every effort has been made to ensure that the information in this manual is accurate.
Related Documentation
• More Information
Go to support.zyxel.com to find other information on the Switch.

http://www.zyxel.com/support/support_landing.shtml
Document Conventions
Wa mings and Notes
These are how warnings and notes are shown in this guide.
Wa mings to you bout things that could harm you or your device.
Note: Notes tell you other important information (for example, other things you may need to configure or helpful tips) or recommendations.
Syntax Conventions
• All models may be referred to as the “Switch” in this guide.
Icons Used in Figures
Figures in this user guide may use the following generic icons. The Switch icon is not an exact representation of your device.

CHAPTER 1
Getting to How Your &vitch
1.1 Overview
This Users Guide covers the following models: ES1100-8P, ES1100-16, ES1100-16P, ES1100-24, and ES1100- 24E. The Switch can be used to build high-performance switched workgroup networks.
Table 1 ES1100 Series Comparison Table
PORT/ SWITCH DETAILS | ES1100-8P | ES1100-16 | ES1100-16P | ES1100-24 | ES1100-24E |
| 16 10/100Base-TX Ethernet ports | √ | ||||
| 24 10/100Base-TX Ethernet ports | √ | √ | |||
| 8 10/100Base-TX Ethernet ports (including 4 FE PoE ports) | √ | ||||
| 16 10/100Base-TX Ethernet ports (including 8 FE PoE ports) | √ | ||||
| IEEE 802.3az ON/OFF switch | √ | √ | |||
| Power ON/OFF switch | √ | √ | √ | ||
| FE PoE ports | √ | √ | |||
| IEEE 802.3az EEE | √ | √ | √ | √ | √ |
| Loop detection | √ | √ | √ | ||
| Jumbo frame | √ | √ | √ |
The following features apply to all models:
- Conforms to IEEE 802.3, 802.3u, and 802.3x wired Ethernet standards.
- 10/100 Mbps Fast Ethernet RJ-45 ports. auto-negotiating Ethernet RJ-45 ports.
- Auto-sensing crossover for all RJ-45 ports.
- Supports N-Way protocol for speed (10/100/1000 Mbps) and duplex mode (Half/Full auto-detection.
- Supports store-and-forward switching.
- Supports automatic address learning (8000 MAC addresses for ES1100-l 6, ESI l 00-16P, ESI 100-24, and ES1100-24E; 1000 MAC addresses for ES l 00-8P).
- Full wire-speed forwarding rate.
- 802.1p CoS support.
- Inactive link detection to reduce power usage on idle devices. Detects cable length and adjusts power usage based on this.
1.1.1 Power over Ethernet (PoE}
The Switch is a Power Sourcing Equipment (PSE) because it provides a source of power via its
Ethernet ports. Each device receives power through an Ethernet portisa Powered Device (PD).
The Switch is configured in consumption mode, that is, it supplies the actual power the PD needs.
The Switch supports the IEEE 802.3af Power over Ethernet (PoEj standard.
The Switch supplies power with the lowest numbered port having the highest priority by default. For example, pos 1 has the highest priority, port 2 the next, and so on.
Not all models support PoE. See Table 1 on page 5.
Key PoE feature comparison is as follows:
Table 2 PoE Comparison
FEATURE | ES1100-8P | ES1100-16P |
| PoE Ports | 4 (ports 1-4) | 8 (ports 1-8) |
| PoE Power Budget | 64 W | 130 W |
| Power management mode | Consumption | Consumption |
| PoE Standard | IEEE 802.3af | IEEE 802.3af |
| Maximum Power per Port | 15.4 W | 15.4 W |
1.2 Applications
This section provides two network topology examples in which the Switch is used.
1.2.1 Backbone Eva simple Application
The Switch is an ideal solution for small networks where rapid growth can be expected in the near future. The Switch can be used standalone for a group of heavy traffic users. You can connect computers and servers directly to the Switch’s port or connect other switches to the Switch.
In this example, all computers can share high-speed applications on the server. To expand the network, simply add more networking devices such as switches, routers, computers, print servers, etc.
Figure 1 Backbone Example Application

1.2.2 Bldging Example Application
With its large address table and high performance, the Switch is an ideal solution for the department networks to connect to the corporate backbone or for connecting network segments.
The following figure depicts a typical segment bridge application of the Switch in an enterprise environment. The two networks (RD and Sales), the standalone server, and the computers can all communicate with each other and share all network resources.
Figure 2 Bridging Example

1.2.3 PoE Example Application
The following example figure shows a Switch supplying PoE (Power over Ethernet) to Powered Devices (PDsj such as an IP camera, a wireless router, an IP telephone, and a general outdoor router that are not within reach of a power outlet. For more information about PoE, see Section
Figure 3 Powered Device Examples

Hardware Dewñption and Connection
2.1.1 Rear Panel
The three-pronged power receptacle is located on the rear panel of the Switch. Refer to the power
supply requirements on the panel.
Figure 4 Rear Panel

2.1.1 Bra r PaneI Power Connection
Connect one end of the supplied power cord to the power receptacle on the back of the Switch and
the other end to the appropriate power source.
For ES1100-8P, ES1100-l 6P, and ES1100-24E, use the POWER ON/ OFF switch to have the Switch power on or off.
2.2 Front Panel
The front panel of the Switch includes the auto-negotiating 10 Base-T/l 00 Base-TX RJ-45 ports and
the LEDs. The following shows the front panels of each ES1100 model.

2.2.1 RJ-45 auto-negotiating Ports
All the RJ-45 ports in the ES 1100 series are auto-negotiating and supports auto-crossover.
An auto-negotiating port can detect and adjust to the optimum Ethernet speed (10/100/1000 Mbps) and duplex mode (full-duplex or half-duplex) of the connected device.
2.2.2 IEEE 802.3az Energy Efficient Ethernet
The Switch supports the IEEE 802.3az EEE (Energy Efficient Ethernet) standard to help reduce power consumption. This allows the Switch to go into power-saving mode and switch off the part of receive and transmit circuitry when it is not transmitting or receiving data through an Ethernet connection. See Section l .1 on page 5 to check which devices support EEE.
An EEE-enabled device initiates Low Power Idle (LPI) signals to negotiate and wake up the remote device when there is data to be transmitted. To use EEE, both devices should be EEE compliant.
EEE is configured on a per-system basis in the Switch. If one of the networking devices that connect to the Switch doesn’t support EEE, EEE may not work in the Switch to save power.
The EEE feature is enabled by default on the ES1100-16, ESI 100-24, and ES1100-24E. Press in the IEEE 802.3az EEE ON/ OE button on the ES1 00-8P and ESI 100-16P front panel to turn on the EEE feature. Disable it if the remote side doesn’t support it or you don’t want the network performance to be impacted due to the latency from the additional time required for the sleep and wake transition.
2.2.3 Front PaneI Connections
You can use unshielded twisted pair (UTP) or shielded twisted-pair (STP) Ethernet cables for RJ-45 pows. The following table describes the types of network cable used for the different connection speeds.
Table 3 Network Cable Types
SPEED | NETWORK CABLE TYPE |
| 10 Mbps | Category 3, 4 or 5 UTP/STP |
| 100 Mbps | Category 5 UTP/STP |
You can use either crossover or straight-through cables for all the ports.
2.2.4 Front panel LEDs
The LED Indicators give real-time information about the status of the Switch. The following tables
provide descriptions of the LEDs.
Figure 6 LEDs for ES1100-l 6/24/24E

The following table describes the LEDs.
Table 4 LED Descriptions for ES1100-16/24/24E
| LED | COLOR | STATUS | DESCRIPTION |
| PWR | Green | On | The Switch is on and is receiving power. |
| Off | The Switch is not receiving power. | ||
| LINK/ACT | Green | On | The port is connected to an Ethernet network at 10M or 100M speed. |
| Blinking (Normal) | The port is receiving or transmitting data. | ||
| Blinking (Slow) | The Ethernet network link is down due to loop detection. | ||
| Off | The port is not connected to an Ethernet network. |
Figure 7 LEDs for ES 1100—8P/ 6P
The following table describes the LEDs.
LED | COLOR | STATUS | DESCRIPTION |
| PWR | Green | On | The Switch is on and receiving power. |
| Off | The Switch is not receiving power. | ||
| LINK/ACT | Green | On | The port is connected to an Ethernet network at 10M or 100M speed. |
| Off | The port is not connected to an Ethernet network. | ||
| PoE | Green | On | Power is supplied to the FE PoE port. |
| Off | Power is not supplied to the FE PoE port. |
2.3 Hardware installation
See the following table for a comparison of the hardware installation methods of each ES
1100 model:
Table 6 ES1100 Series Installation Comparison Table
MODEL FEATURE | ES1100-8P | ES1100-16 | ES1100-16P | ES1100-24 | ES1100-24E |
| Desktop Installation | √ | √ | √ | √ | |
| Wall-mounting | √ | √ | √ | √ | |
| Rack-mounting | √ | √ | √ | √ | √ |
Note: Ask an authorized technician to attach the Switch to the rack/wall.
Make sure you connect the Svvitc h’s power cord to a socket-outlet with an unearthing connection or its equivalent.
Wa ming! this Svvitc is not suitable for use in locations where children are like Iy to be present.
For ES1100-8P/16/16P/24E, you can place the Switch directly on top of your desk or have it rack-mounted. Take note of the following:
The Switch should have a minimum of 25 mm space around it for ventilation.
The Switch should be placed on ina desk that has a level surface and that is able to support the weight of the Switch.
To start using it, simply connect the power cables and turn on the Switch.
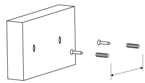
2.3.1 Wa II Mounting
Do the following to attach your Switch to a wall. See which models can be wall-mounted in
See Table 7 on page 13 for the distance between screws.
| MODEL | DISTANCE |
| ES1100-8P and ES1100-16P | 198 mm |
| ES1100-16 | 150 mm |
| ES1100-24E | 210 mm |
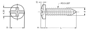
The following figure shows the screw specifications used for wall mounting.
• D = 7.00 mm
• H = 2.00 mm
• L= 15.50 mm
• d = 3.50 mm

- Screw the two screws provided with your Switch into the wall (see the figure in step 2). Do not screw them all the way into the wall: leave a small gap between the head of the screw and the wall.
The gap must be big enough for the screw heads to slide into the screw slots and the power cord to run down the back of the Switch.
Note: Make sure the screws are securely fixed to the wall and strong enough to hold the weight of the Switch with the connection cables. - Use the mounting holes on the Switch to hang the Switch on the screws.

Wa II-mount the S/vitc h with The met ports fa c ing down and the ventilation holes on the side.
2.3.2 Rock Mounting
The Switch can be mounted on an EIA standard-size, 19-inch rack or in a wiring closet with other equipment. Follow the steps below to mount your Switch on a standard EIA rack using a rack-mounting kit. See Section 2.3 on page 12 for a list of models that can be rack-mounted.
Ra CK-mounted install Ilation F requirements
- Two mounting brackets.
- Eight M3 flat head screws and a #2 Philips screwdriver. Four M5 flat head screws and a #2 Philips screwdriver.
Fa failure to use the proper screws may damage the unit.
Precautions
- Make sure the rack will safely support the combined weight of all the equipment it contains.
- Make sure the position of the Switch does not make the rack unstable or top-heavy. Take all necessary precautions to anchor the rack securely before installing the unit.
Attaching the Mounting Brackets to the Switch
Position a mounting bracket on one side of the Switch, lining up the four screw holes on the bracket with the screw holes on the side of the Switch.
Figure 8 Attaching the Mounting Brackets (ES1100-8P/16/16P/24E)

figure 9 Attaching the Mounting Brackets (ES1100-24)

Using the #2 Philips screwdriver, install the M3 flat head screws through the mounting bracket holes into the Switch.
Repeat steps 1 and 2 to install the second mounting bracket on the other side of
the Switch.
You may now mount the Switch on a rack. Proceed to the next section.
2.3.3 Mounting the Svvitc h on a Rock
Position mounting bracket (that is already attached to the Switch) on one side of the rack, lining up the two screw holes on the bracket with the screw holes on the side of the rack.
Figure 10 Mounting the Switch on a Rack (ES1100-8P/16/16P/24E
Figure 10 Mounting the Switch on a Rack (ES1100-8P/16/16P/24E
Using the #2 Philips screwdriver, install the M5 flat head screws through the mounting bracket holes into the rack.
Repeat steps 1 and 2 to attach the second mounting bracket on the other side of the rack.
This section describes common problems you may encounter with the Switch and possible solutions.
Troubleshoot the Switch using the LEDs to detect problems.
The PWR LED on the front panel does not light up.
- Check the connections from your Switch to the power source. Make sure you are using the supplied power cord and that you are using an appropriate power source. Refer to the product specifications.
- Make sure the power source is turned on and that the Switch is receiving sufficient power. If these steps fail to correct the problem, contact your local distributor for assistance.
The MNK/ ACT LED does not light up when a device is connected.
- Verify that the attached device is turned on and properly connected to your Switch.
- Make sure the network adapters are working on the attached devices. Verify that proper network cable type is used and its length does not exceed 100 meters. For more information on network cable types, see Section 3. on page 18.
Power is not being supplied to my PoE-enabled device.
- See Section 1.1 on page 5 to check if your switch supports PoE. Make sure it is connected to the PoE- enabled port (see Section 1.1.1 on page 6).
- If the PWR LED is off, check to see that the power cord is securely connected to the Switch and an appropriate power source. Make sure the power source is on and functioning properly.
- Check that the Ethernet cables are connected properly and that you are using the correct type of Ethernet cable.
- Make sure your powered device’s power consumption does not exceed the maximum power that the port can supply. See Section 1.1. on page 6.
- Make sure that the total power consumption of all your connected powered devices is within the power budget of the Switch. See Section 1.1.1 on page 6.
- Contact your local distributor if the problem persists.
3.1 Improper Network Cabling and Topology
Improper network cabling or topology setup is a common cause of poor network performance or even network failure.
figure 12 Troubleshooting Improper Network Cabling and Topology
PROBLEM | CORRECTIVE ACTION |
| Faulty cables | Using faulty network cables may affect data rates and have an impact on your network performance. Replace with new standard network cables. |
| Non-standard network cables | Non-standard cables may increase the number of network collisions and cause other network problems that affect your network performance. Refer to Section 2.2.3 on page 11 for more information on network cable types. |
| Cabling Length | If you use longer cables than are needed, transmission quality may be affected. The network cables should not be longer than the limit of 100 meters. |
| Too many hubs between the computers in the network | Too many hubs (or repeaters) between the connected computers in the network may increase the number of network collisions or other network problems. Remove unnecessary hubs from the network. |
| A loop in the data path | A data path loop forms when there is more than one path or route between two networked computers. This results in broadcast storms that will severely affect your network performance. Make sure there are no loops in your network topology. |
In the event of problems that cannot be solved by using this manual, you should contact your vendor. If you cannot contact your vendor, then contact a Zyxel office for the region in which you bought the device.
See https://www.zyxel.com/homepage.shtml and also
https://www.zyxcel.com/about_zyxel/zyxel_worldwide.shtml for the latest information.
Please have the following information ready when you contact an office.
Required Information
- Product model and serial
- Warranty
- The date that you received your
- Brief description of the problem and the steps you took to solve
Corporate Headquarters (Worldwide)
Taiwan
- Zyxel Communications Corporation
- http://www.zyxel.com
Asia
China
- Zyxel Communications (Shanghai) Corp.
Zyxel Communications (Beijing)
Zyxel Communications (Tianjin) Corp. - https://www.zyxel.com/cn/zh/
India
- Zyxel Technology India Pvt Ltd
- https://www.zyxel.com/in/en/
Kazakhstan
- Zyxel Kazakhstan
- https://www.zyxel.kz
Korea
- Zyxel Korea
- http://www.zyxel.kr
Malaysia
- Zyxel Malaysia Sdn
- http://www.zyxel.com.my
Pakistan
- Zyxel Pakistan (Pvt.)
- http://www.zyxel.com.pk
Philippines
- Zyxel Philippines
- http://www.zyxel.com.ph
Singapore
- Zyxel Singapore Pte
- http://www.zyxel.com.sg
Taiwan
- Zyxel Communications Corporation
- https://www.zyxel.com/tw/zh/
Thailand
- Zyxel Thailand, Ltd
- https://www.zyxel.com/th/th/
Vietnam
- Zyxel Communications Corporation-Vietnam Office
- https://www.zyxel.com/vn/vi
Europe
Belarus
- Zyxel BY
- https://www.zyxel.by
Belgium
- Zyxel Communications V.
- https://www.zyxel.com/be/fr/
Bulgaria
- Zyxel България
- https://www.zyxel.com/bg/bg/
Czech Republic
- Zyxel Communications Czech r.o
- https://www.zyxel.com/cz/cs/
Denmark
- Zyxel Communications A/S
- https://www.zyxel.com/dk/da/
Estonia
- Zyxel Estonia
- https://zyxel.com/ee/et/
Finland
- Zyxel Communications
- https://www.zyxel.com/fi/fi/
France
- Zyxel France
- https://www.zyxel.fr
Germany
- Zyxel Deutschland GmbH
- https://www.zyxel.com/de/de/
Hungary
- Zyxel Hungary & SEE
- https://www.zyxel.com/hu/hu/
Italy
- Zyxel Communications Italy
- https://www.zyxel.com/it/it/
Latvia
- Zyxel Latvia
- https://www.zyxel.com/lv/lv/
Lithuania
- Zyxel Lithuania
- https://www.zyxel.com/lt/lt/
Netherlands
- Zyxel Benelux
- https://www.zyxel.com/nl/nl/
Norway
- Zyxel Communications
- https://www.zyxel.com/no/no/
Poland
- Zyxel Communications Poland
- https://www.zyxel.com/pl/pl/
Romania
- Zyxel Romania
- https://www.zyxel.com/ro/ro
Russia
- Zyxel Russia
- https://www.zyxel.com/ru/ru/
Slovakia
- Zyxel Communications Czech r.o. organizing zlozka
- https://www.zyxel.com/sk/sk/
Spain
- Zyxel Communications ES Ltd
- https://www.zyxel.com/es/es/
Sweden
- Zyxel Communications
- https://www.zyxel.com/se/sv/
Switzerland
Turkey
- Zyxel Turkey S.
- https://www.zyxel.com/tr/tr/
UK
- Zyxel Communications UK
- https://www.zyxel.com/uk/en/
Ukraine
- Zyxel Ukraine
- http://www.ua.zyxel.com
South America
Argentina
- Zyxel Communications Corporation
- https://www.zyxel.com/co/es/
Brazil
- Zyxel Communications Brasil
- https://www.zyxel.com/br/pt/
Colombia
- Zyxel Communications Corporation
- https://www.zyxel.com/co/es/
Ecuador
- Zyxel Communications Corporation
- https://wwzyxel.com/co/es/
South Americ a
- Zyxel Communications Corporation
- https://www.zyxel.com/co/es/
Middle East
Israel
- Zyxel Communications Corporation
- http://il.zyxel.com/
Middle East
- Zyxel Communications Corporation
- https://www.zyxel.com/me/en/
North America
USA
- Zyxel Communications, – North America Headquarters
- https://wwzyxel.com/us/en/
Oceania
Australia
- Zyxel Communications Corporation
- https://www.zyxel.com/au/en/
Africa
South Africa
- Nology (Pty)
- https://www.zyxel.com/za/en/
Copyright
Copyright © 2021 by Zyxel Communications Corporation.
The contents of this publication may not be reproduced in any part or as a whole, transcribed, stored in a retrieval system, translated into any language, or transmitted in any form or by any means, electronic, mechanical, magnetic, optical, chemical, photocopying, manual, or otherwise, without the prior written permission of Zyxel Communications Corporation.
Disclaimer
Zyxel does not assume any liability arising out of the application or use of any products, or software described herein. Neither does it convey any license under its patent rights nor the patent rights of others. Zyxel further reserves the right to make changes in any products described herein without notice. This publication is subject to change without notice.
Regulatory Notice and Statement United States of America
![]()
The following information applies if you use the product within the USA area.
Federal Communications Commission (FCC) EMC Statement
- This device complies with Part 15 of FCC Operation is subject to the following two conditions:
- This device may not cause harmful
- This device must accept any interference received, including interference that may cause undesired
- Changes or modifications not expressly approved by the party responsible for compliance could void the user’s authority to operate the
- This equipment has been tested and found to comply with the limits for a Class A digital device, pursuant to part 15 of the FCC These limits are designed to provide reasonable protection against harmful interference when the equipment is operated in a commercial environment. This equipment generates, uses, and can radiate radio frequency energy and, if not installed and used in accordance with the instruction manual, may cause harmful interference to radio communications. Operation of this equipment in a residential area is likely to cause harmful interference in which case the user will be required to correct the interference at his own expense.
Canada
The following information applies if you use the product within the Canadian area
Innovation, Science and Economic Development Canada ICES Statement CAN ICES-3 (A)/NMB-3(A)
European Union
The following information applies if you use the product within the European Union.
CE EMC statement
WARNING: This equipment is compliant with Class A of EN55032. In a residential environment, this equipment may cause radio interference.
List of National Codes
COUNTRY | ISO 3166 2 LETTER CODE | COUNTRY | ISO 3166 2 LETTER CODE |
| Austria | AT | Liechtenstein | LI |
| Belgium | BE | Lithuania | LT |
| Bulgaria | BG | Luxembourg | LU |
| Croatia | HR | Malta | MT |
| Cyprus | CY | Netherlands | NL |
| Czech Republic | CR | Norway | NO |
| Denmark | DK | Poland | PL |
| Estonia | EE | Portugal | PT |
| Finland | FI | Romania | RO |
| France | FR | Serbia | RS |
| Germany | DE | Slovakia | SK |
| Greece | GR | Slovenia | SI |
| Hungary | HU | Spain | ES |
| Iceland | IS | Sweden | SE |
| Ireland | IE | Switzerland | CH |
| Italy | IT | Turkey | TR |
| Latvia | LV | United Kingdom | GB |
Safety Warnings
- Do NOT use this product near water, for example, in a wet basement or near a swimming
- Do NOT expose your device to dampness, dust, or corrosive
- Do NOT store things on the
- Do NOT obstruct the device ventilation slots as insufficient airflow may harm your device. For example, do not place the device in an enclosed space such as a box or on a very soft surface such as a bed or
- Do NOT install, use, or service this device during a There is a remote risk of electric shock from lightning.
- Connect ONLY suitable accessories to the
- Do NOT open the device or Opening or removing covers can expose you to dangerous high voltage points or other risks. ONLY qualified service personnel should service or disassemble this device. Please contact your vendor for further information.
- Make sure to connect the cables to the correct
- Place connecting cables carefully so that no one will step on them or stumble over
- Always disconnect all cables from this device before servicing or disassembling.
- Use ONLY an appropriate power adaptor or cord for your Connect it to the right supply voltage (for example, 110V AC in North America or 230V AC in Europe).
- DO NOT remove the plug and connect it to a power outlet by itself; always attach the plug to the power adaptor first before connecting it to a power
- Do NOT allow anything to rest on the power adaptor or cord and do NOT place the product where anyone can walk on the power adaptor or
- Do NOT use the device if the power adaptor or cord is damaged as it might cause
- If the power adaptor or cord is damaged, remove it from the device and the power
- Do NOT attempt to repair the power adaptor or Contact your local vendor to order a new one.
- DO NOT use the device outside, and make sure all the connections are There is a remote risk of electric shock from lightning.
- CAUTION: RISK OF EXPLOSION IF BATTERY IS REPLACED BY AN INCORRECT DISPOSAL OF USED BATTERIES ACCORDING TO THE INSTRUCTIONS. Dispose of them at the applicable collection point for the recycling of electrical and electronic equipment. For detailed information about recycling of this product, please contact your local city office, your household waste disposal service, or the store where you purchased the product.
- Use ONLY power wires of the appropriate wire gauge for your Connect it to a power supply of the correct voltage.
- Fuse Warning! Replace a fuse only with a fuse of the same type and The POE (Power over Ethernet) devices that supply or receive power and their connected Ethernet cables must all be completely
- This equipment must be grounded by qualified service Never defeat the ground conductor or operate the equipment in the absence of a suitably installed ground conductor. Contact the appropriate electrical inspection authority or an electrician if you are uncertain that suitable grounding is available.
- When connecting or disconnecting power to hot-pluggable power supplies, if offered with your system, observe the following guidelines:
–Install the power supply before connecting the power cable to the power supply
–Unplug the power cable before removing the power
–If the system has multiple sources of power, disconnect power from the system by unplugging all power cables from the power - The following warning statements apply, where the disconnect device is not incorporated in the equipment or where the plug on the power supply cord is intended to serve as the disconnect device,
–For PERMANENTLY CONNECTED EQUIPMENT, a readily accessible disconnect device shall be incorporated external to the equipment;
–For PLUGGABLE EQUIPMENT, the socket-outlet shall be installed near the equipment and shall be easily accessible.
Environment Statement
European Union – Disposal and Recycling Information
The symbol below means that according to local regulations your product and/or its battery shall be disposed of separately from domestic waste. If this product is end-of-life, take it to a recycling station designated by local authorities. At the time of disposal, the separate collection of your product and/or its battery will help save natural resources and ensure that the environment is sustainable development.
Die folgende Symbol bedeutet, dass Ihr Produkt und/oder seine Batterie gemäß den örtlichen Bestimmungen getrennt vom Hausmüll entsorgt werden muss. Wenden Sie sich an eine Recyclingstation, wenn dieses Produkt das Ende seiner Lebensdauer erreicht hat. Zum Zeitpunkt der Entsorgung wird die getrennte Sammlung von Produkt und/oder seiner Batterie dazu beitragen, natürliche Ressourcen zu sparen und die Umwelt und die menschliche Gesundheit zu schützen.
![]()
About the Symbols
Various symbols are used in this product to ensure correct usage, to prevent danger to the user and others, and to prevent property damage. The meaning of these symbols is described below. It is important that you read these descriptions thoroughly and fully understand the contents.
Explanation of the Symbols
SYMBOL | EXPLANATION |
| Alternating current (AC): AC is an electric current in which the flow of electric charge periodically reverses direction. | |
| Direct current (DC): DC if the unidirectional flow or movement of electric charge carriers. | |
| Earth; ground: A wiring terminal intended for connection of a Protective Earthing Conductor. | |
| Class II equipment: The method of protection against electric shock in the case of class II equipment is either double insulation or reinforced insulation. |
Viewing Certifications
Go to http://www.zyxel.com to view this product’s documentation and certifications.
Zyxel Limited Warranty
Zyxel warrants to the original end-user (purchaser) that this product is free from any defects in material or workmanship for a specific period (the Warranty Period) from the date of purchase. The Warranty Period varies by region. Check with your vendor and/or the authorized Zyxel local distributor for details about the Warranty Period of this product. During the warranty period, and upon proof of purchase, should the product have indications of failure due to faulty workmanship and/or materials, Zyxel will, at its discretion, repair or replace the defective products or components without charge for either parts or labor, and to whatever extent it shall deem necessary to restore the product or components to proper operating condition. Any replacement will consist of a new or re-manufactured functionally equivalent product of equal or higher value and will be solely at the discretion of Zyxel. This warranty shall not apply if the product has been modified, misused, tampered with, damaged by an act of God, or subjected to abnormal working conditions.
Note
Repair or replacement, as provided under this warranty, is the exclusive remedy of the purchaser. This warranty is in lieu of all other warranties, express or implied, including any implied warranty of merchantability or fitness for a particular use or purpose. Zyxel shall in no event be held liable for indirect or consequential damages of any kind to the purchaser.
To obtain the services of this warranty, contact your vendor. You may also refer to the warranty policy for the region in which you bought the device at http://www.zyxel.com/web/support_warranty_info.php.
Registration
Register your product online at www.zyxel.com to receive email notices of firmware upgrades and related information.
Open Source Licenses
This product may contain in part some free software distributed under GPL license terms and/or GPL-like licenses.
To request the source code covered under these licenses, please go to: https://www.zyxel.com/form/gpl_oss_software_notice.shtml



















