IN-777 Series Air Servo Cylinder
Product Information
- Model/ Series/ Product Number: IN-777 Series
- Operation Manual: K35-OMW0030
- Simple Setting Manual: K35-OMX0029
- Designed for use in manufacturing industries
- Warranty period of 1 year in service or 1.5 years after delivery
Usage Instructions
Before operating the Air Servo Cylinder, it is important to read and understand the safety instructions provided in the manual. Only personnel with appropriate training should operate machinery and equipment, including our products. The assembly, operation, and maintenance of machines or equipment must be performed by an operator who is appropriately trained and experienced.
When using the Air Servo Cylinder, follow these steps:
- Install the Air Servo Cylinder as per the instructions provided in the Operation Manual (K35-OMW0030).
- Refer to the Simple Setting Manual (K35-OMX0029) for initial settings.
- If planning to use the product in industries other than manufacturing, consult SMC beforehand and exchange specifications or a contract if necessary.
- Be aware that vacuum pads are excluded from the 1-year warranty period. They are consumable parts, so they are warranted for a year after delivery. Also, even within the warranty period, the wear of a product due to the use of the vacuum pad or failure due to the deterioration of rubber material are not covered by the limited warranty.
If you have any questions, contact your nearest sales branch.
MODEL/ Series/ Product Number
IN-777 Series
About this Operation Manual
This Simple setting manual summarizes the installation and initial setting of the Air servo cylinder. Refer to the Air servo cylinder operation manual (K35-OMW0030) for further details.
Safety Instructions
These safety instructions are intended to prevent hazardous situations and/or equipment damage.
These instructions indicate the level of potential hazard with the labels of “Caution,” “Warning” or “Danger.” They are all important notes for safety and must be followed in addition to International Standards (ISO/IEC)*1) , and other safety regulations.
- ISO 4414: Pneumatic fluid power — General rules relating to systems.
- ISO 4413: Hydraulic fluid power — General rules relating to systems.
- IEC 60204-1: Safety of machinery — Electrical equipment of machines .
- (Part 1: General requirements) ISO 10218: Manipulating industrial robots -Safety. etc.
Caution indicates a hazard with a low level of risk which, if not avoided, could result in minor or moderate injury.
Warning indicates a hazard with a medium level of risk which, if not avoided, could result in death or serious injury.
Danger indicates a hazard with a high level of risk which, if not avoided, will result in death or serious injury.
Warning
- The compatibility of the product is the responsibility of the person who designs the equipment or decides its specifications. Since the product specified here is used under various operating conditions, its compatibility with specific equipment must be decided by the person who designs the equipment or decides its specifications based on necessary analysis and test results.
The expected performance and safety assurance of the equipment will be the responsibility of the person who has determined its compatibility with the product. This person should also continuously review all specifications of the product referring to its latest catalog information, with a view to giving due consideration to any possibility of equipment failure when configuring the equipment. - Only personnel with appropriate training should operate machinery and equipment. The product specified here may become unsafe if handled incorrectly. The assembly, operation and maintenance of machines or equipment including our products must be performed by an operator who is appropriately trained and experienced.
- Do not service or attempt to remove product and machinery/equipment until safety is confirmed.
- The inspection and maintenance of machinery/equipment should only be performed after measures to prevent falling or runaway of the driven objects have been confirmed.
- hen the product is to be removed, confirm that the safety measures as mentioned above are implemented and the power from any appropriate source is cut, and read and understand the specific product precautions of all relevant products carefully.
- Before machinery/equipment is restarted, take measures to prevent unexpected operation and malfunction.
- Contact SMC beforehand and take special consideration of safety measures if the product is to be used in any of the following conditions.
- Conditions and environments outside of the given specifications, or use outdoors or in a place exposed to direct sunlight.
- Installation on equipment in conjunction with atomic energy, railways, air navigation, space, shipping, vehicles, military, medical treatment, combustion and recreation, or equipment in contact with food and beverages, emergency stop circuits, clutch and brake circuits in press applications, safety equipment or other applications unsuitable for the standard specifications described in the product catalog.
- An application which could have negative effects on people, property, or animals requiring special safety analysis.
- Use in an interlock circuit, which requires the provision of double interlock for possible failure by using a mechanical protective function, and periodical checks to confirm proper operation.

Caution
- Handling Precautions
Follow the instructions given below for selecting and handling of the air servo cylinder.- The instructions on design and selection (installation, wiring, environment, adjustment, operation, maintenance, etc.) described below must be followed.

- The instructions on design and selection (installation, wiring, environment, adjustment, operation, maintenance, etc.) described below must be followed.
Product specifications
Warning
- Use the specified voltage. Otherwise failure or malfunction can result.
- Reserve a space for maintenance. When installing the products, allow access for maintenance.
- Do not remove the label. This can lead to incorrect maintenance, or misreading of the operation manual, which can cause damage or malfunction to the product. It may also result in nonconformity to safety standards.
Product Handling
Precautions for design
- There is a possibility of dangerous sudden action by air cylinders if force is changed due to twisting of sliding parts of machinery. In such cases, human injury may occur; e.g., hands or feet caught in the machinery, or damage to the machinery itself may occur. Therefore, the machine should be designed to operate smoothly and avoid such dangers.
- A protective cover is recommended to minimize the risk of personal injury.
If the driven object or moving parts of the product will pose a hazard to humans, a construction that prevents direct contact with the exposed area must be provided. - Securely tighten all stationary parts and connected parts, so that they will not become loose.
When the product operates with high frequency or is installed where there is a lot of vibration, ensure that all parts remain secure. - Design the system so that an external force exceeding the maximum output is not applied to the product. The product can break, causing a risk of personal injury or damage to equipment.
- The product generates a large force. Install on a sufficiently rigid mounting base, taking this force into consideration. There is a risk of personal injury or damage to equipment.
- Consider a possible loss of power source. Measures should be taken to prevent personal injury and damage to equipment in the event that there is a power malfunction to equipment controlled by air pressure, electricity or hydraulics, etc.
- Consider the action when operation is restarted after an emergency stop or abnormal stop. Design the machinery so that personal injury or damage to equipment will not occur upon restart of operation. When the cylinder has to be reset at the starting position, install safety manual control equipment.
Caution
- Do not touch the cylinder during high speed and high frequency operation. When the cylinder is operating at high speed and high frequency, the surface temperature of the cylinder tube increases, and may cause injury to personnel.
- Do not use the air cylinder as an air-hydro cylinder.
If the working fluid of the air cylinder is turbine oil, oil leakage can result. - The oil adhered to the cylinder is grease oil.
- The base oil of grease may seep out. The base oil of grease in the cylinder may seep out from the tube, cover, or rod sliding part depending on the operating conditions (ambient temperature of 40oC or more, pressurized condition, low frequency operation, etc.). Contact SMC especially if a clean environment is required.
Mounting
- Do not drop, hit or apply excessive shock to the product.
The product will be damaged, leading to failure and malfunction. - Tighten to the specified tightening torque.
If the tightening torque is exceeded, the mounting screws can be broken. If the screws are tightened to a different torque, IP67 will not be achieved. - Be sure to connect the piston rod and the load so that their axial centers and movement directions match. If they do not match, stress could be applied to the rod and the cylinder tube, causing wear on the inner surface of the cylinder tube, the bushing, the rod surface, and damage to the seals.
- Do not scratch or dent the sliding parts of the cylinder tube or piston rod, by striking or grasping them with other objects.
- Cylinder bores are manufactured to precise tolerances, even a slight deformation may cause a malfunction. Moreover, scratches or dents, etc. on the piston rod sliding part may lead to damaged seals and cause air leakage.
- Do not apply excessive lateral load to the piston rod.
Calculation for excessive lateral load:- Minimum operating pressure value after the device is mounted (MPa) = Cylinder’s minimum operating pressure (MPa) + {Load weight (kg) x Guide friction coefficient / Cylinder’s cross section (mm2)} If the product is found to operate smoothly with the calculated pressure, it can be judged that the alignment of the guides have not created additional loading on the cylinder.
- Do not use the product until it has been verified that the equipment can operate properly. After installation or repair, apply compressed air and power supplies to the equipment and perform appropriate functional and leakage inspections to make sure the equipment is mounted properly.
- Do not let foreign matter such as cutting chips get into the product from the supply port. When the product is installed on site, the debris from drilling mounting holes could get in the supply port of the product. Take sufficient care to prevent this.
- Never mount the product in a location that will be used as a footrest.
The product may be damaged if excessive force is applied by stepping or climbing onto it.
Wiring (Including connecting/disconnecting of the connectors)
- Wire correctly.
Incorrect wiring can cause damage the product. - Do not perform wiring while the power is on.
Incorrect wiring can damage the air servo cylinder and/or input/output equipment and malfunction can result.
Caution
- Avoid repeatedly bending or stretching the cables, or placing a heavy load on them.
Applying repeated bending and tensile stress to the cable can break the circuit. - Do not route wires and cables together with power or high voltage cables.
The product can malfunction due to interference of noise and surge voltage from power and high voltage cables to the signal line. Wiring of the air servo cylinder and the input/output device and the power cable or high voltage cable should be separated from each other. - Confirm proper insulation of wiring.
Poor insulation (interference with other circuits, poor insulation between terminals etc.) can apply excessive voltage or current to the air servo cylinder and input/output device causing damage to them. - When an air servo cylinder is installed in machinery/equipment, provide adequate protection against noise by using noise filters, etc. Noise in signal lines may cause malfunction.
Operating environment
- Select the proper type of enclosure according to the operating environment. IP67 protection class is achieved when the following conditions are met. Wire the units correctly using a cable and M23 connector compliant with IP67. If using in an environment that is exposed to water splashes, please take protective measures, such as using a cover.
- Do not use in an environment with oil or chemicals. If the product is to be used in an environment containing oils or chemicals such as coolant or cleaning solvent, even for a short time, the pressure switch may be adversely affected (damage, malfunction, etc.).
- Do not use the product in an environment where corrosive gases or fluids can be splashed. Otherwise damage to the air servo cylinder can result, causing malfunction.
- Do not use in an area where electrical surges are generated. If there is equipment which generates a large amount of surge (solenoid type lifter, high frequency induction furnace, motor, etc.) close to the air servo cylinder, this may cause deterioration or breakage of the internal circuit of the air servo cylinder. Avoid sources of surge generation and crossed lines.
- The product is CE marked, but not immune to lightning strikes. Take measures against lightning strikes in the system.
- Do not let foreign matter, such as wire debris, get inside the product.
- This can damage the product causing failure or malfunction.
- Do not install this product in a location subject to vibration and impact.
Otherwise it can cause damage or malfunction.
- Do not use the product in an environment that is exposed to temperature cycle.
Heat cycles other than ordinary changes in temperature can adversely affect the internal components of the product. - Do not expose the product to direct sunlight.
If using in a location directly exposed to sunlight, protect the product from the sunlight.
Failure or malfunction may occur. - Keep within the specified ambient temperature range. Otherwise malfunction can result.
- Do not use in a location where the product is exposed to radiant heat from surrounding heat sources. Otherwise malfunction can result.
Air Supply
This product uses a metal seal type air servo valve. A mist separator with a filtration rating of 0.3 m or less must be used in conjunction with this product. Do not use air containing mist or dust. It will cause a decrease in performance. Install a dryer (IDF series), air filter (AF/AFF series), or mist separator (AFM/AM series) to obtain clean compressed air (air quality of Class 2.6.3 or higher according to ISO 8573-1: 2010 is recommended for operation).
Warning
- Type of fluids
Applicable fluid is compressed air. - When there is a large amount of condensate
Compressed air containing a large amount of condensate can cause the malfunction of pneumatic equipment. An air dryer or mist separator should be installed upstream from the filters. - Drain flushing
If condensate in the drain bowl is not emptied on a regular basis, the bowl will overflow and this may cause the malfunction of pneumatic equipment. If the drain bowl is difficult to check and remove, installation of a drain bowl with an auto drain option is recommended. - Types of air
Do not use compressed air which contains chemicals, synthetic oils containing organic solvents, salts or corrosive gases, etc., as this can cause damage or a malfunction.
Caution
- Install an air filter.
Install an air filter upstream near the valve. Select an air filter with a filtration size of 0.3μm or smaller. - Take measures to ensure air quality, such as installing an aftercooler, air dryer, or water separator. Compressed air that contains excessive foreign material may cause malfunction of valves and other pneumatic equipment. Therefore, take appropriate measures to ensure air quality, such as by providing an aftercooler, air dryer, or water separator.
- Recommended pneumatic circuit example

Adjustment and Operation
- Set the switches using a small flat blade screwdriver.
Using an unsuitable tool may lead to damage to the setting switch. - Perform settings suitable for the operating conditions.
Incorrect setting can cause operation failure.
For details of each setting, refer to 6. Setting of Operation Manual (K35-OMW0030).
Piping
- Preparation before piping
Flush the piping enough before connecting piping to the supply port.
Do not allow water or dust to enter the pressure release port and/or the main exhaust ports when piping. Confirm that the piping is securely connected before supplying compressed air. - Wrapping of sealant tape
When installing piping, avoid chips and sealing materials from piping screws entering the inside of equipment. Also, if pipe tape is used, leave 1.5 to 2 thread ridges exposed at the end of the threads.
Maintenance
- Turn off the power supply, stop the air supply, exhaust the residual pressure in the piping and cylinder, and verify the release of air, before performing maintenance. Otherwise, unintended malfunction of system components can result.
- Perform regular maintenance and inspections. There is a risk of unexpected malfunction due to malfunction of the equipment.
- After maintenance is complete, perform appropriate functional inspections. Stop operation if the equipment does not function correctly. Otherwise, unintended malfunction of system components can result.
Caution
- Do not use solvents such as benzene, thinner etc. to clean the product. These can damage the surface of the body and erase the markings on the body. Use a soft cloth to remove stains. For heavy stains, use a cloth soaked with diluted neutral detergent and fully squeezed, then wipe up the stains again with a dry cloth.
- Check items
- Smooth operation
- Changes in piston speed and cycle time
- Abnormal stroke
- Looseness of the cylinder mounting bolt
- Looseness of cylinder mounting frame or excessive deflection
- Internal and external leakage (Change in output)
- Damage to the piston rod sliding surface
- Clogging and discharge drainage of the air filter
When any abnormality is found as a result of the inspections shown above, eliminate the causes and take necessary measures such as retightening screws. Contact SMC sales if the cylinder needs to be repaired.
Installation / Piping / Wiring
- Installation
Mount the flange on to the base and secure with screws using the screw through holes.
Caution
When installing the product, do not apply an excessive external force or impact to the cover tube and piping tube. This may damage the controller in the cover tube and the piping tube.
Piping
Mount applicable fittings and silencers to the correct port(s) of the air servo cylinder as specified below. P port(Supply port):Supply pressure fitting (0.55 to 0.8 MPa)
R1,R2,R3(*1) ports(Exhaust port):Silencer
- A small amount of air in the cover tube is exhausted from R3 port.
- Ports FA and FB are plugged before shipment.

Caution
Do not allow foreign matter such as cutting chips inside the cylinder from the ports. Intrusion of foreign matter inside the cylinder may damage the equipment.
Wiring
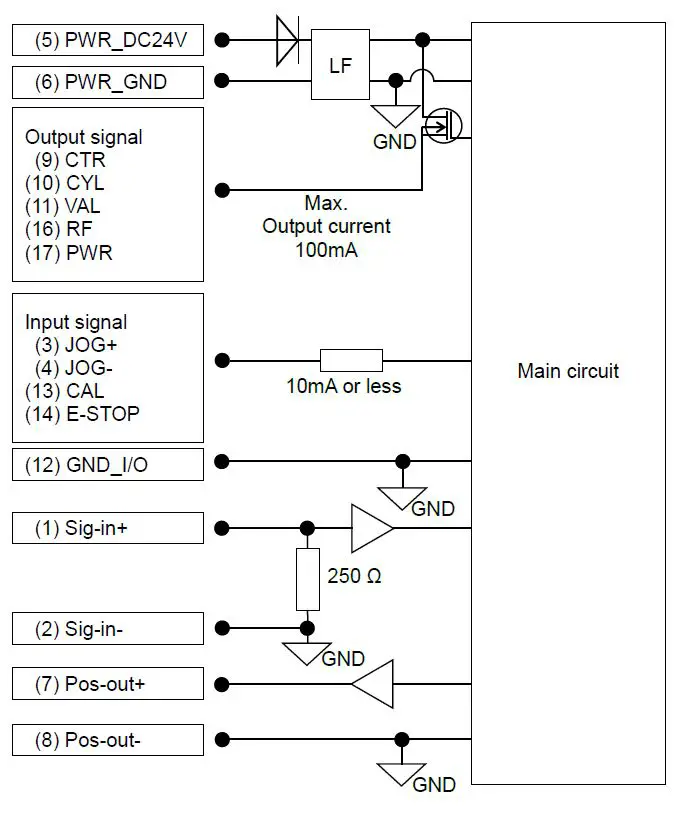
Please wiring the following to the host controller and the M23 connector of Air servo cylinder. Perform wiring according to the connector pin numbers and the wiring diagram. (1) Connector pin numbers (Male side)

- Emergency stop is performed when signal is OFF. (Refer to “7-5. Emergency Stop” of Operation Manual (K35-OMW0030). For detailed description of the signals, refer to the following pages.
- Internal circuit (Numbers in brackets indicates the pin numbers

- Wiring example
- When the air servo cylinder is operated, turn ON the E-STOP signal. As a feature of safety, if the E-STOP signal is turned OFF, the cylinder will not operate.
- The cable connecting the customer’s equipment and the air servo cylinder is not included. Please prepare the cable by the customer.
Movement Setting
Perform the DIP switch setting for normal/reversed switching of the piston rod travel direction (during target position operation), cylinder bore size, and piston rod operating direction at no signal operation. By performing the rotary switch setting, the piston rod speed during target position operation can be set. With the power to the air servo cylinder disconnected, remove the hexagon socket head cap screws to remove the switch cover from the panel. Using the DIP switch and rotary switch mounted inside the switch cover, perform setting whilst referring to the procedure below.
Caution
If the settings of the DIP switch and rotary switch are changed while power is supplied, the setting will not become effective. Changes to the DIP switch and rotary switch setting should be performed with no power supplied to the product.
After setting, push the switch cover into the panel hole and replace the 2 hexagon socket head cap screws.(Recommended tightening torque:0.5 to 0.75 N m)
Piston Rod Movement Direction (DIP Switch No. 1)
The piston rod movement direction relative to the analogue input signal (4-20 mA) can be set, for when the target position operation is performed.
Set point: Position set by Calibration. Refer to “7-2. Calibration” of Operation Manual (K35-OMW0030).
Bore size (DIP Switch No.2 to No.4)
Caution
Please do not change the DIP switch No.2, No.3 or No.4 on the controller mounted on the air servo cylinder. The bore size set to the DIP switch No. 2 to 4 and cylinder bore size must be identical, otherwise vibration, damage and unexpected motion may occur.
Piston rod Movement at No Signal Operation (DIP Switch No.5, No.6)
Caution
When an analog input signal (Sig-in+/Sig-in-) of 3.9 mA or less is applied, the piston rod will move to the retracted end (position set before shipment). The piston rod movement can be selected from 3 types. Refer to Operation Manual (K35-OMW0030) for details.
Maximum Piston Rod Speed Setting (Rotary Switch)
The piston rod speed can be set using the rotary switch. The relation between the switch numbers and speed is shown in the table below.
Measuring conditions Supply pressure: 0.55 MPa
Mounting: Vertical downward
Load: no-load
Operating direction: Upward
- The average speed value is the stroke divided by the “full stroke time.” The “full stroke time” refers to the time from when the target position operation signal is input until the piston stops.
- The average speed adjustment range of each cylinder size varies according to the operating conditions.
- The data above provide a guide for selection but is not guaranteed.
Operation Example
Steps to follow during general operation of the air servo cylinder are described below. After purchase, mount the product and complete the operation setting. Then, supply the power and perform calibration. Finally, the target position operation should be performed. JOG operation can be performed without calibration.
At first operation after purchase
[Initial setting]
- Piston Rod Movement Direction: Standard (Retracted:4 mA, Set point: 20 mA) (Default)
- Bore size: Default (Depends on the cylinder bore size)
- Piston rod movement at no signal operation: No.5: OFF, No.6: OFF (Retracted end)
- Maximum Piston Rod Speed Setting: 0 (Default)
Timing chart (STEP (A) to STEP (C))
Caution
- After calibration, please pay attention to the air cylinder piston rod operation. The piston rod moves to the position corresponding to the input current value of sig-in+ and sig-in-.
- Calibration type can be selected: Automatic / Manual. Please refer to the Operation manual (K35-OMW0030) for details.
- When an analog input signal (Sig-in+ / Sig-in -) of 3.9 mA or less is input, the piston rod moves to retracted end (Default). The piston rod operation can be selected from 3 types. Please refer to the Operation manual (K35-OMW0030) for details.
At the time of operation after the second time
- Calibration after supplying the power is only required for the initial calibration.

Caution
- After supplying power, pay attention to the air cylinder piston rod operation. The piston rod moves to the position corresponding to the input current value of sig-in+ and sin-in-.
- Perform calibration once again for correcting the set point.
Warning
- Maintenance should be performed according to the items above. Perform additional inspections as necessary. Improper handling can cause damage or malfunction of equipment and machinery.
- Removal of equipment and supply/exhaust of compressed air
When equipment is removed, first confirm that measures are in place to prevent workpiece from dropping and/or equipment running away, etc. Cut the supply pressure and electric power and exhaust all compressed air from the system. Before restarting the equipment, confirm that measures are taken to prevent sudden action.
The product is provided for use in manufacturing industries.
The product herein described is basically provided for peaceful use in manufacturing industries. If considering using the product in other industries, consult SMC beforehand and exchange specifications or a contract if necessary. If anything is unclear, contact your nearest sales branch.
Limited warranty and Disclaimer/Compliance Requirements
The product used is subject to the following “Limited warranty and Disclaimer” and “Compliance Requirements”. Read and accept them before using the product.
Limited warranty and Disclaimer
- The warranty period of the product is 1 year in service or 1.5 years after the product is delivered,whichever is first.2) Also, the product may have specified durability, running distance or replacement parts. Please consult your nearest sales branch.
- For any failure or damage reported within the warranty period which is clearly our responsibility, a replacement product or necessary parts will be provided. This limited warranty applies only to our product independently, and not to any other damage incurred due to the failure of the product.
- Prior to using SMC products, please read and understand the warranty terms and disclaimers noted in the specified catalog for the particular products.
- Vacuum pads are excluded from this 1 year warranty. A vacuum pad is a consumable part, so it is warranted for a year after it is delivered. Also, even within the warranty period, the wear of a product due to the use of the vacuum pad or failure due to the deterioration of rubber material are not covered by the limited warranty.
Compliance Requirements
- The use of SMC products with production equipment for the manufacture of weapons of mass destruction(WMD) or any other weapon is strictly prohibited.
- The exports of SMC products or technology from one country to another are governed by the relevant security laws and regulation of the countries involved in the transaction. Prior to the shipment of a SMC product to another country, assure that all local rules governing that export are known and followed.
Caution
SMC products are not intended for use as instruments for legal metrology.
Measurement instruments that SMC manufactures or sells have not been qualified by type approval tests relevant to the metrology (measurement) laws of each country. Therefore, SMC products cannot be used for business or certification ordained by the metrology (measurement) laws of each country.
Explanation of Symbols 
Operator
- This Operation Manual is intended for those who have knowledge of machinery using pneumatic equipment, and have sufficient knowledge of assembly, operation and maintenance of such equipment. Only those persons are allowed to perform assembly, operation and maintenance.
- Read and understand this Operation Manual carefully before assembling, operating or providing maintenance to the product.
Revision history
1st edition: October 2019
Rev. A: April 2022 (Add average speed data)
4-14-1, Sotokanda, Chiyoda-ku,
Tokyo 101-0021 JAPAN
Tel: + 81 3 5207 8249
Fax: +81 3 5298 5362
URL https://www.smcworld.com
NOTE: Specifications are subject to change without prior notice and any obligation on the part of the manufacturer. © 2022 SMC Corporation All Rights Reserved





























