sip 01307 14 Inch Abrasive Cut Off Saw

For help or advice please contact your distributor, or sip directly on: Tel.: 01509 500400
Email:[email protected] or [email protected] www.sip-group.com
SAFETY INSTRUCTIONS
Danger / Caution: This image indicates risk of personal injury and/or the possibility of damage.
Warning: This image indicates risk of electrical injury or damage!
Note: This image indicates supplementary information.
Important: Please read the following instructions carefully, failure to do so could lead to serious personal injury and/or damage to the item.
When using electric tools, basic safety precautions should always be followed to reduce the risk of fire, electric shock and personal injury.
Read all these instructions before operating the tool and save this user manual for future reference.
SIP recommends that this tool should not be modified or used for any application other than that for which it was designed. If you are unsure of its relative applications do not hesitate to contact us and we will be more than happy to advise you.
- KNOW YOUR SAW: Read and understand the owner’s manual and labels affixed to the tool. Learn its applications and limitations, as well as the potential hazards specific to this tool.
- KEEP WORK AREA CLEAN AND WELL LIT: Cluttered work benches and dark areas invite accidents; Floors must not be slippery due to oil, water or sawdust etc.
- DO NOT OPERATE THE SAW IN DANGEROUS ENVIRONMENTS: Do not operate the saw in damp or wet locations, or expose it to rain. Provide adequate space surrounding the work area. Do not use in environments with a potentially explosive atmosphere.
- KEEP CHILDREN AND UNTRAINED PERSONNEL AWAY FROM THE WORK AREA: All visitors should be kept at a safe distance from the work area.
- STORE TOOLS SAFELY WHEN THEY ARE NOT IN USE: All tools should be stored in a dry, locked cupboard wherever possible and out of the reach of children.
- WEAR THE CORRECT CLOTHING: Do not wear loose clothing, neck-ties, rings, bracelets, or other jewellery, which may get caught in moving parts. Non-slip footwear is recommended. Wear protective hair covering to contain long hair. Roll long sleeves up above the elbow.
- USE SAFETY GOGGLES AND EAR PROTECTION ETC: Wear CE / UKCA approved safety goggles at all times, Normal spectacles only have impact resistant lenses, they are NOT safety glasses. A face or dust mask should be worn if the operation is dusty and ear protectors (plugs or muffs) should be worn, particularly during extended periods of operation.
- PROTECT YOURSELF FROM ELECTRIC SHOCK: When working with power
tools, avoid contact with any earthed items (e.g. pipes, radiators, hobs and refrigerators, etc.). It is advisable wherever possible to use an RCD (residual current device) at the mains socket. - STAY ALERT: Always watch what you are doing and use common sense. Do not operate the saw when you are tired or under the influence of alcohol or drugs.
- DISCONNECT THE SAW FROM THE MAINS SUPPLY: When not in use, before servicing and when changing accessories such as blades etc.
- AVOID UNINTENTIONAL STARTING: Make sure the switch is in the OFF position before connecting the tool to the mains supply.
- NEVER LEAVE THE TOOL RUNNING / CONNECTED WHILST UNATTENDED: Turn the saw off and disconnect it from the mains supply between jobs; Do not leave machine until it comes to a complete stop.
- DO NOT ABUSE THE MAINS LEAD: Never carry the saw by the mains lead or pull it to remove the plug from the mains socket. Keep the mains lead away from heat, oil and sharp edges. If the mains lead is damaged, it must be replaced by the manufacturer or its service agent or a similarly qualified person in order to avoid unwanted hazards.
- CHECK FOR DAMAGED PARTS: Before every use of the saw, a guard or other part that is damaged should be carefully checked to determine that it will operate correctly and per-form its intended function. Check for alignment of moving parts, free running of moving parts, breakage of parts, and any other conditions that may affect its operation. A guard or other part that is damaged should be correctly repaired or replaced by an authorized service centre unless otherwise indicated in this instruction manual. Have defective switches replaced by an authorized service agent. Do not use the tool if the switch does not turn it on and off.
- KEEP ALL GUARDS IN PLACE: And in full working order.
- MAINTAIN THE SAW WITH CARE: Keep the saw clean for the best and safest performance. Follow instructions for lubricating and changing accessories. All extension cables must be checked at regular intervals and replaced if damaged. Always keep the hand grip on the tool clean, dry and free of oil and grease.
- USE ONLY RECOMMENDED ACCESSORIES: Consult this user manual for recommended accessories. Follow the instructions that accompany the accessories. The use of improper accessories may cause hazards and will invalidate any warranty you may have.
- REMOVE ADJUSTING KEYS AND WRENCHES: Form a habit of checking to see that keys and adjusting wrenches are removed from the tool before every use.
- ECURE THE WORK-PIECE: Use clamps or a vice to hold the work-piece . This frees up both hands to operate the tool.
- DO NOT OVERREACH: Keep proper footing and balance at all times.
- DO NOT FORCE THE SAW: It will do the job better and more safely at the rate which it was designed.
- DO NOT OPERATE THE SAW IN EXPLOSIVE ATMOSPHERES: Do not use the tool in the presence of flammable liquids, gases, dust or other combustible sources. The motor may create sparks during normal operation which can ignite the dust or fumes.
- HAVE YOUR SAW REPAIRED BY A QUALIFIED PERSON: The saw is in accordance with the relevant safety requirements. Repairs should only be carried out
by qualified persons using original spare parts, otherwise this may result in considerable danger to the user. - DO NOT EXPOSE THE ABRASIVE CUT OFF SAW TO RAIN OR USE IN WET CONDITIONS:Water entering the abrasive saw will greatly increase the risk of electric shock.
- DO NOT dismantle, tamper with or use the abrasive saw without all guards fitted as this is dangerous and will invalidate the warranty.
Note: Always switch off and disconnect the mains plug before changing or inspecting the abrasive disc.
Regularly check the expiry date of the disc; never used expired abrasive discs – high risk of the disc shattering.
- Keep hands out of the path of the abrasive disc, never reach around the abrasive disc. Make sure the abrasive disc is clear of the workpiece before the trigger switch is pressed in.
- Stop operation immediately if you notice anything abnormal.
- Wait for the abrasive disc to stop completely and remove the plug from the mains supply before servicing or adjusting the abrasive cut off saw or changing the abra-sive disc.
- Be alert at all times, especially during repetitive, monotonous operations. Don’t be lulled into a false sense of security. Abrasive discs can be extremely unforgiving. Use of improper accessories may cause damage to the abrasive cut off saw and surrounding area as well as increasing the risk of injury.
- Do not modify the abrasive cut off saw to do tasks other than those intended.
- When sawing always use the vice to hold the material; To avoid injury, the workpiece should never be held with the bare hands.
- Remove all tools from the machine base after adjustments are made.
- Appropriate personal protective equipment MUST be worn and MUST be designed to protect against all hazards created. Severe permanent injury can result from using inappropriate or insufficient protective equipment – Eyes, in particular, are at risk.
- Do not overload the abrasive disc. Allow the abrasive disc to operate at its optimum speed for maximum efficiency.
- Always ensure that the accessories such as abrasive discs are rated/designed for use with this abrasive cut-off saw as well as the required application, and are correctly and securely fastened before connecting the abrasive cut off saw to the mains supply.
- The work must be clamped firmly whilst sawing, If its loose it could result in personal injury or damage to the abrasive disc or machine.
- Keep hands away from the abrasive disc.
- Never use this abrasive cut off saw with the disc guards or rear motor cover re-
moved. - Round tubing can have a tendency to roll whilst being cut and can cause the abrasive disc to slip, DO NOT cut such items without clamping the material with the vice. Do not start the abrasive cut off saw until the material is secure and the abrasive disc has been lowered to just above the material.
- Never use damaged, expired or lower rpm rated abrasive discs, this is extremely dangerous and could split or even shatter, and could injury you or any one in the vicinity.
Note: If the abrasive cut off saw is used in a place of work all rules and laws etc. relating to the use of portable electrical appliances should be followed.
When using the saw always ensure the operator, as well as those in the area, wear ear protection.
When using the saw always ensure the operator, as well as those in the area, wear eye protection.
Some wood and wood composites have the potential to be highly toxic; always wear a face mask when operating saw.
This saw is double insulated; This means the operator is separated from the tool’s electrical system by two complete sets of electrical insulation. This extra layer of insulation is intended to protect the user from electrical shock due to a break in the wiring insulation. All exposed metal parts are isolated from the internal metal motor components with protecting insulation. Double-insulated tools do not need to be grounded (earthed). Servicing of a tool with double insulation requires extreme care and knowledge of the system and should be performed only by a suitably qualified person.
CAUTION: The warnings and cautions mentioned in this user manual can not cover all possible conditions and situations that may occur. It must be understood by the operator that common sense and caution are factors which cannot be built into this product, but must be applied.
ELECTRICAL CONNECTIONS
WARNING: Read these electrical safety instructions thoroughly before connecting the product to the mains supply.
This saw is for use with a 230v UK domestic socket and should be grounded/earthed. Make sure that the product is connected to an outlet that has the same configuration as the plug (see Figure 1). If an extension lead is used, make sure the cable size is sufficient as to be able to take the current of the saw.
Check with a qualified electrician if the grounding instructions are not understood or there is doubt as to whether the product is properly grounded. Do not modify the plug provided. If it will not fit the outlet, have the proper outlet installed by a licensed electrician.
Improper installation of the grounding plug will result in a risk of electric shock. If repair or replacement of the cable or plug is necessary, consult a qualified electrician.

We strongly recommend that this machine is connected to the mains supply through a Residual Current Device (RCD).
If you are not sure, consult a qualified electrician. DO NOT try to do any repairs.
NOTE: Always make sure the mains supply is of the correct voltage and the correct fuse protection is used. In the event of replacing the fuse always replace the fuse with the same value as the original.
WARNING: Improper use of extension leads may cause inefficient operation of the item which can result in overheating and motor damage.
Note: If an extension lead is required in order to reach the mains supply; ensure that this too is rated for the correct voltage and fuse rating.
Note: The cross section of the extension lead should be checked so that it is of sufficient size so as to reduce the chances of voltage drops.
WARNING: The wires in the power cable of this product are coloured in accordance with the following code: Blue = neutral / Brown = live / Yellow and Green = earth
This saw is double insulated; This means the operator is separated from the tool’s electrical system by two complete sets of electrical insulation. This extra layer of insulation is intended to protect the user from electrical shock due to a break in the wiring insulation. All exposed metal parts are isolated from the internal metal motor components with protecting insulation. Double-insulated tools do not need to be grounded (earthed). Servicing of a tool with double insulation requires extreme care and knowledge of the system and should be performed only by a suitably qualified person.
GUARANTEE
This item is covered by a 24 month parts and labour warranty covering failure due to manufacturers defects. This does not cover failure due to misuse or operating the item outside the scope of this manual – any claims deemed to be outside the scope of the warranty may be subject to charges Including, but not limited to parts, labour and carriage costs.
Consumable items such as fuses, carbon brushes and cutting discs are not covered by the warranty.
NOTE: Proof of purchase will be required before any warranty can be honoured.
TECHNICAL SPECIFICATION
| Model No. | 01307 |
| Input Voltage | 220-240V / 50Hz |
| Power | 2300W |
| Speed | 3800rpm |
| Disc Size | 355 mm |
| Bore Size | 25.4 mm |
| Round Tube @0° | 130 mm |
| Round Tube @45° | 110 mm |
| Square Box Section @0° | 120 mm x 120 mm |
| Square Box Section @45° | 90 mm x 90 mm |
| Rectangular Box Section @0° | 180 mm x 85 mm |
| Rectangular Box Section @45° | 100 mm x 80 mm |
| Angle Iron @0° | 130 mm x 130 mm |
| Angle Iron @45° | 90 mm x 90 mm |
| Ingress Protection | IPXO |
| Protection Class | Class II |
| Noise | 88.5dB(A) |
| Weight | 16.8 Kg |
YOUR SAW

| Item No | Description | Item No | Description |
| 1 | Moving / Adjustable Vice Clamp | 6 | Moving Guard |
| 2 | Fixed Vice Clamp | 7 | Abrasive Disc |
| 3 | Motor | 8 | Spark Deflector |
| 4 | Trigger Switch | 9 | Vice Clamp Nut |
| 5 | Handle | 10 | Vice Handle |
OPERATING INSTRUCTIONS
NOTE: If any parts are missing, please contact SIP Customer Service. TEL: 01509 500400 EMAIL: [email protected]
Danger / Caution: Before starting the machine, check that all covers and safety equipment are correctly fitted and tight.
Raising the Cutting Head
To raise the head prior to cutting, pull the head down, pull and turn the head lock pin and the head will raise. Fig 1

Never operate with the motor housing removed. Do not touch the saw whilst it is running.
Danger / Caution: Wear safety glasses and appropriate PPE when opening the saw.
Making a Cut
Caution: The abrasive disc bolt must be tight at all times, check before each use and at regular intervals during operation.
The vice jaw can be set in different positions depending on the size of material to be cut, the vice can be adjusted to 45˚ left or right; To set the vice jaw follow the steps below.
- Remove the 2 bolts, if required. Fig.2
- Move the vice clamp over hole C, depending on the size material to be cut.
- Refit the 2 bolts but do not tighten yet.
- Move the vice jaw to the angle to be cut between 0˚ & 45˚ left or right.
- Re-tighten both bolts.
- Place the material against the vice jaw (B), lift the clamp nut (D) and push the vice handle knob (E) up against the material, push the clamp nut (D) down and tighten using the Vice handle knob (E).
- Plug the machine in to the mains supply and switch on.
- Depress the trigger switch on the handle to start the machine, once the cut is made let go of the trigger switch and the machine will stop.

MAINTENANCE
Note: Disconnect the abrasive cut off saw from the mains supply before changing ac-cessories, servicing or performing maintenance. Replace or repair damaged parts.
Use genuine parts only. Non-authorized parts may be dangerous and will invalidate the warranty.
General Inspection
Cleaning and maintenance of this saw is mainly common sense some points for guidance are as follows:
- Regularly check that all the fixing screws are tight, particularly the outer flange.
- The mains lead of the saw and any extension cord used should be checked frequently for damage. If damaged, have the mains lead replaced by an authorised service facility. Replace the extension cord if necessary.
- Keep the air vents of the saw clear at all times.
- Ensure the blade guard is kept clean with a damp cloth (do not clean the guard or any part of the saw with a corrosive solvent) to reduce the risk of injury.
- Periodically add oil all the moving parts on the saw to extend the life of the saw.
- Inspect the carbon brushes (motor) at frequent intervals (depending on the use) and change them if the wear reaches the worn limit line or is below 10mm, they should also be checked to ensure that the brushes move in and out easily.
Danger / Caution: Water must never come into contact with the saw.
Do not use the abrasive disc if it is damaged.
Changing The Disc
- Make sure the saw is switched off and unplugged from the mains supply.
- Lift the moving guard up. Fig.4
- Rotate the disc and engage the flange lock. Fig.5
- Using the wrench provided undo the disc retaining bolt (E), whist engaging the flange lock.
- Remove the bolt, disc flange & abrasive disc.
- Place the new disc over the shaft and follow these steps in reverse to fit and secure the new disc.

Note: The abrasive disc must be rated above 3800rpm and be within the expiry date, any disc rated below this or expired could shatter and possibly cause injury to the operator or people nearby.
Replacing The Brushes
- Unscrew the retaining cap (one on each side).
- Change the carbon brush assembly.
- Screw and tight the retaining cap.

WIRING DIAGRAM

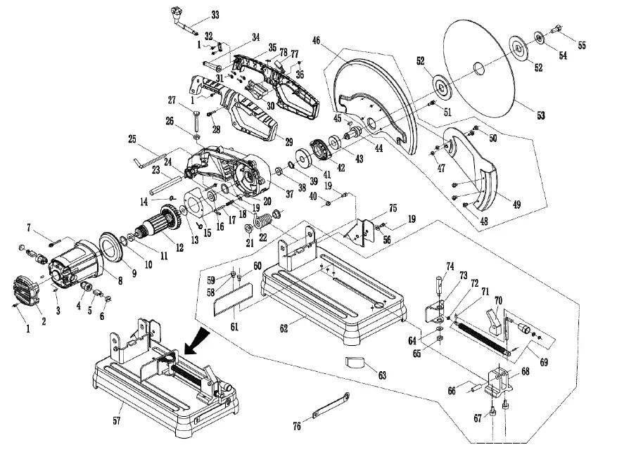
EXPLODED DRAWING

PART LIST
| No. | Description | No. | Description |
| 1 | Self Tapping Screw | 41 | Motor Gear (left-handed) |
| 2 | Motor Rear Cover | 42 | Front cover |
| 3 | Screw | 43 | Bearing |
| 4 | Brush Cavity | 44 | Output Shaft |
| 5 | Carbon Brush | 45 | Shaft key |
| 6 | Retaining Cap | 46 | Saw Guard |
| 7 | Screw | 47 | Locknut |
| 8 | Motor Housing | 48 | Rubber Screw |
| 9 | Circular Adjustment | 49 | MovingGuard |
| 10 | Vulcanized Fibre Washer | 50 | Screw |
| 11 | Bearing | 51 | Screw |
| 12 | Rotor | 52 | Cutting Disc Flange |
| 13 | Dust Protector Washer | 53 | Abrasive Cutting Disc |
| 14 | Tension Spring | 54 | Retaining Flange |
| 15 | Stator | 55 | Hex. Screw |
| 16 | Bearing | 56 | Washer |
| 17 | Self-locking Pin | 57 | Base Assembly |
| 18 | Self-locking Pin Spring | 58 | Flat Washer |
| 19 | Hex. Screw | 59 | Spring Washer |
| 20 | O-ring | 60 | Outer Hex. Screw |
| 21 | Plastic Cap | 61 | Clamp Plate |
| 22 | Torsion Spring | 62 | Base |
| 23 | Connection pin | 63 | Rubber Foot |
| 24 | Self Tapping Screw | 64 | Flat Washer |
| 25 | Retaining Pin | 65 | Locknut |
| 26 | Nut | 66 | Elastic cylinder pin |
| 27 | Hex. Screw | 67 | Hex. screw |
| 28 | Cross Screw | 68 | Fixed bracket |
| 29 | Left Handle Assembly | 69 | Screw components |
| 30 | Trigger Switch | 70 | Quick Release Lever |
| 31 | Plastic Insert | 71 | Pivot Pin |
| 32 | Cable Clamp | 72 | Flat Washer |
| 33 | Power Cable | 73 | Hinge |
| 34 | Strain Relief | 74 | Connecting Pin |
| 35 | Right Handle | 75 | Holding Bracket |
| 36 | Nut | 76 | Wrench |
| 37 | Head Housing | 77 | Soft Start |
| 38 | Bearing | 78 | 0.33uF Capacitor |
| 39 | Circlip | NA. | Gearbox Assembly |
| 40 | Nylock nut | NA. |
|
UK – DECLARATION OF CONFORMITY
Declaration of Conformity
We
SIP (Industrial Products) Ltd
Gelders Hall Road
Shepshed
Loughborough
Leicestershire
LE12 9NH
England
As the manufacturer within the UK, England, Scotland & Wales,
declare that the
SIP 14” Abrasive Cut Off Saw – SIP Part No. 01307
Conforms to the requirements of the following regulation(s), as indicated.
Supply of Machinery (Safety) Regulations 2008
Electromagnetic Compatibility – Directive 2014/30/EU
The Restriction of the Use of Certain Hazardous Substances in Electrical and Electronic Equipment Regulations 2012
And the relevant harmonised standard(s), including
- BS EN 55014-1:2017/A11:2020 BS EN IEC 55014-1:2021
- BS EN 55014-2:2015
- BS EN IEC 55014-2:2015
- BS EN IEC 61000-3-2:2019/A1:2021
- BS EN 61000-3-3:2013/A1:2019
- BS EN 62841-1:2015
- BS EN 62841-3-10:2015/A11:2017
Mr P. Ippaso – Managing Director – SIP (Industrial Products) Ltd Date: 28/02/2022
Declaration of Conformity
We
SIP (Machinery Europe) Ltd
ASM Chartered Accountants
First Floor Block One
Quayside Business Park
Dundalk
County Louth
Republic of Ireland
As the manufacturer’s authorised representative within the EC
declare that the
SIP 14” Abrasive Cut Off Saw – SIP Part No. 01307
Conforms to the requirements of the following directive(s), as indicated.
2006/42/EC – Machinery Directive
2014/30/EU – EMC Directive
2011/65/EU – RoHS Directive
And the relevant harmonised standard(s), including
EN 55014-1:2017/A11:2020
EN IEC 55014-1:2021
EN 55014-2:2015
EN IEC 55014-2:2015
EN IEC 61000-3-2:2019/A1:2021
EN 61000-3-3:2013/A1:2019
EN 62841-1:2015
EN62841-3-10:2015/A11:2017
Mr P. Ippaso – Managing Director – SIP (Industrial Products) Ltd Date: 28/02/2022
Please dispose of packaging for the product in a responsible manner. It is suitable for recycling. Help to protect the environment, take the packaging to the local amenity tip and place into the appropriate recycling bin.
Never dispose of electrical equipment or batteries in with your domestic waste. If your supplier offers a disposal facility please use it or alternatively use a recognised recycling agent. This will allow the recycling of raw materials and help protect the environment.
*Photographs are for illustration purposes only. Ref: 21042022




















