METALWORK
355MM ABRASIVE CUT-OFF SAW
MODEL NO: CCO14D
PART NO: 6470162
OPERATION & MAINTENANCE INSTRUCTIONS
DL0922 REV 1
Instruction Manual![]()

INTRODUCTION
Thank you for purchasing this CLARKE Abrasive Cut-Off Saw which is suitable for cutting any ferrous metals which are compatible with the type of abrasive wheel fitted.
Before attempting to use this product, please read this manual thoroughly and follow the instructions carefully. In doing so you will ensure the safety of yourself and that of others around you, and you can look forward to your purchase giving you long and satisfactory service.
GUARANTEE
This product is guaranteed against faulty manufacture for a period of 12 months from the date of purchase. Please keep your receipt which will be required as proof of purchase.
This guarantee is invalid if the product is found to have been abused or tampered with in any way, or not used for the purpose for which it was intended.
Faulty goods should be returned to their place of purchase, no product can be returned to us without prior permission.
This guarantee does not affect your statutory rights.
ENVIRONMENTAL RECYCLING POLICY
By purchasing this product, the customer is taking on the obligation to deal with its safe disposal in accordance with the Waste Electrical and Electronic Equipment (WEEE).
In effect, this means that this product must not be disposed of with general household waste. It must be disposed of according to the laws governing Waste Electrical and Electronic Equipment (WEEE) at a recognized disposal facility. If disposing of this product or any damaged components, do not dispose of them with general waste. This product contains valuable raw materials. Metal products should be taken to your local civic amenity site for recycling of metal products.
GENERAL POWER TOOL SAFETY WARNINGS
WARNING: READ ALL INSTRUCTIONS. FAILURE TO FOLLOW ALL INSTRUCTIONS LISTED BELOW MAY RESULT IN ELECTRIC SHOCK, FIRE, AND/ OR SERIOUS INJURY. THE TERM “POWER TOOL” IN THE WARNINGS REFERS TO YOUR SAW.
Save these warnings and instructions for future reference.
WORK AREA SAFETY
a. Keep the work area clean and well-lit. Cluttered or dark areas invite accidents.
b. DO NOT operate power tools in explosive atmospheres, such as in the presence of flammable liquids, gases, or dust. Power tools create sparks that may ignite dust or fumes.
c. Keep children and bystanders away while operating a power tool. Distractions can cause you to lose control.
ELECTRICAL SAFETY
a. Power tool plugs must match the outlet. Never modify the plug in any way. Do not use any adapter plugs with earthed (grounded) power tools. Unmodified plugs and matching outlets will reduce the risk of electric shock.
b. Avoid body contact with earthed or grounded surfaces, such as pipes, radiators, ranges, and refrigerators. There is an increased risk of electric shock if your body is earthed or grounded.
c. DO NOT expose power tools to rain or wet conditions. Water entering a power tool will increase the risk of electric shock.
d. DO NOT abuse the cable. Never use the cable for carrying, pulling, or unplugging the power tool. Keep the cable away from heat, oil, sharp edges, or moving parts. Damaged or entangled cables increase the risk of electric shock.
e. When operating a power tool outdoors, use an extension cable suitable for outdoor use. The use of a cable suitable for outdoor use reduces the risk of electric shock.
f. If operating a power tool in a damp location is unavoidable, use a residual current device (RCD) protected supply. The use of an RCD reduces the risk of electric shock.
PERSONAL SAFETY
a. Stay alert, watch what you are doing, and use common sense when operating a power tool. Do not use a power tool while you are tired or under the influence of drugs, alcohol, or medication. A moment of inattention while operating power tools may result in serious personal injury.
b. Use personal protective equipment. Always wear eye protection. Protective equipment such as dust masks, non-skid safety shoes, hard hats, or hearing protection used for appropriate conditions will reduce personal injuries.
c. Prevent unintentional starting. Ensure the switch is in the off-position before connecting to a power source and/or battery pack, picking up, or carrying the tool. Carrying power tools with your finger on the switch or energizing power tools that have the switch on invites accidents.
d. Remove any adjusting key or wrench before turning the power tool on. A wrench or a key left attached to a rotating part of the power tool may result in personal injury.
e. DO NOT overreach. Keep proper footing and balance at all times. This enables better control of the power tool in unexpected situations.
f. Dress properly. Do not wear loose clothing or jewelry. Keep your hair, clothing, and gloves away from moving parts. Loose clothes, jewelry, or long hair can be caught in moving parts.
g. If devices are provided for the connection of dust extraction and collection facilities, ensure these are connected and properly used. The use of dust collection can reduce dust-related hazards.
POWER TOOL USE AND CARE
a. DO NOT force the power tool. Use the correct power tool for your application. The correct power tool will do the job better and safer at the rate for which it was designed. b. DO NOT use the power tool if the switch does not turn on and off. Any power tool that cannot be controlled with the switch is dangerous and must be repaired.
c. Disconnect the plug from the power source and/or the battery pack from the power tool before making any adjustments, changing accessories, or storing power tools. Such preventive safety measures reduce the risk of starting the power tool accidentally.
d. Maintain power tools. Check for misalignment or binding of moving parts, breakage of parts, and any other condition that may affect the power tool’s operation. If damaged, have the power tool repaired before use. Many accidents are caused by poorly maintained power tools.
e. Store idle power tools out of the reach of children and do not allow persons unfamiliar with the power tool or these instructions to operate the tool. Power tools are dangerous in the hands of untrained users.
f. Keep cutting tools sharp and clean. Properly maintained cutting tools with sharp cutting edges are less likely to bind and are easier to control.
g. Use the power tool, accessories and tool bits, etc. in accordance with these instructions, taking into account the working conditions and the work to be performed. Use of the power tool for operations different from those intended could result in a hazardous situation.
SERVICING
a. Have your power tool serviced by a qualified repair person using only identical replacement parts. This will ensure that the safety of the power tool is maintained.
ADDITIONAL WARNINGS FOR CUT-OFF SAWS
- IMPORTANT: You should not operate this machine unless you are thoroughly familiar with metal cutting saws. If there is any doubt whatsoever, you should consult a qualified person.
- DO NOT operate the machine until it is completely assembled and this entire manual has been read and understood.
- Ensure the proper electrical regulations are followed.
- Ensure the abrasive disc is securely mounted in accordance with these instructions before connecting to a power supply.
- DO NOT over-tighten the abrasive disc. This can cause stress and could lead to the wheel shattering when under load.
- ALWAYS check the abrasive disc for cracks before use.
- Before switching the machine on, ALWAYS ensure the work is properly secured. ALWAYS use the vice, NEVER hand hold a workpiece.
- Make all adjustments with the power OFF.
- When starting a cut, always ease the tool into the workpiece. A harsh or sudden impact could shatter the abrasive disc.
- Ensure the abrasive disc reaches maximum speed before beginning a cut.
- NEVER use the machine with the guards removed.
- Ensure you use the correct type of abrasive disc for the type of material being cut. Metal cutting & masonry abrasive discs are available from your CLARKE dealer. NEVER cut magnesium, wood, or non-ferrous metals.
ELECTRICAL CONNECTIONS
WARNING: READ THESE ELECTRICAL SAFETY INSTRUCTIONS THOROUGHLY BEFORE CONNECTING THE PRODUCT TO THE MAIN SUPPLY.
Before switching the product on, make sure that the voltage of your electricity supply is the same as that indicated on the rating plate. This product is designed to operate on 230VAC 50Hz. Connecting it to any other power source may cause damage.
This product may be fitted with a non-rewireable plug. If it is necessary to change the fuse in the plug, the fuse cover must be refitted. If the fuse cover becomes lost or damaged, the plug must not be used until a suitable replacement is obtained.
If the plug has to be changed because it is not suitable for your socket, or due to damage, it should be cut off and a replacement fitted, following the wiring instructions shown below. The old plug must be disposed of safely, as insertion into the main socket could cause an electrical hazard.
WARNING: THE WIRES IN THE POWER CABLE OF THIS PRODUCT ARE COLOURED IN ACCORDANCE WITH THE FOLLOWING CODE:
BLUE = NEUTRAL BROWN = LIVE
If the colors of the wires in the power cable of this product do not correspond with the markings on the terminals of your plug, proceed as follows.
- The Blue wire must be connected to the terminal marked N or colored Black.
- The Brown wire must be connected to the terminal marked L or colored Red.

We strongly recommend that this machine is connected to the mains supply via a Residual Current Device (RCD)
This symbol indicates that this is a Class II product, and does not require an earth connection.
UNPACKING AND ASSEMBLY
Unpack the saw carefully and ensure that the following items are in the box. In the event of any deficiencies, you should contact your CLARKE dealer immediately.
- Abrasive Cut-off Saw
- 355mm cutting disc (supplied fitted)
- Double-ended ring and hex spanner
BEFORE USE
UNLOCKING / LOCKING
To unlock the saw and raise the motor arm.
- Push down on the handle (1).
- Pull the locking pin out slightly (2) to unlock the motor arm.
- Release the pressure on the handle.
• The motor arm will then raise into position.
• Reverse step 2 when locking the motor arm down for storage.

MATERIAL CLAMPING AND SUPPORT
- Angle iron should be clamped and cut with both legs resting against the base of the saw.
- A spacer block slightly narrower than the workpiece can be used to raise the workpiece if required.
- A long workpiece must be supported by a block so that it will be level with the top of the base. The cut-off end should be free to fall down to avoid binding against the wheel.
OPERATION
VICE OPERATION
- Turn the handle counterclockwise to remove clamping pressure.
- Lift the vice lever up.
- Pull the handle out as far as desired.
• The vice may be pushed forward into the work without turning the handle. - Lower the vice lever then tighten the vice onto the work using the handle.

TRIGGER SWITCH
- To start the saw, pull the trigger switch.
• Wait a couple of seconds until the cutting disc reaches full speed. - To turn the saw off, release the trigger switch.
• Keep hands and materials away from the cutting disc until it has come to a complete stop.

TIPS FOR MORE ACCURATE CUTS
- Allow the cutting disc to do the cutting. Excessive force will cause the cutting disc to glaze reducing cutting efficiency and/or deflecting causing inaccurate cuts.
- Adjust the fence angle.
- Make sure the workpiece is laying flat across the base.
- Clamp the workpiece securely to avoid movement and vibration.
ADJUSTMENTS
WARNING: TURN OFF AND UNPLUG THE SAW BEFORE MAKING ANY ADJUSTMENTS. MAKE SURE THE TRIGGER SWITCH IS IN THE OFF POSITION.
CHANGING THE CUTTING ANGLE
- Use the hex wrench provided to loosen (do not remove) the two fence bolts.
- Adjust the fence to the desired angle.
- Re-tighten both fence bolts before use.
• When making a miter cut, the vice may not clamp securely, depending on the thickness of the workpiece and the miter angle.
• Other aids (such as spring, bar, or C-clamps) will be necessary to secure the workpiece to the fence when making these cuts.

SQUARING THE FENCE TO THE BLADE
- Disconnect the power supply.
- Loosen the two fence bolts, and push the arm down until the cutting disc lowers into the base.

- Place a set square against the cutting disc and adjust the fence to rest against the square.
- Securely tighten both fence bolts before use.

CHANGING THE SPACING BETWEEN THE FENCE AND VICE
- Use the wrench provided to loosen and remove the two fence bolts.
- Adjust the fence to the desired position.
- Tighten the fence bolts securely before use.

REMOVAL AND INSTALLATION OF CUTTING DISCS
WARNING: TURN OFF AND UNPLUG THE TOOL BEFORE MAKING ANY ADJUSTMENTS OR REMOVING OR INSTALLING CUTTING WHEELS. BE SURE THE TRIGGER SWITCH IS IN THE OFF POSITION.
Cutting discs are available from your CLARKE dealer – Part Number: 6470800
- With the motor arm in the ‘UP’ position, rotate the blade guard out of the way as shown.
• This will expose the inner guard and its securing screw. - Loosen the inner guard securing screw and swing both the inner and main guards as far as possible to expose the cutting disc retaining nut.

- Hold the cutting disc and use a wrench to loosen and remove the bolt in the center of the disc.
- Remove the bolt, washer, outside flange, and old cutting disc.
• Make sure that the retaining disc surfaces are clean and flat. - Install the new cutting disc by reversing the above steps.
• Do not overtighten the bolt.
DEPTH STOP
The depth stop is set at the factory for a new 14″ (355mm) cutting disc. This can be adjusted as the disc wears.
- Loosen the jam nut.
- Loosen the depth stop bolt.
- Adjust the bolt to the desired height.
- Then turn the jam nut until seated firmly against the saw arm casting.
• Securely tighten the depth stop bolt before use.

CAUTION: WHEN CHANGING TO A NEW CUTTING DISC, READJUST THE DEPTH STOP TO THE ORIGINAL POSITION TO PREVENT CUTTING INTO THE SUPPORTING SURFACE.
MAINTENANCE
CLEANING
CAUTION: NEVER USE SOLVENTS OR OTHER HARSH CHEMICALS FOR CLEANING THE NON-METALLIC PARTS OF THE TOOL. THESE CHEMICALS MAY WEAKEN THE PLASTIC MATERIALS USED IN THESE PARTS.
Use a cloth dampened only with water and mild soap. Never let any liquid get inside the tool; never immerse any part of the tool into a liquid.
Occasionally blow dirt and dust out of motor air vents with clean, dry air. To minimize the risk of eye injury, always wear ANSI Z87.1-approved eye protection when performing this task.
SPECIFICATIONS
| Voltage | 230V AC @ 50Hz |
| Input power | 2000W |
| Current Rating | 10.43A |
| Ingress protection | IP20 |
| No-load speed | 3800 rpm |
| Weight | 16.5 kg |
| Dimensions (L x W x H) mm | 550 x 320 x 650 (head raised/395 lowered) |
| Cutting disc size | 355 dia x 3.2 thick. 25.4mm bore dia |
| Max cutting dimensions (mm) | Round (130 dia @ 90°) – (130 dia @45°) |
| Square (115 sq @ 90°) – (110 sq @ 45°) | |
| Angle iron (135 x 135@ 90°)* – (88 x 88 @ 45°) | |
| Rectangle (80 x 230@ 90°)* – (80 x 160 @ 45°) | |
| Sound Pressure Level (LPA) | 95 dB(A) |
| Sound Power Level (LWA) | 109 dB(A) |
| Sound Uncertainty Value (K) | 3 dB(A) |
| Vibration | < 3.1 m/s2 |
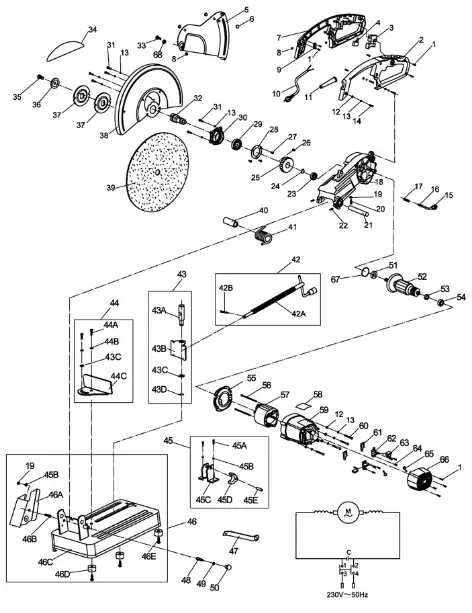
PARTS DIAGRAM

PARTS LIST
| No | Description | No | Description | No | Description |
| 1 | S/t screw st4.2 x 16 | 30 | Bearing holder | 45E | Pin 6 x 30 |
| 2 | Leff handle | 31 | Screw M5 x 16 | 46 | Base assembly |
| 3 | On/off switch | 32 | Output spindle | 46A | Rear guard |
| 4 | Capacitor | 33 | Screw M5 | 46B | Screw M8 x 20 |
| 5 | Cover | 34 | Nameplate | 46C | Base |
| 6 | Rubber sheath | 35 | Bolt M5 x 16 | 46D | Rubber feet |
| 7 | Right handle | 36 | Retaining disc | 46E | Screw M6 x 16 |
| 8 | Lock nut M5 | 37 | Retaining disc | 47 | Wrench |
| 9 | Cable clamp | 38 | Cutting blade guard | 48 | Locked pin |
| 10 | Cable with plug | 39 | Blade 355×3.2×25.4 | 49 | 0-ring 6×1.8 |
| 11 | Cable protector | 40 | Sheath | 50 | Locked nut |
| 12 | Washer 5 | 41 | Coil spring | 51 | Bearing 6202-2RS/Z2 |
| 13 | Washer 5 | 42 | Steel pole assembly | 52 | Armature |
| 14 | Screw M5 x 30 | 42A | Steel pole | 53 | Bearing 609-2Z/Z2 |
| 15 | Locking pin button | 42B | Pin 2 x 20 | 54 | Bearing sleeve |
| 16 | Locking pin | 43 | Moving flange assy | 55 | Fan guide |
| 17 | Compression spring | 43A | Vertical Pin | 56 | S/t screw 4.8 x70 |
| 18 | Gear housing | 43B | Moving flange | 57 | Stator |
| 19 | Nut M8 | 43C | Washer 10 | 58 | Rating plate |
| 20 | Bolt M8 x 40 | 43D | Circlip 10 | 59 | Housing |
| 21 | Rotating spindle | 44 | Fixed flange assy | 60 | Screw M5x45 |
| 22 | Screw M8 x 10 | 44A | Bolt M10 x 20 | 61 | Brush holder plate |
| 23 | Bearing 6200-2Z/Z2 | 43B | Washer 10 | 62 | Brush holder assembly |
| 24 | Circlip 22mm | 44C | Fixed flange | 63 | Carbon brush |
| 25 | Driven gear | 45 | Nut | 64 | S/t screw 3.5×13 |
| 26 | Pin 6 x 14 | 45A | Bolt M8 x 20 | 65 | Roll spring |
| 27 | Screw M4 x 12 | 45B | Washer 8 | 66 | Back cover |
| 28 | Bearing plate | 45C | Holder | 67 | 0-ring 34.5x.2.65 |
| 29 | Bearing 6005-2RS/Z2 | 45D | NUt | 68 | Washer 8mm |
DECLARATION OF CONFORMITY



PARTS & SERVICE: 0208 988 7400
Parts Enquiries [email protected]
Servicing & Technical Enquiries [email protected]
SALES: UK 01992 565333 or Export 00 44 (0)1992 565335
INTERNATIONAL Hemnall Street, Epping, Essex CM16 4LG
www.clarkeinternational.com
Parts & Service: 020 8988 7400
























