FIELD CONTROLS CAC-120 Combustion Air Control

Items Included In Kit
- 1 – Junction box with pressure switch, fi xed surface-mount relay and relay base
- 2 – 1” Rubber tubing length’s, 3/16” ID
- 1 – 120 VAC plug-in relay
- 2 – Conduit connectors
- 2 – 8 foot lengths of 1/4” OD fi rm plastic tubing 2 – Plastic compression tees
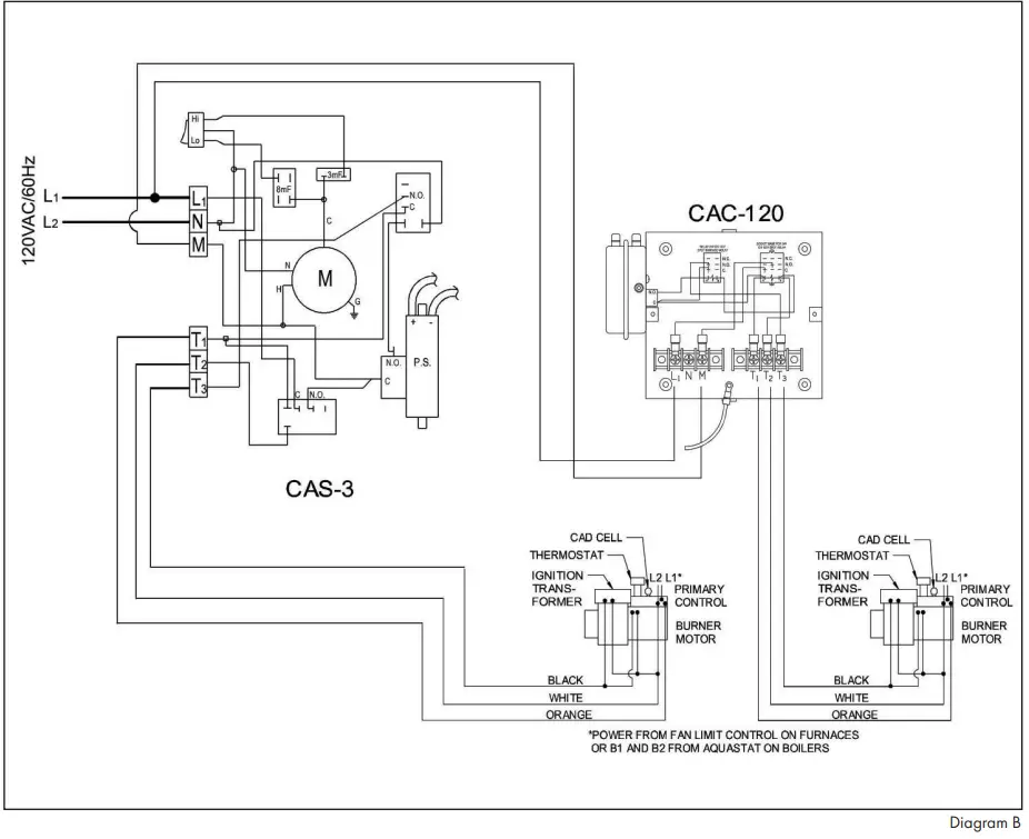
The CAC-120 kit is required to connect additional 120 VAC-controlled heating appliances to a CAS-3, 4, 4*, 6 or 7 Combustion Air System in applications where multiple powered appliances are to be served by a single CAS (not including a single standing-pilot 30mV non-powered gas water heater). Installations with one heating appliance and one 30mV gas water heater will require an additional CK-20 series control kit in addition to the CAS unit. Please refer to the installation instructions for the particular CAS model used, for the maximum rated total combined fi ring rate of all appliances to be served.
NOTE: The model CAS-3 and CAS-4 series fan design has recently been changed. Please note that there are differences in construction, operation, and installation of the CAS and CAC-24 as compared to legacy product.
NOTE: Legacy Product Compatibility:CAC models manufactured after date code 1935 (2 digits for year followed by two digits for the week of that year) have a two-port pressure switch, and are compatible with CAS models manufactured prior to date code 1935 (“legacy product”, having a single plastic pressure tube), with minor modifications
to the installation as detailed in the Legacy Product Pressure Tube Connections section of this manual. However, any appliance connected to this CAC while using a legacy product CAS will NOT be compliant with NFPA-31 2019, or any similar installation code requiring the appliance to be shut down in the event of an air intake blockage, unless a Field Controls Flow Switch (part number 46330600) or similar device is also installed per instructions as part of the Combustion Air System.
READ THESE INSTRUCTIONS CAREFULLY AND COMPLETELY BEFORE PROCEEDING WITH THE INSTALLATION.
This device MUST be installed by a qualified agency in accordance with the manufacturer’s installation instructions. The definition of a qualitied agency is: any individual, tirm, corporation or company which either in person or through a representative is engaged in, and is responsible for, the installation and operation of HVAC appliances, who is experienced in such work, familiar with all the precautions required, and has complied with all the requirements ot the authority having jurisdiction.
Please retain these instructions after installation.
Installed By:
Phone:
Installation Date:

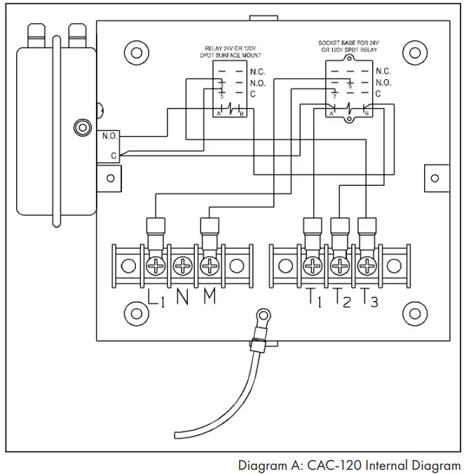
MOUNTING JUNCTION BOX
The junction box MUST be mounted such that the pressure switch diaphragm is in a vertical position.Mount the CAC-120 to a wall or fl oor joist using the four dimpled locations on the base of the box (See Figure 10, away from any heat sources and in a dry location. Two 8 foot lengths of plastic tubing are supplied for connection to the CAS.
WIRING:
Wire the controls in accordance with the National Electrical Code, manufacturer’s recommendations and/or applicable local codes. UNIT MUST BE GROUNDED. Check ground circuit to make certain that the unit has been properly grounded. The wiring should be protected by an overcurrent circuit device rated at 15 amperes. CAUTION must be taken to insure that the wiring does not come into contact with any heat source. All line voltage circuits MUST be wired in accordance with the National Electrical Code for class one wiring or equivalent methods.
- Remove one knockout from the CAC housing base on the L1 termainal block side. Install line voltage power supply wires to the CAS unit as shown in Diagram 2.
- Remove one knockout from the side of the CAC housing base on the T1 terminal block side. Run line voltage wiring to the appliance controls as shown in Diagram 2.
- Insert the 120 VAC relay into the socket on the CAC-120 and secure with the retaining clip.
- Install the junction cover and secure with the 4 provided sheet metal screws.
Pressure Tube Connections to CAS fan unit
- Install the two supplied plastic compression tee fittings on the CAS fan unit:

- As shown in Figure A, mark the two pressure tubes just above and below the bends where the tubes go into the inlet collar at the top of the CAS fan unit.
- Use a hacksaw or rotary cutting tool to cut through the aluminum pressure tubes at the marks as shown in Figure B and C. Do not cut off any of the straight portions of the tubes. Save the cut-off ends of the tubes.
- Remove any by Burruss on the ends of the tubes going down into the CAS, and on the cut-off ends of the tubes.

- Make sure the plastic nuts are loosened on the supplied ¼” compression tee fittings, and push the two fittings fully onto the ends of the pressure tubes going down into the body of the CAS, as shown in Figure D (either end or the side legs of the fittings may be used). TIP: pull the tube ends upward and grip them with pliers. Align the fittings so that one of the remaining legs aligns with the corresponding holes in the CAS inlet collar, and hand-tighten the plastic nuts to clamp the fittings onto the aluminum tubes. DO NOT twist the aluminum tube going down into the CAS or the connecting rubber tube inside may be kinked!
- From the inside of the CAS inlet collar, insert the longer cut-off tube end (with the bend on the end) through collar’s tubing hole on the left and insert fully into the leg of the tee fitting that is aligned with the hole, as shown in Figure E. Making sure the bent end of the tube is pointing straight upwards, hand- tighten the compression nut on the tee to hold the tube end securely in place.

- The bent end of the tube should be at or near the center of the inlet collar, pointing straight upward into the direction of the incoming air, as shown in Figure F. Gently bend the tube by hand if necessary to align the bent end with the center of the incoming air stream.
- From the inside of the CAS inlet collar, insert the other cut-off tube end (straight and shorter) through the tubing hole on the right and insert fully into the leg of the other tee fitting that is aligned with the hole, as shown in Figure F. Hand-tighten the compression nut on the tee to hold the short tube end securely in place.

- Connect CAC-24/120 pressure switch to CAS pressure tube fittings:
- As shown in Figure G, push the ends of the two supplied plastic tubing lengths fully into the two open tee fitting ports as installed on the CAS, loosening the fitting nuts if necessary. Tighten the plastic nuts hand-tight.
- Route the two plastic tubes to the CAC pressure switch, securing with installer-supplied tube clamps where necessary. Trim the tubes to minimize overall length of the tubes, if possible.
- As shown in Figure H, using one of the two short lengths of rubber tubing supplied, connect the plastic tube connected to the CAS tee on the left (longer metal tube that has the upward bend) to the black-colored (+) port of the CAC pressure switch. Make sure that the plastic tubing and pressure switch port are pushed fully into the rubber tubing to prevent kinking.
- Connect the other plastic tube to the grey-colored (-) port on the CAC pressure switch, as shown in Figure I.
- Complete the following system maintenance/checkout procedure. If the appliance connected to the CAC does not operate on a call for heat after the CAS has come on, try reversing the pressure tubes on the CAC pressure switch. If aallll appliances served by the CAS (except water heaters connected by CK-20 series kits) do not shut off when the CAS air inlet is blocked, ensure that all air duct joints are securely sealed by appropriate means.


Pressure Tube Connections to Legacy Product CAS (fan unit having one plastic pressure tube at the top;
see Note on page Install ONE supplied plastic compression tee fitting on the CAS fan unit regarding product identification and Installation Code Compliance): - As shown in Figure J, cut the plastic pressure tube at the top of the CAS, leaving a stub of 5/8” of tubing sticking out of the brass fitting connecting the tube to the inlet collar of the CAS.
- Make sure the plastic nuts are loosened on ONE of the supplied ¼” compression tee fittings, and push it fully onto the end of the pressure tube that goes down into the body of the CAS, as shown in Figure K (either end or the side leg of the fitting may be used). TIP: pull the tube end upward and grip with pliers. Tighten the plastic tee nut hand-tight. Alternatively, a barbed-type tee suitable for 3/16 ID plastic tubing may also be used.

- Push an aligning leg of the tee fully onto the stub of plastic tubing protruding from the brass fi tting on the inlet collar, as shown in Figure L. Tighten the plastic tee nut hand-tight.
- As shown in Figure L, push the end of ONE of the two supplied plastic tubing lengths fully into the open tee fi tting port as installed on the CAS. Tighten the plastic nut hand tight.

- Route the plastic tube to the CAC pressure switch, securing with installer-supplied tube clamps where necessary. Trim the tube to minimize overall length of the tube, if possible.
- As shown in Figure M, using one of the two short lengths of rubber tubing supplied, connect the plastic tube connected to the CAS tee to the gray-colored (-) port of the CAC pressure switch. Make sure that the plastic tubing and pressure switch port are pushed fully into the rubber tubing to prevent kinking.
- Leave the black-colored (+) port of the pressure switch open and unblocked, and protected from any source of air movement that may disturb the switch, as seen in Figure M. If desired, a short length of open-ended tubing may be connected to the black (+) port of the pressure switch to protect the port from contamination and air movement.
- Complete the following system maintenance/checkout procedure.

MAINTENANCE/CHECKOUT PROCEDURE
- Inspect the system annually to ensure proper operation by observing that the fan activates when a call for heat occurs and deactivates when the call for heat is satisfi ed.
- Disconnect power to the CAS unit and repeat Step 1. Note: The unit should not run and the appliance should not fi re in this condition.
- Inspect the duct pipe for cracks and security to the CAS unit and vent hood. The CAS unit will not allow the appliance(s) to fi re if inadequate air fl ow is allowed into the inlet of the CAS.
- Clear any obstructions, if present, from the inlet of the vent hood and the outlet of the CAS unit.
- Periodically, the fan blade chamber may need cleaning. First, disconnect the power supply to the CAS. Next, disconnect the duct pipe from the unit. Then remove the top pan and clean the fan housing area as needed. Reattach the top pan, reconnect the duct pipe and the power supply.


REPLACEMENT PARTS
The following item is available for replacement, if needed. In order to replace this part, power must be disconnected and the unit must be disassembled. If this is necessary, take note of the positions and locations of whatever items that may need to be removed to replace other items.
If in doubt, please consult the Field Controls Technical Support at 1-800-742-8368.
| ITEM DESCRIPTION | FIELD PART NUMBER |
| 120 VAC Plug-In Relay | 46111200 |
| 120 VAC Relay for CAS-3 | 46257300 |
| Switch Pressure Fxd CAS-4TMR | 511100200 |
This manual may be downloaded and printed from the Field Controls website (www.fieldcontrols.com)
WARRANTY
For warranty information about this or any Field Controls product, visit: www.fieldcontrols.co
Field Controls Customer Service 252.522.3031
Phone: 252.522.3031 • Fax: 252.522.0214
www.fieldcontrols.com






























