Amico Gas Control Panel User Manual

Intended Use
The Amico Gas Control Panel is designed to deliver Nitrogen or Instrument Air to turbo-surgical tools.
Introduction
The Gas Control Panel consists of a shut-off valve, delivery and supply pressure gauges, pressure regulator and DISS outlet, in addition an outlet pipe is supplied that can be piped to additional gas outlets.
The Gas Control Panel comes in two styles: “Relieving” and “Non-Relieving”. A relieving panel allows gas to vent from the regulator, to reduce the pressure from the outlet pressure side of the panel. CSA requires that a non-relieving panel be used where CSA Standards are practiced.
Operation
- Turn the Shut-off valve to the “Open”
- Verify that the correct supply pressure is available on the supply
- Attach a tool to the DISS outlet and tighten the nut (do not over tighten) or HP “Safety-Swing Coupling”
- Adjust the pressure regulator to the required pressure by observing the outlet
- Operate the surgical tool and observe the outlet pressure and adjust if
- When the control panel is not in use, reduce the outlet pressure to “zero” and turn off the supply
Installation
Mount the back-box into the wall and adjust the adjustable side mounting brackets so that the top of the box will be flush with the finished drywall. Connect the inlet pipe to the gas pipeline and the outlet to additional outlets (optional). The pipeline can now be pressure tested to the required testing pressure. The outlet high pressure hose is shipped with one end connected to the outlet and the other end connected to the inlet on the nitrogen back box. This will enable the installer to pressure test the complete pipeline, including remote outlets, without having to attach the front assembly
To attach the control panel front assembly to the control panel back box, you must first disconnect the braided hose from the male PT adapter that is attached to the inlet pipe on the control panel back box. Then loosen and remove the panel cap from the male PT adapter that is marked “output” on the back of the control panel front assembly. Attach the braided hose from the back box to the male PT adapter (avoid over tightening). Connect the “input” braided hose from the back of the control panel front assembly to the “input” of the male PT adapter in the back box (avoid over tightening). Mount the control panel front assembly to the back box with the enclosed machine screws.
Parts List
Nitrogen control panel English DISS (Relieving type) N-CONP-E-REL
Instrument Air control panel English DISS (Relieving type) N-CONP-E-REL-I
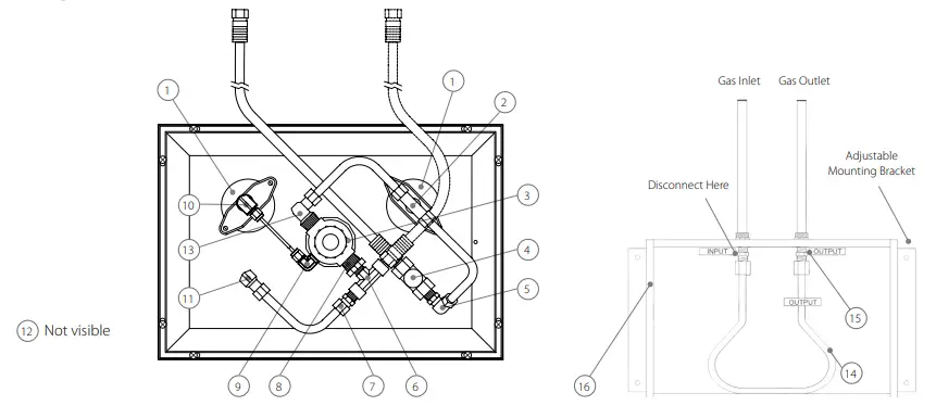
Diagrams
Repair kit part #: N-X-TUBE-KIT
* Item numbers with * is included in the repair kit with 1 set of copper piping
| Item | Description | Part Number |
| 1 | 2 1/2″ Gauge, 0-400 psi, 1/4″ Center Back Mount | M-X-MAN-52B |
| 2* | Brass Tee 1/4″ FNPT* 3/8″ Tube | N-X-TEE-AL-F304 |
| 3 | Regulator Relieving | N-X-REGULATOR-R |
| 4 | Shut-off Valve (Brass) | N-X-VALVE |
| 5* | Elbow 90° 3/8″ MNPT* 3/8″ Tube | N-X-ELBW-AL-M37 |
| 6 | Brass Tee 1/4″ FNPT* 3/8″ Tube | N-X-TEE-AL-F304 |
| 7* | Connector 3/8″ MNPT* 3/8″ Tube | N-X-CON-AL-375 |
| 8 | Bushing 1/2″ * 3/8″ | N-X-BUSH |
| 9* | Elbow 90° 1/4″ MNPT* 1/8″ Tube | N-X-ELB-ALM2508 |
| 10* | Elbow 90° 1/4″ FNPT* 1/8″ Tube | N-X-ELB-ALF2508 |
| 11* | Elbow 90° 1/4″ FNPT* 3/8″ Tube | N-X-ELBOW-AL |
| 12a | DISS Demand Check Valve 1/4″ MNPT – Nitrogen | S-DIS-DEMC-NIT |
| 12b | DISS Demand Check Valve 1/4″ MNPT – Instrument Air | S-DIS-DEMC-IAIR |
| 13* | Elbow 90° 1/2″ MNPT* 3/8″ Tube | N-X-ELBW-AL-305 |
| 14 | 18″ Long Braided Pigtail (3/8″ inner diameter) | N-X-PIGTAIL |
| 15 | Pigtail/Pipe Adapter for Nitrogen Control Panel | N-X-PT-ADAPTER |
| 16 | Box for Nitrogen Control Panel |
|
Amico Corporation | 85 Fulton Way, Richmond Hill, ON L4B 2N4, Canada 600 Prime Place, Hauppauge, NY 11788, USA
Toll Free Tel: 1.877.462.6426 | Tel: 905.764.0800 | Fax: 905.764.0862
Email: [email protected] | www.amico.com





















