
[email protected]
Ø22/25 mm Round Mount Emergency Stop
Switches SF2ER Series
INSTRUCTION MANUAL
TCD210164AA
Thank you for choosing our Autonics product.
Read and understand the instruction manual and manual thoroughly before using the product. For your safety, read and follow the below safety considerations before using. For your safety, read and follow the considerations written in the instruction manual, other manuals, and the Autonics website. Keep this instruction manual in a place where you can find it easily. The specifications, dimensions, etc. are subject to change without notice for product improvement. Some models may be discontinued without notice. Follow the Autonics website for the latest information.
Safety Considerations
- Observe all ‘Safety Considerations’ for safe and proper operation to avoid hazards.
-
symbol indicates caution due to special circumstances in which hazards may occur.
Warning Failure to follow instructions may result in serious injury or death.
- A fail-safe device must be installed when using the unit with machinery that may cause serious injury or substantial economic loss. (e.g. nuclear power control, medical equipment, ships, vehicles, railways, aircraft, combustion apparatus, safety equipment, crime/disaster prevention devices, etc.)
Failure to follow this instruction may result in personal injury, economic loss or fire. - System manager means the followings;
– personnel who is fully aware of installation, setting, operation, and maintenance of the product
– personnel who well observes standard/regulation/statute on the product by type of the machine the product installed in and the nation/region the product used in the Machine user means personnel who is appropriately trained about using machine by the system manager so that the machine user can operate the machine correctly. The system manager has a duty to train the machine user about the operation of the product. Machine user has to report directly to the system manager when unusual status has
been found while the system is operating. Failure to follow this instruction may result in personal injury, economic loss or fire. - The product has to be installed, set, and combined with the machine control system by the qualified system manager. Failure to follow this instruction may result in personal injury due to unintended operation and unstable detection.
- Before using the product, check that function of the product operates as intended while the machine is turned off after installation. Failure to follow this instruction may result in personal injury due to unintended operation and unstable detection.
- Do not use the unit in a place where flammable/explosive/corrosive gas, high humidity, direct sunlight, radiant heat, vibration, impact, salinity, moisture, steam or dust may be present. Failure to follow this instruction may result in an explosion or fire.
- Do not disassemble or modify the unit. Failure to follow this instruction may result in personal injury or fire due to loss of safety function.
- Do not defeat, tamper, or modify the switch. Failure to follow this instruction may result in personal injury.
- Check the installed status of the switch, operating status of the switch, and signs of damage, modification, or tampering of the switch at the following situation and on a weekly basis.
– when operating the safety system at first
– when replacing components of the system
– when the system has not been operated for a long time Failure to follow this instruction may result in personal injury due to malfunction of the product and safety function. - Do not connect, repair, inspect, or replace the unit while connected to a power source. Failure to follow this instruction may result in fire.
- Check ‘Connections’ before wiring. Failure to follow this instruction may result in fire.
- Normally Open (NO) contacts cannot be used for emergency stop control circuits.
- Keep away from high voltage lines or power lines to prevent surge and inductive noise, and make the cable as short as possible. In the case of installing the power line and input signal line closely, use a line filter or varistor at the power line and shielded wire at the input signal line. Do not use near the equipment which generates strong magnetic force or high-frequency noise. Failure to follow this instruction may result in personal injury due to malfunction of the product and safety function.
Caution Failure to follow instructions may result in injury or product damage.
- Use the unit within the rated specifications. Failure to follow this instruction may result in fire or product damage.
- Use a dry cloth to clean the unit, and do not use water or organic solvent. Failure to follow this instruction may result in fire.
- Keep the product away from the metal chips, dust, and wire residue which flow into the unit. Failure to follow this instruction may result in fire, product damage or malfunction.
Cautions during Use
- Follow instructions in ‘Cautions during Use’. Otherwise, it may cause unexpected accidents.
- Emergency stop pushbuttons are UL NISD Listed when mounted in a sealed, nonventilated enclosure only.
- When installing the product, keep the minimum installation space between units.
- The switch must be properly assembled.
- While wiring or after wiring the contact block, do not pull the cable.
- Do not hit or flip the button, and use your hand not any tool to push the button
- To unlock the switch, turn the button approximately 45°clockwise, and do not turn the button with excessive force.
- This unit may be used in the following environments.
– Indoors (UL Type 1 Enclosure)
– Altitude max. 2,000m
– Pollution degree 3
– Installation category Ⅲ
Ordering Information
This is only for reference, the actual product does not support all combinations. For selecting the specified model, follow the Autonics website.
SF2ER – E ❶ R ❷ – ❸
❶ Button
1: D30 (short head, non-illuminated)
2: D40 (short head, non-illuminated)
❷ Contact block
B: B contact: 1
AB: A contact: 1, B contact: 1
2B: B contact: 2
A2B: A contact: 1, B contact: 2
3B: B contact: 3
❸ Mark
No-mark: No-mark
A: EMO
S: EMS
Sold Separately
- Protection guard ring
- Nameplate
- Protection guard ring + Nameplate set
- Radial support rubber packing / Radial support
- Contact block
Specifications
| Model | SF2ER-❑❑❑■-■ |
| Rated voltage/current | I EC: AC-15 (220 VACS,3 A), DC∼13 (220 VDC |
| Contact operating power | 3.0 to 8.0 N/ 1 contact |
| Operation distance | 5.0 mm (0/-0.5) |
| Rotation angle | CW (clockwise) 52 ° |
| Allowable operation frequency “ | Mechanical: 20 times/minute, electrical: 20 times/minute |
| Life cycle | Mechanical: ≥250,000 times, electrical: ≥100,000 times |
| Applicable wire | AWG 18 (0.823 mm2) |
| Insulation resistance | ≥100 MΩ (500 VDC |
| Dielectric strength | 2,500 VAC-,, 50/60 Hz for 1 minute |
| Vibration | 1.5 mm double amplitude at a frequency of 10 to 55 Hz (for 1 min) in each X, Y, Z direction for 2 hours |
| Vibration (malfunction) | 1.5 mm double amplitude at a frequency of 10 to 55 Hz (for 1 min) in each X, Y, Z direction for 10 minutes |
| Shock | 1,000 m/s’ ( r≈ , 100 g) in each X, Y, Z direction for 3 times |
| Shock (malfunction) | 250 m/s’ (≈ 25 g) in each X, Y, Z direction for 3 times |
| Ambient temperature | -20 to 65°C ca), storage: -40 to 70 °C (at no freezing or condensation) |
| Ambient humidity | 35 to 85 %RH, storage: 35 to 85 %RH (at no freezing or condensation) |
| Protection structure | IP65 cc’) (oil-resistant, IEC standards) |
| Material | Button: PC, body: PA6, lever in fixing unit: PA6 |
| Approval | |
| Weight “ | ≈ 66g |
- Setting and resetting once is counted as one operation.
- UL approved ambient temperature: 55 ℃
- It is only for the part from the front of the panel. Protection structure is guaranteed only when the switch is installed on flat and smooth surface with mounting holes Ø22mm.
- It is switched with three contact blocks.
Contact capacity
- IEC (EN60947-5-1)
| Rated current | 10 A | ||||
| Rated voltage | 24 V | 110 V | 220 V | 380 V | |
| AC | Resistive load (AC-12) | 10 A | 10 A | 6 A | 3 A |
| Inductive load (AC-15) | 10 A | 5 A | 3 A | 2 A | |
| DC | Resistive load (DC-12) | 10 A | 2 A | 0.6 A | 0.2 A |
| Inductive load (DC-13) | 1.5 A | 0.5 A | 0.2 A | 0.1 A | |
- UL / CSA (UL508, CSA C22.2 No. 14)
A300
| Rated voltage | Through current | Current (A) | Volt ampere (VA) | ||
| Making | Breaking | Making | Breaking | ||
| AC120 V | 1C A | 60 | 6 | 7,200 | 720 |
| 30 | 3 | ||||
| AC240 V | |||||
Q300
| 69 | 69 | LCO | LCO | 7 | A OSOCI |
| WO | SS O | A SCDC1 | |||
| &Timis | 2upleinj | 2upiewg | 2upiew | waurn *will | a2eTIOA paleu |
| (VA) a-lath-Lie 410A | (V) WallrlD | ||||
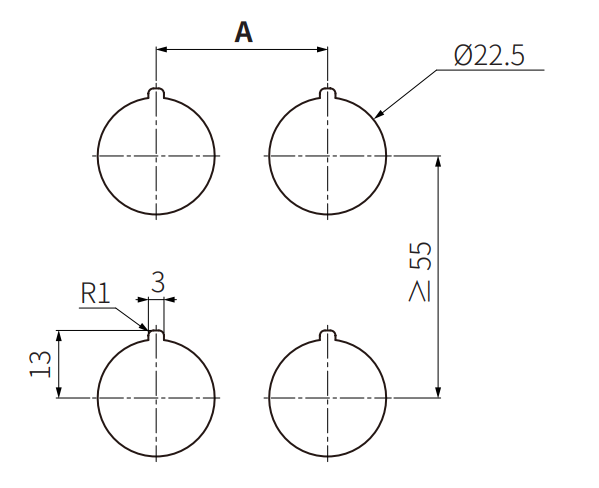
Dimensions
- Unit: mm, For the detailed drawings, follow the Autonics website.
- Drawings show the no-mark model.
■ D30 (short head, non-illuminated)

■ D40 (short head, non-illuminated)
■ Panel cut-out

| A | |
| D30 | ≥ 33 mm |
| D40 | ≥ 55 mm |
Parts Descriptions
Installation and Remove
■ Installing
- Insert the control unit from the front side of panel in the ① direction.
- Insert the fixing nut from the rare side of panel in the ② direction.
- Turn the fixing nut in the ③ direction to tighten. Before tightening the fixing nut, be sure that there is rubber washer between the switch and panel.
- Put the operation unit to the control unit in the ④ direction.

■ Removing
- Turn the lever in the ① direction using the screwdriver.
- Pull the operation unit in the ② direction to disassemble it.
- Release the fixing nut in the ① direction to disassemble it.

Contact block
■ Assembling contact block
Insert the contact block in the arrow direction.
■ Disassembling contact block
Lift up the lever in the arrow direction with the screwdriver and to disassemble the contact block.
■ Wiring
- When wiring contact block, use phillips or slotted M3.5 screws with square washer.
- Applicable wire: AWG 18 (0.823 mm 2 )
- Tightening torque: 0.6 to 0.8 N·m
- Unit: mm, Please use UL certified terminals.
| Non-insulated terminal | Insulated terminal |
![]() | |
Installation and Remove


















