PureAire 99091 Remote Digital Display Alarm Indicator

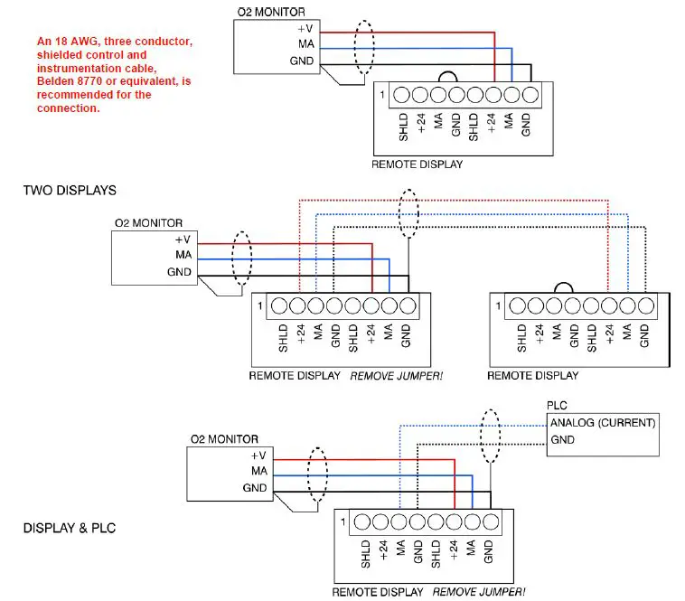
The Remote Digital Display Alarm Indicator provides continuous information on the status of PureAire’s line of oxygen deficiency and carbon dioxide monitors, O2 analyzers, or gas detectors. All PureAire safety monitors have a built in mA output. The Remote Display Alarm easily connects to the monitor’s input power and mA output connection. An 18 AWG, three conductor, shielded control and instrumentation cable, Belden 8770 or equivalent, is recommended for the connection. The maximum permissible cable length is 250 feet. The Remote Display can also be connected to a programmable logic controller (PLC), providing simultaneous alarm and status indications in multiple locations throughout the facility.
How to mount the Remote Display Alarm Indicator 
How to wire the Remote Display Alarm Indicator 
Identification of switches and controls
- Alarm Adjusting Switches – These switches are used select the alarm level to be adjusted. They are factory set at 19.5% for Alarm 1 and 18% for Alarm 2. (Normally set at the factory)
- Alarm Polarity Switches – These switches are used to select when the alarms will activate. For oxygen, the alarm switches are set for “Below”. If the readings go below an ambient level,(i.e. 19.5%), then the internal horn and LED’s will activate. When used with our toxic gas monitors, the polarity is set to “Above”. (Normally set at the factory)
- Range Auto Adjustment Switches – These switches are used to adjust the zero and full scale reading on the Remote Display Alarm Indicator. When sending a 4mA and 20mA signal from your monitor, pushing these switches will automatically adjust the zero and full scale readings on the Remote Digital Display.
- Alarm Adjusting Buttons – These buttons are used to increase, (UP) or decrease (DOWN) the alarm settings.
- Horn On/Off Switch – This switch is used to turn the internal audio horn on and off. In the On position, any alarm will activate the audible horn. To disable the internal horn, turn the switch to Off.

How to Setup and Operate the Remote Display
CAUTION: Entering the set up menus will disable the real time oxygen readings After wiring the remote display to your monitor, turn on the power to your monitor. During the warmup the remote display will illuminate a yellow fault LED and the display will read FLt, (indicating that the monitor is in fault). This will clear after the monitor completes the 4 minute warm-up.
How to set the zero and full scale range
This will need to be set up in the field to adjust to the length of cable between the monitor and the remote display alarm indicator. To perform this in the field, first enter the password on your monitor and select the “Set 4-20mA loop” menu. (See Section 5.5.1 Set 4-20mA loop).
Push the joystick right to select “Set 4mA Zero” and then push the joystick right one more time to activate it. This sends a 4mA signal to the remote display. On the back of the remote display push the ZERO button for 3 seconds. You’ll see the display reset and automatically adjust itself to the new zero. If necessary, you can push the joystick up or down to fine tune the zero reading. NOTE: Both AL1 and AL2 LED’s will also be illuminated.
(To exit the Zero menu, push the Joystick left once)
Push the joystick down once to select “Set 20mA Span” and then push the joystick right one more time to activate it. This sends a 20mA signal to the remote display. On the back of the remote display push the SPAN button for 3 seconds. You’ll see the display reset and automatically adjust itself to the new span of 25%. If necessary you can push the joystick up or down to fine tune the full scale reading once) 
To return the main menu, push the Joystick left until the monitor scrolls Oxygen 0-25% on the top line.
NOTE: To fine tune the reading to match the reading on the monitor, use the “Set 20mA Span” menu. Push the joystick up or down until both displays match.
CAUTION: If the monitor is in the measuring mode and the ZERO push button is pressed an “Err” will be displayed on the remote display and no readings will be recorded. If the SPAN push button is pressed in the measuring mode, the remote display will automatically adjust to 25.0%. You will need to repeat the above adjustment procedure again for the remote display to mirror the monitor. NEVER PUSH THE SPAN in the measuring mode.
How to set the internal alarms on the Remote Display
The Remote Display has two user selectable alarms with a separate horn tone to identify Alarm 1 from Alarm 2. Both alarms, unless specified otherwise, are preset at the factory as:
- Oxygen Monitors: AL1 = 19.5% and AL2 = 18%.
- Carbon Dioxide Monitors: AL1 = 5,000 ppm and AL2 = 10,000 ppm
- LEL 0-100%: AL1 = 20% and AL2 = 40%
*Please note that alarm levels can be changed in the field. To set Alarm 1, Press Alarm 1 for two seconds to enter the alarm change mode. The display will show the current alarm setting and the right most decimal point will be lit. Use the UP or DOWN buttons to increase or decrease the alarm value. When done, push the Alarm 1 button for 2 seconds to get back to the monitoring mode. To set Alarm 2, Press the Alarm 2 button for two seconds to enter the alarm change mode. The display will show the current alarm setting and the left most decimal point will be lit. Use the UP or DOWN buttons to increase or decrease the alarm value. When done, push the Alarm 2 button for 2 seconds to get back to the monitoring mode.























