BLAUPUNKT GTA 475 Power Amplifier

INTRODUCTION
Proper system planning is vital in order to maximize the device’s performance and road safety. Plan your installation carefully to avoid compromising performance reliability of the system. Consult an authorized Blaupunkt delaler for installation or reparation. Read the manual carefully before operating the device for the first time.
Safety Notes
Ensure to follow below safety notes during installation and wiring connection: –
- Disconnect the negative terminal of the battery. Refer to the safety notes of the vehicle manufacturer.
- Ensure positions of the holes are nowhere near the vehicle component to avoid any damage during drilling.
- Ensure cross section of the cable is no less than 2.5mm2 if the positive and negative cables are too long.
- Incorrect installation may result in malfunction of the device or the car sound system.
Installation and Connection Instructions
- Select a dry and well-ventilated location to install the device.
- The device must not be installed in overly exposed location such on therein shelf, rear seat etc.
- The installation location must be suitable for screw holes and have stable ground support.
Integrated Fuse
The integrated fuse in the device protects the output voltage and the entire electrical system in case of malfunction. Do not replace damaged fuse with higher current.
Disclaimer
In no event shall Blaupunkt be liable for any direct, indirect, punitive, incidental, special consequential damages to property or life and whatsoever arising out of or connected with the use or misuse of our products.
USA & CANADA:
This product is not intended for sale in the United States and Canada. If purchased in the U.S. or Canada, this product is purchased on as-is basis. No warranty, whether expressed or implied is provided in the U.S. or Canada.
General Safety Notes
Observe the following to protect yourself against injuries :
- The supply voltage requirement is 12V DC with grounded negative connection. Unauthorised dismantling or modifying may void the warranty of the device. Blaupunkt is not liable for any loss or damaged caused or resulting from unauthorized reparation or modification to the device. Refer to a Blaupunkt specialist in case of any installation or reparation required.
- The device’s core components may be damaged when the car is driven on bumpy roads for a prolonged period of time or if it is used to play non-standard volume level.
- Please do not operate the car radio under extreme temperature conditions (extremely high temperature or extremely low temperature); ensure the temperature within the car ranges from -10°C to 85°C (Storage temperature : 5°C to 35°C) before connecting to the power supply.
- For abnormalities, please refer to TROUBLESHOOTING. Consult a specialist if the problem persist.
- Solvents, cleaning and scouring agents as well as dashboard spray and plastics care products may contain materials which can damage the surface and screen of the device. Use only dry or slightly moistened cloth to clean the device.
Recycling and Disposal
Do not dispose of your old unit in the household trash!
Use the return and collection systems available to dispose of the old device.
This manual may be updated from time to time without any notice. Visit www.blaupunkt.com for more info.
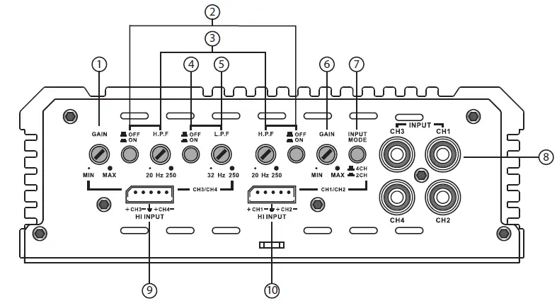
INPUT FUNCTION

- CH3/CH4 Gain Control
- HPF OFF/ON
- HPF Control
- LPF OFF/ON
- LPF Control
- CH1/CH2 Gain Control
- 2CH/4CH Input Mode
- 4 Channel RCA Input Jack
- CH3/CH4 High Level Input
- CH1/CH2 High Level Input

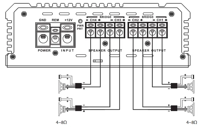
- POWER
- RO/PWR Indicator
- CH3/CH4 Output
- CH1/CH2 Output
SPECIFICATION
- Amplifier Class : Class AB
- No of Channel : 4/3/2
- No of PCB Layer : 2
- Max Total Power : 160W x 4
- RMS Power (4 ohms) : 75W x 4
- RMS Power (2 ohms) : 120W x 4
- Frequency Response : 10Hz – 50kHz
- Signal-To-Noise Ratio : 96dB
- Voltage Supply : 11- 16V DC
- Idling Current : 0.8A
- Gain Adjust : 200mV – 6V
- Crossover Type : Variable LPF
- Crossover Slope : -12dB/oct
- Max Total Power Bridged (4 ohms) : 240W x 2
- Crossover Frequency (Low Pass Filter) : 32Hz – 250Hz
- Crossover Frequency (High Pass Filter) : 20Hz – 250Hz
- Hi-Volt Input Level Control : 3V
- Lo-Volt Input Level Control : 200mV – 6V
- Total Harmonic Distortion : 0.05%
- RCA Input : 4 Channel
- Speaker Input : Yes
- Fuse : 40A x 1
- Power/Ground Terminal : Screw-Type
- Speaker Terminal : Screw-Type
- Net Weight : 2.85kg
- Dimension (W x H x D) : 260 x 165 x 58.5mm
SPECIFICATION

WIRING DIAGRAM
Stereo Mode

Speaker Connections

Speaker Connections

Bridged Mode

Power Connection Leads


WARNING
Before beginning, DO NOT connect the car battery’s negative poles to the positive poles.
The short-circuitry might cause damage to your amplifier and other electrical parts in the car.
TROUBLESHOOTING
If any of the following problem occur, please resort to Troubleshooting for the possible solutions. Consult Blaupunkt authorized dealer if problem persist.
| Problems | Possible Causes | Solutions |
| No audio output | Remote wire failed to work | Examine voltage output/connection and repair accordingly. |
| Fuse failed to work | Examine power integrity and reversed polarity, repair or replace fuse accordingly. | |
| Disconnected power wires | Examine power wire and ground connections. Replace and repair accordingly. | |
| Missing output from source or audio input not connected | Examine input connection and signal integrity. Replace or repair accordingly. | |
| Disconnected speaker wires | Examine speaker wires. Replace or repair accordingly. | |
| Unstable audio cycle | Broken speaker | Examine radio system. Replace or repair accordingly. |
| Thermal protection will be activated when amplifier temperature exceeds 90°C | Improve amplifier’s ventilation accordingly. | |
| Poor audio input | Examine input connection. Replace or repair accordingly. | |
| Audio distortion | High amplifier sensitivity setting, exceed maximum output capability of amplifier | Refer to manual to reset gain setting. |
| Low impedance | Examine speaker impedance. Rewire speaker accordingly, if below 2Ω stereo or 4Ω mono. | |
| Improper connection of speaker and amplifier | Examine speaker wire, replace or repair accordingly. Refer to manual for installation instruction. | |
| Broken speaker | Examine radio system. Replace or repair accordingly. | |
| Poor bass response | Wrong speaker wire polarity connection causing phase cancellation | Examine speaker polarity and repair accordingly. |
| Broken battery fuse | Low impedance | Examine speaker impedance. Rewire speaker accordingly, if below 2Ω stereo or 4Ω mono. |
| Incorrect power connection | Examine power wire and ground connections. Repair accordingly. | |
| Fuse used is smaller than recommended | Replace with recommended fuse type. | |
| Over drawn current | Examine speaker impedance. Rewire speaker and replace fuse accordingly, if below 2Ω stereo or 4Ω mono. | |
| Incorrect power wire | Examine power wire and ground connections. Repair accordingly. | |
| Broken amplifier fuse | Over drawn current | Examine speaker impedance. Rewire speaker and replace fuse accordingly, if below 2Ω stereo or 4Ω mono. |
| Fuse used is smaller than recommended | Examine power wire and ground connections and repair accordingly with correct fuse. |
Designed and engineered by Blaupunkt Competence Centre


















