Ameritron AL-1200 Power Amplifier

The Ameritron AL-1200 is a 1500 watt output linear amplifier that operates from 160 through 15 meters. The Ameritron AL-1200X is the export model and covers 160 through 10 meters. The AL-1200 uses a single 3CX1200A7 tube in a class AB2 grounded grid circuit. CW, FM and RTTY efficiency is improved by shifting the bias deeper into class B. The heavy duty power supply and RF components, combined with a forced air system utilizing chimneys, provide long service life for expensive components. The AL-1200 is shipped factory wired for 240 volt, 50/60 Hz power mains.
PLEASE READ THIS MANUAL BEFORE OPERATING THIS EQUIPMENT!
UNPACKING INSTRUCTIONS
- Carefully remove the amplifier, transformer, and tube from their shipping cartons. Inspect each item for visible damage. If any damage occurred during shipment, notify the transportation company immediately.
- Save all packing materials in case you need to return your AL-1200(X) for factory service. The cartons have been designed to give maximum protection for this amplifier. Any units returned without proper packing may be damaged and shipping claims cannot be made. Contact the factory before returning any units.
- Remove the screws that hold the cover to the amplifier. Slide the cover back and remove it from the amplifier. Remove the package that is in the area where the transformer will be mounted. This package contains the chimney for the 3CX1200A7. There is also a small package that contains the fuses, fuse caps and the remainder of the chassis screws.
- Please read the GENERAL INFORMATION and SPECIFICATIONS sections before attempting to install the transformer and tube. Go to the INSTALLATION -section on page 4 to begin installing the transformer and tube.
- This amplifier must always be disconnected from the power mains before removing the cover. See the precaution on page 10. Please read the entire manual to become familiar with the operation of the AL-1200(X) amplifier.
FEATURES
- Inexpensive tubes: the AL-1200 uses a single rugged 3CX1200A7 tube.
- Fast warm-up time: the 3CX1200A7 requires only a few seconds of warm-up time.
- SSB/CW switch: the bias voltage is switched to provide the best linearity on SSB or the lowest dissipation on CW operation.
- ALC Indicator: the drive level is detected to provide a control voltage for the exciter. ALC prevents over-driving of the linear and reduces distortion from ex-cessive drive power.
- Vernier Plate and Load Adjustments: both tuning controls have vernier 6:1 reduction drives for smooth tuning.
- Two Illuminated Panel Meters: the AL-1200 has two illuminated panel meters. . The Grid Current meter pro-vides a continuous reading of grid current and indicates proper operation of the amplifier. The other meter reads Plate Voltage (HV), Plate Current (IP), Peak RF Watts (PO) and ALC.
- Operate/Standby Switch: filament and plate voltages are maintained while allowing the amplifier to be bypassed for “barefoot” operation.
- 12 Volt Auxiliary Jack: 12 volts at 100 mA is provided for accessories such as the ATR-15 Antenna tuner.
- XMT Indicator LED: provides a front panel indication of proper amplifier keying by the exciter during operation.
Caution: This amplifier must be disconnected from the power mains before removing the cover. See the warning on page 10.
TECHNICAL SPECIFICATIONS AL-1200*
Input
- Circuit type: Pi-network, slug tuned coils maximum VSWR at resonance: 1.2:1 minimum 2:1 VSWR bandwidth: 20%
- maximum drive power permissible: 130 watts typical drive for full power
- output: 100 watts
Output
- circuit type: Pi-L, Pi
- in hour continuous carrier: 1500 watts (Below 18MHz) 30 second continuous carrier: 1800 watts plus
- in hour PEP two-tone test: 1800 watts
Power Supply
- circuit type: full wave bridge, capacitor input no load voltage: 3600V
- full load voltage. 3300V full load current: .8 amp regulation: 10% or better transformer: 32 lbs., hypersil capacitors: 26 mfd total, computer grade
- maximum draw at rated output: 13 amps at 240V AC, 50/60 Hz
Tube
- type: (1) 3CX1200A7 continuous dissipation: 1200 watts warm-up time: 10 seconds
- Metering: multimeter: plate current, plate voltage, drive/ALC, power output (PEP watts). Grid: grid current
- ALC: negative going, 0-20V, adjustable, phono jack
- Efficiency CW: 65% typical
- Efficiency SSB (envelope crest): 62% typical
- MARS/WARC: yes, bandswitch set to nearest amateur band
- Keying: requires relay closure or sinking to ground of positive (+) 12 VDC at 100 mA, phono jack
- RF Connectors: S0239
- Line Connector: NEMA 6-15P 240V style
- Dimensions: 181/2″ Dx17″ Wx 10″H
- Weight: 77 lbs.
- Frequency Coverage: 1.8 through 21 MHz amateur bands
- Third Order IMD at Rated Output: -34 dB at 1500 w output
specifications are subject to change without notice or obligation.
GENERAL INFORMATION
SAFETY INTERLOCK
While the Amplifier’s top cover is in place, the interlock switch closes to allow AC line voltage to reach the power transformer. When the top cover is removed, the interlock opens and disconnects the line voltage. This does not discharge the bank of power supply filter capacitors. Be sure to allow the filter capacitors to discharge before you touch anything inside the Amplifier. You can select the High Voltage function of the Multimeter to check the high voltage potential. Never attempt to defeat the safety interlock. WARNING- Never remove the cover of this amplifier with the unit plugged into the power line.
DRIVING POWER
This Amplifier is designed to operate at full ratings when it is driven by an exciter that has approximately 100 watts of RF output. You can use an exciter that has lower output power, but the Amplifier’s output will be less. If you use an exciter that delivers more than 100 watts, carefully adjust the driving power to avoid “over drive” and the creation of spurious signals, which create needless interference to other operators. We highly recommend that you use a monitor scope for continuous output monitoring. The display on an oscilloscope is the best way of determining the amplitude of the voice peaks which, if excessive, can cause “flat topping” and splatter.
IMPORTANT: In no case should you advance the power output control of your exciter beyond the point where the Amplifier’s Power Output indication ceases to increase. If you turn the control past this point, nonlinear operation may occur.
FILAMENT SUPPLY
The filament circuit of this amplifier satisfies all requirements of the tube manufacturer related to tube performance and life. Inrush current is controlled by the transformer internal resistance and impedance, filament choke resistance and filament wiring resistance. To insure maximum life of the tube never replace any circuit components or wiring with substitute parts.
The low voltage tap on the filament transformer primary pro-vides the ability to operate the blower at slower speeds for reduced noise. Normal amateur operation in CW and SSB will not cause heat damage to components on any recommended tap. It is always advisable to use the maximum speed (air flow) that the level of noise permits to extend component life. Wiring information for the blower is shown in the “Transformer Connections” instructions.
PLATE SUPPLY
The plate supply has a full wave bridge rectifier and a 1.8 KVA CCS rated tape wound hypersil transformer. Filtering is accomplished by a bank of high quality capacitors totaling 26 mfd (additional capacitance will not improve supply performance). The Plate Supply will not be harmed by normal continuous amateur operation at 1500 watt levels. Power is applied through RLY2 when the 12V DC low voltage supply is activated. A 10 ohm resistor limits the line current during the filter capacitor charge time to lower the stress on components. When the primary voltage approaches the full line value, RLY3 shorts the 10 ohm resistor and applies the full line voltage to the plate transformer. The 10 ohm resistor acts as a fuse during start-up if the high voltage supply has a short.
EXPORT MODIFICATIONS
A simple modification will allow operation on frequencies above 15 meters. Instructions for this modification are available by sending a written request for “Export Modification Instructions” along with a copy of a valid amateur license. There is no charge for this information. Export models are shipped with this modification and have an “X” following the serial number. Standard frequency coverages are indicated in the chart following the tuning instructions on page 6.
TECHNICAL ASSISTANCE
Technical assistance is available during our normal business hours on weekdays. The following information is required to assist you with operational problems:
- Model and Serial Number
- Date of purchase and dealer
- An accurate description of the problem
Meter readings at all stages of the tuning procedure are very important along with a complete description of the other equipment used with our product.
Written assistance is also available. Due to time delays in processing mail, please allow at least three weeks for a written reply.
AMERITRON 116
Willow Road
Starkville, MS 39759
Tel: (662) 323-8211
Fax: (662) 323-6551
PERIODIC MAINTENANCE
The high voltage present on the plate choke and air variable capacitors attracts dust and dirt out of the air stream. It is particularly important that the high voltage areas at the bottom of the plate choke and the insulators on the air variable capacitors be dust free. These areas should be inspected every few months if the amplifier is operated in a dusty environment. Unplug the line cord, and wait about 90 seconds until the power supply capacitors discharge. Remove the cover and connect a jumper wire from ground to the anode connection of the tubes.
NOTE: This is a safety wire that must be installed when beginning service work and removed when work is finished. Use a soft bristle brush dipped in alcohol to clean areas men-tioned previously. In the event that cleaning is required at frequent intervals, place a low restriction air filter material over the air inlet holes on the left front side of the cabinet near the filter capacitors. Most hardware stores stock suitable materials that are used as replacement filters for window air conditioners.
METERING
The AL-1200 has two illuminated meters. The Grid Current meter provides a continuous indication of the 3CX1200A7 grid current. This exclusive feature of Ameritron amplifiers indicates proper amplifier operation better than any other parameter. Do not exceed 300 mA on this meter during normal operation of this amplifier. The other meter reads Plate Voltage (HV), Plate Current (IP), Peak RF Watts (PO) and ALC. These functions are selected with the Multimeter Switch.
- Plate Voltage (HV): Read DC Plate Voltage on the 4000 volt scale. This scale is 100 volts per division. Normal voltages are 00 volts no load, 3300 volts full load.
- Peak RF Watts (PO): Read Peak RF Watts on the 2000 watt scale. This scale has 50 watt divisions below 1000 watts and 100 watt divisions above 1000 watts.
NOTE: This circuit uses an emitter follower to charge a capacitor to the peak envelope voltage detected by the ALC/Power Board. Accurate peak envelope power readings are given when the amplifier is connected to a 50 ohm nonreactive load. If the amplifier is used with a mismatched load, the power meter will read higher or lower than normal by a ratio up to the value of the SWR. Potentiometer R5 on the Meter Board (50-01140-1) adjusts the calibration of the power meter.
- ALC: Indicates a relative drive level (average, not PEP) that can be estimated by dividing the Peak RF Watts scale by 10.
NOTE: There is a neutralization tab mounted on a ceramic standoff near the 3CX1200A7. This tab increases the amplifier’s efficiency on 21 and 28 MHz. DO NOT
CHANGE THE POSITION OF THIS TAB.
INSTALLATION
TRAN SFORMER INSTALLATI ON
Remove the cover of the amplifier. Remove the package that is in the plate transformer area. This is the fuse pack and chimney for the AL-1200. Remove the top 7/16″ nuts from the four transformer mounting bolts inside of the amplifier. Carefully remove the transformer from its shipping carton.
Place the transformer on the four 1/4-20 mounting bolts. Use care because the transformer is heavy. The side with the two high voltage secondary RED leads must be adjacent to the center panel(see Fig. 1). Now place a 7/16″ nut on each bolt (see Fig. 2). Snug the nuts down manually. Do not tighten with a ratchet wrench.
Remove the brass 1/4″ hex nuts and the top flat washer from the two brass 6-32 screws on the rectifier board (see Fig. 1). Install the RED lead ring terminals on the screws and replace the flat washers and 1/4″ hex nuts. Position the wires so that the black insulated areas are at least 1/4″ from each other and any metal objects. Now tighten the 1/4″ hex nuts.
For 240V Operation (factory wired):
The four primary leads have colored plastic insulating boots over the quick disconnect terminals. Slide these back prior to installing the leads. Install the color coded boots as follows:(see Fig. 1)
- BLUE (Brown wire) to the top relay terminal
- YELLOW (Black/White) to the top terminal of terminal block
- CLEAR (Black wire) to the second terminal of terminal block
- RED (Brn/Wht-240V)(Grn-220V) to the bottom terminal of terminal block
Now slide the colored insulating boots back over the terminals.
Important: The leads must be in the positions indicated by the color coded insulating boots(see Fig. 1) for 240V operation. For 220V operation, see page 5. Caution: Do not use the 220V wiring unless the line voltage is always below 220 VAC. The Standard USA voltage is 240 VAC, not 220.

For 220V connections(see Fig. 3), follow these steps
- Slide the RED boot back on the BRN/WHT wire
- Clip the terminal connector off the wire and slide the RED boot off
- Remove the restraint from the GRN wire and slide the RED boot on to the wire.
- Solder the terminal connector to the GRN wire.
- Tape up the BRN/WHT wire because it will not be used.

TUBE INSTALLATION
Loosen screw “A” Fig.4 enough to lift the anode out of the way for the installation of the tube.
Note that one of the tube pins is offset. This offset pin “keys” the tube base and socket. Install the tube by aligning the tube pins with the socket contact terminals, and then seat the tube with vertical pressure ONLY. Do not “rock” or “twist” the tube.
Secure the grid ring of the tube by using the supplied (4) 4-40 screws from the fuse pack. Fig. 4

Place the chimney over the tube anode with the large opening down. DO NOT FORCE the chimney down over the anode. Carefully lower the chimney with an even pressure until it seats against the chassis. Notice the vent holes in the chassis around the tube. Fig 4. The chimney should seat with the holes to the inside of the chimney. Fig 5 .
After the chimney is installed, attach the anode connector as follows: (Refer to the Fig. 5)
- Attach the anode connector to the tube’s Anode.
- Snug down nut “A” just enough to prevent the anode connector from sliding.
- Tighten screw “A” fig. 5
- Position Red HV lead out of the air exhaust from the tube. Make sure it will not come in contact with the cover or any other components

CAUTION:
- These voltage taps may not be for your amplifier. Terminal 6 should have a purple and a white wire, if NOT this IS NOT for your amplifier. Contact Ameritron for correct wire chart.
- The following information is only valid for transformers that contain these exact color codes for the primary winding. Early production units did not contain a multiple tap transformer. If the terminal strip has all these color coded wires, then the unit has the multiple tap transformer.
FILAMENT/BLOWER WIRING INSTRUCTIONS
The AL-1200 amplifier comes prewired for 240V line voltage and with the blower prewired for medium high fan speed. This page gives filament transformer connection details for various line voltages and blower speeds. The five lug terminal strip and the single lug terminal strip are located immediately behind the ON/OFF rocker switch inside the unit. The drawing below shows the connection of transformer leads and their purpose.
FILAMENT TRANSFORMER LINE VOLTAGE
There are two wires that connect to the terminal lugs which determine the Filament Line Voltage. The BLACK wire from the power switch and WHITE wire from rear of the unit connect to different terminal lugs depending on the voltage desired. The AL-1200 comes prewired for 240V operation*. Refer to the chart below. The voltage listed in the chart below is the maximum line voltage that should be applied to a given tap. Operation with line voltage in excess of the tap voltage selected can result in a reduction of tube life. ‘
BLOWER
The GREEN and WHITE wires from the rear of the unit connect to the terminal lugs to control the air speed of the fan. The AL-1200 is prewired for the medium high speed setting*. Refer to the chart below. The blower connections can be moved to lower speed taps if air noise is excessive. Ameritron recommends using the highest speed tap that noise considerations permit. The lowest speed tap will develop sufficient air flow for standard amateur SSB and CW full power operation. The highest speed taps should be used for contest or RTTY operation.

INTER CONNECTION
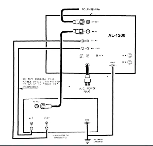
- Connect the RF output of the exciter to the RF IN connector on the rear of the AL-1200 with 50 ohm coax. Use any good quality 50 ohm cable long enough to connect the amplifier to the exciter. The amplifier uses a standard SO-239 female that will mate to a PL-259 male connector on the cable.
- Connect the existing station antenna system to the RF . OUT connector on the rear of the AL-1200 with RG-8 type coax. This connection uses PL-259 connectors.
- Use shielded audio type cable with standard male phono plugs to connect to the RELAY jack on the AL-1200. This jack has positive 12V DC open circuit and supplies 100mA of current when pulled to ground.
- Connect a short ground lead from a good earth and RF ground to the GND terminal.
- The 12V connection on the rear panel provides 12V DC at 100 mA maximum to operate external dial lamps or accessories such as the ATR-15 Antenna Tuner.
- DO NOT CONNECT THE “ALC OUT” SOCKET ON THE AMPLIFIER TO THE “ALC” SOCKET ON THE TRANSMITTER UNTIL INSTRUCTED TO DO SO IN THE TUNE UP PROCEDURE. This jack provides up to 20 Volts of negative voltage for transmitter gain control.

LOCATION
Do not operate the Amplifier in excessively warm locations or near heating vents or radiators. Be sure air can circulate freely around and through the Amplifier cabinet. Provide an unobstructed air inlet for the blower. Do NOT place anything that will impede the free flow of air within 2 inches of the cabinet ventilation holes.
VENTILATION
The AL-1200 ventilation system has been designed and tested to maintain tube seal temperature safely below the tube manufacturer’s rating at 1500 watts output with a 100%duty cycle when properly tuned. The blower in the AL-1200 is a permanently lubricated type that requires no maintenance in normal operation. To insure proper ventilation in your installation, observe the following:
- Do not block or unduly restrict the ventilation holes in the cover. Be sure that the amplifier is located in an area so the vent holes have open air circulation.
- The exhaust air flow is over 30 CFM. Do not “assist” the air flow unless the fan exceeds the AL-1200 blower CFM by a factor of 2:1.
- Do not mount additional fans on the AL-1200 cabinet.
- The exhaust air will become quite warm at higher power levels. Do not place any heat sensitive objects in the exhaust air stream.
POWER CONNECTIONS
The AL-1200 is supplied with a NEMA 6-15P plug for 240V AC operation. Operation with power main voltages below 200 volt is not recommended. Special transformers are re-quired for 200V, 50/60 Hz operation. Refer to the “Transformer Installation” section on pages 4 and 5 for the correct wiring for 220 to 240 volt operation.
NEVER REWIRE THE POWER SUPPLY TO BOOST THE HIGH VOLTAGE ABOVE 3700 VOLTS.
The wiring between the fuse box and the amplifier AC outlet must be No. 12 gauge or larger in order to supply the current required (13 amperes) without a significant drop in the line voltage. The outlet should be fused for 20 amperes.
GROUNDING
Connect a good RF and earth or water pipe ground to the ground post on the rear panel of the Amplifier. Use the heaviest and shortest connection possible.
Before you use a water pipe ground, inspect the connections around the water meter and make sure that no plastic or rubber hose connections are used. These connections interrupt electrical continuity to the water supply line. Install a jumper around any insulating water connections you may find. Use heavy copper wire and pipe clamps. It is best to ground all equipment to one point at the operating position and then ground this point as described above.
TUNING INSTRUCTIONS
Proper tuning of a grounded grid linear amplifier is best accomplished with an understanding of what each control does and what the meters are telling the operator about the condition of TUNE.
The tuning controls function as follows:
- PLATE: This control tunes the amplifier output circuit to the operating frequency. It should always be adjusted for maximum output power or maximum grid current. Due to interaction with the “LOAD” control, a “touch-up” should be performed after any load adjustments.
- LOAD: This control adjusts the coupling of amplifier to the antenna or load. It should be adjusted to keep the grid current in the proper operating range. As the loading capacitance is reduced (by rotating the control to a higher front panel number), the coupling is increased. An increase in coupling will reduce grid current and increase the amount of drive the amplifier will accept without component damage.
A common mistake in tuning is to adjust the “LOAD” control at low drive powers and apply more drive during operation. Excessive grid current, distortion on SSB or arcing in the tank components occurs when full drive power is applied to the amplifier without the “LOAD” set for enough clockwise (higher loading).
It is important to remember the loading must be set properly for the PEAK power the amplifier is expected to develop. 50 watts PEP will be the maximum drive the amplifier will safely handle if the output of the amplifier is tuned with 50 watts of carrier drive. Any attempt to go beyond the amount of drive power the amplifier was originally tuned at will result in a rapid increase in grid current, splatter and even damage to components.
The “LOAD” control should be adjusted for maximum output power without exceeding the recommended grid current. DO NOT USE THE LOAD CONTROL TO REDUCE POWER IN A GROUNDED GRID AMPLIFIER. The drive from the exciter should be reduced if the amplifier plate current or output power is excessive. The “LOAD” setting should be increased if grid current is excessive. Any errors in adjusting this control should be made in favor of a higher load setting (clockwise).
OPERATION
CW PROCEDURE
Follow these instructions in numerical order. If the various meter readings are different than indicated, check the con-nections from the exciter to the amplifier and make sure they are correct. Consult the manual for the exciter.
Be sure the transformer is correctly installed and wired for your line voltage. See the “Transformer Installation” section on page 4 and 5 for wiring details.
- Set the AL-1200 front panel switches as follows:
POWER TO OFF OPR-STBY TO STBY SSB-CW TO CW MULTIMETER - Plug the AC line cord into the proper voltage outlet.
- Set the Power Switch to the ON position. The meter lamps should light and the blower should start. Read the 4000 volt scale on the Multimeter. It should indicate 3600 volts nominal and no more than 3700 volts.
- With the amplifier still on STANDBY, tune the exciter into a normal 50 ohm load according to the manufacturer’s instructions. Turn the exciter drive fully down after tuning.
- Place the amplifier mode switch in the CW position, the band switch on the same band as the exciter, the PLATE control in the dial range for the band selected and the load control as indicated:

- With exciter drive still at zero, place the MULTIMETER switch in the Ip position. Observe the 1000 mA scale. The meter should read zero (0). Place the STBYOPR switch in the OPR position.
- Key the exciter (no drive) and observe the plate current on the 1000 mA scale. It should be 40 mA. Place the CW-SSB switch in the SSB position. Plate current should now read 150 mA. Return the CW-SSB switch to the CW position.
Note: The no drive currents will vary up to 25% due to component and line voltage tolerences. - Apply only enough drive to indicate a grid current of 100 mA or an Ip of no more than 500mA. Tune the PLATE control for maximum output power or grid current. It is normal for the plate current to dip at this point. If the grid current goes over 150 mA, reduce the drive at once. Unkey the exciter.
- Place the MULTIMETER switch in the PO position and observe the 2000 Peak RF Watts scale. Increase the drive until 200 mA of grid current is indicated. Adjust the LOAD and PLATE controls for maximum output. The grid current may be lower now.
- Advance the drive to 250 mA of grid current. Adjust the LOAD and PLATE controls for maximum output power.(Repeat this step twice). The output should be over 1000 watts now.
- Apply enough drive to indicate either 1500 watts of output power or 300 MA of grid current. Re-peak the LOAD and PLATE controls. The final grid current should be around 250 mA and the plate current below 900 mA.
ALC (Automatic Level Control)
The primary use of the ALC is to reduce the input drive power to a safe level for the AL-1200. The maximum drive of the AL-1200 will tolerate is approximately 130 watts. At this drive level the output of the AL-1200 may be in excess of 2000 watts when properly tuned. The ALC should be connected and adjusted after the amplifier is properly tuned on CW. Use a shielded audio-type cable with a standard male phono connector to connect the 0-20 volt negative ALC voltage to the exciter ALC input. Consult the exciter manual for proper connection details.
Setting the ALC ADJ Control
Proper adjustment of the rear panel ALC control can be achieved by the following steps:
- Load the amplifier according to the tune-up instructions (with the ALC disconnected from the exciter) to the desired maximum power.
- Connect the ALC line and rotate the ALC control fully clockwise looking at the rear of the unit.
- Set the MULTIMETER switch to the PO position or observe an external PEP meter or oscilloscope.
- Set the transmitter audio control about 20% higher than normal
- Speak in the microphone in a normal tone of voice and observe the reading on the 2000 RF Watts scale.
- Adjust the ALC ADJ control on the rear panel until the amplifier output is no more than the desired maximum power obtained in step 1.
The exciter internal ALC will maintain linearity. The amplifier ALC will prevent over-power operation.
SSB PROCEDURE
Tune the Exciter and Amplifier as described in “TUNE-UP CW
- Place the SSB-CW switch in the SSB position.
- Adjust the exciter gain control to permit voice peaks to reach the same value the peak output meter read on CW when fully loaded. The plate and grid currents should remain well below 50% of the CW values during normal modulation.
NOTE: ,
Some exciters will put out short duration high power RF pulses when first keyed. Exciter power output peaks may reach or exceed full output level even if the exciter’s power control has been adjusted to deliver reduced power under “key down” conditions.
The amplifier loading control must be set high enough (clockwise) to prevent extremely high energy levels from developing in the plate and grid circuits of the amplifier. DO NOT “UNDERLOAD” THE AMPLIFIER TO REDUCE POWER. Never “retune” the amplifier to produce higher ef-ficiency with reduced drive. Poor linearity, splatter or even damage to components may result from failure to follow these it . The AL-1200 will operate with full output on all WARC bands except 24.5 MHz. The AL-1200X (export model) will operate with full output on all WARC bands.
STANDARD FREQUENCY COVERAGE
WARNING!!!
MAKE NO ATTEMPT TO PUT THI S AMPLI FI ER I N SERVI CE WI TH THE COVER REMOVED! CONTACT WI TH VOLTAGES I NSI DE THI S AMPLI FI ER CAN BE FATAL! ALWAYS DI SCONNECT THE AMPLI FI ER FROM THE POWER MAI NS AND WAI T FOR THE FI LTER CAPACI TORS TO DI SCHARGE BEFORE REMOVI NG THE COVER.
AL-1200 SCHEMATIC
Power supply shown wired for 240V operation


Part List

DISCLAIMER
Information in this manual is designed for user purposes only and is 1101 intended to Sphered, information contained in cus1.<inner regulations. Technical manuals/documents, positional hymnbooks. or other official publications. The copy ocher. manual provided to the customer will not be updated to reflect current data.
Customers using this manual should repot errors or omissions, recommendations for improvement, . or Cather cameo , w Maricon 116 \Villon ){(lad, Starkville, MS 39759. Phono: (662) 323-8211: FAX: (662) 323-6551. Business hours: M-F 8-4:30 CST.
AMERITR: ON
116 Willow Road Starkville, MS 39759 USA
662-323-82 11



















