Veratron VL Flex 52 Instrument with Black Bezel Instruction

INTRODUCTION
THEALL-IN-ONE GAUGE
The VL Flex device can easily be configured to be the instrument you need – thanks to its sun-readable 1.44″ TFT display embedded into a standard 52 mm instrument housing. The supported analog inputs allow you to directly read from your engine sensors, and the N MEA 2000® interface expands this possibility by allowing the device to read from the digital network. The simple but effective graphic design can be set up in a single or dual layout, presenting the data in a clear and intuitive form, while the colored bar graph and the alarm display allow you to visually understand your data.
CONTACTLESS CONFIGURATION (Patent Pending)
Thanks to the contactless configuration you can set up your all- in- one instrument with a simple tap! Launch the companion App and define your settings through the user-friendly interface, then simply hold your mobile device in proximity of the VL Flex device to t transfer the configuration. Thanks to the embedded passive antenna t the configuration can be done powerless!
SAFETY INFORMATION
WARNING
- No smoking! No open fire or heat sources
- The product was developed, manufactured and inspected according to the basic safety requirements of EC Guidelines and state-of-the-art technology.
- The instrument is designed for use in grounded vehicles and machines as well as in pleasure boats, including non-classified commercial shipping.
- Use our product only as intended. Use of the product for reasons other than its intended use may lead to personal injury, property damage or environmental damage. Before installation, check the vehicle documentation for vehicle type and any possible special features!
- Use the assembly plan to learn the location of the fuel/hydraulic/compressed air and electrical lines! Note possible modifications to the vehicle, which must be considered during installation
- To prevent personal injury, property damage or environmental damage, basic knowledge of motor vehicle/shipbuilding electronics and mechanics is required
- Make sure that the engine cannot start unintentionally during installation!
- Modifications or manipulations to VDO products can affect safety. Consequently, you may not modify or manipulate the product!
- Make sure that the engine cannot start unintentionally during installation!
- Modifications or manipulations to VDO products canaffect safety. Consequently, you may not modify or manipulate the product!
SAFETY DURING INSTALLATION
- During installation, ensure that the product’s components do not affect or limit vehicle functions. Avoid damaging these components!
- Only install undamaged parts in a vehicle!
- During installation, ensure that the product does not impair the field of vision and that it cannot impact the driver’s or passenger’s head!
- A specialized technician should install the product. If you install the product yourself, wear appropriate work clothing. Do not wear loose clothing, as it may get caught in moving parts. Protect long hair with a hair net.
- When working on the on-board electronics, do not wear metallic or conductive jewelry such as necklaces, bracelets, rings, etc.
- If work on a running engine is required, exercise extreme caution. Wear only appropriate work clothing as you are at risk of personal injury, resulting from being crushed or burned.
- Before beginning, disconnect the negative terminal on the battery, otherwise you risk a short circuit. If the vehicle is supplied by auxiliary batteries, you must also disconnect the negative terminals on these batteries!
Short circuits can cause fires, battery explosions and damages to other electronic systems. Please note that when you disconnect the battery, all volatile electronic memories lose their input values and must be reprogrammed. - If working on gasoline boat motors, let the motor compartment fan run before beginning work.
- Pay attention to how lines and cable harnesses are laid so that you do not drill or saw through them!
- Do not install the product in the mechanical and electrical airbag area!
- Do not drill holes or ports in load-bearing or stabilizing stays or tie bars!
- When working underneath the vehicle, secure it according to the specifications from the vehicle manufacturer.
- Note the necessary clearance behind the drill hole or port at the installation location. Required mounting depth: 65 mm.
- Drill small ports; enlarge and complete them, if necessary, using taper milling tools, saber saws, keyhole saws or files. Deburr edges. Follow the safety instructions of the tool manufacturer
- Use only insulated tools, if work is necessary on live parts.
- Use only the multimeter or diode test lamps provided, to measure voltages and currents in the vehicle/machine or boat. Use of conventional test lamps can cause damage to control units or other electronic systems.
- The electrical indicator outputs and cables connected to them must be protected from direct contact and damage. The cables in use must have enough insulation and electric strength and the contact points must be safe from touch.
- Use appropriate measures to also protect the electrically conductive parts on the connected consumer from direct contact. Laying metallic, uninsulated cables and contacts is prohibited
SAFETY AFTER INSTALLATION
- Connect the ground cable tightly to the negative terminal of the battery.
- Reenter/reprogram the volatile electronic memory values.
- Check all functions.
- Use only clean water to clean t he components. Note the Ingress Protection (IP) ratings (IEC 60529
ELECTRICAL CONNECTION
- Note cable cross-sectional area!
- Reducing the cable cross-sectional area leads to higher current density, which can cause the cable cross-sectional area in question to heat up!
- When installing electrical cables, use the provided cable ducts and harnesses; however, do not run cables parallel to ignition cables or to cables that lead to large electricity consumers.
- Fasten cables with cable ties or adhesive tape. Do not run cables over moving parts. Do not attach cables to the steering column!
- Ensure that cables are not subject to tensile, compressive or shearing forces.
- If cables are run through drill holes, protect them using rubber sleeves or the like.
- Use only one cable stripper to strip the cable. Adjust the stripper so that stranded wires are not damaged or separated.
- Use only a soft soldering process or commercially available crimp connector to solder new cable connections!
- Make crimp connections with cable crimping pliers only. Follow the safety instructions of the tool manufacturer.
- Insulate exposed stranded wires to prevent short circuits.
- Caution: Risk of short circuit if junctions are faulty or cables are damaged.
- Short circuits in the vehicle network can cause fires, battery explosions and damage to other electronic systems. Consequently, all power supply cable connections must be provided with weldable connectors and be sufficiently insulated.
- Ensure ground connections are sound.
- Faulty connections can cause short circuits. Only connect cables according to the electrical wiring diagram.
- If operating the instrument on power supply units, note that the power su pply unit must be stabilized and it must comply with the following standard: DIN EN 61000, Parts 6-1 to 6-4.
INSTALLATION
BEFORE THE ASS EMBLY
- Before beginning, turn off the ignition and remove the ignition key. If necessary, remove the main circuit switch
- Disconnect the negative terminal on the battery. Make sure the battery cannot unintentionally restart
- Place the device at least 300 mm away from any magnetic compass
INSTALLATION WITH SPIN LOCK
Conventional assembly. (Instrument is put into the drill hole from the front). The panel width may be within a range of 0.5 to 20 mm [A]. The drill hole must have a diameter of 53 mm
WARNING
- Do not drill holes or ports in load-bearing or stabilizing stays or tie bars!
- Note the necessary clearance behind the drill hole or port at the installation location. Required mounting depth: 65 mm.
- Drill small ports; enlarge and complete them, if necessary, using taper milling tools, saber saws, keyhole saws or files.
- Deburr edges. Follow the safety instructions of the tool manufacturer.
- Different bezels may be installed as alternatives to the supplied front ring. In this case, gently remove the bezel using a screwdriver [AJ and install the new bezel on the instrument and press it on until it is flush with the instrument glass.
Note: the bezel cannot be used after removal since it can be damaged.
IMPORTANT: if installing a chrome bezel, make sure to configure the device BEFORE installing it, as the metallic particles contained in the chrome material might affect the NFC performance - Create a circular hole in the panel considering the device dimensions. [BJ
- Remove the spinlock and insert the device from the front. [C]
- Adjust the spinlock ad shown in the picture [DJ according to the panel thickness
- Carefully screw in the spin lock by hand at least two turns and install the connector.

FLUSH MOUNTING
WARNING
- Do not drill holes or ports in load-bearing or stabilizing stays or tie bars!
- Note the necessary clearance behind the drill hole or port at the installation location. Required mounting depth: 65 mm.
- Drill small ports; enlarge and complete them, if necessary, using taper milling tools, saber saws, keyhole saws orfiles.
- Deburr edges. Follow the safety instructions of the tool manufacturer.
- Create a circular hole in the panel considering the device dimensions. [A]
- Remove the spinlock.
- Gently remove the bezel using a screwdriver. [BJ Note: the bezel cannot be used after removal since
- Place the flush mount seal A2C53215640 (not included) on the instrument glass. damaged.
- Put the inst rument into the drill hole from the back [C].
- Adjust the instrument so that the gauge is level and fasten it to the stud bolts on the rear side of the panel, using the flush mount fixing bracket A2C59510864 (not included) [D].
- Insert t he connector

DEVICE CONNECTION
DEVICE PINOUT
| Pin No. | Wire color | Description |
| 1 | Red | KL. 30 – Battery Power 12 / 24 V |
| 2 | Black | KL. 31- Ground |
| 3 | Green/ Red | Frequency sensor input |
| 4 | Yellow/ Red | R esisti ve sensor input |
| 5 | Blue /White | LIN bus |
| 6 | Red/White | KL. 58- Illumination Day/Night |
| 7 | – | NMEA2000 Hi (on M12 connector) |
| 8 | – | NMEA 2000 Lo (on M12 con nect or) |

WIRE HARNESS
- NM EA 2000® Device Net M12 connector 5 pins
- Sensors and power wires (see colors above)
- VL Flex 52 connector – Tyco/ Hirschmann MQS plug 8 pins
NMEA 2000® CONNECTOR PIN OUT

| Pin No. | Description |
| Shield | |
| 2 | NET-S (V+) |
| 3 | NET-C (V-) |
| 4 | NET-H (CAN H) |
| 5 | NET-L (CAN L) |
NMEA 2000® NETWORK CONNECTION
Once the installation is complete it is possible to ·interface the device to the NMEA 2000® backbone through the dedicated plug on the harness. Please ensure to tighten the M12 connector by screwing ii onto ·1ts counterpart, so to preserve the water tightness. A drop cable is not needed unless the total length of the wire pigtail is not enough to reach the NMEA 2000® backbone. In this case it is possible to extend t he total length by using one of the accessory drop cables. Please note that NMEA 2000® does not allow drop cables longer than 6 meters. Refer to the NMEA 2000® standard for a proper network design.
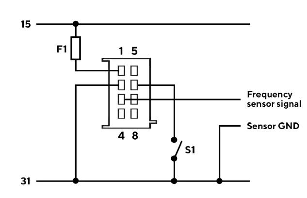
FREQUENCY SENSOR CONNECTION
Designations in the wiring diag ram: 15 – KL. 15- Ignition 12 / 24 V 31-KL.31-GND F1-3A Fuse (not included) S1 – Day/Nig ht Switch (not included)

Designations in the wiring diag ram: 15- KL.15- Ignition 12 / 24 V 31- KL.31-GND F1 – 3A Fuse (not included) S1 – Day/Night Switch (not included
CONFIGURATION
VL FLEX CONFIGURATOR APP
To configure the device, some parameters must be calibrated through the Link Up gateway, like the gauge type, the sensor and its calibration or the warning threshold. This is possible through the “VL Flex Configurator” smartphone App, which can be downloaded free of charge from the stores of both Android and iOS devices A simple and detailed explanation of the configuration process is also available as in-app instructions. Thanks to the passive embedded NFC receiver, the VL Flex 52 can be configured, as described below, without the need of power supply
The setup of the VL Flex device is an intuitive three-step process.
Please remember that you must READ from the device before being able to manipulate and download the configuration to the instrument.
DEVICE CONFIGURATION
- READ THE VL FLEX CONFIGURATION Launch the “VL Flex Configurator” App and read the actual configuration of the device by “tapping” the smartphone onto the front lens. The READ operation is mandatory before the WRITE operation is allowed. After the readout, the App wil I be set with the current VL Flex configuration.
NOTE: The antenna position on the smartphone depends on the model. Please refer to the smartphone manufacturer manual.
- CHOOSE DISPLAY LAYOUT Use the “Layout” section to choose between the Single and the Dual screen layouts. The “preview” picture on the top of the App screen will update accordingly. If the Dual layout is selected, the App will extend the gauge settings to configure both the screen fields.

- SELECT GAUGE TYPE Tap the “Gauge Type” item in the “Data Selection” section to choose the data you want to display on the VL Flex. If the Dual screen layout was selected, you will be able to select the value to display for both the top and the bottom sections of the dual screen.
Note: See the complete list of supported gauge types in the “Supported Configurations”table of this document.
- SETUNITSANDINSTANCE Define the unit for the displayed value if more than one is available (see “Supported Configurations” table). Set the instance for the displayed va lue (e.g. Engine No. or Tank No.) so that the VL Flex will also show it on display.
Note: the instance defined is also used by the VL Flex in case the data is received from NMEA 2000®.
- CONFIGURE THEALARM For some gauge t ypes it is possible to set an alarm (see “Supported Configurations” table). You can activate or deactivate the alarm by using the App swit ch. Once active, it is possible to set a threshold for it in the dedicated field. The threshold unit is the same unit defined in the step before.
Note: the alarm threshold direction (active above or active below) is statically defined (see “Supported Configurations” table).
- CALIBRATETHESENSOR By default, the VL Flex device will assume the data is received via NM EA 2000®, so the analog inputs are switched off. If the sensor is connected via analog port (resistive or frequency) you can configure it by activating the input through the App switch.
Note: based on the gauge type(s) defined, theApp only allows to activate the related analogue input (see “Supported Configurations”table). In case a dua I screen layout is selected (two values), it is possible to choose which data to configure as analog input. The other data will be considered as received from NMEA2000®
- MODIFY BACKLIGHT AND CLOCK SETTINGS You can complete the VL Flex configuration with the “Settings” tab. In this section it is possible to adjust the Day and Night backlight intensity through the dedicated
App slider. The Clock settings (format and offset) can also be adjusted in this App screen.
Note: the clock is only received via NMEA 2000® from – for example – an external GPS receiver. It is not internally maintained by the VL Flex.
- DOWNLOAD THE CONFIGURATION TO THE VL FLEX Once the configuration is completed, you can download it to the VL Flex. Press the “APPLY” button on the top/right corner of the App and near the smartphone to the VL Flex lens as shown in the picture.

SUPPORTED CONFIGURATIONS
| Gauge Type | Unit | Resistive input | Frequency input | Calibrations | Alarm available | NMEA2000® PGN |
| Engine Speed | rpm |
– | ✔ | Pulses per revolution | No | 127488 |
| Boat Speed | kn kmh mph |
– | ✔ | Pulses per unit | No | 128259 |
| Ammeter | A | ✔ |
– | No | 127508 | |
| Voltmeter | V | – | – | No | 127508 | |
| Battery SOC | % | – | – | Yes (below) | 127506 | |
| Battery SOH | % | – | – | Yes (below) | 127506 | |
| Battery Temperature | oc OF |
– |
– | Yes (Above) | 127508 | |
| Battery Autonomy | h days |
– |
– | No | 127506 | |
| Engine Hours | h |
– | ✔ | Internally calculated | No | 127489 |
| Speed Over Ground (SOG) | kn kmh mph | – | – | No | 129026 | |
| Course Over Ground (COG) | deg | – | – | No | 129026 | |
| Depth | m ft | – | – | Yes (below) | 128267 | |
| Clock |
– |
– |
– | No | 126992 |

TECHNICAL DATA
| Display | 1.44″ sun-readable color TFT display, transmissive |
| Resolution | 125 x 125 pixels |
| Nominal Voltage | 12V /24 V |
| Operating Voltage | 8 – 32 V with overvoltage and reverse polarity protection |
| Current consumption | Typ. 50 mA with maximum backlight intensity |
| Analogue ports | Resistive (0 – 400 Ω) Frequency (W, Ind, Hall, Generator) |
| Digital ports | NMEA2000®, LIN bus |
| Wireless interface | NFC (Near Field Communication) |
| Protection class | IP 67 front side acc. IEC60529 |
| Lens | PMMA with anti-glare and anti-fog treatments |
| Housing | 052 mm – Polycarbonate (PC), flame retardant |
| Bezels | PC (black, white) or ABS (chrome)-several color and shapes |
| Operating temperature | -20°C to +70°C |
| Storage temperature | -30°C to +80°C |
| Connector | Tyco/ Hirschmann MQS connector 8 pin |
| Mounting | Spinlock Nut- locking height 0.5-20 mm Optional Studs and Brackets – locking height 2-15 mm |
| Certifications | CE, Reach, RoHS |
| Description | PGN (Rx) |
| ISO Address Claim | 60928 |
| ISO Request | 59904 |
| ISO Transport Protocol, Data Transfer | 60160 |
| ISO Transport Protocol, Connection Management | 60416 |
| ISO Acknowledgment | 59392 |
| NMEA- Request group function | 126208 |
| System Time | 126992 |
| Heartbeat | 126993 |
| Configuration Information | 126998 |
| Product Information | 126996 |
| PGN List- Received PGNsgroupfunction | 126464 |
| Rudder | 127245 |
| Fluid Level | 127505 |
| DC Detailed Status | 127506 |
| Battery Status | 127508 |
| Engine Parameters, Rapid Update | 127488 |
| Engine Parameters, Dynamic | 127489 |
| Transmission Parameters, Dynamic | 127493 |
| Speed, Water Referenced | 128259 |
| Water Depth | 128267 |
| COG & SOG, Rapid Update | 129026 |
ACCESSORIES
| Accessory | Part Number |
| Pigtail cable with M12 connector | A2C9582260001 |
| Spinlock Nut 52 mm | A2C5205947101 |
| Flush mount mounting kit | A2C59510864 |
| Flush mount seal | A2C53215640 |
| Bezel – Round Black | A2C5318602701 |
| Bezel – Round White | A2C5318602801 |
| Bezel – Round Chrome* | A2C5318602901 |
| Bezel – Triangular Black | A2C5318602401 |
| Bezel – Triangular White | A2C5318602501 |
| Bezel – Triangular Chrome* | A2C5318602601 |
| Bezel – Flat Black | A2C5318604001 |
| Bezel – Flat White | A2C5318602201 |
| Bezel – Flat Chrome* | A2C5318602301 |
the chrome bezel might interfere with t he NFC programming due to the metallic particles contained in the chrome material.
Make sure to configure the VL Flex device BEFORE installing the chrome bezel
veratron AG
lndustries trasse 18 9464 Ruthi, Switzerland
T +41717679111
[email protected]
Any distribution, translation or reproduction, partial or total. of the document is strictly prohibited unless with prior authorization in writing from veratron AG, except for the follow·1ng actions:
Printing the document in its original format, totally or partially.
Copying contents without any modifications and stating Veratron AG as copyright owner. Veratron AG reserves the right to make modifications or improvements to the relative documentation without notice.
Requests for authorization. add.1tional copies of this manual or technical I information on the latter, must be addressed to veratron AG.





























