nvent raychem ETS-05 (EAC) Electronic thermostat

TOOLS REQUIRED

THERMOSTAT TERMINAL

- A Thermostat enclosure
- B Cable entries (2 x M25, 1 x M20 + 1 x M16)
- C Temperature sensor terminals
- D Power and Heat Tracing Terminal 2 blocks (max. 6 mm2)
- E Alarm Relay
- F Temperature setting dials
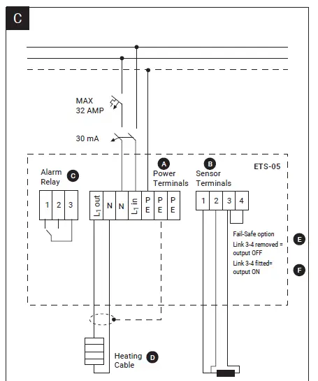
WIRING

- A Power Terminals
- B Sensor Terminals
- C Alarm Relay
- D Heating cable
- E Link 3-4 removed = output OFF
- F Link 3-4 connected= output ON
ETS-05 (EAC)
VERSIONS ETS-05
The ETS-05 is available in the following versions: ETS-05-AB-CD-E
Letters ABCDE described in table below
Type Description ETS-05
Examples:
- ETS-05-L2-EP: ETS-05 thermostat, setpoint range 0-199˚C,
195- 230 Vac, ATEX/IECEx approved, Earth Plate - ETS-05-H2R-EP-A: ETS-05 thermostat, setpoint range 0-499˚C,
195- 277 Vac, ATEX/IECEx, Earth Plate, Alarm Relay
IMPORTANT: The ETS-05 for EAC countries does not include a sensor. The sensor needs to be purchased seperately.
THERMOSTAT TERMINALS AND WIRING
Diagram: page 3
Power terminals

- Terminals 2 and 3 are joined electrically
- Terminals 5, 6 and 7 are joined electrically
Note: Do not remove Earth connecting wire.
Sensor/Failure mode select terminals

- Terminals 1 to 3 allow for the connection of a three wire sensor.
- Terminals 3 to 4 allow the user to select the default heating status on sensor error:
– Without a link fitted the heating will turn OFF if a sensor error is detected (default)
– With a link fitted the heating will turn ON if a sensor error is detected
Alarm relay
- Healthy situation: 1-3 is closed, 2-3 is open
- Alarm situation: 1-3 is open, 2-3 is closed
Voltage and current rating
Maximum switch current 32 A resistive
Um = 253 Vac for all versions except Extended Voltage Range
Um = 277 Vac for all other versions
Note: Only Ex eb and Ex tb equipment certified cable glands or stopping plugs which employ a sealing washer or gasket may be used.
INSTALLATION INSTRUCTIONS THERMOSTAT
- Instructions on the use of the equipment and safety measures
• Do not connect/disconnect equipment unless power has been switched off or the area is known to be non-hazardous.
• Follow all applicable wiring codes and regulations.
• Peripheral equipment must be suitable for the location in which it is used.
• Only technically qualified service personnel are permitted to install or service the equipment. Only to be installed in hazardous area by trained electrical installer with basic knowledge about explosion safety.
• Do not disassemble the system – no user-serviceable parts inside.
• Do not operate the equipment if it has been damaged - Enclosure installation ETS-05 line-sensing thermostat
Alternative mounting arrangements are shown above (4 mounting holes, M6 clearance at 106 x 82 mm). For optimized temperature control install the unit remote from sensor bulb. Locate enclosure at appropriate place to avoid exposure to mechanical and thermal damage (do not mount on pipe for high temperatures).
WARNING: When working in damp or wet conditions protect the thermostat contents from water ingress, by closing lid when not working on the assembly. - Enclosure installation ETS-05-A2-E (ambient sensing thermostat)
For optimized temperature control locate the thermostat:
- As indicated in the system design documentation
- So that the sensor is exposed to the coldest conditions
- So that the sensor is not exposed to direct sunlight where possible
- So that the sensor is exposed to the strongest wind
- To ensure that no snow can build up around the sensor
- To avoid exposure to mechanical and thermal damage
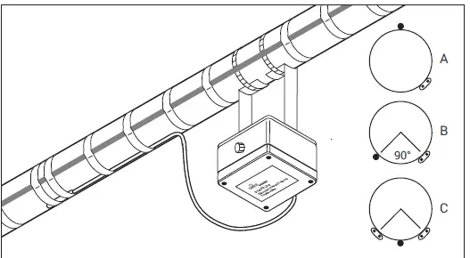
Location of the sensor ETS-05

- As indicated in the system design documentation
- Away from valves, flanges, supports, pumps, or other heat sinks
- At the top of the pipe for thermally sensitive pipe contents (A)
- On lower quadrant of pipe 90° for single heating cable (B)
- On lower quadrant of pipe centrally between the heating cables if they are two or more (C)
Attachment of the sensor ETS-05
WARNING: Do not install sensor at ambient temperatures below –20°C. Do not bend sensor (last 50 mm), keep it straight under all circumstances. Minimum bending radius for High Temperature Mineral Insulated Sensor extension cable is 20 mm.

- Fix sensor firmly on surface with adequate fixing tape in two places (D)
- Fix sensor parallel to pipe (D)
- Route extension cable to avoid damage in use. Fix to pipe with adequate tape where appropriate
Complete installation ETS-05
Ensure that the pipe and sensor are thermally insulated and clad to the design specification after installation of thermostat. Seal cladding with sealant (A). When thermostat installation is complete, test as described in the Testing & Commissioning Section. Retain this instruction for future use, e.g. setting, testing, maintenance etc.
Temperature setting dials
If necessary, loosen lid screws and remove lid. Adjust digital switches to switching temperature (˚C). The switches present the setpoint temperature in three digits (100, 10, 1). Locate lid and tighten lid screws.
WARNING: Ensure thermostat is isolated elsewhere for a minimum of 1 minute before opening.
Testing, commissioning, and maintenance
Test heating cable when thermostat installation is complete as directed in nVent Installation and Maintenance manual. Maintain thermostat during normal plant maintenance.
CHECK:
- Mounting is firm
- Exposed extension cable is not damaged
- Gland sealing washer is in place
- Gland seal (grommet) is in place
- Gland body and nut(s) are tightened firmly
- Thermostat operation is correct
- Thermostat setting suites application
- Lid is closed firmly
- Earth wire connecting Earth stud to terminal block Earth is present and secure
- Cable type is correct (Insulation >255V and temperature rating to suit application)
- Note: Cable gland heat-rise could reach 30K
- Not more than one conductor may be connected into power terminal block without the use of a single insulated bootlace ferrule
©2022 nVent. All nVent marks and logos are owned or licensed by nVent Services GmbH or its affiliates. All other trademarks are the property of their respective owners. nVent reserves the right to change specifications without notice.
RAYCHEM-IM-EU2012-ETS05EAC-ML-2205



















