Honeywell D365PL Duct Smoke Detector Installation Guide
SPECIFICATIONS
| Operating Temperature: | –4° to 158°F (–20° to 70°C) 32° to 120°F (0° to 49°C) with module installed in the D365PL |
| Storage Temperature: | –22° to 158°F (–30° to 70°C) |
| Humidity | 0% to 93% Relative Humidity Non-condensing |
| Air Velocity: | 100 to 4000 ft./min. (0.5 to 20.3 m/sec.) |
| Rectangular Footprint Dimensions | 14.38 in L×5 in W×2.5 in D (37 cm L×12.7 cm W×6.36 cm D) |
| Square Footprint Dimensions | 7.75 in L×9 in W×2.5 in D (19.7 cm L×22.9 cm W×6.35 cm D) |
| Weight | 1.8 pounds; 0.82 kg |
| Operating Voltage Range | 15 to 32 VDC |
| Standby Current | 200 µA @ 24 VDC (one communication every 5 seconds with LED blink enabled) |
| Max. Alarm Current (LED on) | 6.2 mA @ 24 VDC |
| ACCESSORY CURRENT LOADS AT 24 VDC | ||
| DEVICE | STANDBY | ALARM |
| RA100Z | 0mA | 12mA Max. |
| RTS151 | 0mA | 12mA Max. |
| RTS151KEY | 12mA | 12mA Max. |
BEFORE INSTALLING
Read System Sensor’s Applications Guide: Duct Smoke Detectors (HVAG53), which provides detailed information on detector spacing, placement, zoning, wiring, and special applications. Copies of this manual are available online at www.systemsensor.com. NFPA Standards 72 and 90A should also be referenced for detailed information.
NOTICE: This manual shall be left with the owner/user of this = equipment.
IMPORTANT: This detector must be tested and maintained regularly following NFPA 72 requirements. The detector must be tested an maintained regularly following NFPA 72 requirements. According to NFPA, the detector should be visually inspected semiannually and functionally tested at least once a year. This may need to be more frequent depending on the air quality of the duct supply air.
LIMITATIONS OF DUCT SMOKE DETECTORS
WARNING
The National Fire Protection Association has established that DUCT DETECTORS MUST NOT BE USED AS A SUBSTITUTE FOR OPEN AREA DETECTOR
PROTECTION as a means of providing life safety. Nor are they a substitute for early warning in a building’s regular fire detection system. Fire-Lite supports this position and strongly recommends that the user read
NFPA Standards 90A, 72, and 101. The D365PL Air Duct Smoke Detectors are listed per UL 268A.
This device will not operate without electrical power. Fire situations may
cause an interruption of power. The system safeguards should be discussed with your local fire protection specialist.
This device will not sense smoke unless the ventilation system is operating
and the cover is installed.
For this detector to function properly, it MUST be installed according to the instructions in this manual. Furthermore, the detector MUST be operated within
ALL electrical and environmental specifications listed in this manual and the sensor head installation manual. Failure to comply with these requirements may prevent the detector from activating when smoke is present in the air duct.
GENERAL DESCRIPTION
Smoke introduced into this air duct system will be distributed throughout the entire building. Smoke detectors designed for use in air duct systems are used to sense the presence of smoke in the duct. Model D365PL Air Duct Smoke Detector uses photoelectric technology for the detection of smoke.
This detection method, when combined with an efficient housing design, samples air passing through the duct and allows detection of a developing hazardous condition. When sufficient smoke is sensed, an alarm signal is initiated at the fire control panel monitoring the detector, and appropriate action can be taken to shut off fans, blowers, change over air handling systems, etc. These actions can facilitate the management of toxic smoke and fire gases throughout the areas served by the duct system.
The D365PL incorporates a sensor cover tamper feature that provides a trouble signal at the panel immediately if the cover is removed or improperly installed. Proper installation of the sensor cover removes the trouble condition.
When programmed with the system control panel, two LEDs on each duct smoke detector light to provide local visible indication.
The D365PL provides a remote alarm output for use with auxiliary devices, such as the RA100Z remote LED annunciator, as well as remote test capability with the RTS151 or RTS151KEY Remote Test Stations.
DETECTOR FEATURE SET
- Uses plug-in head SD365R (replaceable, see Section 11.1)
- Sampling tubes install from front and rear
- Compatible with existing accessories
- Able to address detector per code switches on sensor head
CONTENTS OF THE DUCT SMOKE DETECTOR KIT
- Sensor/power board assembly and covers (with factory-installed sensor head)
- Three #10 sheet metal screws for mounting
- Drilling template
- One sampling tube end cap
- One plastic exhaust tube
NOTE: A sampling tube must be ordered to complete the installation. It must be the correct length for the width of the duct where it will be installed. See Table 1 on page 2 to determine the inlet tube required for different duct widths.
FIGURE 1. EXPLODED VIEW OF DUCT SMOKE DETECTOR COMPONENTS

DETECTOR INSTALLATION
VERIFY DUCT AIR FLOW DIRECTION AND VELOCITY
Model D365PL detectors are designed to be used in air handling systems having air velocities of 100 to 4000 feet per minute. Duct widths from 6 inches to
12 feet can be accommodated. Be sure to check engineering specifications to
ensure that the air velocity in the duct falls within these parameters. If necessary, use a velocity meter (anemometer) to check the air velocity in the duct.
DETERMINE MOUNTING LOCATION AND CONFIGURATION
On ducts wider than 18 inches it is recommended that the detector be
mounted downstream of a bend, obstruction in the duct, or the supply or
return air inlet.
Exception: Installation of duct detectors can be on or within a commercial
packaged rooftop heating and air-conditioning system, fire/smoke dampers and economizers. They may be mounted in either the supply and/or return air section as determined by local code.
Once a suitable location is selected, determine if the detector is to be mounted in a side-by-side “rectangular” configuration or a top-over-bottom “square” configuration as shown in Figure 2. If mounting in the square configuration, remove the rear attachment screw, rotate the unit at hinge, and replace the screw into the new attachment hole as shown in Figure 2. Do NOT remove the hinge screw during this process. Final installation approval shall be based upon passing differential pressure and smoke entry tests described in Section 6 Measurement Tests.
DRILL THE MOUNTING HOLES
Remove the paper backing from the mounting template supplied. Affix the template to the duct at the desired mounting location. Make sure the template lies flat and smooth on the duct.
FOR RECTANGULAR SIDE-BY-SIDE MOUNTING CONFIGURATION
Center punch at four target centers: two “A” for sampling tubes and two “B” for the rectangular configuration mounting tabs as shown on mounting template. Drill pilot holes at target “A” centers and cut two 1.375 inch diameter holes using a 13⁄8-inch hole saw or punch. Drill .156 inch diameter holes using a 5⁄32 inch drill at target “B” centers.
FOR SQUARE TOP-OVER-BOTTOM MOUNTING CONFIGURATION
Center punch at four target centers: two “A” for sampling tubes and two “C” for the square configuration mounting tabs as shown on mounting template. Drill pilot holes at target “A” centers and cut two 1.375 inch diameter holes using a 13⁄8-inch hole saw or punch. Drill .156 inch diameter holes using a 5⁄32 inch drill at target “C” centers. If desired, drill an additional .156 inch hole at the location of one of the mounting tabs on the lower housing
SECURE THE DUCT DETECTOR TO THE DUCT
Use two (rectangular configuration) or three (square connfiguration) of the provided sheet metal screws to screw the duct detector to the duct.
CAUTION: Do not overtighten the screws.
SAMPLING TUBE INSTALLATION
SAMPLING TUBE SELECTION
The sampling tube must be purchased separately. Order the correct length,
as specified in Table 1, for width of the duct where it will be installed. The
sampling tube length must extend across at least 5/8 of the width of the duct for optimal performance.
The sampling tube is always installed with the air inlet holes facing into the
air flow. To assist proper installation, the tube’s connector is marked with an arrow. Make sure the sampling tube is mounted so that the arrow points into the airflow as shown in Figure 3.
Mounting the detector housing in a vertical orientation is acceptable provided that the air flows directly into the sampling tube holes as indicated in Figure 3. The sampling tube and exhaust tube can be mounted in either housing connection as long as the exhaust tube is mounted downstream from the sampling tube.
TABLE 1. SAMPLING TUBES RECOMMENDED FOR DIFFERENT DUCT WIDTHS
| Outside Duct Width | Sampling Tube Recommended* |
| Up to 1 ft. | DST1 |
| 1 to 2 ft. | DST1.5 |
| 2 to 4 ft. | DST3 |
| 4 to 8 ft. | DST5 |
| 8 to 12 ft. | DST10 (2-piece) |
*Must extend a minimum of 5/8 the duct width
FIGURE 3. AIR DUCT DETECTOR SAMPLING TUBE

CAUTION: The sampling tube end cap, included with the detector, is critical to proper operation of the duct smoke detector. The end cap is needed to create the proper air flow to the sensor of the duct smoke detector. Once any sampling tube length adjustments are made, plug the end of the sampling tube with the provided end cap.
A plastic exhaust tube is included with the unit to be installed into the housing connection that is downstream from the sampling tube connection. The exhaust tube can be installed from the front of the detector or the back. A longer 1 foot exhaust tube, model ETX, is available as an accessory in cases where the molded exhaust tube does not extend at least 2 inches into the duct.
SAMPLING TUBE INSTALLATION
- For tubes shorter than the width of the duct, slide the sampling tube, with installed end cap, into the housing connection that meets the airflow first. Position the tube so that the arrow points into the airflow as shown in Figure 3. Per NFPA sampling tubes over 3 feet long should be supported at the end opposite of the duct detector. In ducts wider than 8 feet, work must be performed inside the duct to couple the other section of the sampling tube to the section already installed using the ½-inch
conduit fitting supplied. Make sure that the holes on both sections of the air inlet sampling tube are lined up and facing into the airflow. - For tubes longer than the width of the air duct, the tube should extend out of the opposite side of the duct. Drill a ¾-inch hole in the duct opposite the hole already cut for the sampling tube. Ensure that the sampling tube is angled downward from the duct smoke detector to allow for moisture drainage away from the detector. The sampling tube should be angled at least ¼˝ downward for every 12˝ of duct width per Figure 4. There should be 10 to 12 holes spaced as evenly as possible across the width of the duct. If there are more than 2 holes in the section of the tube extending out of the duct, select a shorter tube using Table 1. Otherwise, trim the tube to leave approximately 1 to 2 inches extending outside the duct. Plug the end with the end cap and tape closed any holes in the protruding section of the tube. Be sure to seal the duct where the tube protrudes.

NOTE: Air currents inside the duct may cause excessive vibration, especially when the longer sampling tubes are used. In these cases, a 3-inch floor flange (available at most plumbing supply stores) may be used to fasten the sampling tube to the other side of the duct. When using thflange/connector mounting technique, drill a 1 to 1¼-inch hole where the flange will be used.
MODIFICATIONS OF SAMPLING TUBES
There may be applications where duct widths are not what is specified for the installation. In such cases, it is permissible to modify a sampling tube that is longer than necessary to span the duct width.
Use a 0.193-inch diameter (#10) drill and add the appropriate number of holes so that the total number of holes exposed to the air flow in the duct is 10 to 12. Space the additional holes as evenly as possible over the length of the tube.
CAUTION: This procedure should only be used as a temporary fix. It is not intended as a permanent substitute for ordering the correct length tubes.
REMOTE SAMPLING TUBE INSTALLATION
The detector arrangement can also incorporate the remote mounting of the sampling tube and/or exhaust tube. In this case both the detector, sampling tube and exhaust tube (if included) should be rigidly mounted to withstand the pressure and vibrations caused by the air velocity. The location of the detector’s sampling tube should be such that there is uniform airflow in the cross section area.
Pressure differential across the sampling and exhaust ports in the detector
housing shall be verified to be between 0.01 and 1.11 inches of water. Do so by measuring the pressure difference between the inlet and outlet ports on the detector housing using a manometer as described in Section 6 Measurement Tests.
MEASUREMENT TESTS
AIR FLOW
The D365PL is designed to operate over an extended air speed range of 100 to 4000 FPM. To verify sufficient sampling of ducted air, turn the air handler on and use a manometer to measure the differential pressure between the two sampling tubes. The differential pressure should measure at least 0.01 inches of water and no more than 1.11 inches of water. Because most commercially available manometers cannot accurately measure very low pressure differentials, applications with less than 500 FPM of duct air speed may require one of the following: 1) the use of a current-sourcing pressure transmitter (Dwyer Series 607) or 2) the use of aerosol smoke, see below for test descriptions.
FIGURE 5. PROCEDURE FOR VERIFYING AIR FLOW

LOW FLOW AIR FLOW TEST USING DWYER SERIES 607
DIFFERENTIAL PRESSURE TRANSMITTER
Verify the air speed of the duct using an anemometer. Air speed must be at least 100 FPM. Wire the Dwyer transmitter as shown in Figure 5.
Connect the leads of the meter to either side of the 1000Ω resistor. Allow unit to warm up for 15 seconds. With both HIGH and LOW pressure ports open to ambient air, measure and record the voltage drop across the 1000Ω resistor (measurement 1), 4.00 volts is typical. Using flexible tubing and rubber stoppers, connect the HIGH side of the transmitter to the sampling tube of the duct smoke detector housing, and the LOW side of the transmitter to the exhaust tube of the duct smoke detector housing. Measure and record the voltage drop across the 1000Ω resistor (measurement 2). Subtract the voltage recorded in measurement 1 from the voltage recorded in measurement 2. If the difference is greater than 0.15 volts, there is enough air flow through the duct smoke detector for proper operation.
FIELD WIRING; INSTALLATION GUIDELINES
All wiring must be installed in compliance with the National Electrical Code and the local codes having jurisdiction. Proper wire gauges should be used.
The conductors used to connect smoke detectors to control panels and accessory devices should be color-coded to prevent wiring mistakes.
Improper connections can prevent a system from responding properly in the event of a fire.
For signal wiring (the wiring between detectors or from detector to auxiliary devices), it is usually recommended that single conductor wire be no smaller than 18 gauge. The duct smoke detector terminals accommodate wire sizes up to 12 gauge. Flexible conduit is recommended for the last foot of conduit; solid conduit connections may be used if desired.
Duct smoke detectors and alarm system control panels have specifications for Signaling Line Circuit (SLC) wiring. Consult the control panel manufacturer’s specifications for wiring requirements before wiring the detector loop.
WIRING INSTRUCTIONS
Disconnect power from the communication line before installing the D365PL duct smoke detector.
The D365PL detectors are designed for easy wiring. The housing provides a terminal strip with clamping plates. Wiring connections are made by sliding the bare end under the plate, and tightening the clamping plate screw. See Figure 6 below for system wiring.
FIGURE 6. SYSTEM WIRING DIAGRAM FOR D365PL

SET THE ADDRESS
Set the desired address on the sensor head code wheel switches on the back of the sensor head.
FIGURE 7. ROTARY ADDRESS SWITCHES

VERIFICATION OF OPERATION
INSTALL THE COVER
Install the covers making sure that the cover fits into the base groove. Tighten the seven screws that are captured in the covers. Note that the cover must be properly installed for proper operation of the sensor.
POWER THE UNIT
Activate the communication line on terminals COM + and COM –.
DETECTOR CHECK
Standby – If programmed by the system control panel, look for the presence of the flashing LEDs through the transparent housing cover. The LED will flash with each communication. Trouble – If programmed by the system control panel and the detector LEDs do not flash, then the detector lacks power (check wiring, missing or improperly placed cover, panel programming, or power supply), the sensor head is missing (replace), or the unit is defective (return for repair).
DUCT SMOKE DETECTOR TEST & MAINTENANCE PROCEDURES
Test and maintain duct smoke detectors as recommended in NFPA 72. The tests contained in this manual were devised to assist maintenance personnel in verification of proper detector operation.
Before conducting these tests, notify the proper authorities that the smoke
detection system will be temporarily out of service. Disable the zone or system under test to prevent unwanted alarms.
TEST THE UNIT
- M02-04-00 Magnet Test (not included) – This sensor can be functionally tested with a test magnet. The test magnet electronically simulates
smoke in the sensing chamber, testing the sensor electronics and connections to the control panel. - Remote Test Accessory – The use of a remote accessory for visible indication of power and alarm is recommended. Verify system control panel alarm status and control panel execution of all intended auxiliary functions (i.e. fan shutdown, damper control, etc.). Two LEDs on the sensor are controlled by the panel to indicate sensor status. Coded signals, transmitted from the panel, can cause the LEDs to blink, latch on, or latch off. Refer to the control panel technical documentation for sensor LED operation and expected delay to alarm.
THE DETECTOR MUST BE RESET BY THE SYSTEM CONTROL PANEL
SMOKE ENTRY TEST USING AEROSOL SMOKE
This test is intended for low-flow systems (100-500 FPM). If the air speed is greater than 500 FPM, use a conventional manometer to measure differential pressure between the sampling tubes, as described in Section 6 Measurement Tests.
Drill a ¼-inch hole 3 feet upstream from the duct smoke detector. With the air handler on, measure the air velocity with an anemometer. Air speed must be at least 100 FPM. Spray aerosol smoke* into the duct through the ¼-inch hole for five seconds. Wait two minutes for the duct smoke detector to alarm.
If the duct smoke detector alarms, air is flowing through the detector. Remove the duct smoke detector cover and blow out the residual aerosol smoke from the chamber and reset the duct smoke detector at the panel. Use duct tape to seal the aerosol smoke entry hole. Remember to replace the cover after the test or the detector will not function properly.
Additionally, canned aerosol simulated smoke (canned smoke agent) may be used for smoke entry testing of the smoke detector. Tested and approved aerosol smoke products are:
| Manufacturer | Model |
| HSI Fire & Safety | 25S, 30S (PURCHECK) |
| SDi | SMOKE CENTURIAN, SOLOA4, SMOKESABRE, TRUTEST |
| No Climb | TESTIFIRE 2000 |
CAUTION
Canned aerosol simulated smoke (canned smoke agent) formulas will vary by manufacturer. Misuse or overuse to these products may have long term adverse effects on the smoke detector. Consult the canned smoke agent manufacturer’s published instructions for any further warnings or caution statements.
CLEANING
Before removing the detector, notify the proper authorities that the smoke detector system is undergoing maintenance and will be temporarily out of service. Disable the zone or system undergoing maintenance to prevent unwanted alarms
- Remove the sensor to be cleaned from the system.
- Remove the sensor cover by pressing firmly on each of the four removal tabs that hold the cover in place.
- Vacuum the screen carefully without removing it. If further cleaning is required continue with Step 4, otherwise skip to Step 7.
- Remove the chamber cover/screen assembly by pulling it straight out.
- Use a vacuum cleaner or compressed air to remove dust and debris from the sensing chamber.
- Reinstall the chamber cover/screen assembly by sliding the edge over the sensing chamber. Turn until it is firmly in place.
- Replace the cover using the LEDs to align the cover and then gently pushing it until it locks into place.
- Reinstall the detector.
- Test the detector as described in TESTING.
- Reconnect disabled circuits.
- Notify the proper authorities that the system is back on line.
SENSOR REPLACEMENT
The D365PL comes with the sensor head factory installed, part number SD365R-IV. Other UL listed compatible sensor heads can also be used.
- Remove the sensor head by rotating counterclockwise.
- Pull gently to remove it.
- To replace the sensor head, align the mounting features and rotate clockwise into place.
OPTIONAL ACCESSORIES
Optional accessories include RA100Z, RTS151 and RTS151KEY.
NOTE: Ensure blue wire always remains connected to RA+ on the field connector side of the terminal block.
FIGURE 8. WIRING DIAGRAM FOR D365PL TO RA100Z
Note: Remove jumper when using RA100Z with the intelligent duct smoke detector.
The RTS151/RTS151KEY Remote Test Station facilitates test of the alarm capability of the duct smoke detector. These accessories provide the stimulus to initiate an alarm condition at the detector. The D365PL duct smoke detector must be reset by the system control panel.
REMOTE TEST USING SENSOR WITH REMOTE TEST CAPABILITY
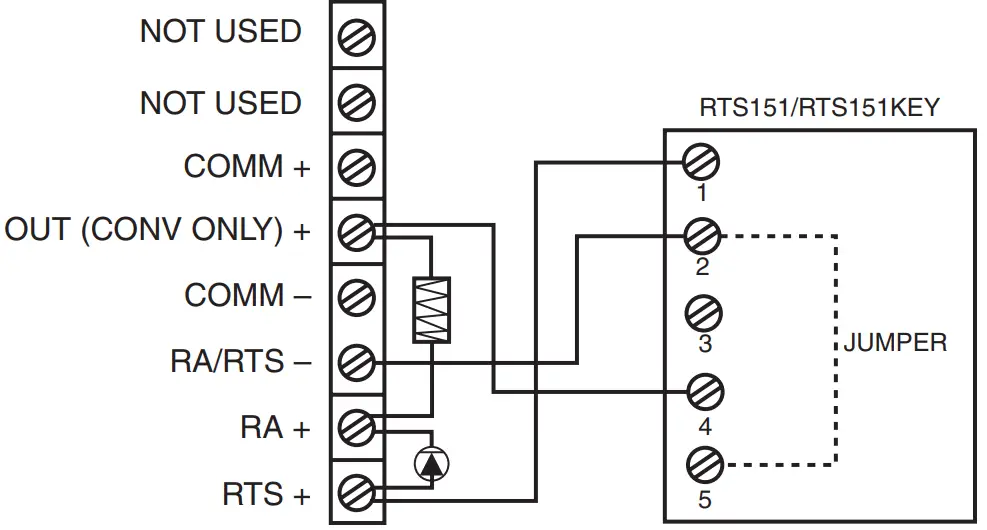
If replacing the sensor head shipped with D365PL, refer to the control panel technical documentation for compatible UL-listed heads with Remote Test Capability. To install the RTS151/RTS151KEY, using the sensor with remote test capability connect the device as shown in Figure 9; wire runs must be limited to 25 ohms or less per interconnecting wire.
NOTE: Resistor assembly must be in place between RA+ and OUT+ inside the D365PL for Remote Test function to operate.
FIGURE 9. RTS151/RTS151KEY USING SENSOR WITH REMOTE TEST CAPABILITY

ADDITIONAL MODULE OPTION
The D365PL can also accommodate a relay or control module (sold separately) within the power board side of the housing. The relay or control module must be listed as compatible to the fire alarm control panel.
PHYSICAL MODULE MOUNTING
- Remove the breakaway tabs at the four corners of the module.
- Locate the module at right most corner of the power board. The upper left corner mounting hole of the module will align with a screw boss in the housing.
- Install a #8×3⁄8˝ Plastite screw at the screw boss location.
Note: See the corresponding module’s Installation Instructions for general description, control panel compatibility, wiring and ratings.
Please refer to insert for the Limitations of Fire Alarm Systems
DEVICE AND SYSTEM SECURITY
Before installing this product ensure that the tamper seal on the packaging is present and unbroken and the product has not been tampered with since leaving the factory. Do not install this product if there are any indications of tampering. If there are any signs of tampering the product should be returned to the point of purchase. It is the responsibility of the system owner to ensure that all system components, i.e. devices, panels, wiring etc., are adequately protected to avoid tampering of the system that could result in information disclosure, spoofing, and integrity violation
FCC STATEMENT
This device complies with part 15 of the FCC Rules. Operation is subject to the following two conditions: (1) This device may not cause harmful interference, and (2) this device must accept any interference received, including interference that may cause undesired operation.
NOTE: This equipment has been tested and found to comply with the limits for a Class B digital device, pursuant to Part 15 of the FCC Rules. These limits are designed to provide reasonable protection against harmful interference in a residential installation. This equipment generates, uses and can radiate radio frequency energy and, if not installed and used in accordance with the instructions, may cause harmful
interference to radio communications. However, there is no guarantee that interference will not occur in a particular installation. If this equipment does cause harmful interference to radio or television reception, which can be determined by turning the equipment off and on, the user is encouraged to try to correct the interference by one or more of the following measures:
- Reorient or relocate the receiving antenna.
- Increase the separation between the equipment and receiver.
- Connect the equipment into an outlet on a circuit different from that to which the receiver is connected.
- Consult the dealer or an experienced radio/TV technician for help.
FireLite® and LiteSpeed® are registered trademarks of Honeywell International, Inc.
One Fire Lite Place
North ford, CT 06472
Phone: 203.484.7161


















