
3825 Ohio Avenue, St. Charles, Illinois 60174
1-800-SENSOR2, FAX: 630-377-6495
![]()
INSTALLATION AND MAINTENANCE INSTRUCTIONS
DH100LP Air Duct Smoke Detector with Extended Air Speed Range
DH100LP Air Duct Smoke Detector and Extended Air Speed Range
The Innovair DH100LP model is a photoelectric detector approved for an extended air speed range of 100 to 4000 feet per minute (0.5 m/s to 20.3 m/s) and has an operational temperature range of 32°F to 131°F (0°C to 55°C).
Before Installing
Please thoroughly read the System Sensor Guide for Proper Use of Smoke Detectors in Duct Applications (I56-473), which provides detailed information on detector spacing, placement, zoning, wiring, and special applications. Copies of this manual are available from System Sensor. NFPA Standards 72 and 90A should also be referenced for detailed information.
NOTICE: This manual shall be left with the owner/user of this equipment.
IMPORTANT: This detector must be tested and maintained regularly following NFPA 72 requirements. The detector should be cleaned at least once a year.
General Description
An HVAC system supplies conditioned air to virtually every area of a building. Smoke introduced into this air duct system will be distributed throughout the entire building. Smoke detectors designed for use in air duct systems are used to sense the presence of smoke in the duct.
Model DH100LP Air Duct Smoke Detectors utilizes photoelectric technology for the detection of smoke. This detection method when combined with an efficient housing design samples air passing through the duct and allows detection of a developing hazardous condition. When sufficient smoke is sensed, an alarm signal is initiated at the fire control panel monitoring the detector, and appropriate action can be taken to shut off fans, blowers, change over air handling systems, etc. These actions can facilitate the management of toxic smoke and fire gases throughout the areas served by the duct system.
DH100LP detectors are designed to operate with 12/24VDC UL listed compatible 2-wire control panels. Alarm current must be limited to 130mA or less by the control panel. Auxiliary relay contacts for control purposes are not available for use with the DH100LP. Control must initiate from the
control panel.
For testing, the alarm can be enabled by a magnet activated test switch or by the optional remote test station. The duct smoke detector latches into alarm state when an alarm occurs. A green LED flashes to indicate power, a red LED signals local alarm indication, and optional accessories offer a
variety of annunciation capabilities.
The DH100LP can be reset by a momentary power interruption, the reset button on the front cover, the control panel, or remote reset accessory.
Limitations Of Duct Smoke Detectors
![]()
The National Fire Protection Association has established that DUCT DETECTORS MUST NOT BE USED AS A SUBSTITUTE FOR OPEN AREA DETECTOR PROTECTION as a means of providing life safety. Nor are they a substitute for early warning in a building’s regular fire detection system.
System Sensor supports this position and strongly recommends that the user read NFPA Standards 90A, 72, and 101. The DH100LP Air Duct Smoke Detectors are listed per UL 268A.
![]()
This device will not operate without electrical power.
Fire situations may cause an interruption of power. The system safeguards should be discussed with your local fire protection specialist.
![]()
This device will not sense smoke unless the ventilation system is operating and the cover is installed.
Exploded View Of Duct Detector Components

![]()
For this detector to function properly, it MUST be installed according to the instructions in this manual. Furthermore, the detector MUST be protected from the elements and operated within ALL electrical and environmental specifications listed in this manual. Failure to comply with these requirements may prevent the detector from activating when smoke is present in the air duct.
Contents Of The Duct Smoke Detector Kit
- Complete housing base and cover assembly
- Two #10 machine screws for mounting
- Two sampling tube filters
- One test magnet
- Drilling template
- Two foam gaskets
- Four #6-self tapping mounting screws for the metal sampling tube and optional exhaust tube extension
- Two jack nuts
- One inlet tube end plug
- Metal sampling tube end plug
- One plastic sampling tube
- One #8 self-tapping screw for the plastic sampling tube
NOTE: For ducts over 1 1⁄2 feet, longer inlet sampling tubes must be ordered to complete the installation. They must be the correct length for the width of the duct where they will be installed. See Table 1 on page 3 to determine the inlet tube required for different duct widths.
Installation Sequence
- Verify Duct Air Flow Direction And Velocity
Model DH100LP detectors are designed to be used in air handling systems having air velocities of 100 to 4000 feet per minute. Be sure to check engineering specifications to ensure that the air velocity in the duct falls within these parameters. If necessary, use a velocity meter (anemometer) to check the air velocity in the duct. - Drill The Mounting Holes
Remove the paper backing from the mounting template supplied. Affix the template to the duct at the desired mounting location. Make sure the template lies flat and smooth on the duct. Center punch holes A and B. Drill the holes as indicated on the template. Insert the two jack nut receptacles. Drive a #10 machine screw into the jacknut to flare the retainer and then back the screw out to use for detector mounting.
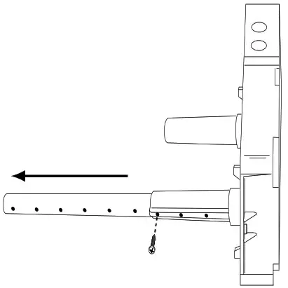
1. Sampling Tube Installation for Ducts Less Than 11/2 Feet Wide (see Figure 2)- Remove the front cover.
- Slide the plastic sampling tube into the housing bushing.
- Align the holes in the bushing with the holes in the sampling tube. Make sure there are six exposed holes on the plastic sampling tube. Secure with the #8 self-tapping screw into the bottom hole of the permanent tube.
NOTE: For ducts greater than 11/2 feet in width, refer to sections [5.4.1] and [5.4.2].
Figure 2. Sampling tubes connected to duct smoke detector:
Secure The Detector Housing To The Duct
Slide the foam gaskets over the tube bushings as shown in Figure 3. Use the two machine screws to screw the detector housing to the duct. CAUTION: Do not overtighten the screws.
Figure 3. Installation of foam gaskets over sampling tube bushings:
Sampling Tube Installation of Ducts Greater Than 11/2 Feet Wide
The sampling tube is identified by a series of air inlet holes on the tube. One plastic tube is included for ducts up to 18″ in width. All other lengths must be purchased separately. Order the correct length, as specified in Table 1, for width of the duct where it will be installed. It is recommended that the sampling tube length extend at least 2/3″ across the duct width for optimal performance. The exhaust tube is molded onto the base of the duct housing, and the A2440-00 Exhaust Tube Extension is available as an accessory in those cases where the molded exhaust port does not extend at least 2 inches into the duct.
The inlet tube is always installed with the air inlet holes facing into the air flow. To assist proper installation, the tube’s mounting flange is marked with arrows. Make sure the inlet tube is mounted so that the arrows point into the air flow (see Figure 4). Figure 5 shows the various combinations of tube mounting configurations with respect to air flow. Mounting the detector housing in a vertical orientation is acceptable, provided that the air flows directly into the sampling tube holes as indicated in Figure 4.
Table 1. Inlet tubes recommended for different duct widths:Outside Duct Width Inlet Tube Recommended* 1 to 2 ft. ST-1.5 2 to 4 ft. ST-3 4 to 8 ft. ST-5 8 to 12 ft. ST-10 *Must extend a minimum of 2⁄3 the duct width
1. Installation For Ducts Greater Than 1 1⁄2 Feet
But Less Than 8 Feet WideIf the tube is longer than the width of the air duct, drill a 3⁄4-inch hole in the duct opposite the hole already cut for the inlet tube. Make sure the hole is 1″ to 2″ below the inlet hole on the opposite side of the duct to allow for moisture drainage. If the tube is shorter than the width of the air duct, install the end plug into the inlet tube as shown in Figure 4. Sampling tubes over 3 ft. long must be supported at the end opposite the duct detector.
Slide the tube into the housing bushing that meets the air flow first. Position the tube so that the arrows point into the air flow.
Secure the tube flange to the housing bushing with two #6 self-tapping screws.
For tubes longer than the width of the air duct, the tube should extend out of the opposite side of the duct. If there are more than 2 holes in the section of the tube extending out of the duct, select a different length using Table 1. Otherwise, trim the end of the tube protruding through the duct so that 1″ to 2″ of the tube extend outside the duct. Plug this end with the end plug and tape closed any holes in the protruding section of the tube. Be sure to seal the duct when the tube protrudes.
Figure 4. Air duct detector inlet sampling
Figure 5. Tube mounting configurations with varying air flow direction:
NOTE: Only metal sampling tubes may be used on orientations C and D.
In no case should more than 2 air inlet holes be cut off the tube. There must be a minimum of 10 holes in the tube exposed to the air stream.
2. Installation For Ducts More Than 8 Feet Wide
NOTE: To install inlet tubes in ducts more than 8 feet wide, work must be performed inside the air duct. Sampling of air in ducts wider than 8 feet is accomplished by using the ST-10 inlet sampling tube. If the tube is shorter than the width of the air duct, install the end plug into the inlet tube as shown in Figure 4 and support the end opposite the duct smoke detector.
Install the inlet tube as follows:
1. Drill a 3⁄4-inch hole in the duct opposite the hole already drilled for the inlet tube. Drill the hole 1” to 2” below the inlet hole on the opposite side of the duct to allow for moisture drainage away from the detector.
2. Slide the inlet tube with the flange into the housing bushing that meets the air flow first. Position the tube so that the arrows point into the air flow. Secure the tube flange to the housing bushing with two #6 self-tapping screws.
3. From inside the duct, couple the other sections of the inlet tube to the section already installed using the 1⁄2-inch conduit fittings supplied. Make sure that the holes on both of the air inlet tubes are lined up and facing into the air flow.
4. Trim the end of the tube protruding through the duct so that 1” to 2” of the tube extend outside the duct. Plug this end with the end plug and tape closed any holes in the protruding section of the tube. Be sure to seal the duct when the tube protrudes.
NOTE: An alternate method to using the ST-10 is to use two ST-5 inlet tubes. Remove the flange from one of the tubes and install as described above. After the installation, use electrical tape to close off some of the sampling holes so that there are a total of 10 to 12 holes spaced as evenly as possible across the width of the duct.
3. Modifications of Inlet Sampling Tubes
There may be applications where duct widths are not what is specified for the installation. In such cases, it is permissible to modify an inlet sampling tube that is longer than necessary to span the duct width.
Use a 0.193-inch diameter (#10) drill and add the appropriate number of holes so that the total number of holes exposed to the air flow in the duct is 10 to 12. Space the additional holes as evenly as possible over the length of the tube.
NOTE: This procedure should only be used as a temporary fix. It is not intended as a permanent substitute for ordering the correct length tubes.Install The Filters
To install the sampling tube filters, simply push the filters into the sampling and exhaust tube holes as shown in Figure 6. If a metal sampling tube is used, install the filter over the sampling tube.
Figure 6. Sampling tube filter installation:
Filters require periodic cleaning or replacement, depending on the amount of dust and dirt accumulated. Visually inspect the filters at least quarterly; inspect them more often if the dust accumulation warrants it. See Section [6] for more information. Replacement filters can be ordered from System Sensor, 3825 Ohio Ave., St. Charles, IL 60174. (Exhaust tube/intake tube filter P/N F36-09-11)Field Wiring
Installation Guidelines
All wiring must be installed in compliance with the National Electrical Code and the local codes having jurisdiction. Proper wire gauges should be used. The conductors used to connect smoke detectors to control panels and accessory devices should be color-coded to prevent wiring mistakes. Improper connections can prevent a system from responding properly in the event of a fire. For signal wiring, (the wiring between interconnected detectors or from detectors to auxiliary devices), it is usually recommended that single conductor wire be no smaller than 18 gauge. The duct smoke detector terminals accommodate wire sizes up to 12 gauge. The last foot of conduit should be flexible conduit (available in electrical supply houses), which facilitates easier installation and puts less strain on the conduit holes in the housing. Solid conduit connections may be used if desired.
Smoke detectors and alarm system control panels have specifications for allowable loop resistance. Consult the control panel manufacturer’s specifications for the total loop resistance allowed for the particular model control panel being used before wiring the detector loop.
Wiring Instructions
The DH100LP detectors are designed for easy wiring. The housing provides a terminal strip with clamping plates. Wiring connections are made by stripping about 3/8-inch of insulation from the end of the wire, sliding the bare end under the plate, and tightening the clamping plate screw. The DH100LP duct smoke detector is designed to operate with 12 or 24 VDC UL listed 2-wire compatible control panels. Alarm current must be limited by the control panel to 100mA or less. An example of a UL listed compatible control panel is the Fire-Lite model Sensiscan 1000 using zone card ANC-2 and compatibility identification “A”. Install per installation instruction S1000/801. A maximum of 20 detectors may be installed per zone.Perform Detector Check
1. Perform STANDBY AND TROUBLE TEST per Section [6.2.1].
2. Perform MAGNET TEST per Section [6.2.2.1]. The RTS451 test of Section [6.2.2.2] may substitute for this requirement.
3. Perform AIR FLOW TEST per Section [6.1.1].
4. Perform SMOKE RESPONSE TEST per Section [6.1.2].
5. Perform SENSITIVITY TEST per Section [6.2.3].Install The Cover
Install the cover using the six screws that are captured in the housing cover. Be certain filters are installed as specified in Section [5.5]. Make sure that the cover fits into the base groove and that all gaskets are in their proper positions. Tighten the six screws.
Duct Smoke Detector Maintenance And Test Procedures
Test and maintain duct smoke detectors as recommended in NFPA 72. The tests contained in this manual were devised to assist maintenance personnel in verification of proper detector operation.
Before conducting these tests, notify the proper authorities that the smoke detection system will be temporarily out of service. Disable the zone or system under test to prevent unwanted alarms.
- Smoke Entry Tests
1. Air Flow
The DH100LP is designed to operate over an extended air speed range of 100 to 4000 FPM. To verify sufficient sampling of ducted air, turn the air handler on and use a manometer to measure the differential pressure between the two sampling tubes. The differential pressure should measure at least 0.0015 inches of water and no more than 1.2 inches of water. Because most commercially available manometers cannot accurately measure very low pressure differentials, applications with less than 500 FPM of duct air speed may require one of the following: 1) the use of a current-sourcing pressure transmitter (Dwyer model numbers 607-1 or 607-01) per Section 6.1.2 or; 2) the use of aerosol smoke per section 6.1.3.
2. Air Flow Test using Dwyer Model 601-0 or 601-01 Differential Pressure Transmitter
Verify the air speed of the duct using an anemometer. Air speed must be at least 100 FPM. Wire the Dwyer transmitter as shown in Figure 7. Connect the leads of the meter to either side of the 1000Ω resistor. Allow unit to warm up for 15 seconds. With both HIGH and LOW pressure ports open to ambient air, measure and record the voltage drop acrossthe 1000Ω resistor (measurement 1), 4.00 volts is typical. Using flexible tubing and rubber stoppers, connect the HIGH side of the transmitter to the inlet sampling tube of the duct smoke detector housing, and the LOW side of the transmitter to the exhaust sampling tube of the duct smoke detector housing. Measure and record the voltage drop across the 1000Ω resistor (measurement 2). Subtract the voltage recorded in measurement 1 from the voltage recorded in measurement 2. If the difference is greater than 0.15 volts, there is enough air flow through the duct smoke detector for proper operation.
Figure 7. Procedure for verifying air flow:
Figure 8. System wiring diagram for 2-wire duct smoke detectors (detectors powered from initiating circuit):
Do not loop wire under terminals when wiring detectors. Break wire runs to provide system supervision of connections.
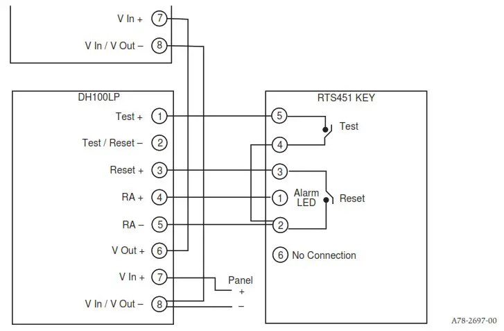
Figure 9. Wiring diagram for RTS451/RTS451KEY Remote Test Station to 2-wire duct smoke detectors:
3. Air Flow Test using Aerosol Smoke
Drill a 1⁄4” hole 3 feet upstream from the duct smoke detector. With the air handler on, measure the air velocity with an anemometer. Air speed must be at least 100 FPM. If the air speed is greater than 500 FPM, use a conventional manometer to measure differential pressure between the sampling tubes. Spray aerosol smoke* into the duct through the 1⁄4” hole for five seconds. Wait two minutes for the duct smoke detector to alarm. If the duct smoke detector alarms, air is flowing through the detector. Remove the duct smoke detector cover and blow out the residual aerosol smoke from the chamber and reset the duct smoke detector. Use duct tape to seal the aerosol smoke entry hole.
*Aerosol smoke can be purchased from Home Safeguard Industries, Malibu, CA. Phone: 310/457-5813.
To determine if smoke is capable of entering the sensing chamber, visually identify any obstructions. Plug the exhaust and inlet tube holes to prevent ducted air from carrying smoke away from the detector head, then blow smoke such as cigarette, cotton wick, or punk directly at the head to cause an alarm. REMEMBER TO REMOVE THE PLUGS AFTER THIS TEST, OR THE DETECTOR WILL NOT FUNCTION PROPERLY.
4. Filter Replacement
The filters do not substantially affect smoke performance even when up to 90% of the filter is clogged. Quarterly visual inspection usually suffices to determine whether the filters should be replaced because only a high percentage of contamination affects performance. If further testing is required, compare differential pressure readings with and without the filters installed. If the difference exceeds 10% replace the filters. In no case should the pressure differential fall below 0.0015 inches of water. - Standby, Alarm, And Sensitivity Tests
1. Standby And Trouble
Standby — Look for the presence of the flashing green LED through the transparent housing cover. The LED should flash approximately every 10 seconds.
Trouble — If the Green LED does not flash, then the detector lacks power (check wiring, panel, or power supply), the detector board is missing (replace), or the unit is defective (return for replacement).
Test — The trouble condition can be caused intentionally to verify correct operation of the system. Remove the detector board to cause a trouble condition locally and at the system control panel.
2. Alarm Tests
1. M02-04-00 Magnet Test
1. Place the painted surface of the magnet onto the TEST locator on the bottom of the housing (Figure 9).
2. The red alarm LEDs on the detector should latch on, as should any accessories (i.e. RA400Z, RTS451). Verify system control panel alarm status, and control panel execution of all intended auxiliary functions (i.e. fan shutdown, damper control, etc.).
3. The detector must be reset by the system control panel, the local reset button, or the remote accessory.
Figure 10. Testing detector alarm:
2. RTS451/RTS451KEY Remote Test Station
The RTS451/RTS451KEY Remote Test Station facilitates test of the alarm capability of the duct smoke detector as indicated in the RTS451/RTS451KEY manual. The DH100LP duct smoke detector can be reset by the RTS451/RTS451KEY. If a system control panel is used, the panel itself may also require testing.
To install the RTS451/RTS451KEY, connect the device as shown in Figure 9; wire runs must be limited to 25 ohms or less per interconnecting wire.
3. Sensitivity Tests
1. MOD400 or MOD400R Test
After verification of alarm capability, use the MOD400R test module with a voltmeter to check detector sensitivity as indicated in the test module’s manual. The housing cover must be removed to perform this test. If test module readings indicate that the detector head is outside of the acceptable range that is printed on the label of the detector, the detector requires cleaning per Section [7] of this manual.
Detector Cleaning Procedures
Notify the proper authorities that the smoke detector system is undergoing maintenance, and that the system will temporarily be out of service. Disable the zone or system undergoing maintenance to prevent unwanted alarms and possible dispatch of the fire department.
- Air Filters
1. Turn off power to the system.
2. Remove and inspect sampling tube filters.
3. If filters are heavily coated with dirt, replace them with new filters. If they are not heavily coated, use a vacuum cleaner or compressed air nozzle to remove dust, then reinstall the filters. - Photo Detector Boards
1. Remove the screen by gently grasping on each side and pulling straight off
2. Lift the photo chamber in the same fashion. Vacuum the screen and cover. Use clean, compressed air to loosen and blow out any remaining debris. Replacement screens (S08-39-01) are available.
3. Vacuum photo chamber, then use clean compressed air to blow area clean.
4. Replace the chamber by pressing it onto the base. Press the screen into place. It should fit tightly on the chamber.
Board Replacement
- Detector Board Replacement
- Remove the two detector board mounting screws.
- Pull gently on the board to remove it.
- To replace the board, align the board mounting features, holes, and the interconnect terminals. Push the board into place.
- Secure board with the two mounting screws.
- Power Board replacement
- Disconnect wiring from the terminal block.
- Remove the two power board mounting screws.
- Pull gently on the board to remove it.
- To replace the board, align the board mounting features, holes, and the interconnect terminals. Push the board into place.
- Secure board with the two mounting screws.
- Re-connect wiring to terminal block.
Model DH100LP Air Duct Smoke Detector Specifications
| Temperature: | 32° to 131° F | 0° to 55° C |
| Humidity: | 10% to 93% R.H. noncondensing | |
| Air Velocity: | 100 to 4000 ft./min. | 0.5 to 20.3 m/sec. |
| Dimensions: | 14.38” L x 5.5” W x 2.75” D | 36.5cm L x 14cm W x 7cm D |
| Weight: | 3.25 pounds | 1.5 kg |
Electrical Ratings — includes base and detector
| System Voltage: | 12/24 VDC |
| Maximum Ripple Voltage: | 4 Volts peak to peak |
| Start-up Capacitance: | 0.02 µF maximum |
| Standby Ratings: | 8.5 VDC minimum |
| Alarm Ratings: | 35 VDC maximum 120 µA maximum 4.2 VDC minimum at 10mA 6.6 VDC maximum at 130mA Alarm current must be limited to 130mA or less by the control panel. If used, the RA400Z remote lamp operates within the specified alarm currents. |
| Reset Voltage: | 2.50 VDC minimum |
| Reset Time: | 0.3 Sec. maximum |
| Start-up Time: | 34.0 Sec. maximum |
Please refer to insert for the Limitations of Fire Alarm Systems
Three-Year Limited Warranty
System Sensor warrants its enclosed air duct smoke detector to be free from defects in materials and workmanship under normal use and service for a period of three years from date of manufacture. System Sensor makes no other express warranty for this air duct smoke detector. No agent, representative, dealer, or employee of the Company has the authority to increase or alter the obligations or limitations of this Warranty. The Company’s obligation of this Warranty shall be limited to the repair or replacement of any part of the air duct smoke detector which is found to be defective in materials or workmanship under normal use and service during the three year period commencing with the date of manufacture. After phoning System Sensor’s toll free number 800-SENSOR2 (736-7672) for a Return Authorization number, send defective units postage prepaid to: System Sensor, Repair Department, RA #__________, 3825 Ohio Avenue, St. Charles, IL 60174. Please include a note describing the malfunction and suspected cause of failure. The Company shall not be obligated to repair or replace units which are found to be defective because of damage, unreasonable use, modifications, or alterations occurring after the date of manufacture. In no case shall the Company be liable for any consequential or incidental damages for breach of this or any other Warranty, expressed or implied whatsoever, even if the loss or damage is caused by the Company’s negligence or fault. Some states do not allow the exclusion or limitation of incidental or consequential damages, so the above limitation or exclusion may not apply to you. This Warranty gives you specific legal rights, and you may also have other rights which vary from state to state.
D200-15-00
www.PDF-Zoo.com
I56-0083-03R
©2001 System Sensor
firealarmresources.com



NOTE: Only metal sampling tubes may be used on orientations C and D.
Filters require periodic cleaning or replacement, depending on the amount of dust and dirt accumulated. Visually inspect the filters at least quarterly; inspect them more often if the dust accumulation warrants it. See Section [6] for more information. Replacement filters can be ordered from System Sensor, 3825 Ohio Ave., St. Charles, IL 60174. (Exhaust tube/intake tube filter P/N F36-09-11)
Figure 8. System wiring diagram for 2-wire duct smoke detectors (detectors powered from initiating circuit):
Figure 9. Wiring diagram for RTS451/RTS451KEY Remote Test Station to 2-wire duct smoke detectors:
3. Air Flow Test using Aerosol Smoke
2. RTS451/RTS451KEY Remote Test Station

















