2104N4214 Searchline Excel Cross-Duct Infrared Gas Detector
Installation Guide
Searchline Excel Cross-Duct
Infrared Gas Detector
INTRODUCTION
This guide provides the installation personnel with the basic information necessary to mechanically install the Searchline Excel Cross-Duct system units and make the necessary electrical connections.
This guide is not intended to replace the associated Searchline Excel
Cross-Duct Technical Handbook (2104M0520) contains the full safety, installation, commissioning, maintenance and fault-finding instructions.
These procedures assume that consideration of the location and mounting of the system units has already been taken into account in accordance with the guidelines in the Technical Handbook.
The following diagram shows a typical system configuration and identifies the main parts.
SAFETY
Ensure that you read and understand these instructions BEFORE handling or operating the equipment.
Please pay particular attention to the Safety Warnings.
WARNINGS
- The Searchline Excel gas detector is certified for and intended for use in potentially hazardous areas. Install and use the Searchline Excel gas detector in accordance with the latest regulations.
- For installations in Europe, the Code of Practice SELECTION, INSTALLATION, AND MAINTENANCE OF ELECTRICAL APPARATUS FOR USE IN POTENTIALLY EXPLOSIVE ATMOSPHERES should be strictly observed. General recommendations are given in EN 60079- 14 & IEC 60079-14. Refer to EN 60079-29-2 & IEC 60079-29-2 in Europe or the appropriate local or national regulations.
- For installations in North America, the National Electrical Code (NFPA 70 – 1990) or later issues should be strictly observed.
- Elsewhere, the appropriate local or national regulations should be used.
- The Searchline Excel gas detector must be properly earthed to protect against electrical shock and minimize electrical interference.
For electrical installation, design considerations refer to Section 4. - Operators must be fully aware of the action to be taken if the gas concentration exceeds an alarming level.
- Dismantling or repair of equipment should be carried out in the safe area only.
- Test cases may be toxic and/or combustible. Refer to Material Safety Sheets for appropriate warnings.
- Do not drill holes in any housing as this will invalidate the explosion protection.
- In order to maintain electrical safety, the unit must not be operated in atmospheres with more than 21% oxygen.
- Ensure that the bolts which secure flameproof enclosures are fully tightened. The securing bolts used are made from a special certified grade of steel. Only bolts supplied by Honeywell Analytics should be fitted for this purpose.
- Do not open the enclosure in the presence of an explosive atmosphere.
- The transmitter unit contains high voltages when operational. These are discharged when the unit is removed from its enclosure.
- The conduit and cable glands fitted to Searchline Excel should not be modified. If, however, it becomes necessary to make modifications they must comply with the relevant national Codes of Practice.
- The optical energy emitted by the Searchline Excel is less than 20mW/mm 2.
- Searchline Excel Cross-Duct should only be used to detect gas mixtures where methane is the main constituent (>70%) and the balance is C2 – C6 hydrocarbons.
MECHANICAL ASSEMBLY
Honeywell Analytics Limited reserves the right to change or revise the information supplied in this document without notice and without obligation to notify any person or organization of such revision or change. If further details are required that do not appear in this document, contact Honeywell Analytics Limited or one of its agents.
GENERAL
This section details the mechanical assembly information and important dimensions necessary for installing the system units.
TRANSMITTER AND RECEIVER
ATEX TX/RX Configuration 
SHORT RANGE HEATED REFLECTOR PANEL
The short-range retro-reflector is suitable for use from 0.5m to 2.5m.
LONG-RANGE HEATED REFLECTOR PANEL
The long-range retro-reflector is suitable for use from 2.5m to 5m.
INSTALLATION
4.1 GENERAL
Searchline Excel is designed to allow installation to be performed by a single operator.
The installation procedure is split into mechanical installation and electrical installation. The transmitter and receiver assembly need to be fully assembled and mounted to the duct structure before making the electrical connections.
4.2 MECHANICAL INSTALLATION
Verify that the equipment to be installed is correct for the type of installation required (i.e., short or long range).
4.2.1 Transmitter and Receiver
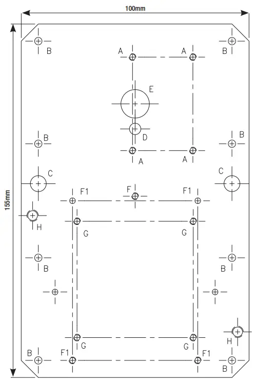
- Stick the supplied self-adhesive mounting plate cut-out template onto the duct wall in the position chosen for the Transmitter and Receiver unit.
Note: The intersection of the bold lines on the template (point X) corresponds with the center of the unit’s infrared beam. - At this stage, it is advisable to mark the corresponding position for the Reflector Panel on the opposite side of the duct. Stick the Reflector Panel cut-out template to the outside of the duct wall opposite the Transmitter and Receiver.
Ensure that point X* on the Reflector Panel template is directly opposite point X on the mounting plate template. - Drill 10 mounting holes (diameter 7mm) in the positions marked G on the Transmitter and Receiver unit template.
- Cut a rectangular aperture in the duct wall.
Follow outline H. - Check that the path from the aperture to the opposite wall of the duct is clear and unobstructed.
- Measure the distance (in meters) across the duct.
Record this distance as it is required later during commissioning. - Insert the two mounting plate support bars through the aperture and attach them to the inside of the duct, using an M6 nut and washer screwed onto the stud in each support bar. Check that the threaded holes in the support bars line up with the holes drilled in the duct.

| Identity | Quantity | Size | Used for |
| A | 4 | M6 tapped | Mounting block mounting |
| B | 8 | 6.5mm | Mounting plate to support bar mounting |
| C | 2 | 14mm | Clearance for support bar fixing nuts |
| D | 1 | mm | Drain for the mounting block |
| E | 1 | 25mm | Cross-Duct optical measurement path |
| F | 1 | M6 tapped | DVC100 (M) junction box mounting (used in conjunction with bottom two F1 holes) |
| F1 | 4 | M6 tapped | DVC100 (M) MK2 junction box mounting |
| G | 4 | M6 tapped | BARTEC junction box mounting |
| H | 2 | M10 tapped | DX100 (M) junction box mounting |
(8) Attach the mounting plate, Transmitter and Receiver unit, and junction box assembly.
Use M6 x 20 cap head screws and washers for the mounting plate.
(9) Run the Transmitter and Receiver conduits into the junction box cable entries.
4.2.2 Heated Reflector Panel
- If not already in place, stick the Reflector Panel cut-out template to the outside of the duct wall opposite the Transmitter and Receiver.
Ensure that point X* is directly opposite point X on the mounting plate template. This ensures that the beam from the Transmitter hits the center of the reflector. - Drill six mounting holes (7mm diameter) in the positions marked J on the template.
- Following outline K, cut a square aperture in the duct wall.

Insert the two Reflector Panel support bars through the aperture and attach them to the inside of the duct, using an M6 nut and washer screwed onto the stud in each support bar.
Check that the threaded holes in the support bars line up with the holes drilled in the duct.
- Fit four M6 x 20 cap head screws into the holes in the support strips leaving approximately 5mm of thread exposed on the outside of the duct.
- Slot the Reflector Panel over the heads of the screws and allow its weight to be supported on the exposed sections of thread.
- Tighten the four screws to clamp the retro-reflector assembly in position.
4.3 ELECTRICAL INSTALLATION
4.3.1 Electrical Connections
All ranges of Searchline Excel comply with the EMC requirements EN50270. In order to maintain compliance with these standards, it is essential that the electrical installation of Excel is engineered correctly. Electrical installation standards vary for different countries, companies, and applications and it is the responsibility of the installation design authority to determine the applicable standards and ensure compliance with them. When designing electrical installations for Excel, Honeywell Analytics recommends that the installation design authority considers the following:
- Where possible, the unit cases should not be electrically connected to electrically noisy (dirty) metalwork or conductors. An electrical isolation kit is supplied to provide the required electrical isolation between the unit’s mountings and its mounting plate. The case is internally connected to the green/yellow GND wire which should preferably be connected to a low noise (clean) earth line. See also 5 of this section.
- The entire length of the field cabling connected to each unit should be fully shielded with the shield connected to a low noise (clean) earth line.
- The low noise (clean) earth line should only be connected to safety earth (usually dirty) at a single point. This connection should be made in such a manner that it does not introduce noise onto the low-noise earth. Star earthing arrangements minimize the earth’s current crosstalk.
- The shields of the field cabling should not be connected such that earth loops are produced, or in a manner that will result in the shields carrying large currents from heavy plants or equipment.
- Ideally, the field cable shield should be connected to the unit’s green/yellow GND wire, providing a single, continuous earth shield. This connection must not be allowed to complete an earth loop.
- The earth bonding arrangement must ensure that the maximum peak voltage between the unit case earth and any field cable conductor is less than 350V. Voltages in excess of this can cause permanent damage to the unit’s RFI protection filters.
- The use of a single, screened cable for each gas detector ensures maximum screening and minimum crosstalk. Cabling arrangements that use a single cable for connecting a number of field devices compromise screening, increase the potential for crosstalk and prevent the implementation of true star earthing.
- Any electrical interference induced onto the 4-20mA loop conductors by the installation must be kept below the levels necessary to comply with the general requirements of EN60079-29-2. In practice, this means that peak noise currents induced on the current loop should be no greater than ± 0.25mA.
- The 0V rail of the control card/control system is often directly connected to one side of the 4-20mA current sensing resistor. Electrical noise on such a rail is, therefore, directly connected to the 4-20mA input. In order to avoid additional noise being induced on the 0V rail, it should not be commoned with the safety earth/ ground, which frequently carries a high level of electrical noise.
- All electrical equipment connected to the system should comply with EN50270.
- The 24V supply should be free from large transients and fluctuations.
- The field cabling conductors should have a sufficient cross-sectional area to ensure that the minimum supply voltage applied to the system is 18V at a current of 725mA. This corresponds to a maximum round loop impedance of 8.25 ohms for a nominal 24V system supply.
- Receivers should not be installed in close proximity to the antennae of high-powered radios, radar and satellite communication equipment.
4.3.2 Electrical Installation
- Isolate all associated power supplies and ensure that they remain OFF during this procedure.
- Fit approved cable glands to the junction box cable entries to be used for field wiring, using sealing washers where necessary to maintain ingress protection rating.
- Fit approved blanking plugs to all unused cable entries.
- Make appropriate electrical connections as shown in the following diagrams.
- The mounting plate must be bonded to protective earth, either through contact with the duct wall (if it is itself suitably earthed) or by direct connection.
Note: Suitable crimps or ferrules must be fitted when connecting more than one wire to a single terminal.

4.3.4 Transmitter and Receiver Connections UL (DX100(M))
4.3.5 Transmitter and Receiver Connections
Find out more
www.honeywellanalytics.com
Contact Honeywell Analytics:
Europe, Middle East, Africa, India
Life Safety Distribution AG
Weiherallee 11a
CH-8610 Uster
Switzerland
Tel: +41 (0)44 943 4300
Fax: +41 (0)44 943 4398
[email protected]
Americas
Honeywell Analytics Inc.
405 Barclay Blvd.
Lincolnshire, IL 60069
USA
Tel: +1 847 955 8200
Toll free: +1 800 538 0363
Fax: +1 847 955 8210
[email protected]
Asia Pacific
Honeywell Analytics Asia Pacific
#508, Kolon Science Valley (I)
187-10 Guro-Dong, Guro-Gu
Seoul, 152-050
Korea
Tel: +82 (0)2 6909 0300
Fax: +82 (0)2 2025 0329
[email protected]
Technical Services
EMAIL: [email protected]
US: [email protected]
AP: [email protected]
www.honeywell.com
Issue 03 – 05/2011
H_MAN0593_ 2104M0511
ECO_A03523
© 2011 Honeywell Analytics
Please Note: While every effort has been made to ensure accuracy in this publication, no responsibility can be accepted for errors or omissions. Data may change, as well as legislation and you are strongly advised to obtain copies of the most recently issued regulations, standards and guidelines. This publication is not intended to form the basis of a contract.




















