KESSEL Aqualift S 100 Lifting Stations for Wastewater without Sewage Instructions

The lifting stations for private and commercial use.

Aqualift S 100 and S 200 lifting stations

Areas of application
Aqualift S 100 and S 200 for commercial use

Aqualift S 100 or S 200 as Duo system with Tronic control unit, free-standing set-up after grease separators for the disposal of kitchen wastewater.

Aqualift S 100 and S 200 for private use

Aqualift S 200 – free-standing set-up for complete drainage of basement wastewater, such as wastewater from washing machines, sinks or showers.

The compact dimensions of the tanks allow the Aqualift S 100 and Aqualift S 200 to be installed in existing sump openings.
Lifting station Aqualift S 100 Mono for free-standing installation and wastewater without sewage

Lifting station for faecal-free wastewater, free-standing set-up, preassembled for final installation on site.
- With odour-tight cover and quick-release closure for easy maintenance
- Tank made of PE, resistant to aggressive wastewater
- Including backflow preventer for the pressure pipe
- Including socket Ø 110 mm for inlet and sampling
- Pump/s with multi-vane impeller for maximum operating reliability
Version:
Type of system: Single station / Pump control: Float switch / Backflow preventer: integrated /
Installation situation: free-standing set-up / Type of wastewater: wastewater without sewage
General characteristics:
Colour: black / Standard: EN 12050-2
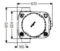
Dimensions: Length: 670 mm / Width: 530 mm / Height: 650 mm

Tank:
Inlet nominal size (Ø): 110 mm / Tank volume: 120 l / Pressure pipe connection (Ø): 63 mm /
Pumping volume: 25 l
Coverage features:
Cover material: Polymer / Colour of cover: violet /
Tightness: odour-tight / Locking: Quick-release closure
Free passage: 10 mm

Tank:
Inlet nominal size (Ø): 110 mm / Tank volume: 120 l /
Pressure pipe connection (Ø): 63 mm /
Pumping volume: 25 l
Coverage features:
Cover material: Polymer / Colour of cover: violet /
Tightness: odour-tight / Locking: Quick-release closure
Free passage: 10 mm
Pump:
Type of fuse required (electrical protection): C 16 A /
Max. temperature (permanent) of conveyed material: 40 °C / Connection type: Schuko (earthed contact) 2-pin / Length of mains cable for pump: 5 m /
Protection class (pump): IP 68 (3 m) /
Type of pump connection cable: H07RN-F 3G 1.0 mm2
Note:
Pumps available as resistant versions on request:
individual @kessel.de ↗ Accessories: page 9

Pumping capacity

Lifting station Aqualift S 100 Mono/Duo Tronic
for free-standing installation and wastewater without sewage

Lifting station for faecal-free wastewater, free-standing set-up, preassembled for final installation on site.
- With odour-tight cover and quick-release closure for easy maintenance
- Tank made of PE, resistant to aggressive wastewater
- Including backflow preventer for the pressure pipe
- Including socket Ø 110 mm for inlet and sampling
- Pump/s with multi-vane impeller for maximum operating reliability

Version:
Type of system: Single or twin station / Pump control: Control unit / Backflow preventer: integrated /
Installation situation: free-standing set-up / Type of wastewater: wastewater without sewage
General characteristics:
Colour: black / Standard: EN 12050-2

Dimensions:
Length: 670 mm / Width: 530 mm / Height: 650 mm
Tank:

Inlet nominal size (Ø): 110 mm / Tank volume: 120 l / Pressure pipe connection (Ø): 63 mm /
Pumping volume: 50 l
Coverage features:
Cover material: Polymer / Colour of cover: violet /
Tightness: odour-tight / Locking: Quick-release closure
Free passage: 10 mm
Pump:
Type of fuse required (electrical protection): C 16 A /
Max. temperature (permanent) of conveyed material: 40 °C / Connection type: coded plug / Length of mains cable for pump: 5 m / Protection class (pump):
IP 68 (3 m) / Type of pump connection cable: H07RN-F 3G 1.0 mm2

Comfort control unit:
: Self-diagnosis system (SDS), battery buffering, multi-line digital display, log book function,
USB interface, GSM interface / Potential-free contact: optional / Protection class control unit: IP 54 / Length of mains cable for control unit: 1.4 m / Type of level
measurement: pneumatic / Alarm sensor: Immersion pipe
Note: Pumps available as resistant versions on request: individual @kessel.de
↗ Accessories: page 9
Lifting station Aqualift S 200 Duo Tronic for free-standing installation and wastewater without sewage
Lifting station for faecal-free wastewater, free-standing set-up, preassembled for final installation on site.
- With odour-tight cover and quick-release closure for easy maintenance
- Tank made of PE, resistant to aggressive wastewater
- Including backflow preventer for the pressure pipe
- Including socket Ø 110 mm for inlet and sampling
- Pump/s with multi-vane impeller for maximum operating reliability

Version:
Type of system: Single or twin station / Pump control:
Control unit / Backflow preventer: integrated /
Installation situation: free-standing set-up / Type of wastewater: wastewater without sewage
General characteristics:
Colour: black / Standard: EN 12050-2
Dimensions:
Length: 670 mm / Width: 655 mm / Height: 815 mm Tank:
Inlet nominal size (Ø): 110 mm / Tank volume:
220 l / Pressure pipe connection (Ø): 63 mm /
Pumping volume: 100 l

This is KESSEL
Since 1963, KESSEL has stood like no other company for innovative and reliable drainage technology. We have established ourselves as the impulse generator in the
industry and are now a worldwide premium supplier.

During the production of our products as well as their operation on-site, we keep quality assurance, environmental protection and worker’s safety at the top of our list.
We also place great value in the relationship with our customer, providing consultation, installation support, commissioning and after-sales service.
One thing is certain, our innovation, quality, reliability and service is number one in the industry.
KESSEL–Leading in drainage

Leading in drainage.
No matter whether the task involves discharging water, wastewater treatment or backwater protection:
if the best solution is required, there is no option but KESSEL.
Backwater protection
Pump technology
Separator technology
Drainage technology




















