LITEMOVE TA-KA Tail Light

PRODUCT INFORMATION
E-bike headlight for speeds up to 25 km/h
Model Name
- TA-KA (Type name: TA-KA)
- TA-KS (Type name: TA-KS)
Technical Data
| Model No. | Output | Optical Technology | Light Source | Color of light emitted | Input Voltage | Max Peak Current (12V/6V) | IP Rating | Power Consumption Watt | Type of Approval |
|---|---|---|---|---|---|---|---|---|---|
| TA-KA | TKACE 8000mcd / 45cd | LTi 2 x LED | IP56 | 0.4W/4.5W | StVZO-K / R50 | ||||
| TA-KS | TKSCE 8000mcd | LTi 1 x LED | Red | 6 – 16V (DC) | 35/70mA | IP56 | 0.4W | StVZO-K |
Note:
- The rear light is designed for DC power source from 6 to 16 V only and should not be used with an AC power source (e.g. a dynamo).
- Connecting over voltage power may cause the lamp to be destroyed!
- The rear light is without switch, switching on and off is controlled by the e-bike system.
- The rearlight has to be installed at a minimal height of 250mm and a max. height of 1200mm. It has to be aligned parallel to the ground and parallel to the longitudinal plane of bicycle.
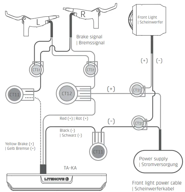
TA-KA Cable Connection Guide
Brake signal
| Front Light | Scheinwerfer | |||||
|---|---|---|---|---|---|
| (+) | (-) | ||||
| CT1t | Red (+) | Rot (+) | Black (-) | Schwarz (-) | Power supply | Stromversorgung | CT11 | |
| CT1t | Yellow Brake (+) | Gelb Bremse (+) | Red (+) | Rot (+) | Black (-) | Schwarz (-) | ||
| CT12 | (+) | (-) |
TA-KS Cable Connection Guide
| (+) | (-) | |
|---|---|---|
| CT1t | Red (+) | Rot (+) | Black (-) | Schwarz (-) |
| CT11 | (+) | (-) |
Light Cable Connector Assembly Guide
- TA-KA
- M5 10 mm Bolt
- M5 DIN 577 Nut
- Aligned parallel to the ground
- TA-KS
- M5 10 mm Bolt
- M5 DIN 577 Nut
- Aligned parallel to the ground
Caution
When installing the LITEMOVE headlight, please use the screws and small parts included in the package. When tightening the screws, follow the proper torque according to the product label. Never use high air pressure or aggressive cleaning agents for cleaning (also no alcohol).
Product Usage Instructions
- Ensure that the rear light is installed at a height between 250mm and 1200mm, aligned parallel to the ground and parallel to the longitudinal plane of the bicycle.
- Connect the rear light to the e-bike system using the cable connection guide as per your product model.
- Ensure that the rear light is connected to a DC power source between 6V to 16V only. Do not use an AC power source such as a dynamo as it may cause the lamp to be destroyed.
- The rear light does not have a switch and will be switched on and off by the e-bike system.
- When installing the LITEMOVE headlight, use the screws and small parts provided in the package. Follow the proper torque according to the product label. Do not use high air pressure or aggressive cleaning agents for cleaning.
CAUTION
- This rearlight for DC power source from 6 to 16 V only.
- Do not use it to an AC power source (e.g. a dynamo)!
- Connecting over voltage power may cause the lamp to be destroyed!
- The rear light is without switch, switching on and off by the system of the e-bike
Product Overview

NOTE: The rearlight has to be installed at a minimal height of 250mm and a max. height of 1200mm. It has to be aligned parallel to the ground and parallel to the longitudinal plane of bicycle.
Installation Guide
Install the light on carrier plate

TA-KA Cable Connection Guide

Light Cable Connector Assembly Guide
- Inner cable length
- 20mm : All Lights
- 60mm : Power cables /Brake signal

- Push the cable in the connetor to the very end. Press button NO more than the edge of the connector.

Technical Data
These front lights have been developed for use on E-Bikes with speeds up to 25 km/h (Pedelecs).
| Model Name. | TA-KA | TA-KS |
| Model No. | TKACE | TKSCE |
| Output | 8000mcd / 45cd | 8000mcd |
| Optical Technology | LTi | LTi |
| Light Source | 2 x LED | 1 x LED |
| Color of light emitted | Red | Red |
| Input Voltage | 6 – 16V (DC) | 6 – 16V (DC) |
| Max Peak Current (12V/6V)
| Rear light 35/70mA Brake light 100/700mA | 35/70mA |
| Operating temperature | – 25°C to + 70°C | – 25°C to + 70°C |
| Housing | Plastic | Plastic |
| Wire | AWG 26(Ø3mm) / 1-3pins | AWG 26(Ø3mm) / 1-2pins |
| Weight | 31g | 33g |
| IP Rating | IP56 | IP56 |
| Power Consumption Watt
| 0.4W/4.5W | 0.4W |
| Type of Approval | StVZO-K / R50 | StVZO-K |
| Dimension | 21(L) x 125(W) x 13.5(H) mm | |
| Mounting option| | 50/80 mm rack holder | |
TA-KS Cable Connection Guide

CAUTION
- When mounting the LITEMOVE light, please use the existing screws and rubber from the bracket from the package.
- Please take care to tighten the screws with the right torque shown on each model.
- Never use a high-pressure hose or alcohol-containing fluids to clean. Do not use aggressive cleaning agents (also no alcohol!)
- According to StVZO §67, the light needs to be mounted properly ready for use.
- Prior to every ride, a secure and sturdy connection of the light to its mounting bracket and of the mounting bracket to the bicycle must be checked and ensured.
- If an LED has failed, the rea must be replaced accordingly.
EMAIL: [email protected]
WEB: www.lite-move.com

















