POTTER CA-4064 Class A Expander

NOTICE TO THE INSTALLER
This manual provides an overview and the installation instructions for the CA-4064 module.All terminals are power limited and should be wired in accordance with the requirements of NFPA 70 (NEC) and NFPA 72 (National Fire Alarm Code). Failure to follow the wiring diagrams in the following pages will cause the system to not operate as intended. For further information, refer to the control panel installation instructions. The module shall only be installed with listed control panels. Refer to the control panel installation manual for proper system operation.
DESCRIPTION
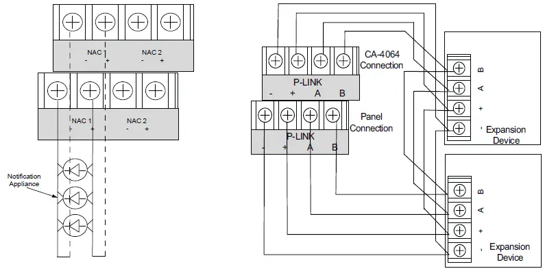
The CA-4064 is a Class A Expander for the PFC-4064 fire alarm control panel. The CA-4064 allows for Class A wiring of the P-Link communication bus and the four (4) built in NAC circuits. The CA-4064 mounts to the provided framework in the fire alarm control panels. Before connecting a device to the RS-485 connection, take the following precautions to prevent potential damage to the RS-485 connection.
- Power to the RS-485 connection is removed.
- Field wiring on module is correctly installed.
- Field wiring has no open or short circuits
TECHNICAL SPECIFICATIONS
| Standby Current | 15 mA |
| Alarm Current | 60 mA |
| Operating Temperature Range | 32° to 120°F (0° to 49° C) |
| Operating Humidity Range | 10%-93% (non-condensing) |
| Max no. of CA-4064 Expanders | 1 |
| Dimensions | (W x H x D) 4” x 6” x 1-5/8” |
Note: Each Class A circuit is rated for a continuous 3 amps at 24 VDC. The outputs are supervised and regulated.
INSTALLATION
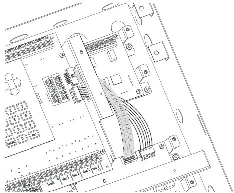
Class A configuration requires the use of the CA-4064. Once the card is installed, the additional terminals are provided for the return loop of the P-Link and the NACs. Refer to figures 1 through 3 for examples of installing and wiring a Class A expander card.
EXAMPLE OF INSTALLING AND WIRING A CLASS A EXPANDER CARD

INSTALLED CLASS A CARD

EXAMPLE OF CA-4064 MODULE INSTALLED BEHIND MAIN PCA
| Standby Current | 15 mA |
| Alarm Current | 60 mA |
| Operating Temperature Range | 32° to 120°F (0° to 49° C) |
| Operating Humidity Range | 10%-93% (non-condensing) |
| Max no. of CA-4064 Expanders | 1 |
| Dimensions | (W x H x D) 4” x 6” x 1-5/8” |
EXAMPLE OF WIRING A CLASS A EXPANDER CARD

NOTES:
- NAC wiring supports Class A, rated 24 VDC, 3 Amp
- RS-485 wiring style supports class A and class B.
- RS-485 is power limited.
- Wiring for terminals (A, B) and (+, -) are supervised.
- All wiring is between #12 (max.) And #18 (min.).
- Wire preparation – strip all wires 1/4 inch from their edges as shown here
- Stripping too much insulation may cause a ground fault.
- Stripping too little may cause a poor connection and subsequently an open circuit.
These instructions do not purport to cover all the details or variations in the equipment described, nor provide for every possible contingency to be met in connection with installation, operation and maintenance. Specifications subject to change without prior notification. For Technical Assistance contact Potter Electric Signal Company at 866-956-1211. Actual performance is based on proper application of the product by a qualified professional. Should further information be desired or should particular problems arise, which are not covered sufficiently for the purchaser’s purpose, the matter should be referred to a distributor in your region.
- Potter Electric Signal Company, LLC
- St. Louis, MO
- Phone: 800-325-3936
- www.pottersignal.com
- firealarmresources.com



















