BLASTRAC 2-48DC Dust Collector

EC DECLARATION OF CONFORMITY
in accordance with Appendix II sub-A of Directive 2006/42/EC
BLASTRAC B.V.
- Utrechthaven 12
- NL – 3433 PN NIEUWEGEIN
- Tel: 0031 (0)30 601 88 66
- Fax: 0031 (0)30 601 83 33
- [email protected]
- The Netherlands
Declare under our sole responsibility that the machine as described below conforms with the Health and Safety requirements of the European Directive of machine Safety.
In case of changes to the machine without our written authorization, this declaration loses its validity.
- Model:
- BLASTRAC 2-48DC
- Serial number: ……….
- Nieuwegein …………
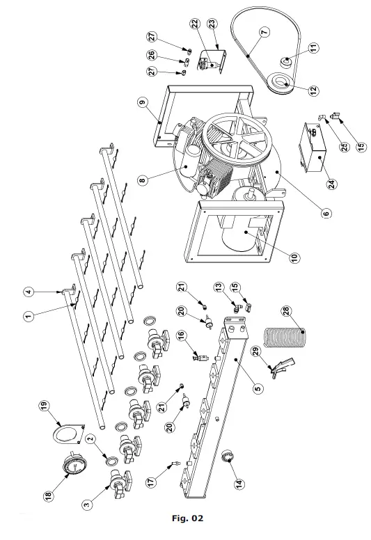
Spare parts

| Item | Blastrac Part number | HQV Part number | Description | Qty. |
| 1 | E10218 | 533994501 | Cartridge filter | 20 |
| 2 | E08741 | 535231101 | Frame 2-48DC | 1 |
| 3 | E08772 | 534809001 | Wheel | 2 |
| 4 | E08743 | 535177701 | Filter house | 1 |
| 5 | E08744 | 535165301 | Door filter house | 1 |
| 6 | E08747 | – | Locking bar | 5 |
| 7 | E08750 | 535177901 | Filter house cover | 1 |
| 8 | E08753 | 535151001 | Compressor cover | 1 |
| 9 | E10207 | 533953401 | Swivel castor | 2 |
| 10 | E08754 | 535111501 | Logo Blastrac | 1 |
| 11 | E08745 | – | Filter bracket | 5 |
| 12 | E08768 | 535171701 | Elbow | 2 |
| 13 | E09041 | 534815201 | Rubber impact plate | 2 |
| 14 | E08784 | 533993301 | Big bag | 1 |
| 15 | E09021 | – | Washer locking bar | 10 |
| 16 | E03466 | 534014001 | Shock absorber | 4 |

| Item | Blastrac Part number | HQV Part number | Description | Qty. |
| 1 | E07763 | 533465401 | Divider | 20 |
| 2 | E04568 | 534341901 | Filter house seal | 5 |
| 3 | E06367 | 533798101 | Air valve 24V AC | 5 |
| 4 | E08748 | 535230001 | Pulse pipe | 5 |
| 5 | E08749 | 535230101 | Pulse tank | 1 |
| 6 | E08756 | 535228701 | Protection plate | 1 |
| 7 | 491825 | 534930601 | V-belt | 1 |
| 8 | E03118 | 533727001 | Compressor | 1 |
| 9 | E08751 | 535150901 | Compressor bracket | 1 |
| 10 | 976688 | 533241801 | Compressor motor 1.5kW | 1 |
| 11 | 222-2270 | 534892401 | Taper lock bush | 1 |
| 12 | 491824 | 534892601 | Taper lock pulley | 1 |
| 13 | B20057 | 533764501 | Adaptor knee 10×1/2″ | 1 |
| 14 | E10349 | 533823401 | Mounting manometer | 1 |
| 15 | E14003 | 533838601 | Mini ball valve 1/4″ m/f BSP | 2 |
| 16 | 490691 | 534411701 | Control valve | 1 |
| 17 | E01303 | 533256701 | Safety valve | 1 |
| 18 | 491837 | 534775201 | Difference pressure manometer | 1 |
| 19 | E08773 | 535162301 | Difference pressure manometer support | 1 |
| 20 | 2381-365 | 533529701 | Filter vacuum gauge | 2 |
| 21 | E03216 | 534739901 | Hose conn.straight 6×1/4″nbsp | 2 |
| 22 | E07456 | 533842701 | Water separator continuous drain system ¼” | 1 |
| 23 | E08775 | 535225901 | Plate water separator | 1 |
| 24 | E06932 | 533250501 | Drain box | 1 |
| 25 | E03197 | 533527901 | Knee 1/4” MBSPT x 1/4” FBSP | 1 |
| 26 | B21750 | 533730501 | Nonreturn valve 1/4″ tbsp | 1 |
| 27 | E00674 | 533884801 | Hose conn.straight 10×1/4″tbsp | 2 |
| 28 | DA–9290.2 | 534296001 | Airhose 6 MM. L 5 MTR. | 1 |
| 29 | DA–9290.1 | 534295001 | Air pistol | 1 |

| Item | Blastrac Part number | HQV Part number | Description | Qty. |
| 1 | E08766 | 535170001 | Dust hopper | 1 |
| 2 | E00689 | 533022401 | Adhesive seal 20×5 L=13500 | 1 |
| 3 | E09024 | 533226501 | Rotating valve assembly | 2 |
| 4 | E09040 | 534812601 | Rotex coupling | 2 |
| 5 | E00590 | 533856101 | Drive motor AC incl. gearbox | 1 |
| 6 | E09010 | 534414301 | Coupling shaft | 1 |
| 7 | E04052 | 533061801 | Rotex coupling insert | 1 |
| 8 | BE0162 | – | Adjusting ring 25x40x16 | 1 |
| 9 | E09009 | 535166401 | Drive motor plate | 1 |
| 10 | E09012 | 534779301 | Protection cover | 1 |
| 11 | E09020 | 534779201 | Protection cover bottom | 1 |
| 12 | B20515 | 533224801 | Shaft cover | 2 |

| Item | Blastrac Part number | HQV Part number | Description | Qty. |
| 1 | E09022 | 535235301 | Rotating valve housing | 1 |
| 2 | E09023 | 535107701 | Big bag adapter | 1 |
| 3 | E09025 | – | Rotating valve axle complete | 1 |
| 4 | E09029 | 534823501 | Seal house | 2 |
| 5 | E09030 | 534600601 | Gland seal | 2 |
| 6 | E09031 | 534774601 | Pressing bush | 2 |
| 7 | E09032 | 534315901 | Bearing house valve | 2 |
| 8 | E09033 | 534930101 | V-seal Ø40 shaft | 2 |
| 9 | E09034 | 534930001 | V-seal CR 400450 | 2 |
| 10 | E09035 | 535263201 | Valve cover | 2 |
| 11 | E09011 | 535149401 | Clamp plate | 2 |
| 12 | E06032 | 534581901 | Flanged bush 25×28 L21.5 | 2 |
| 13 | BE0162 | – | Adjusting ring 25x40x16 | 2 |
| 14 | Shim 25x35x1 | 2 | ||
| 15 | Circlip Ø25 for shaft | 2 | ||
| 16 | M6x55 Hexagon Socket Head Cap | 8 | ||
| 17 | M6-Nut | 4 |



| Item | Blastrac Part number | HQV Part number | Description | Qty. |
| 1 | E09036 | 534313301 | Bearing barrel | 1 |
| 2 | E00739 | 533457501 | Drive wheel bracket | 1 |
| 3 | E02336 | 534929701 | V-ring seal | 1 |
| 4 | E02253 | 534313001 | Tapered roller bearing | 2 |
| 5 | E02335 | 534929601 | V-ring seal | 1 |
| 6 | E02232 | 534314501 | Bearing cover plate | 1 |
| 7 | BE0381 | – | M16x40 Bolt | 1 |
| 8 | 476405 | 534907101 | Traction wheel | 1 |
| 9 | 976682 | 531474201 | Bearing | 2 |
| 10 | E00742 | 533956301 | Drive wheel shaft | 1 |
| 11 | E00664 | 535723701 | Drive motor 1.1kW | 1 |
| 12 | E00744 | 533068001 | Chain guard | 1 |
| 13 | 488551 | 534642001 | Hub | 1 |
| 14 | 477631 | 534640601 | Idler sprocket | 1 |
| 15 | 477630 | 534863101 | Sprocket retainer | 1 |
| 16 | 478198 | 533256401 | Quick release pin | 1 |
| 17 | E00732 | 533781301 | Drive sprocket | 1 |
| 18 | 979971 | 534387301 | Cover plate chain guard | 1 |
| 19 | E00737 | 533103101 | Steering handle | 1 |
| 20 | E00368 | 533368001 | Cable guide- end | 2 |
| 21 | E00740 | 533241401 | Control box | 1 |
| 22 | E00743 | 533783701 | Switch lever | 1 |
| 23 | 454796 | 534668101 | Limit switch | 1 |
| 24 | E00867 | 533850701 | switch | 2 |
| 25 | E00866 | 533613001 | Potentiometer | 1 |
| 26 | 453290 | 534612901 | Handle grip | 1 |
| 27 | E07293 | 533318901 | Distance bush drive wheel | 1 |

| Item | Blastrac Part number | HQV Part number | Description | Qty. |
| 1 | E07059 | 533480701 | Motor mounting bracket | 1 |
| 2 | 222-2301-V | 531490901 | Taperlock bush | 1 |
| 3 | E07067 | 533162601 | Tension plate | 1 |
| 4 | E07069 | 533617701 | Fill up the ring fan motor | 1 |
| 5 | 976657 | 533868101 | Taperlock bush | 1 |
| 6 | E06954 | 533463101 | Fan impeller | 1 |
| 7 | E03195 | 533037101 | Ring fan | 1 |
| 8 | E06965 | 533150701 | Fan hub | 1 |
| 9 | E07070 | 533157101 | Belt guard | 1 |
| 10 | E07594 | 533496301 | BU fan unit | 1 |
| 11 | E06989 | 533455501 | Fan housing | 1 |
| 12 | E09039 | 533078701 | Silencer 2-48DC | 1 |
| 13 | E09019 | 534038901 | Fill up ring fan unit | 1 |
| 14 | E06118-IE2 | 534053501 | Motor 7.5kW IE2 | 1 |
| 15 | E00620 | 533880001 | Belt pulley | 1 |
| 16 | E07561 | 533437501 | V-belt | 2 |
| 17 | E07278 | 533719001 | Belt pulley 60Hz | 1 |
| 976656 | 533184901 | Belt pulley 50Hz | 1 | |
| 18 | BE0088 | 533851101 | M10x35 Bolt | 1 |

Headquarter
Blastrac The Netherlands Utrechthaven 12
- NL – 3433 PN Nieuwegein
- Tel – 0031 30 601 88 66
- Fax – 0031 30 601 83 33
- [email protected]
Blastrac United Kingdom
- Unit 2, Outgang Lane, Dinnington
- Sheffield, South Yorkshire
- GB – S25 3QY, England
- Tel – 0044 1909 56 91 18
- Fax – 0044 1909 56 75 70
- [email protected]
Blastrac France (ZI)
- 29, Avenue des Temps Modernes
F – 86360 Chasseneuil du Poitou
Tel – 0033 549 00 49 20 - Fax – 0033 549 00 49 21
- [email protected]
Blastrac Poland
- Golina, Dworcowa 47a
- PL – 63-200 Jarocin
- Tel – 0048 627 40 41 50
Fax – 0048 627 40 41 51 - [email protected]
Blastrac Germany
- Richard Byrd Straβe 15
- D – 50829 Köln (Ostendorf)
- Tel – 0049 221 70 90 32 0
- Fax – 0049 221 70 90 32 22
- [email protected]
Blastrac Italy
- S.S. 10 Padana Inferiore, 41
- IT – 29012 Corso (PC)
- Tel – 0039 0523 81 42 41
- Fax – 0039 0523 81 42 45
- [email protected]
Blastrac Spain
- Calle Copernico, 16
- Nave 2
- E – 28820 Coslada
- Tel – 0034 91 660 10 65
- Fax – 0034 91 672 72 11
- [email protected]
Blastrac Ukraine
- Nezalezhnosti 14, of. 21
- UA – 07400 Brovary
- Tel – 0038 44 222 51 28
- Fax – 0038 44 277 98 2
- [email protected]



















