BLASTRAC BDC-66 Industrial Vacuum Cleaner

Inspection comments
- Inspection before initial operation on:
- By:
- Date of initial operation:
- Serial number & Year of manufacture:
Spare parts

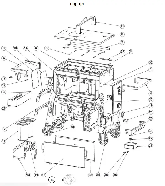
| Item | Blastrac PN | HQV PN | Description | Qty. |
| 1 | E09751 | 533208101 | Filter house | 1 |
| 2 | E09772 | 533666301 | Back legs bottom bracket | 1 |
| 3 | E09773 | 533645201 | Back legs upper bracket | 1 |
| 4 | E09754 | 531461901 | Handle | 2 |
| 5 | E07763 | 533465401 | Divider | 6 |
| 6 | E03466 | 534014001 | Rubber distance | 3 |
| 7 | E09755 | 533119601 | Pulse tube | 2 |
| 8 | E09756 | 533377601 | Top cover | 1 |
| 9 | E09778 | 533383801 | Rubber impact plate | 1 |
| 10 | E09757 | 535178501 | Filters secure plate | 1 |
| 11 | E09758 | 533207801 | Filter bracket | 3 |
| 12 | E10600 | 533969201 | Cartridge filter | 6 |
| 13 | E09874 | 533172101 | Locking bar | 3 |
| 14 | BE0672 | 533698301 | Eye bolt M10x120 | 3 |
| 15 | E09759 | 533364001 | Door filter house | 1 |
| 16 | E09685 | 533677501 | Hose adapter 150-130 | 1 |
| 17 | BE0560 | 534587601 | M8 fork joint 8×16 | 2 |
| 18 | BE0577 | 534046801 | Turning knob M8x30 | 2 |
| 19 | E11035 | 535207201 | Logo | 1 |
| 20 | E09760 | 533324601 | Compressor cover | 1 |
| 21 | E09791 | 534363001 | Bracket | 1 |
| 22 | 999-9155 | 533015801 | Pipe clamp 25mm (set) | 1 |
| 23 | E09761 | 533641401 | Compressor protection plate | 1 |
| 24 | E09598 | 533190401 | Low friction wheel | 2 |
| 25 | E09597 | 533503701 | Low friction castor wheel | 2 |
| 26 | E09762 | 533018201 | Box | 1 |
| 27 | E09767 | 533228201 | Pulse tube key | 1 |
| 28 | E06932 | 533250501 | Drain box | 1 |
| 29 | E03197 | 533527901 | KNEE 1/4” MBSPT x 1/4” FBSP | 1 |
| 30 | E14003 | 533838601 | Mini ball valve 1/4″ m/f bsp | 1 |
| 31 | E09768 | 533147501 | Lifting beam | 1 |
| 32 | 999-9106 | 534070301 | Shock absorber A40-20 | 4 |
| 33 | E01309 | 533914901 | Adhesive rubber seal 40×20 | 2,9m |
| 34 | E00649 | 533938601 | Adhesive rubber seal 25×5 | 3,5m |
| 35 | B21189 | 533938701 | Adhesive rubber seal 20×10 | 2,7m |
| 36 | E11032 | 533028701 | Distance plate | 1 |

| Item | Blastrac PN | HQV PN | Description | Qty. |
| 1 | E06933 | 533396801 | Compressor | 1 |
| 2 | 999-9107 | 533943201 | Shock absorber A40-30 | 4 |
| 3 | E09790 | 534932601 | Water separator mounting plate | 1 |
| 4 | E07756 | 533478601 | Protection pulse valve | 1 |
| 5 | E07554 | 533258401 | Pulse valve system | 1 |
| 6 | E14003 | 533838601 | Mini ball valve 1/4″ m/f bsp | 1 |
| 7 | E06923 | 533882901 | Adaptor knee 10mm x 1/4″ mbsp, swivel | 3 |
| 8 | DA–9290.1 | 534295001 | Airpistol | 1 |
| 9 | DA–9290.2 | 534296001 | Airhose 6 MM. L 5 MTR. | 1 |
| 10 | B20057 | 533764501 | Connector Angle swiveling | 1 |
| 11 | E03215 | 533781901 | T-nipple F-F-M 1/4″ | 1 |
| 12 | E00674 | 533884801 | Hose conn.straight 10×1/4″mbsp | 2 |
| 13 | E00034 | 533660501 | Reduction silencer 1/4″ | 1 |
| 14 | E06948 | 533653101 | Pressure valve V72G-3GK-NMN | 1 |
| 15 | E03158 | 533927201 | Panel mount conn. 1/4x M20 | 2 |
| 16 | E06935 | 533299601 | Filter FS-04-025 | 1 |
| 17 | E06968 | 533455601 | Plug 1/8″ | 2 |
| 18 | E06970_1 | 533400001 | Bonded seal 3/8″ | 2 |
| 19 | E06972 | 533884301 | Adapter male 1/4″ BSP x male 3/8″ | 1 |
| 20 | E01157 | 533774501 | Straight coupler Ø6×1/8″ fbsp | 1 |
| 21 | E07456&E07457 | 533842701 | Water separator & Bracket | 1 |
| 22 | E01925 | 533880201 | Male stud coupling 1/4″ BSP x Ø12 + Bonded seal | 1 |
| 23 | E06974 | 533923801 | Right connector M18x1.5 Ø12 | 1 |
| 24 | E01157 | 533774501 | Straight coupler Ø6×1/8″ fbsp | 1 |
| 25 | E06928 | 533835201 | Cooling spiral | 1 |
| 26 | E06925 | 533903601 | Hydraulic hose M18x1.5 female x 3/8″ BSP | 1 |
| 27 | E04620 | 533450401 | Connector Angle swiveling | 1 |
| 28 | E08945 | 534775701 | Manometer | 1 |

| Item | Blastrac PN | HQV PN | Description | Qty. |
| 1 | E10326 | – | Blow pipe | 2 |
| 2 | E10327 | – | Header tank 6” for 2 valves | 1 |
| 3 | E10328 | – | Body 1” integrated | 3 |
| 4-7 | E10359 | 533640101 | Diaphragm 1” complete | 3 |
| 8-11 | E10345 | 533752601 | Valve complete for 6” header tank | 3 |
| 9 | E08397 | 534785601 | Connector + cable | 3 |
| 12 | E10337 | – | Nut | 3 |
| 13 | E10338 | – | Rubber sleeve | 3 |
| 14 | E10339 | – | Hexagonal nut | 3 |
| 15 | E10340 | – | Rubber washer | 3 |
| 16 | E10341 | – | Round nut | 3 |

| Item | Blastrac PN | HQV PN | Description | Remarks | Qty. |
| 1 | E06989 | 533455501 | Fan housing | 1 | |
| 2 | E06954 | 533463101 | Fan impeller type 1 | 1 | |
| 3 | E06965 | 533150701 | Fan hub | 1 | |
| 4 | E07059 | 533480701 | Motor mounting bracket | 1 | |
| 5 | E07594 | 533496301 | BU fan unit (set) | 1 | |
| 6 | E07067 | 533162601 | Tension plate | 1 | |
| 7 | E00620 | 533880001 | Fan pulley | 50Hz | 1 |
| E07278 | 533719001 | Fan pulley | 60Hz | 1 | |
| 8 | E07278 | 533719001 | Motor pulley | 50Hz | 1 |
| E00620 | 533880001 | Motor pulley | 60Hz | 1 | |
| 9 | E06131 | 533960501 | V-belt | 2 | |
| 10 | 976657 | 533868101 | Fan taperlock | 1 | |
| 11 | 222-2301-V | 531490901 | Motor taperlock | 1 | |
| 12 | E07070 | 533157101 | Belt guard | 1 | |
| 13 | E07069 | 533617701 | Fill up ring fan motor | 1 | |
| 14 | E07580-IE3 | – | Motor 5,5kW / 3000RPM | 1 | |
| 15 | E03195 | 533037101 | Ring fan | 1 | |
| 16 | E09771 | 533270801 | Distance plate | 1 | |
| 17 | E09770 | 533284301 | Silencer | 1 | |
| 18 | E09769 | 533474601 | Silencer top cover | 1 | |
| 19 | BE0577 | 534046801 | Turning knob M8x30 | 4 | |
| 20 | E00702 | 534315001 | Fan adapter bearing house | 1 | |
| 21 | E00705 | 533090501 | Bearing | 2 | |
| 22 | E07517 | 533104201 | Fan shaft | 1 | |
| 23 | E00951 | 533292201 | Retaining ring | 2 | |
| 24 | BE0256 | 533905401 | Key | 2 | |
| 25 | BE0076 | 533914201 | Circlip for shaft | 1 | |
| 26 | BE0327 | 533836701 | M8 rubber washer | 4 |

| Item | Blastrac PN | HQV PN | Description | Qty. |
| 1 | E09787 | 533156101 | Bottom plate | 1 |
| 2 | E06311 | 533960701 | Dust bag 70ltr | 1 |
| E09418 | 534026201 | Dust bag 145ltr | 1 | |
| 3 | E09788 | 533276901 | Big bag adapter | 1 |
| 4 | E04623 | 533136601 | Valve plate | 2 |
| 5 | E04624 | 533559601 | Rubber plate valve | 1 |
| 6 | E09789 | 533191601 | Valve handle | 1 |
| 7 | 000213 | 533656201 | Clamp knob M8 | 1 |
| 8 | E04622 | 533115501 | Valve axle | 1 |
| 9 | BE0630 | 533101401 | Linch pin | 1 |
| 10 | E07655 | 533538201 | Longo pack – bag bracket | 1 |
| 11 | E08500 | 533136501 | Valve weight | 3 |
| 12 | E07654 | 533171901 | Longo pack valve | 1 |
| 13 | E09786 | 535208901 | Longo pack | 1 |
| 14 | E09783 | 533239401 | Dust bin | 1 |
| 15 | E09784 | 533206001 | Handle LH | 1 |
| 16 | 453290 | 534612901 | Handle grip | 2 |
| 17 | 466450 | – | Clamp | 2 |
| 18 | E09785 | 535168601 | Dust bin lock plate | 2 |
| 19 | E06934 | 533534801 | Quick release pin | 2 |
| 20 | E08776 | 533863101 | Wheel | 2 |
| 21 | E09327 | 533740201 | Swivel wheel | 1 |
| 22 | E09782 | 533396001 | Dust bin bracket | 2 |
| 23 | E09884 | 533385801 | Protection plate | 2 |
| 24 | E11174 | 533235501 | Handle RH | 1 |
| 25 | E09573 | 533489501 | Dust bin kit BDC66/99 complete | 1 |
| 26 | E09576 | 533941101 | Longopac kit BDC66 complete | 1 |
| 27 | E09575 | 533895801 | Big bag kit BDC66 complete | 1 |

| Item | Blastrac PN | HQV PN | Description | Qty. |
| 1 | E09793 | 531493901 | Front cover | 1 |
| 2 | E09877 | not loaded | Hepa filter class H13 | 1 |
| E09795 | 534008001 | Hepa filter class H14 | 1 | |
| 3 | E09792 | 535193101 | Back cover | 1 |
| 4 | E09794 | 533186901 | Adapter | 1 |
| 5 | E11000 | 533155201 | Bracket | 2 |
| 6 | E11001 | 533297301 | Hole plug | 1 |
| 7 | E11002 | 533120001 | Plate | 1 |
| 8 | 001112 | 535710701 | Hose Ø150 | 0,17m |
| 9 | E11003 | 533625001 | Adhesive rubber seal 10×10 | 0,55m |
| 10 | E00689 | 533022401 | Adhesive rubber seal 20×5 | 2,4m |
| 11 | 001109 | 534628701 | Hose clamp 130-160mm | 2 |
| 1-11 | E11177 | 533813701 | Hepa filter system complete H14BDC-66 | 1 |

| Item | Blastrac PN | HQV PN | Description | Qty. | |
| 1 | 491837 | 534775201 | Difference pressure measure | 1 | |
| 2 | E11039 | 534564501 | Elbow male adaptor | 2 | |
| 3 | 2381-365 | 533529701 | Filter vacuum gauge | 2 | |
| 4 | E00441 | 534787701 | PVC hose 9x6mm clear | 2m | |
| 1-4 | E11051 | 534044001 | Diff. Vacuum gauge kit BDC66 & BDC99 | 1 | |
Blastrac Poland
Golina, Dworcowa 47e PL – 63-200 Jarocin
- Tel – 0048 627 40 41 50
- Fax – 0048 627 40 41 51
- [email protected]




















