Ortal Wilderness Traditional 36/42 Fireplace User Manual

General
Safety Information and Warnings
WARNING: REVIEW ALL WARNINGS
Be sure to review all safety warnings and installation guidelines contained in this manual. Consider installation location, vent configuration, clearances, structural requirements, framing and finish materials, and local codes. ALL warnings and instructions apply to all products manufactured and distributed by Ortal.
WARNING: DO NOT OPERATE FIREPLACE IF:
The glass is NOT properly secured in place; Connection points are not sealed (for fireplaces with glass-to-glass connections); Glass is cracked; You smell gas; Any part of the fireplace has been under water; You have any doubt about safe operation of the fireplace; Or if any part has been under water, do not use the fireplace. Immediately call a qualified, professional service technician to inspect the fireplace and to replace any parts of the control system and any gas controls which have been under water.
WARNING: ELECTRICAL GROUNDING
All electrical connections must be properly installed, insulated, and secured to avoid potential ELECTRICAL SHOCK and FIRE HAZARD and malfunction of the system. Consult local building code requirements. In the absence of local codes, refer to the National Electric Code, ANSI/NFPA 70, or the Canadian Electric Code, CSA C22.1.
WARNING: MATERIAL USAGE
All materials and objects used to carry out the installation must be certified/approved or specified by Ortal and are suitable for use. Do NOT install the system with different materials or objects than those approved for installation by Ortal.
WARNING: INSTALLATION AND SERVICE
Installation and repairs on the fireplace and vent system must be done by an authorized Ortal qualified installer service agency or gas supplier. If these components are not installed by an authorized Ortal dealer/installer, the warranty of all components will be void and Ortal will not be responsible for any damage caused by improper installation. The fireplace should be inspected before use and at least annually by a professional service person. More frequent cleaning may be required due to excessive lint from carpeting, bedding material, etc. Control compartments, burners and circulating air passageways of the fireplace must be kept clean. Any alteration to the product can cause soot or carbon to form and may result in damage. This damage and any other damage that results from not following the instructions outlined in this manual is not the responsibility of Ortal.
WARNING: HEAT BARRIER
A barrier designed to reduce the risk of burns from hot viewing glass is provided with this fireplace and shall be installed. The fireplace MUST not be used without the heat barrier in place. If the barrier becomes damaged, the barrier shall be replaced with the manufacturer’s barrier for this fireplace. Any safety screen, guard, or barrier removed for servicing the fireplace must be replaced before operating.
WARNING: FIREPLACE TEMPERATURE
Due to hot temperatures, the fireplace should be located out of traffic and away from furniture and draperies. Children and adults should be alerted to the hazards of high surface temperature and should stay away to avoid burns or clothing ignition. Clothing or other flammable material should not be placed on or near the fireplace. Young children should be carefully supervised when they are in the same room as the fireplace. Toddlers, young children, and others may be susceptible to accidental contact burns. A physical barrier is recommended if there are at-risk individuals in the house. To restrict access to a fireplace or stove, install an adjustable safety gate to keep toddlers, young children, and other at-risk individuals out of the room and away from hot surfaces.
WARNING: GLASS HANDLING
Only an Ortal certified installer is authorized to remove the glass using a suction cup supplied by Ortal.
WARNING: INSTALLATION AND OPERATION
The fireplace and accompanying components must be installed as an OEM installation in manufactured homes (USA only) or an aftermarket permanently located, or a mobile home, where not prohibited by local codes. The fireplace must be installed in accordance with the Manufacturer’s instructions and the Manufactured Home Construction and Safety Standard, Title 24 CFR, Part 3280, in the United States, or the Standard for Installation in Mobile Homes, CAN/CSA Z240 MH Series, in Canada. Exceeding the restrictions imposed in these instructions may result in a fire or explosion, causing property damage, personal injury, or loss of life. Ortal will not be responsible for any damage caused by improper installation. Do not store or use gasoline or other flammable vapors and liquids near this fireplace.
WARNING: GAS FIREPLACE
This fireplace is for use only with the type of gas indicated on the rating plate. These fireplaces are not convertible for use with other gases unless a certified kit is used, and the conversion is performed by an authorized and qualified technician. Applicable standards are Vented Gas Fireplace Heaters ANSI Z21.88 / CSA 2.33a and Gas-fired Fireplaces for Use at High Altitudes CAN/CGA 2.17-M91
Product Information
Certification
The Wilderness Traditional Series fireplaces have been tested and approved by CSA Group for safety and efficiency for use with Natural Gas (NG) and Propane (LP) only, and NOT for use with solid fuels. CSA Group is approved by the American National Standards Institute (ANSI) as an Accredited Standards Developer.

Products:
CLASS 2901 84: DOMESTIC HEATERS (GAS) Vented Fireplace: Certified to US Standard
CLASS 2901 04: DOMESTIC HEATERS (GAS) Vented Fireplace
The fireplaces are permitted for indoor use only. “Indoor” is defined as a conditioned space. The fireplaces are not approved for outdoor or partial outdoor installation. The fireplaces must be installed while maintaining required clearances. Installation is recommended in living spaces such as bedrooms, living rooms, great rooms, etc. The fireplaces are not approved for closet installation. The fireplace must be installed according to Ortal requirements in addition to any local codes that may apply, such as USA: ANSI Z223.1/NFPA 54, Canada: CSA B149.
IMPORTANT:
- Consult the authority having jurisdiction to determine the need for a permit prior to starting the installation.
- It is the responsibility of the fireplace dealer and installer to ensure that this fireplace is installed and framed in compliance with these instructions and all applicable codes.
- Before starting, take careful note of ALL the WARNINGS in this manual.
Model

NOTE: Venting is not supplied by Ortal with the fireplace. The fireplace is certified to be used with, and can be obtained from, the vent manufacturers outlined in “General Venting Requirements” section.
Rating Label
The fireplace rating label is found on a metal plate separate included with the fireplace.
DEALERS/INSTALLERS: You MUST leave the fireplace’s rating label with the fireplace in an area easily accessible by the owner. You must instruct the owner before handing over the fireplace where this label can be found.
OWNERS: Make sure the installer leaves your fireplace’s rating label in an area that is easily accessible for you. This information is required for servicing and receiving replacement parts.
Zero-Clearance Stand-Offs
The fireplace has zero-clearance stand-offs fastened to the body of the fireplace as shown in the figures below. Stand-offs must be fully extended upon installation.

Fireplace Legs
The Traditional series fireplace legs varies by heat barrier choice. The screen fireplace does not come with legs and can sit directly on the floor. The double glass fireplace has legs (measuring 9-13/16” from the bottom of the legs to the bottom of the viewing area) to allow for space and airflow for the double glass fans. The legs cannot be cut, removed, or altered in any way.

NOTE: Clearances and finish requirements are the same for both heat barrier options. Building requirements (such as framing values and air intake) may vary.
Installation
Prior to Installation
Locate the Fireplace
Keep the following factors in mind when selecting a location for the fireplace:
- Fireplace clearance requirements (review “General Clearances” sections).
- Heat release and air intake requirements (review “Heat Release Requirements” and “Air Intake Requirements” sections).
- Adequate space for servicing.
- Minimum vertical vent rise, allowed horizontal lengths, and degree of offset (review “Venting” section).
- Framing and finishing requirements (review “Framing” and “Finishing” sections).
- Front wall installation and finishes to be completed after fireplace and vent installation (review “Step-By-Step Chase Construction” section).
- Floor or Platform requirements (review “Platform” section).
Fireplace Installation
Use the following guidelines to ensure a smooth installation. The installation sequence is divided into three phases: Planning, Installation, and Startup.
First Trip to Site: Planning
Consult with the contractor and go over all requirements:
- Chase framing requirements.
- 5/8” Type X Drywall (or equivalent) requirements.
- Heat release requirements.
- Air Intake requirements (if applicable).
- Gas and electric specs and location.
- Vent configuration.
- Finishing details.
NOTE: Provide the contactor with a copy of the “Building Checklist” and review requirements with them.
Second Trip to Site: Installation
- Confirm the following items are properly located and built to specification:
- Framing (with 5/8” Type X Drywall as applicable)
- Platform
- Gas and electric
- Heat release
- Air intake (if applicable)
- Clear a path free of any possible obstruction to carry in the fireplace.
- Uncrate the fireplace and set in place.
- Make sure all zero-clearance metal stand-offs on the outside of the fireplace are fully extended.
- Secure the fireplace to the framing by attaching the nailing flanges to the framing. See “Securing the Fireplace” section below.
- Remove all zip ties.
- Connect the light grounding cable to an area on the fireplace closest to the .
- Install the vent components. See “Vent Installation” section below.
- Review the front wall requirements (see “Step-By-Step Chase Construction” section) and finishing details with the contractor.
- Protect the fireplace and components from damage.
Securing the Fireplace
The fireplace has three nailing flanges attached to the top of the front stand-off (highlighted in grey on “Nailing Flanges” image). The nailing flanges are to be attached into the framing upon installation. It is crucial to the finishing that the fireplace is stable, level, and plumb.
Optional for double glass fireplaces: For added stability re-use the shipping brackets to secure the legs of the fireplace to floor/platform.

Vent Installation
Venting must be installed according to the requirements detailed in the “Venting” section of this manual in conjunction with the vent system manufacturer’s installation instructions. Venting must be supported by the structural surrounding and not by the fireplace. Each offset (elbow) must be strapped to reduce movement or possible disconnection.
The first section of venting must be secured to the fireplace starter collar with a minimum of 3 sheet metal screws no longer than ½”. DO NOT use silicone to seal the sections. If sealing is required by the vent manufacturer or local code, use Mil-Pac sealant.
Third Trip to Site: Startup
- Perform a visual inspection to confirm that all work was completed correctly and per specification.
- Confirm that gas and electric are properly connected and live.
- Remove the safety barrier and glass and clean the inside of the fireplace.
- Install the Driftwood Logs on the burner as specified in “Log Placement” section.
- Confirm the log placement is set up per specification.
- Confirm the fireplace is operating properly.
- Check remote-control setup.
- Remove protective layer from glass.
- Clean glass.
- Reinstall the glass and safety barrier.
- Review operation of the fireplace and remote control with the owner.
- Set up return visit to clean glass after the Initial Burning Period (see “Post Installation” section below).
Post-Installation
Complete the following post-installation steps upon 4 th trip to site.
Initial Burning Period
There is a 12-hour minimum burning period following installation of the fireplace. This 12-hour period must include a minimum of 4 consecutive hours of continuous burning. During this time, the owner or installer may notice:
- The glass developing a white or “cloudy” film
- An unusual smell
Both the film and the smell are due to the paint on the fireplace metal heating and “burning off”. This is normal. The cloudiness and odor will disappear after the 12-hour period elapses and the installer returns to service the fireplace and complete startup.
Final Inspection Procedure
When the 12-hour burning period is complete, the installer must return and perform the final inspection, which includes:
- Cleaning the glass with a ceramic glass cleaner (otherwise the white film will remain)
- Checking the interior media setup
- Checking for gas leaks
- Adjusting the restrictor (if necessary)
- Performing an overall check to make sure that everything is working properly
When these activities are complete, initial startup is concluded and the fireplace may be operated by the owner.
Final Checks and User Instruction
Before releasing the fireplace to the customer for use without installer supervision, the installer must ensure that the fireplace is burning correctly. In addition, the installer must review and explain the following to the owner:
- Safety warnings
- Fireplace operation
- Warranty requirements
- Maintenance requirements
- Glass is hot during and after operation
- If any questions or concerns arise, owner must contact the local Ortal dealer/installer for support.
Building Around the Fireplace
Building Checklist
The following building checklist is a quick reference for a typical Ortal Wilderness Traditional Series installation. This list is not exhaustive and does not supplement thorough review of the installation manual.
- Fireplace Location: Ensure the location allows for min. 40” clearance from viewing area to furniture and other combustibles. Make sure a clear path is established to allow the fireplace to be safely transported to installation location.
- Venting: Confirm vent size (5”x8”), vent clearance (1” on sides and bottom, 3” on top), vent configuration, and termination location.
- Platform Height: Determine desired fireplace viewing area location on the wall. Average height of bottom of glass to the floor is 12”-24”. Platform must be able to bear the weight of the fireplace. Platform can be constructed out of wood, concrete, metal, or any other solid materials (not required to be non-combustible). A platform is not required. The fireplace may sit directly on the floor. The floor has the same construction requirements as a platform.
- Chase Construction: No materials can be attached directly to the fireplace (exception: 5/8” Type X Drywall). Chase interior must be large enough to accommodate fireplace with all metal stand-offs fully extended. The area of the chase interior must be min. 124 square inches at any given point within the chase.
- Framing: Adhere to minimum framing dimensions (or greater). Maintain min. ¼” clearance from front face of fireplace and front metal off-set to the framing. For recessed fireplaces, do not exceed 12” max. front overhang depth limit. No material is permitted to extend past the ½” metal lip surrounding the fireplace viewing area.
- 5/8” Type X Drywall Requirements: One layer of 5/8” Type X Drywall (or equivalent) must be installed on the exterior of the chase framing. 5/8” Type X Drywall (or equivalent) may be fastened to the front face of the fireplace with 1″ self-tapping drywall screws 16” on center a minimum of 2 ½” from the metal lip (above the viewing area).
- TV/Artwork: TV/Art must be min. 12” above top of fireplace viewing area.
- Gas Supply Line and Power Location: Locate gas line with manual shut off according to local code. Power provided by single gang 120V outlet in same area as gas line.
- Heat Release: Crucial for Cool Wall Technology. Must start within 6” (max.) from the chase’s ceiling. Min. heat release size is 124 sq.in. of net free air space. Height of the heat release must not exceed 1/3 of the width.
- Air Intake: Only required for double glass heat barrier. Must be located at or below level of double glass fans. Min. 124 sq.in. of net free air space.
- Finishing: Maintain required clearances depending on your finish material.
Framing
Fireplace chase may be framed with either combustible (typically wood studs) or non-combustible framing (typically metal studs).
The framing of the fireplace chase must be designed to carry the entire weight of the wall and finish material. Surrounding material must not transfer weight to the fireplace or be connected in any way to the fireplace, with the exception of 5/8” Type X Drywall (or its equivalent). It may be fastened to the front face of the fireplace with 1″ self-tapping drywall screws 16 inches on center, with a minimum of 2 ½ inches from the metal lip.
No material is permitted to extend past the ½” metal lip surrounding the fireplace viewing area. This area must be unobstructed to allow the heat barrier and inside glass panel to be removable.
Framing Dimensions
The following diagrams are for illustrative purposes only. There are multiple approved installation scenarios. A flush application is not the only permitted application. The fireplace may be recessed into the wall. Refer to diagrams and values below and in the following pages for details.
Wilderness Traditional Series Framing

NOTE: Framing dimensions are the same for combustible and non-combustible framing.
5/8” Type X Drywall Requirements
Framing must be covered with 5/8” Type X Drywall (or equivalent). The chase interior does not require a layer of 5/8” Type X Drywall (or equivalent). The chase interior does not require a non-combustible layer.
NOTE: 5/8” Type X Drywall (or equivalent) is not required on the exterior portion of an insulated outside-facing wall.

Platform
The fireplace must be installed on a flat, solid, continuous surface. Surface can be wood, concrete, metal, and other typical solid floor types. Surface material is not required to be non-combustible.
To raise the fireplace higher than standard height, build a platform to which the fireplace can be secured. Platform must be stable and able to bear the full weight of the fireplace. Platform can be constructed out of wood, concrete, metal, or any other solid materials. Material is not required to be non-combustible.
To lower the fireplace, it must be recessed into the floor. Fireplace legs on double glass fireplaces cannot be removed, cut, or
adjusted. Screen fireplaces sit directly on the floor without legs. Platform requirements apply to both screen and double glass fireplaces.
General Clearances
Non-Combustible Zone
Furniture and other combustibles are not permitted within the non-combustible zone. The non-combustible zone is an area that extends 40 inches perpendicular from the fireplace glass. Combustibles are permitted below and around the non-combustible zone

Clearance to a Side Wall
The following requirements apply to a wall perpendicular to the front glass of the fireplace.

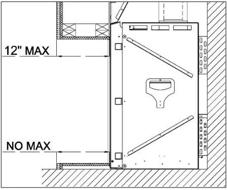
Maximum Overhang Depth
Overhang depth of a recessed fireplace must not exceed 12 inches. Overhang depth is measured from the edge of the fireplace lip to the out-most part of the wall (including finish material). Overhang framing and finish materials may be either non-combustible or combustible.
Bottom recess (or “hearth extension”) has no minimum or maximum depth requirement. If bottom recess depth exceeds 12 inches, ensure the structure is capable of supporting the weight of a fireplace technician for servicing.

Heat Release
A heat release is an opening in the fireplace chase that allows the heat inside the chase to passively circulate into an interior room. This heat is generated convectively as the fireplace heats up. It is separate from exhaust heat produced at the combustion chamber of the fireplace. A heat release is required to keep the wall around the fireplace cool.
Heat Release Requirements
- The heat release must be located at or near the top of the fireplace chase and start within 6 inches (0-6 inches max) of the chase ceiling (draft stop). It can start at the chase ceiling. It can be located on the front, sides or back of the chase. It can be released into any interior space that shares a wall with the chase.
- The heat release cannot be vented outdoors as this would expose the fireplace to outdoor elements.
- Minimum heat release size requirement depends on heat release orientation:

- For horizontal heat releases, the height of the heat release must not exceed 1/3 of the width. The heat release must be 2/3 wider than it is tall.
- The heat release can be in the form of (but not limited to) a louvered ventilation grille, gap, or reveal.
- For louvered ventilation grilles, the net free air space allowed in the louvered area must be equal or greater than the minimum number of square inches required per fireplace.
- The interior area of the narrowest part of the fireplace chase (in square inches) must never be less than your required heat release size (see “Chase Area Minimum” section for details).
The following diagrams are examples of potential heat release options. These drawings serve as illustrative purposes only.
Horizontal Heat Release

Vertical Heat Release: Split Front
The heat release is oriented vertically and split between the two sides of the chase.

Vertical Heat Release: Full Side
The heat release is oriented vertically. Entire heat release is on one side of the fireplace chase.

Sprinkler Clearance to Heat Release
In a situation where a sprinkler head is near the heat release, the sprinkler head must be minimum 60 inches (linear length) from every point of the heat release opening.

Air Intake
When installing a fireplace with a double glass heat barrier, it is essential to maintain cool air flow between the double glass panels. For this purpose, an opening must be provided toward the bottom of the wall to allow the double glass fans to circulate room air through the glass panels and up into the chase. This opening, called an air intake, needs to be made before closing the wall surface below the fireplace. Air intake must meet the minimum size requirement.
Air Intake
Minimum 124 sq. in. of net free air space
The air intake can be in the form of a louvered ventilation grille, gap, or toe-kick (reveal). For louvered ventilation grilles, the net free air space allowed in the louvered area must be equal or greater than the minimum number of square inches required per fireplace.
The entire air intake must be located at or below the double glass fans. The air intake is not required to be on the front wall of the fireplace. The air intake cannot be on a wall that allows air from outside the house directly into the fireplace chase.

Air Intake for a Platform

NOTE: Please refer to the “Platform” section for details on platform construction.
Mounting a TV/Artwork
Ortal’s Cool Wall Technology is a technique that reduces the convective heat from the fireplace and prevents heat buildup inside the fireplace chase, mitigating any damage that may result from the wall reaching high temperatures. Ortal’s Cool Wall system enables the option of safely installing artwork, a TV, or other similar electronic components above the fireplace by reducing the wall temperature above the fireplace.

Required minimum clearance between bottom edge of TV or other similar device or artwork and top of fireplace viewing area is 12 inches.
Maintain the following general requirements to mount a TV or artwork above the fireplace and prevent heat damage:
- Mount the TV or artwork a minimum of 12 inches above the top of the fireplace viewing area.
- TV wires must be routed through framing and cannot pass through the fireplace chase.
The decision to install a television above an Ortal fireplace is up to the discretion of the owner. TV and art manufacturers may specify that their product should not be installed on, near or above a heat source. Ortal will not be held liable for any adverse effects on a TV, artwork or other equipment located near the Ortal fireplace. It is the owner’s responsibility to verify that their TV or artwork can withstand the wall temperatures as outlined in the above wall temperature chart.
The following diagrams can be used as a guide for customers who do decide to locate their TV and artwork above their Ortal fireplace. These drawings illustrate ways of reducing the amount of heat impact to the area surrounding the fireplace.
Flush Mounted TV/Artwork

Recessed TV/Artwork

Chase Area Minimum
To ensure the convective heat within the chase passively moves to the heat release at an optimal rate, all parts of the interior of the chase must be minimum 124 sq. in. in size at any given point. To determine if your chase meets this requirement, use the following equation at the narrowest part of the chase.

If the heat release is split into 25/75 portions due to an oversized ledge, the chase only needs to be the size of 75% of the heat release because 25% of the heat is already being released at the ledge (see “Ledge Detail” section below for details).
Recessed Ledge Detail
A ledge over the top of a fireplace that is less than 24 inches from the top of the fireplace viewing area must maintain a minimum of 12 inches from the top of the viewing area to the bottom of the building material . Entire structure must be non-combustible (framing and finish).
If ledge surface area exceeds 220 sq.in ., the heat release must be divided up between the ledge and the chase ceiling: 25% at the ledge and 75% at the chase ceiling.

NOTES:
- Top portion of the top front stand-off must be removed. See “Recessed TV/Artwork” section for details.
- Chase area minimum requirements must be met throughout the entire fireplace chase. See “Chase Area Minimum” section above for details.
Structural Weight Support
The fireplace must not carry any structural weight. The framing must be supported by another surface. Consult with the project structural engineer and refer to your local building codes for proper wall support.
The following drawing shows a recommended approach to this type of installation. Please note that these drawings are not to scale. All fireplace drawings with correct dimensions are available on the Ortal website.

Step-by-Step Chase Construction
The following checklist is a simplified overview of typical chase construction for an Ortal Wilderness Traditional Series installation. This list is not exhaustive and does not supplement thorough review of the installation manual.
Step 1
BUILD BACK AND SIDE WALLS
- Frame the back and side walls according to framing requirements.
- Build the platform (if necessary) to the desired height and install inside fireplace chase.
- Platform must be stable and able to bear the full weight of the fireplace. Platform can be constructed out of wood, concrete, metal, or any other solid materials. Material is not required to be non-combustible.
Step 2
INSTALL FIREPLACE AND VENTING, RUN GAS AND ELECTRICAL
- Install the fireplace and venting. This must be completed by an authorized Ortal dealer (unless otherwise authorized by Ortal with written approval).
- Run gas and electric to the gas/electrical compartment on the left side of the fireplace.
Step 3
BUILD FRONT WALL
- Install front chase wall:
- Build front wall according to framing requirements.
- Stand up the front wall and move into place.
- Secure front wall to the rest of the chase structure.
- Cover the exterior of each wall (sides and front, and back if applicable depending on your design) with 5/8” Type X Drywall (or equivalent).
NOTE: 5/8” Type X Drywall (or equivalent) is not required on the exterior portion of an insulated outside-facing wall. - Check to make sure constructed chase meets heat release and air intake (if applicable) requirements.
Step 4
APPLY FINISHES
- Apply finishes and install accessories, following all clearances and building requirements.
- Ensure furniture and other combustible materials maintain a minimum 40 inches of clearance directly in front of the fireplace viewing area
Finishing
The following diagrams show various finish applications and are for illustration purposes only.
NOTE: Finish requirements do not vary between fireplaces with a screen or double glass heat barrier. Diagrams below alternate depicting each heat barrier. This is for illustrative purposes only and does not mean a specific heat barrier is required for that application.
Non-Combustible Finish
Flush Installation

FINISH MATERIAL NOTES:
- Only 5/8” Type X Drywall or equivalent material is permitted to touch the fireplace.
- 5/8” DensGlass® Fireguard® Sheathing is an approved 5/8” Type X Drywall equivalent. This may be necessary for use with heavier finishes.
- For manufactured stone products, a minimum 2-inch recess is recommended. Consult with the stone manufacturer for clearance requirements. Natural stone finishes do not require a recessed application and may be flush with the fireplace.
NOTE: A fireplace with a screen heat barrier and platform are shown for illustrative purposes only. These features are not a required part of the finish detail.
Recessed Installation

The finish must maintain at least a 1/8” clearance between the finish and the front face of the fireplace.
FINISH MATERIAL NOTES:
- Only 5/8” Type X Drywall or equivalent material is permitted to touch the fireplace.
- 5/8” DensGlass® Fireguard® Sheathing is an approved 5/8” Type X Drywall equivalent. This may be necessary for use with heavier finishes.
- For manufactured stone products, a minimum 2-inch recess is recommended. Consult with the stone manufacturer for clearance requirements.
NOTE: A fireplace with a screen heat barrier and platform are shown for illustrative purposes only. These features are not a required part of the finish detail.
Combustible Finish
Flush Installation

NOTE: A fireplace with a screen heat barrier and platform are shown for illustrative purposes only. These features are not a required part of the finish detail.
Recessed Installation

NOTE: A fireplace with a screen heat barrier is shown for illustrative purposes only. This feature is not a required part
of the finish detail.
Combustible Floor/Hearth Extension

WARNING: Wood floor/hearth extension may dry out, crack, warp or become discolored over time. Consult with floor manufacturer for required clearances to a heat source.
NOTE: A fireplace with a double glass heat barrier (and accompanying air intake) is shown for illustrative purposes only. This feature is not a required part of the finish detail.
Venting
General Venting Requirements
The fireplace operates using a direct vent system and require a co-axial direct vent pipe. The fireplace must be properly connected to an approved vent system. Venting is not provided with the fireplace and must be sourced from one of the approved vent manufacturers mentioned in the table below. Proper installation, use, and maintenance of venting is determined by and can be acquired from the vent manufacturer.

Power Vent: a fan-assisted direct vent system that boosts airflow for vent configurations with too much constriction. Review “Vent Configuration Diagrams” section to determine if your fireplace needs a power vent.
NOTE: See the Ortal Power Vent Manual for more details on power venting.
WARNING: Do not combine vent components from different vent manufacturers. Please follow the manufacturer’s instructions for vent system installation.
Vent Installation
Venting must be installed to meet the requirements as detailed in the following sections in conjunction with the vent system manufacturer’s installation instructions. Venting must be supported by the structural surrounding and not by the fireplace. Each offset (elbow) must be strapped to reduce movement or possible disconnection.
The first section of venting must be secured to the fireplace starter collar with a minimum of 3 sheet metal screws no longer than ½”. DO NOT use silicone to seal the sections. If sealing is required by the vent manufacturer or local code, use Mil-Pac sealant.
WARNING: Do not combine vent components from different vent manufacturers. Please follow the manufacturer’s instructions for vent system installation.
Vent Clearances
The following clearances apply to the vent system regardless of vent manufacturer.

Offset Maximum
Up to 180˚ of offset (elbows) can be used in the vent configuration. If the vent configuration exceeds this maximum, consider an Ortal Power Vent System, which can allow for up to 540˚ of offset. See the Ortal Power Vent Manual for details.
Offset Maximum Exception
Two 45˚ offsets may be used directly on the fireplace with up to a 12” section between them. The minimum vertical rise starts above them. They do not count in the offset total.
NOTE: If the initial vertical vent rise off the top of the fireplace does not meet the V minimum, consider an Ortal Power
Vent System, which can allow for any initial vertical rise amount. See the Ortal Power Vent Manual for details.
Vent Configuration Diagrams
The following sections provide information for calculating vent configuration distances. For vent configurations that exceed these maximums, consider Ortal’s Power Vent System. See the Ortal Power Vent Manual for details.
NOTE: It is not required to maintain ¼” of rise per foot of venting.
Horizontal Termination Venting Diagram
Use this diagram and tables below to calculate distances for vent configurations that terminate horizontally.
V minimum = 3 feet.

Vertical Termination Venting Diagram
Use this diagram and tables below to calculate distances for vent configurations that jog and terminate vertically.
V1 minimum = 3 feet. V = V1 + V2

Vertical Termination Venting Diagram
Use this diagram and tables below to calculate distances for vent configurations vent and terminate vertically.
V minimum = 3 feet.

Vent Restrictor Sizing Guidelines
SCENARIO A
The vent configuration has two vertical 45˚offsets. No additional length for the (H) calculation for the restrictor plate size is needed.
For example:
Total height of duct work = 6 feet (V)
Length between the center of the two 45˚ elbows = (B) = 3 feet
The (H) calculation is (H) = (B) so the restrictor plate size is 50mm, per the table.

SCENARIO B
The vent configuration has two 90˚ offsets. An additional 6 feet must be added to the (H) calculation for the restrictor plate size.
For example:
Total height of duct work = 18 feet (V)
Length between the center of two 90˚ elbows = (B) = 21 feet
The (H) calculation to be used in the restrictor table is (H) = (B) +6 feet, so the (H) length is 27 feet.
Per the table, the restrictor plate is 0. No restrictor is required.

SCENARIO C
The vent configuration has one 90˚ offset. The first 90˚ offset is not taken into calculation of the (H) length for the restrictor plate size.
For example:
Total height of duct work = 15 feet (V)
Length between the center of the 90˚ elbow and wall termination cap = (B) = 11 feet
The (H) calculation is (H) = (B) = 11. Therefore, the restrictor plate size is 30mm, per the table.
The value of 11 does not appear on the x scale of the table. The choices are then 9 and 12. Always choose the next higher value, which is also the smaller restrictor if there is a difference between the values provided.

SCENARIO D
The vent configuration is straight vertical (no 45˚ or 90˚ offsets).
For example:
Total height of duct work = 24 feet (V)
The (H) calculation is = 0. Therefore, the restrictor plate size is 50mm.

Restrictors and Vent Arrangement
The information in this section will help you calculate the correct restrictor selection for your vent configuration. The table below show the restrictor required for a specific rise to run vent configuration. Any venting pathway that does not appear in the tables requires approval from the manufacturer.
The table below applies to both Natural Gas and Propane. This table represents manufacturer’s guidelines. Environment, gas type and other factors may affect the best restrictor choice.
How to use the “Recommended Restrictor” table:
- Find the total vertical rise in your vent configuration along the y-axis.
- Find the horizontal run in your vent configuration along the x-axis.
- Follow the rise and run values on the chart until they meet. This is the recommended size restrictor for your vent configuration.
Legend:
X: Vent configuration is not allowed.
0: No restrictor required.
Numbers other than 0: The number (in inches) represents the recommended restrictor (by width).

NOTE: Available Restrictor Sizes:
- 20mm (0.79”)
- 30mm (1.18”)
- 40mm (1.57”)
- 50mm (1.97”)
- 60mm (2.36”)
- 80mm (3.15”)
Vent Termination
Horizontal Termination Clearance Diagram

CAUTION NOTE: If exterior walls are finished with vinyl siding, it is required that a vinyl protector kit be installed.
Vertical Termination Clearance Diagram

NOTE: This chart does not apply to a chimney shroud application. See the “Chimney Shroud” section on the next page for more information.
Chimney Shroud
Keep a minimum 6-inch clearance around the diameter of the cap’s side edge and extending above and below the cap.

Co-Axial to Co-Linear Conversion
This section explains how the fireplace can be inserted into an existing solid fuel burning fireplace chimney by converting the co-axial venting to co-linear.
IMPORTANT NOTES:
- The fireplace must be vented vertically to the outside and must use one of the approved co-linear flexible ducting systems or a co-axial flexible ducting system.
- Air intake (as applicable) and heat release is still required per installation guidelines (even when venting through a chimney). All other building requirements still apply.
- Restrictor use is not required when using co-linear venting.
WARNINGS:
- If the vent system of this appliance is disconnected for any reason, the vent and air intake systems must be properly reassembled and resealed before this appliance is put into use.
- Proper installation of the vent system, as required in this manual, is vital to the performance of this appliance. Oversights or failure to conform to all installation requirements will void the applicable warranty.
- This appliance must be properly connected to a venting system in accordance with the Ortal’s installation instructions. Operation of this appliance when not connected to a properly installed and maintained venting system can result in carbon monoxide (CO) poisoning and possibly death.
- Co-linear flexible aluminum venting must be professionally inspected periodically for corrosion and damage and replaced when necessary. If the installation does not allow for future inspection or replacement of the flexible aluminum venting, then stainless steel vent liners should be used.
- Co-linear portion of vent system may only be installed within a solid-fuel burning fireplace and chimney.
- The appliance must not be connected to a chimney flue serving a separate solid-fuel burning appliance.
The plan to install a gas fireplace inside an existing solid fuel burning fireplace chimney must include inspection and cleaning of the fireplace cavity and the entire chimney system. The chimney top, especially masonry chimneys and wood framed chimney tops must be inspected, and the top surface must be repaired or replaced, if necessary. Unlined chimney flues are the most vulnerable to mortar corrosion and damage. These flues must be inspected, and repair must be done before dropping the flex vent liner for this Insert
If you encounter a badly deteriorated or completely damaged firebox, do not proceed. These damaged structures must be reviewed by structural Engineers and Local Building Code officials must approve the repair work prior to this Insert being installed in such a damaged cavity.

*BDM component part numbers are offered as a suggestion. Components from the following companies may also be used: Duravent, Olympia, ICC, and Selkirk.
Example of Co-axial to Co-linear Appliance Adapters (BDM)

Example of Co-linear Terminal (BDM)

Vent Configuration
- Minimum Vertical Rise: 10 feet (see diagram below)
- Maximum Vertical Rise: 40 feet (see diagram below)
- Offsets: Two 45˚ offsets may be used directly on the fireplace with up to a 6-foot section between them. The minimum vertical rise starts above them (see diagram below). No other offsets are permitted in the vent configuration. Offsets are not required to have.

Vent Maintenance
Regular inspection of the vent system by a qualified service technician is recommended every six months. The following maintenance routing is recommended:
- Inspect for excessive condensation, e.g., water droplets forming in the inner lining, and subsequently dripping from the joints. This can cause corrosion in the system.
- Check for corrosion in areas exposed to the elements. Components with rust spots or holes must be immediately replaced.
- Ensure that there is no foreign material in the vents. Survey by removing the cap and shining a light down the vent.
- If possible, check all vent joints to make sure nothing has been disturbed or loosened.
Gas
The fireplaces are approved for use with natural gas (NG) or propane (LP) only. No other fuel types are permitted.
Gas Pressures

NOTE: It can take up to 20 minutes for the flames to turn yellow.
Routing the Gas Line
The gas and electrical components are located in the gas/electrical compartment on the left side on the outside of the fireplace. This compartment houses the gas valve, a single-gang outlet, and the electrical receiver. Correctly size and route the gas supply line from the supply regulator to the top left opening of this compartment, as per the requirements outlined in the latest edition of the National Fuel Gas Code, NFPA 54 (USA) or CAN/CSA-B1491 (Canada).

A gas shut-off valve and a 12” gas flex connector are provided with every fireplace. The location of the gas shut-off valve is dependent on local codes and requirements. Check with your authority having jurisdiction for more information.
WARNING: The main gas valve must be installed to allow complete disconnection of the fireplace from the gas supply piping system for servicing purposes.
Access Panel
It is unnecessary to provide an access panel in the fireplace chase (see note below for exception).
Components are accessed through the fireplace via a built-in access panel on the inner left side of the fireplace.
IMPORTANT NOTE: An access panel at the fireplace chase is required for fireplaces with a power vent to allow access to the power vent control box for servicing.

Gas Conversion
Gas conversion (NG to LP or LP to NG) can be done in the field. Gas conversion must be performed only by technicians who have specific authorization by Ortal to change these components. The conversion kit must be supplied by Ortal. Using parts from other manufacturers or having an unauthorized party performing the conversion will void your fireplace’s warranty. Conversion instructions are supplied with the conversion kit.
High Altitude Requirements
For elevations above 2,000 feet, fireplace shall be re-rated 4% for each 1,000 feet above sea level.
Gas and Electrical Components
Assemblies and components are listed and described in the tables following the figure.

The manufacturer of Ortal’s gas and electrical components is Mertik Maxitrol. For information on these components, please visit the manufacturer’s website: www.mertikmaxitrol.com
Electrical
WARNING: Electrical work should be performed by a qualified licensed electrician, per local code.
WARNING: Disconnect the power supply before servicing any electrical components.
WARNING: Use of an AC Adapter other than the one provided with the fireplace (manufactured by Mertik Maxitrol) may render the system inoperable.
NOTE: Any device that functions using the same radio frequency as the handset will be affected when remote-controlled
handset is in use.
Electrical Requirements
The fireplace is supplied with a 120V AC Adapter to connect the fireplace electrical receiver unit to a single gang outlet (120V, 15 amp, 60Hz). AC Adapter is required for operation.
The electrical components are located in the gas/electrical compartment on the left side on the outside of the fireplace. This compartment houses a single-gang outlet and the electrical receiver. AC Adapter must be connected to the electrical receiver and plugged in to the outlet.

Pairing the Remote and Receiver
To set up the remote-control device to operate the fireplace, follow the following guidelines to pair the remote and receiver unit on the same radio frequency.
- Press and hold the receiver’s reset button until you hear two beeps. The first beep is short, and the second beep is long. After the second beep, release the reset button.

- Within the subsequent 20 seconds, press the following button depending on the mode of operation:
- 10-Button Handset: Press the
button. “CONN” and a running number from 1 to 8 will appear on the handset display confirming that the synchronization and data exchange are in process. - Wall Switch: Use the 10-button handset to synch with the receiver. Once the remote and receiver are paired, the wall switch will function normally.
- myFire App: Use the 10-button handset to synch with the receiver. Once the remote and receiver are paired, the App will function normally.
- 10-Button Handset: Press the
- You will hear two short beeps confirming the connection.
NOTES:
- If you hear one long beep, this indicates the connection has failed or the wiring is incorrect.
- The connection between remote and receiver only needs to be made once and is not required after changing the batteries in the remote.
Wiring Diagrams
The following diagrams show the electrical wiring required for different feature combinations.
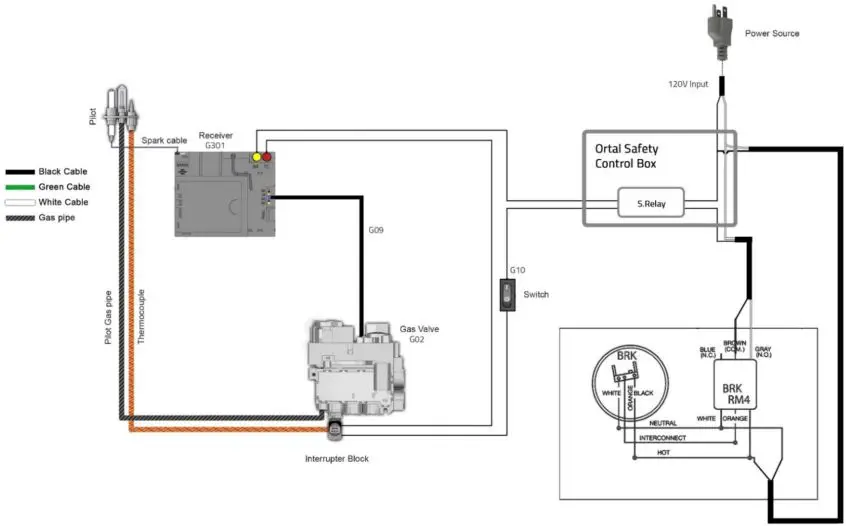
Wiring Diagram: Screen Fireplace with Interior Lighting

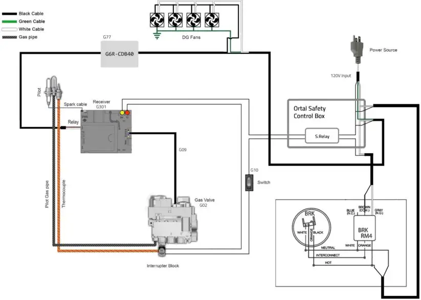
Wiring Diagram: Screen Fireplace with Interior Lighting and Ortal Power Vent

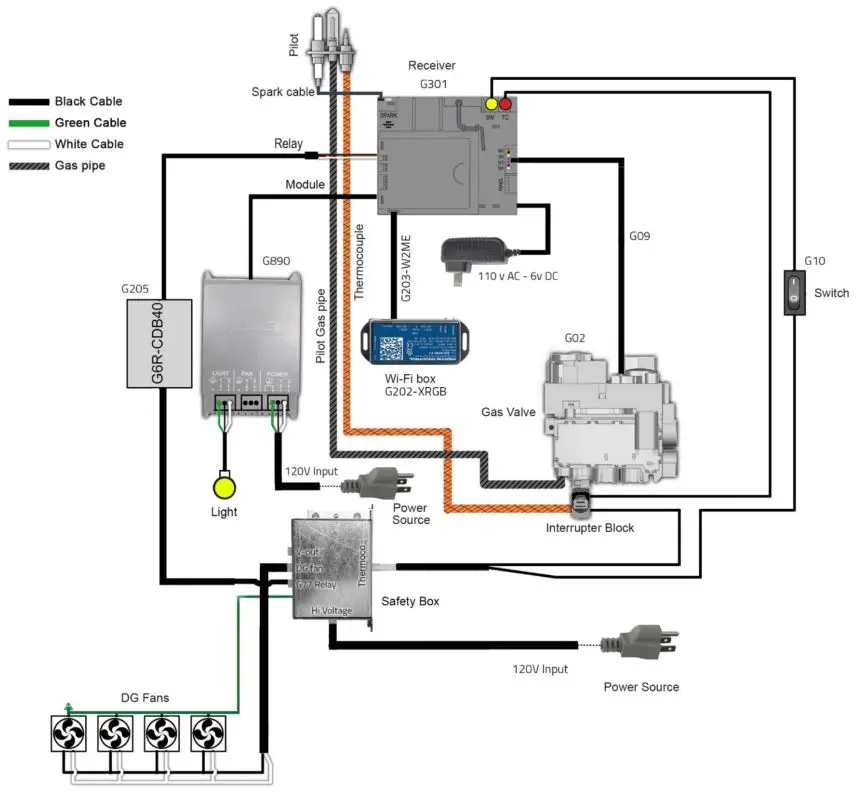
Wiring Diagram: Double Glass Fireplace with Interior Lighting

Wiring Diagram: Double Glass Fireplace with Interior Lighting and Ortal Power Vent

Carbon Monoxide Detector Wiring Diagrams
CO Kit Wiring Diagram: Screen Fireplace

CO Kit Wiring Diagram: Double Glass Fireplace

Smart Home Wiring Diagram
Use the following wiring diagram to connect fireplace control a hardwired smart home system.
Contacts Options/Operation
Ignition: Close contact 1 and 3 simultaneously for 1 second. Fireplace automatically goes to high after ignition.
Up Flame: Close contact 1. The contact needs to be closed for 12 seconds to turn the motor from end-stop to end-stop.
Down Flame: Close contact 3. The contact needs to be closed for 12 seconds to turn the motor from end-stop to end-stop.
Off: Close contacts 1, 2, and 3 simultaneously for 1 second.

Mode of Operation: The external source provides ON and OFF operation only. The Timer/Thermostat handset provides all other functions.
NOTICE: The Timer/Thermostat handset in Thermostatic Model controls the room temperature even if the fire is turned on by the external source. If the handset is in Manual Mode, the fire will go to High Fire in the next cycle of external operation.
NOTE: This wiring diagram is for hardwired smart home systems only and will not connect the fireplace to a wireless system.
Driftwood Log Set
Log placement of the Driftwood Log Set is crucial for optimal fireplace operation and safety purposes. Logs must be arranged as depicted in this manual. No other arrangement is permitted. No other interior design media options are permitted for the Wilderness Traditional Series fireplaces.
Log placement directions are detailed in the following sections.

WARNING: Only media provided by Ortal is permitted for use in the fireplace.
WARNINGS: INSTALLING AND HANDLING MEDIA
- Log media is fragile, handle with care.
- DO NOT install the interior design media until fireplace installation is complete, the gas line is connected and tested for leaks, and initial burner operation has been inspected and approved.
- Media materials get very hot and will remain hot up to one hour after gas supply is turned off. Handle media only when
materials are cool. - If media is not installed according to the installation instructions, flame impingement and improper combustion may occur and result in soot and/or excessive production of carbon monoxide (CO). Carbon monoxide is a toxic, colorless, and odorless gas.
WARNING: The fireplace is not designed to burn real wood. Any attempt to do so could cause irreparable damage to
the fireplace and may result in property damage, personal injury and/or loss of life.
NOTES:
- Log sets for NG and LP have different SKUs. Please consult the price list to ensure you have the correct SKU.
- LP logs do not contain nickel strands inside the logs. NG logs do contain nickel strands.
Log Placement for Traditional 36
Logs must be arranged as detailed in the following pages. Alternative log arrangement will affect fireplace safety, operation, and performance. Handle logs gently to avoid paint damage.
Log placement directions vary depending on gas type. Follow correct directions carefully.
STEP 1
Use your fingers to separate the nickel strands (supplied 2×20” long) as shown in the pictures, about 1½” wide.

STEP 2
Place nickel strands on top of the burner holes.


Arrange logs as shown in the following pictures.
STEP 3

STEP 4

The base of log #3 can be adjusted to fit the position shown in the picture above. (See “Log Base position Adjustment” section for details).
STEP 5

STEP 6

The base of log #5 can be adjusted to fit the position shown in the picture above. (See “Log Base position Adjustment” section for details).
STEP 7

STEP 8

The base of log #7 can be adjusted to fit the position shown in the picture below (see “Log Base Position Adjustment” section for details).
STEP 9

STEP 10


Log Placement for Traditional 42
Logs must be arranged as detailed in the following pages. Alternative log arrangement will affect fireplace safety, operation, and performance. Handle logs gently to avoid paint damage.
Log placement directions vary depending on gas type. Follow correct directions carefully.
STEP 1
Use your fingers to separate the nickel strands (supplied 2×20” long) as shown in the pictures, about 1½” wide.

STEP 2
Place nickel strands on top of the burner holes.

Arrange logs as shown in the following pictures.
STEP 3

STEP 4

STEP 5

The base of log #4 can be adjusted to fit the position shown in the picture above (see “Log Base Position Adjustment” section for details).
STEP 6

STEP 7
The base of log #6 can be adjusted to fit the position shown in the picture below (see “Log Base Position Adjustment” section for details).
STEP 8

The base of log #7 can be adjusted to fit the position shown in the picture below (see “Log Base Position Adjustment” section for details).
STEP 9

STEP 10

Log Base Position Adjustment


Adjustment Instructions
NOTE: The following images are for illustrative purposes only.



Log Base Aeration

Operation
WARNING – Read these instructions carefully before lighting the fireplace.
IMPORTANT NOTES:
- Wiring of valve and receiver must be completed before starting ignition. Failure to do so could damage the electronics.
- If operating the fireplace without an AC adapter, battery replacement is recommended at the beginning of each heating season.
- Fireplaces with double glass, power vent, and/or interior lighting features must operate using the AC Adapter and therefore will not operate during a power failure.
- Only the Mertik Maxitrol AC Adapter (or one pre-approved by Mertik Maxitrol) is permitted for use with the fireplace. Use of other adapter brands can render the system inoperable. The handsets, receivers, wall switches are not interchangeable with other electronics.
- Batteries must be kept within their recommended temperature limits (32°F to 131°F).

NOTE: Any device that functions using the same radio frequency as the handset will be affected when handset is in use.
Operating Instructions
Instructions for operating the 10-Button Handset are shown below. For more in-depth instructions, please refer to the “Homeowner’s Fireplace Operation Manual” or “Remote Operation Instructions”.
NOTE: Some options on the remote may not be available for all fireplaces.
Turning the Fireplace On

- Press the Power button until you hear continuous beeping, and a blinking series of lines confirms the start sequence has begun; release buttons.
- Main gas flows once pilot ignition is confirmed.
- The system automatically goes into Manual Mode after main burner ignition.
NOTE: When pilot ignition is confirmed, motor turns automatically to maximum flame height.
NOTE: If the Timer function has been set and the fireplace is manually turned on, the Timer function will need to be reset.
Turning the Fireplace Off

Press the Power button to turn the fireplace off.
NOTE: The fireplace may be turned on again after the OFF icon stops flashing.
Flame Height Adjustment

- To increase flame height, press and hold the Up button to desired flame height.
- To decrease flame height, or to set fireplace to pilot flame only, press and hold the Down button.
Wall Switch

Operating Instructions
Turning the Fireplace On/Off

ON: Press and hold the ON-OFF button until two short beeps confirms the start sequence has begun; release button.
OFF: Press the ON-OFF button.
Flame Height Adjustment

INCREASE: To increase flame height, press and hold
(up flame) button.
DECREASE: To decrease flame height, press and hold
(down flame) button. Holding the (down flame) button long enough sets the fireplace to pilot flame (Standby Mode).
myFire App

IMPORTANT: For safety/communication purposes, the 10-button handset must be located within 26 feet of the receiver.
NOTES:
- For detailed App setup and operating instructions, refer to www.myfireapp.com.
- The myFire Wi-Fi box is required for myFire operation.
myFire Wi-Fi Box
The myFire Wi-Fi router box provides the Wi-Fi connection that allows the myFire App to operate the fireplace.

Fireplace Maintenance
General Maintenance
All servicing, maintenance, interior cleaning and handling of the fireplace, parts and glass must be performed by an authorized Ortal dealer service technician only.
Servicing
- Turn off the gas and electricity BEFORE servicing the fireplace.
- It is recommended that a routine inspection is performed at the beginning of each heating season.
Burner and Vent Inspections
- Periodic checks should be made of the burner for correct position and condition. Visually check the flame of the burner, making sure that the flames are steady.
- The vent system must be inspected before use. Annual inspection must be scheduled to ensure the flow of combustion and ventilation air.
Submerged Parts
Do not use the fireplace if any part has been under water, or if you suspect that it may have been under water. The Ortal dealer service technician must inspect and, if necessary, replace any parts of the control system and any gas controls which have been under water.
Handling the Glass
Inner glass panel is 5mm ceramic glass. Exterior double glass panel is 3/16” tempered glass. Tempered glass can be sourced locally if replacement becomes necessary. Ceramic glass must be provided by Ortal.
- NEVER operate the fireplace without the glass properly securely in place.
- The glass must be removed ONLY by an authorized Ortal dealer service technician.
- The Ortal dealer service technician should ONLY remove the glass with the suction cup supplied by the manufacturer. Lower the glass to rest in a safe place to prevent damage to the glass edges.
Cleaning the Fireplace
- Only an Ortal dealer service technician can open the fireplace to clean interior surfaces.
- ALWAYS turn off the gas valve before cleaning.
- Do NOT clean when hot. Make sure fireplace has had time to cool prior to cleaning any surface or component, interior or exterior.
- Keep the fireplace clean by brushing and/or vacuuming at least once a year. This can only be performed by an Ortal dealer service technician.
- Clean the glass when it starts to look cloudy. Use a damp cloth for cleaning the fireplace and the door.
- Verify correct operation after servicing.
Maintenance Frequency and Equipment Checklist
- Under normal circumstances, the factory recommendation is to have the fireplace serviced at least once a year. Fireplaces meeting the following conditions should have more frequent service:
- Fireplaces installed in commercial/public spaces should be serviced every 3 months.
- Fireplaces installed in climates near the ocean or in other settings where corrosion buildup is more likely should be serviced every 6 months.
- Thermocouple Maintenance:
- The thermocouple should be replaced annually or as needed in all commercial installations, and in any residential fireplace where the fireplace is operated for an average of 10 hours or more per day.
- For all other installations, the thermocouple should be replaced every three years or as needed.
Troubleshooting
Problem: The flame does not look yellow and consistent after 30 minutes of burn time.
Solution:
- Make sure the media setup is correct as required in this manual.
- If still a blue flame is received after half an hour of operating, the air inlet should be reduced (see “Log Base Aeration” section).
- If the flame is transparent and not continuous (“ghost flame”), the air inlet should be increased (see “Log Base Aeration” section).
Problem: Fire is coming from the aeration opening.
Solution:
- Remove the relevant log and make sure nothing blocks the gas pipe inside the log and air can flow freely from the log openings.
- Make sure nothing blocks the log base gas pipe. (No foreign objects stuck inside the pipe
© Ortal 2020
Version 1, December 2020
SKU: KPMANWILDTRV1
Ortal USA
8421 Canoga Ave Canoga Park, CA 91304
T: (818) 238-7000 | F: (818) 678-0541
[email protected] | www.ortalheat.com
Ortal Wilderness Traditional 36/42 Fireplace User Manual – Optimized PDF
Ortal Wilderness Traditional 36/42 Fireplace User Manual – Original PDF











![Ortech Fireplaces User Manual [ledfp-3-43, Ledfp-3-50 & Ledfp-3-60] Ortech Fireplaces User Manual [ledfp-3-43, Ledfp-3-50 & Ledfp-3-60]](https://static-data1.manualsee.com/1/img/117/67826/2021/02/1590697842ledfp-3-43_50_60.jpg)






