OPERATING INSTRUCTION MANUAL
Faber e-SliM Linear Fire
Models: OLF46-EU, OLF66-EU, OLF86-EU
OLF46-EU e-SliM Linear Fireplace
This product is only suitable for well insulated rooms or occasional use.
This product complies with all the required Product Safety, Electromagnetic Compatibility and Environmental Standards. This product is fully compliant with the LVD, EMC, RoHS and Eco Design Directives.
08/54946/0 ISSUE E OCN —
Welcome
Thank you and congratulations for choosing to purchase a Faber e-SliM Linear replace.
Please carefully read and save these instructions.
WARNING: Read all instructions and warnings carefully before starting installation. Failure to follow these instructions may result in a possible electric shock, re hazard and will void the warranty.
Please record your model and serial numbers for future reference. Model and serial numbers can
be found on the label located at the top right corner inside the replace.
Model ………………………………………
MOD………………………………………….
Serial Number…………………………

IMPORTANT INSTRUCTIONS
CAUTION: Please read this information guide carefully to be able to safely install, use and maintain your product.
Important Safety Advice
When using electrical appliances, basic precautions should always be followed to reduce the risk of re, electrical shock and injury to persons, including the following:
If the appliance is damaged, check with the supplier before installation and operation.
- Do not use outdoors.
- Do not use in the immediate surroundings of a bath, shower or swimming pool.
- Do not locate the appliance immediately below a xed socket outlet or connection box.
- Do not use this heater if it has been dropped.
- Do not use if there are visible signs of damage to the heater.
- Use this heater on a horizontal and stable surface.
Children of less than 3 years should be kept away unless continuously supervised. Children aged from 3 years and less than 8 years shall only switch on/of The appliance provided that it has been placed or installed in its intended normal operating position and they have been given supervision or instruction concerning use of the appliance in a safe way and understand the hazards involved. Children aged from 3 years and less than 8 years shall not plug in, regulate and clean the appliance or perform user maintenance.
This appliance can be used by children aged from 8 years and above and persons with reduced physical, sensory or mental capabilities or lack of experience and knowledge if they have been given supervision or instruction concerning use of the appliance in a safe way and understand the hazards involved. Children shall not play with the appliance. Cleaning and user maintenance shall not be made by children without supervision.
CAUTION: In order to avoid a hazard due to inadvertent resetting of the thermal cut-out, this appliance must not be supplied through an external switching device, such as a timer, or connected to a circuit that is regularly switched on and or by the utility.
Ensure that furniture, curtains or other combustible material are positioned no closer than 1 meter from the appliance.
In the event of a fault disconnect the appliance.
A means for disconnection must be incorporated in the axed wiring in accordance with the wiring rules.
This appliance must be earthed.
CAUTION: Some parts of this product can become very hot and cause burns. Particular attention has to be given where children and vulnerable people are present.
WARNING: Risk of re – We do not recommend the use of this appliance connected through an extension lead or any external switching device such as a plug in timer or remote control plug in adaptor. All heating appliances draw high current through the mains supply and any weakness in the design, connections or components in these devices can easily result in overheating of the connection points resulting in melting, distortion and even the risk of re!
WARNING: In order to avoid overheating, do not cover the appliance. Do not place material or garments on the appliance, or obstruct the circulation around the appliance.
WARNING: Do not use this heater in small rooms when they are occupied by persons not capable of leaving the room on their own, unless constant supervision is provided.
The appliance carries a DO NOT COVER warning symbol
.
WARNING: KEEP BATTERIES OUT OF REACH OF CHILDREN
- Swallowing may lead to serious injury in as little as 2 hours or death, due to chemical burns and potential perforation of the oesophagus.
- If you think batteries might have been swallowed or placed inside any part of the body seek immediate medical attention
- Examine devices and make sure the battery compartment is correctly secured, e.g. that the screw or other mechanical fastener is tightened. Do not use if the compartment is not secure.
- Dispose of used button batteries immediately and safely. Flat batteries can still be dangerous.
WARNING
KEEP OUT OF REACH OF CHILDREN Swallowing can lead to chemical burns, perforation of soft tissue, and death. Severe burns can occur within 2 hours of ingestion. Seek medical attention immediately.
![]()
CAUTION: No obvious symptoms
Unfortunately, it is not obvious when a button or coin battery is stuck in a child’s esophagus (food pipe).
There are no specie symptoms associated with this. The child might:
- cough, gag or drool a lot;
- appear to have a stomach upset or a virus;
- be sick;
- point to their throat or stomach;
- have a pain in their abdomen, chest or throat;
- be tired or lethargic;
- be quieter or more clingy than usual or otherwise “not themselves”;
- lose their appetite or have a reduced appetite; and
- does not want to eat solid food/be unable to eat solid food.
These sorts of symptoms vary or actuate, with the pain increasing and then subsiding. A specie symptom to button and coin battery ingestion is vomiting fresh (bright red) blood. If the child does this seek immediate medical help.
The lack of clear symptoms is why it is important to be vigilant with “at” or spare button or coin batteries in the home and the products that contain them.
Technical Specifications
| Heat Output | OLF46-EU 230V 240V | OLF66-EU 230V 240V | OLF86-EU 230V 240V | |||||
| Nominal Heat Output | PNom | 1. | 1. | 1. | 1. | 1. | 1. | kW |
| Minimum Heat Output | min | 0 | 0 | 0 | 0 | 0 | 0 | kW |
| Maximum Continuous Heat Output | P max | 1. | 1. | 1. | 1. | 1. | 1. | kW |
| Auxiliary Electricity Consumption | ||||||||
| In Standby Mode | el SB | 0.8 | 0.8 | 0.9 | 0.9 | 0.9 | 0.9 | W |
with electronic room temperature control.
Package Contents
| Image | Description | Quantity | ||
| OLF46-AM | OLF66-AM | OLF86-AM | ||
![]() | Firebox | 1 | 1 | 1 |
![]() | Front Glass | 1 | 1 | 1 |
![]() | Spare Transducer Keep it in a secure location for future use. | 2 | 3 | 4 |
![]() | Suction Cup Do not dispose of the suction cup after installation. Keep it in a secure location as it will be helpful for maintenance and service of the unit. | 2 | 2 | 2 |
![]() | Remote Control 3 Volt battery included Remove pull tabs to engage the battery | 1 | 1 | 1 |
| User’s and Installation Guide | 1 | 1 | 1 | |
![]() | Baes | 4 | 6 | 8 |
![]() | Bubble Level | 1 | 1 | 1 |
![]() | 1 1/2 Wood Screws” | 4 | 4 | 4 |
Installation
Placement
NOTE: For optimized viewing angle of the amen, it is recommended that the bottom of the unit be mounted between 5″ (13 cm) and 50″ (127 cm) from the ground (Figure 2).
Installation in a Bathroom
If this unit is installed in a bathroom, it must be protected by a GFCI receptacle or circuit . If a receptacle is used, it must be readily accessible . This electrical appliance is NOT watertight . To prevent electric shock, it must be installed as to prevent water from entering unit, or installed away from showers, tubs, etc . Never locate replace where it may fall into a bathtub or other water container.
Installation Recommendations for Overhanging Objects
For overhanging temperature-sensitive objects, such as a television, a mantel, or artwork, always follow the recommendations provided by its manufacturer for installation over a heater.
Fresh Inlets
CAUTION: Failure to include a fresh inlet will result in poor ame performance and damage to the replace.
A fresh inlet is required . The inlet must allow for the path to reach the underside of the unit. This will have to be accounted for in the framing and drywall installation . See the table below for inlet requirements for each model . See Figure 3 for examples on incorporating fresh inlets in the installation.
If the inlet is concealed using a grille, the covered area must be compensated for by having a larger opening.
| Model | inlet area required | |
| OLF46-EU | 80 in² | 516 cm² |
| OLF66-EU | 120 in² | 774 cm² |
| OLF86-EU | 160 in² | 1032 cm² |
Preparing the Firebox for Installation
The unit is provided with mounting brackets attached (Figure 4). Remove the mounting brackets before installation. They will need to be reinstalled during installation once the redox is placed into the framing.
Framing
Prepare a wall with a framed opening, following the dimensions in the table below . Openings beneath the unit are required in order to allow for ow to reach the underside of the unit (Figure 6).
| Framing Dimensions | Drywall Opening | ||||
| MODEL | Width (min) | Height | Depth (min) | Width | Height |
| A | B | C | D* | E* | |
| OLF46-EU | 48″ 1219mm | 31 3/4″ 806mm | 12″ 305mm | 46 3/16″ 1174mm | 17 1/2″ 445mm |
| OLF66-EU | 68″ 1727mm | 66 3/16″ 1682mm | |||
| OLF86-EU | 88″ 2235mm | 86 3/16 ” 2190mm | |||
CAUTION: This replace is NOT load-bearing . Ensure the opening for the replace is framed in such a way that the weight of the building materials will not create pressure on the top of the replace .
! NOTE: Field wiring is located at the top right back corner of the redox . The connection to water supply is located at the bottom left back corner of the redox . Plan the framing to allow routing the electrical power cable and the cold-water line to this location.
Installation Instructions
! NOTE: Two people are recommended for installation .
- Follow the instructions in the section Preparing the Firebox for Installation before beginning .
- Prepare a wall with a framed opening, following the dimensions in the Framing section
CAUTION: Ensure there is an inlet with a path for ow to reach the underside of the unit . - Place the redox into the framed opening . Ensure the unit is level . A bubble level is included in the hardware kit provided .
- Secure the redox to the frame using the previously removed mounting brackets . The unit must be secured to the frame with the mounting brackets. !
NOTE: To avoid bulging of the noshed surface, notch the framing to allow the mounting brackets to be use with the framing (Figure 7). - Connect the unit to the water supply, following the instructions in the section Water Supply Connection.
- Finish surrounding wall up to the trim if a permanent installation is desired . A removable trim can be used instead to cover the framing opening to allow the replace to be removed without damaging the noshed wall.
CAUTION: Ensure inlets are present in Nal installation (see Fresh Inlets)
! NOTE: It is recommended that all drywall installation and noshing be completed after unit is fully installed, inspected, and operational . - Finish the installation using the noshing materials of your choice . 8. Place the media as desired and install the front glass.
Electrical Requirements
NOTE: A dedicated, properly fused 13 Amp circuit is required, rated for the appropriate voltage (230-240V). An isolation switch should also be incorporated in cases where the product plug is inaccessible after installation.
Ensure that, when installed, the product is within 1m of a power outlet and that the plug is accessible after installation to ensure safe disconnection from mains power for servicing
WARNING: Construction and wiring must comply with local building codes and other applicable regulations to reduce the risk of re, electric shock and injury to persons.
WARNING: To reduce the risk of re, electric shock or injury to persons, always use a licensed electrician.
Water Supply Connection
CAUTION: Ensure that all plumbing connections meet local plumbing code requirements . Ensure that the location of the plumbing connection allows for easy access to allow for shut during scheduled maintenance.
Water Quality
Normal tap water can be used in this device . In areas with hard water, a water softener is recommended and more frequent cleaning and maintenance may be required. Unaltered water supplied from a well or another unmonitored supply is not recommended. The product is provided with an in-line mesh lter to help remove contaminants and extend the life of the product .
Plumbing Instructions
The units are designed to be hard plumbed by connecting to a water source using standard 1/4” (6 .4 mm) O .D . tubing.
- Prepare a cold-water line in the vicinity of the desired installation location of the replace . En- sure that the location of the plumbing connection allows for easy access to allow for shut during scheduled maintenance
! NOTE: Once the new plumbing connections are complete ensure that the lines are used to prevent any debris from going into the unit . - Lift the media tray out of the unit and set it aside . 3.
- Connect the water line, reduced to 1/4” tubing, to the main valve located in the bottom left side of the unit (Figure 8).
CAUTION: Ensure that the end of the tubing is cut square to prevent leaking . - Connect the water supply tubing to the main water valve by removing the locking ring and inserting the tubing so that it is fully inserted (approximately 1/2” [12 mm]) . Reinstall the locking ring .
- Complete electrical installation steps before opening the main water valve .
- Priming (pre-ling with water) is required . See Priming the Unit on page 12 .
Flame Baffles
The unit comes with the slotted baffles pre-installed to create a uniform flame . The unit can be operated with the pre- installed baffles removed . If desired, customize the appearance of the flame using the provided individual baffles . - To remove the pre-installed baffles, insert a screwdriver into a slot of the baffle and carefully remove each one .
- Separate the single baffles provided by bending the strip until each baffle breaks off .
- To insert the baffles, use a screwdriver to carefully pry open the flame output slot on the top cover . Install the baffle by putting the side with the two tabs down, and inserting it so that the lip on the top cover goes over the baffle
! NOTE: If installed correctly, the baffle should not be able to slide within the flame output slot . - Place the baffles across the flame output slot as desired to create the desired flame appearance
Media Arrangement
The decoration of the Faber e-SliM Linear models are delivered separately in a box. This box con-tains the logs + decoration and a wood set card how to decorate the models.
! NOTE: It is not recommended to position the driftwood pieces across the flame output slot. If this configuration is desired, use the provided single baffles to block the mist beneath the log(s) to prevent condensation.
It is possible to use custom media ornaments to decorate your fireplace. The custom media must fit easily without scratching the glass or bowing the media bed, and must not be composed of sand or liquid, which could interfere with the safety of the fireplace.
Front Glass Installation
! NOTE: Two people are required for installation of the front glass .
- Ensure there are no debris or anger prints on the inner side of the front glass before you begin.
- Attach the provided suction cups to the outer side of the front glass . Ensure the suction cups are securely attached.
- Using the suction cups to assist, lift the glass and place it directly in front of the media bed at a slight angle.
- Lift the front glass slightly to hook the front glass onto the posts on each side of the replace. (Figure 11)
! NOTE: When installed correctly, the front glass should not obstruct the hidden touch controls . - Remove the suction cups and clean any underprints or debris o the glass with a nonabrasive glass cleaner.
!NOTE: Do not dispose of the suction cups! Keep them in a secure location, as they may be needed for maintenance and service on this replace .
General Operation
WARNING: This electric firebox must be properly installed before it is used . This firebox operates with Comfort avert technology, which automatically adjusts the fan speed and heater wattage to safely and precisely match the requirements of the room based on the thermostat setting.
! NOTE: The element retains heat after shutdown . When the heat is turned off, there is a 30-second cool down period before the fan shuts off completely .
! NOTE: After a power interruption the fireplace will return to Standby mode and retain the previous-ly used settings .
Power Switch
The main power (On/Off) switch is located behind the front glass in the upper right corner inside the fireplace .
Hidden Touch Controls
The hidden touch controls are located on the upper right of the fireplace . (Figure 12) To activate the controls touch the area next to the display . After 5 seconds of inactivity, the controls return to the hidden state .
! NOTE: When in standby mode, the 0 remains illuminated .
Remote Operation
The fireplace is supplied with a multifunction Bluetooth remote control . (Figure 13) The remote control comes with batteries fitted. Pull out the plastic pull) tabs completely in order to engage the batteries.
APP
The fireplace is capable of being controlled using the Flame Connect app for mobile devices .
! NOTE: The fireplace will not operate using the provided remote control when the app is open on a mobile device . A blue LED indicator will illuminate on the fireplace display when the app is in use .
Manual Controls
| Standby | Press When the unit is turned on, there is a 3-minute warm-up sequence before the flame effect starts. | |
| Heat | Press When the heat is turned on, the display briefly indicates the set temperature (HST), followed by the ambient room temperature. When the heat is turned off, the fan continues to operate for a further 30 seconds to dissipate residual heat. | |
| Heat Disable | Press and hold When the heat is disabled and in is pressed, CD52 appears on the display. | |
| Increase Temperature | Press The temperature can be set from 15° C to 30° C (59° F to 86° F). | |
| Decrease Temperature | Press | |
| Temperature Display (°C °F) | Press and hold | |
| Flame Intensity | Press ! NOTE: Allow 15 minutes of operation before adjusting the flame intensity. | |
| Extractor Fan Boost | The extractor fan boost clears any excess fogging that may appear in the fireplace. Press and hold | |
| Ambient & Flame Theme | Press themes: 1 – Natural Flame 2 – Blue 3 – Violet 4 – Red 5 – Aquamarine 6 – Prism Mode – media and overhead lights cycle through colors 7 – Kaleidoscope Mode – media and overhead lights cycle through colors at different rates. 8 – Custom (app required) | |
| Brightness | Press B1 – Brightness level 1 B2 – Brightness level 2 B3 – Brightness level 3 B4 – Brightness level 4 B5 – Brightness level 5 B6 – Pulsating effect |
Additional Functions to be Performed from the Remote Control
| Press While the timer is active, press the timer button to see the time remaining. | |
| Press repeatedly to cycle through the different heat modes: Normal: The heater automatically adjusts to achieve and maintain the set temperature. Eco: The heater will work at reduced power to save energy. Heat Boost: The heat is on at maximum power for a preset amount of time before reverting to normal heat mode. Select BST1 for 5 minutes, BST2 for 10 minutes, or BST3 for 15 minutes. Frost Protection: The heater maintains the ambient temperature at 7° C (45° F). To indicate this mode, overhead lights are blue and the display indicates -FP- continually. The flame effect cannot be turned on in this mode. Fan: The fan runs without heat to circulate the in the room. | |
| Press | |
| Press | |
| Press | |
| Press | |
| The volume of the crackling sound effect can be set from OFF to level 6 Press |
Resetting the Temperature Cute Switch
Should the heater overheat, a manual limit cut-out will turn the unit off and it will not come back on without being reset . It can be reset by turning the unit off from the main ON/OFF switch or at the main disconnect panel and waiting 10 minutes before turning the unit back on .
Factory Reset
Performing a factory reset will restore all settings to default, disconnect the unit from the mobile app if connected, and remove any primary and guest users . This can also help resolve issues connecting to the Flame Connect App.
- To reset all the settings to factory default:
- Turn the power off for 10 seconds at the main power switch .
- Turn the power back on . The unit will start the warm-up sequence .Once the warm-up sequence is complete, press and hold
and
at the same time for 10 seconds . This action must be performed on the hidden touch controls.
Priming the Unit
The unit will need to be primed with water prior to the first use and whenever the sumps are fully emptied (such as after cleaning or maintenance) .
Once the unit is connected to water and electrical supply, prime the unit using the hidden touch controls (Figure 12) by following these steps:
- Ensure the water valve is open . (Figure 8)
- Put the power switch in the “on” position .
- While the unit is in standby mode, press and hold
for 5 seconds . The unit will remain in stand-by and the flame intensity icon (
) will illuminate . - Press and hold
for 3 seconds . “FILLING” will scroll across the display for the duration of the priming . Once the filling is complete, the display will show “FULL”, the
icon will disappear, and 4 beeps will follow . The unit will return in standby mode . - To start the unit press
once . The warm up sequence will start .
Maintenance
Remote Control Battery Replacement
To replace the batteries:
- Remove battery cover of the remote control using a Philips screwdriver .
- Correctly install two 3 Volt (CR2032 or similar) battery in the battery holder with the + side facing up
- Secure the battery cover using the previously removed screw . Batteries must be recycled or disposed of properly . Check with your Local Authority or Retailer for recycling advice in
; your area .
Frequency band(s) this product operates in: 2.4GHz Maximum radio-frequency power transmitter in the frequency band(s) this product operates in: 2.71 dBm.
Cleaning
WARNING: Disconnect power and allow heater to cool before attempting any maintenance or cleaning to reduce the risk of fire, electric shock or damage to persons . CAUTION: The heater should not be operated with an accumulation of dust or dirt on or in the unit, as this can cause a build-up of heat and eventual damage . For this reason the heater must be in-specter regularly, depending upon conditions and at a minimum yearly intervals.
Fireplace Surface Cleaning
Use only a damp cloth to clean the glass and painted surfaces of the fireplace . The inner side of the glass may occasionally get cloudy and require cleaning . Do not use abrasive cleaners .
Component Cleaning
It is required that the top cover, sump, water bottle (if used), and transducers are cleaned with soap and water on a regular basis, at a minimum once per month . More frequent cleaning may be re-quire depending on water quality .
CAUTION: Do not put plastic components in the dishwasher . The filters can be removed and gently rinsed with water to clean and dried on a towel before rein-stalling . Reinstall the filter so that the coarse black side of the filter is facing the back of the unit . See Figure 14
Transducer Replacement
After prolonged use, the ability for the unit to produce mist may become reduced . If cleaning does not improve the performance of the amen eject, replacement of the transducer may be required.
This unit comes with replacement transducers . Additional transducers may be purchased at the websites.
! NOTE: To remove the transducer, release the retaining tab in the sump and remove transducer.
Servicing
Except for installation and cleaning described in this manual, an authorized service representative should perform any other servicing .
Troubleshooting
| Problem | Display | Cause | Solution |
| Fireplace does not turn on with the manual touch con- troll’s | N/A | Normal operation | There is a brief delay after pressing |
| No incoming power | Ensure the power switch is on . Ensure unit is wired correctly . Check main disconnect panel . | ||
| CD40 | Hidden touch controls error | See service manual | |
| Fireplace does not respond to commands given from the re- mote control | N/A | The batteries in the re- mote control are dead or installed incorrectly . | Replace remote control bat- terries Ensure batteries are in- stalled with + facing up . |
| Blue LED | The Flame Connect app is open on a mo.- bile device . | Close the Flame Connect app on all mobile devices to enable use of the remote control . | |
| Heater is on, but there is no heat | -ON- | Normal operation — There is a 30-second delay before heater starts. | No action required. |
| Circuit breaker trips or fuse blows when unit is turned on | N/A | Improper rent rating circuit cur- | Install unit on a dedicated mini- mum 15 amp circuit . |
| The glass is fogging | N/A | Excess humidity | Use the Extractor Fan Boost as needed to clear excess humid- ty within the unit . (See page 20) If fogging persists, reduce the fame intensity . |
| The flame effect is not uniform across all modules | N/A | Normal operation; a slight variation in the thickness and height of the flame effect from one module to the other is expected . | No action required . |
| Normal operation upon startup . | Allow the unit to warm up for 10 to 15 minutes for the height of flame effect to stabilize . | ||
| Transducer is not ooper- acting optimally. | Clean module components, including transducer. If problem persists, replace transducer. | ||
| Heat does not turn on | CD52 | Heater is disabled . | Press and hold |
| CD43 | Heater has been per- momently disabled. | If installation with heat is desired, reinstall jumper wire on main board if available or purchase new main board. | |
| CD20 | Ambient temperature NTC error | See service manual. | |
| CD23 | Onboard NTC error | Turn unit off from power switch . Check for heater exhaust blockage . Allow the unit to cool for 30 minutes. If error persists, see service manual. | |
| CD33 | Main PCB overheat detected | Turn unit off from power switch. Allow the unit to cool for 30 minutes. If error persists, see service manual. | |
| CD34 | Heater fan error | See service manual . |
| Flame effect does not turn on In some cases, the display an error code followed by an X to indicate which sump(s) Regis- treed the error . For example, where there are three flame modules and the middle one is affected, the display will flash the error code, followed by _X_. | CD44 | Extractor fan(s) error | See service manual . |
| CD45 | Incorrect number of modules detected. | See service manual . | |
| CD51 | Low water level in one of the sumps | Restart the unit by turning the power off from the power switch or breaker for 10 sec-nods before turning it back on . Check plumbing connections . If error persists, see service manual . | |
| CD56 | The timing for filling the sump has been maxed out. | Restart the unit by turning the power off from the power switch or breaker for 10 seconds before turning it back on . Check water pressure and plumbing connections. If error persists, see service manual. | |
| CD57 | Possible leak in the unit. | Restart the unit by turning the power off from the power switch or breaker for 10 seconds before turning it back on . Check water pressure and plumbing connections. If error persists, see service manual. | |
| CD58 | Overflow has been de- tected . | Inspect the modules and carefully remove excess water . See service manual . | |
| Flame Connect App-related error | CD53 | Fireplace settings are out of sync with the app. | Open the app on your mobile device to synchronize settings . |

| Model | A | B | |
| OLF46-AM | 47 1/2″ 1206 mm | 46 1/8″ | 1170 mm |
| OLF66-AM | 67 1/2″ 1714 mm | 66 1/8″ | 1678 mm |
| OLF86-AM | 87 1/2″ 2222 mm | 86 1/8″ | 2186 mm |



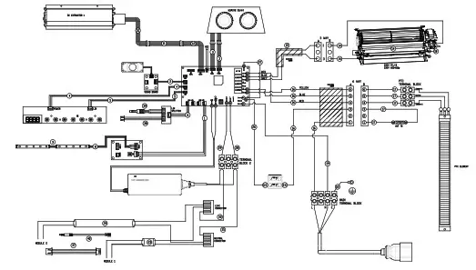
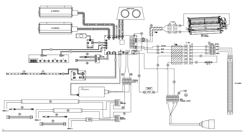
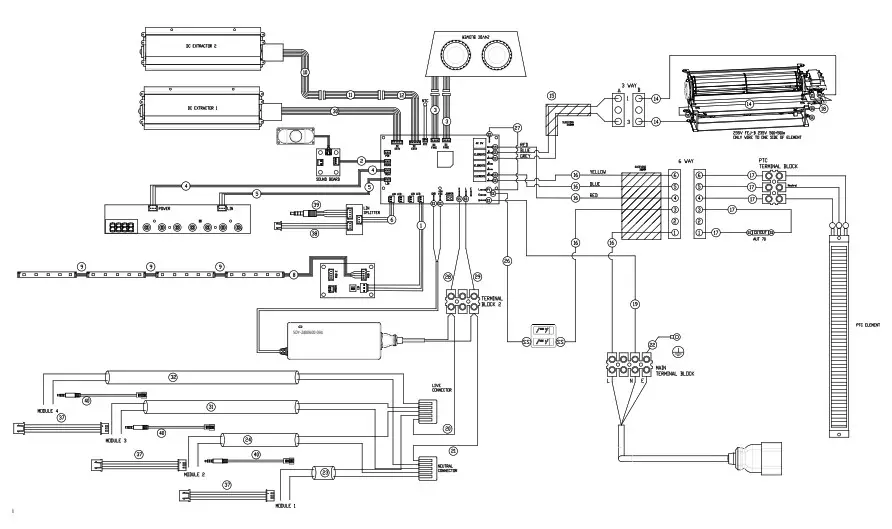
Wiring Diagrams
OLF46-EU

OLF66-EU

OLF86-EU

PLACE QR CODE LABEL HERE
www.faberfires.com
Saturnus 8
Postbus 219
[email protected]
NL 8448 CC Heerenveen
NL 8440 AE Heerenveen


























