ANAB Y R-410A High Efficiency Condensing Units

Product Information
The High-Efficiency Condensing Units are designed to provide efficient cooling and heating solutions for residential and commercial spaces. These units feature Earth-friendly R-410A Refrigerant, which is a safer and more efficient alternative to traditional refrigerants. The units are available in two sizes: 61/2 ton (23 kW) and 71/2 ton (26 kW).
The product meets all current Federal OSHA Guidelines for safety and California Proposition 65 warnings are required for certain products, which are not covered by the OSHA standards. California’s Proposition 65 requires warnings for products sold in California that contain or produce any of over 600 listed chemicals known to the State of California to cause cancer or birth defects such as fiberglass insulation, lead in brass, and combustion products from natural gas. All new equipment shipped for sale in California will have labels stating that the product contains and/or produces Proposition 65 chemicals.
Product Usage Instructions
These instructions are intended as an aid to qualified licensed service personnel for proper installation, adjustment, and operation of this unit. It is important to read these instructions thoroughly before attempting installation or operation. Failure to follow these instructions may result in improper installation, adjustment, service, or maintenance possibly resulting in fire, electrical shock, property damage, personal injury, or death.
Before starting maintenance, make sure to disconnect all power to the unit. Failure to do so can result in severe electrical shock or death. Do not use oxygen to purge lines or pressure system for leak test as oxygen reacts violently with oil, which can cause an explosion resulting in severe personal injury or death.
After completion of wiring, check all electrical connections, including factory wiring within the unit, and make sure all connections are tight. Replace and secure all electrical box covers and access doors before leaving unit or turning on power to circuit supply unit. Failure to do so can cause a fire or electrical shock resulting in property damage, personal injury, or death. This unit must be permanently grounded. A ground lug is provided near the contactor for a ground wire. Failure to do so can cause a fire or electrical shock resulting in property damage, severe personal injury, or death.
WARNING
THESE INSTRUCTIONS ARE INTENDED AS AN AID TO QUALIFIED, LICENSED SERVICE PERSONNEL FOR PROPER INSTALLATION, ADJUSTMENT AND OPERATION OF THIS UNIT. READ THESE INSTRUCTIONS THOROUGHLY BEFORE ATTEMPTING INSTALLATION OR OPERATION. FAILURE TO FOLLOW THESE INSTRUCTIONS MAY RESULT IN IMPROPER INSTALLATION, ADJUSTMENT, SERVICE OR MAINTENANCE POSSIBLY RESULTING IN FIRE, ELECTRICAL SHOCK, PROPERTY DAMAGE, PERSONAL INJURY OR DEATH.
WARNING
Important: All manufacturer products meet current Federal OSHA Guidelines for safety. California Proposition 65 warnings are required for certain prod-ucts, which are not covered by the OSHA standards.
California’s Proposition 65 requires warnings for products sold in California that contain, or produce, any of over 600 listed chemicals known to the State of California to cause cancer or birth defects such as fiberglass insulation, lead in brass, and combustion products from natural gas. All “new equipment” shipped for sale in California will have labels stating that the product contains and/or produces Proposition 65 chemicals. Although we have not changed our processes, having the same label on all our products facil-itates manufacturing and shipping. We cannot always know “when, or if” prod-ucts will be sold in the California market.
You may receive inquiries from cus-tomers about chemicals found in, or produced by, some of our heating and air-conditioning equipment, or found in natural gas used with some of our prod-ucts. Listed below are those chemicals and substances commonly associated with similar equipment in our industry and other manufacturers.
- Glass Wool (Fiberglass) Insulation
- Carbon Monoxide (CO)
- Formaldehyde
- Benzene
More details are available at the Websites for OSHA (Occupational Safety and Health Administration), at www.osha.gov, and the State of California’s OEHHA (Office of Environmental Health Hazard Assessment), at www.oehha.org. Consumer education is important since the chemicals and substances on the list are found in our daily lives. Most consumers are aware that products present safety and health risks, when improperly used, handled and maintained.
NOTICE
BREAK-IN PERIOD
Prior to agency testing, the compressor ran for 20 hours at 115ºF outdoor ambient temperature and 80º dry bulb/75º wet bulb indoor ambient temperature.
NOTICE
EFFICIENCY TESTING NOTICE
For purposes of verifying or testing effi-ciency ratings, the test procedure in Title 10 Part 431 Appendix A to Subpart F (Uniform Test Method for Measuring the Energy Consumption of Small Large and Very Large Commercial Package Air Conditioning and Heating Equipment), and the clarifying provisions provided in the AHRI Operations Manuals for Unitary Large Equipment 340/360, 365 that were applica-ble at the date of manufacture should be used for test set up and performance.
SAFETY INFORMATION
- WARNING
THESE INSTRUCTIONS ARE INTENDED AS AN AID TO QUALIFIED LICENSED SERVICE PERSONNEL FOR PROPER INSTALLATION, ADJUSTMENT AND OPERATION OF THIS UNIT. READ THESE INSTRUC-TIONS THOROUGHLY BEFORE ATTEMPTING INSTALLATION OR OPER-ATION. FAILURE TO FOLLOW THESE INSTRUCTIONS MAY RESULT IN IMPROPER INSTALLATION, ADJUSTMENT, SERVICE OR MAINTENANCE POSSIBLY RESULTING IN FIRE, ELECTRICAL SHOCK, PROPERTY DAM-AGE, PERSONAL INJURY OR DEATH. - WARNING
DISCONNECT ALL POWER TO THE UNIT BEFORE STARTING MAINTENANCE. FAILURE TO DO SO CAN RESULT IN SEVERE ELECTRICAL SHOCK OR DEATH. - WARNING
DO NOT USE OXYGEN TO PURGE LINES OR PRESSURE SYSTEM FOR LEAK TEST. OXYGEN REACTS VIOLENTLY WITH OIL, WHICH CAN CAUSE AN EXPLOSION RESULTING IN SEVERE PERSONAL INJURY OR DEATH. - WARNING
AFTER COMPLETION OF WIRING CHECK ALL ELECTRICAL CONNECTIONS, INCLUDING FACTORY WIRING WITHIN THE UNIT, AND MAKE SURE ALL CONNECTIONS ARE TIGHT, REPLACE AND SECURE ALL ELECTRICAL BOX COVERS AND ACCESS DOORS BEFORE LEAVING UNIT OR TURNING ON POWER TO CIRCUIT SUPPLY UNIT. FAILURE TO DO SO CAN CAUSE A FIRE OR ELECTRICAL SHOCK RESULTING IN PROPERTY DAMAGE, PERSONAL INJURY OR DEATH. - WARNING
THIS UNIT MUST BE PERMANENTLY GROUNDED. A GROUND LUG IS PROVIDED NEAR THE CONTACTOR FOR A GROUND WIRE. FAILURE TO DO SO CAN CAUSE A FIRE OR ELECTRICAL SHOCK RESULTING IN PROPERTY DAMAGE, SEVERE PERSONAL INJURY OR DEATH. - CAUTION
R-410A systems operate at higher pressures than R-22 systems. Do not use R-22 service equipment or components on R-410A equipment. - CAUTION
Only use evaporators approved for use on R-410A systems. Use of existing R-22 evaporators can introduce mineral oil to the R-410A refrigerant form-ing two different liquids and decreasing oil return to the compressor. This can result in compressor failure.
INTRODUCTION
This booklet contains the installation and operating instructions for your self-con-tained air conditioner. There are a few precautions that should be taken to derive maximum satisfaction from it. Improper installation can result in unsatisfactory oper-ation or dangerous conditions. Read this booklet and any instructions packaged with separate equipment required to make up the system prior to installation. Give this booklet to the owner and explain its provisions. The owner should retain this booklet for future reference.
CHECKING PRODUCT RECEIVED
Upon receiving the unit, inspect it for any damage from shipment. Claims for damage, either shipping or concealed, should be filed immediately with the shipping company. Check the unit model number, electrical characteristics, and accessories to determine if they are correct.
EQUIPMENT PROTECTION FROM THE ENVIRONMENT
The metal parts of this unit may be subject to rust or deterioration in adverse environmen tal conditions. This oxidation could shorten the equipment’s useful life. Salt spray, fog or mist in seacoast areas, sulphur or chlorine from lawn watering systems, and various chemical contaminants from industries such as paper mills and petroleum refineries are especially corrosive.
If the unit is to be installed in an area where contaminants are likely to be a problem, special attention should be given to the equipment location and exposure.
- Avoid having lawn sprinkler heads spray directly on the unit cabinet.
- In coastal areas, locate the unit on the side of the building away from the waterfront.
- Shielding provided by a fence or shrubs may give some protection.
- Elevating the unit off its slab or base enough to allow air circulation will help avoid holding water against the basepan.
WARNING
DISCONNECT ALL POWER TO THE UNIT BEFORE STARTING MAINTENANCE. FAILURE TO DO SO CAN RESULT IN SEVERE ELECTRICAL SHOCK OR DEATH.
Regular maintenance will reduce the buildup of contaminants and help to protect the unit’s finish.
- Frequent washing of the cabinet, fan blade and coil with fresh water will remove most of the salt or other contaminants that build up on the unit.
- Regular cleaning and waxing of the cabinet with an automobile polish will provide some protection.
- A liquid cleaner may be used several times a year to remove matter that will not wash off with water.
Several different types of protective coatings are offered in some areas. These coatings may provide some benefit, but the effectiveness of such coating materials cannot be verified by the equipment manufacturer. The best protection is frequent cleaning, maintenance and minimal exposure to contaminants.
GENERAL INFORMATION
| MODEL | TOTAL WEIGHT LBS. [kg] | CORNER WEIGHTS, LBS. [kg] | |||
| A | B | C | D | ||
| (-)ACL2078 | 376 [170] | 104 [47] | 82 [37] | 107 [49] | 89 [40] |
| (-)ACL2090 | 383 [174] | 104 [47] | 82 [37] | 107 [49] | 89 [40] |
TABLE 1 UNIT DIMENSIONS, in [mm]
| (-)ACL | 2078 | 2090 |
| Height “H” | 51 [1295] | 51 [1295] |
| Length “L” | 35.75 [908] | 35.75 [908] |
| Width “W” | 35.75 [908] | 35.75 [908] |
UNIT DIMENSIONS — 61⁄2 & 71⁄2 TON

STANDARD UNIT FEATURES
61⁄2 AND 71⁄2 TON [23 KW & 26 KW]
- CABINET — Galvanized steel with a durable powder coat paint finish. The cabinet front and sides are formed into a one piece unitized design with stamped louvers to provide protection for the condenser coils.
- SERVICE ACCESS — Control box with separation between line and control voltages, as well as compressor and other refrigerant controls are accessible through removable top and side panels (without affecting normal operation of unit).
Condenser fan motors are mounted on removable top panels which bring the motors out to you and expose entire condenser coil for cleaning. - COMPRESSOR — Hermetically sealed with internal high-temperature
- protection and durable insulation on motor windings. The compressor is mounted on rubber grommets to reduce vibration and noise.
- CONDENSER COILS — Constructed with copper tubes and aluminum fins mechanically bonded to tubes for maximum heat transfer capabilities. All coil assemblies are leak tested.
- REFRIGERANT CONNECTIONS — All field sweat joints are made external of the unit and are located close to the ground for a neat looking installation.
- LOW AMBIENT CONTROL (OPTIONAL) — A pressure-sensitive fan cycling control allows operation of units down to to 0°F.
- HIGH PRESSURE CONTROL — Manual reset control deactivates system if abnormally high pressure occurs.
- LOW-PRESSURE CONTROL — Automatic reset control deactivates system if abnormally low pressure or refrigerant loss occurs.
- SERVICE VALVES — Standard on liquid line and suction line. Allows outdoor section to be isolated from indoor coil.
- FILTER DRIER — Standard, field installed. Helps maintain system cleanliness.
- CONDENSER FAN MOTOR — Brushless, permanent magnet ECM motor.
- TRANSFORMER — Step down type, from Line to 24 volts.
- CONTACTOR — The contactor is an electrical switch that operates the compressor and condenser fans. Its 24 volt coil is activated through the High Pressure Control and Low-Pressure Control on a call for cooling.
- EQUIPMENT GROUND — Lug for field connection of ground wire.
- TESTING — All units are run tested at the factory prior to shipment.
PHYSICAL DATA
| (-)ACL | 2078 | 2090 |
| Operating Weight, lbs [kg] | 376 [170] | 376 [170] |
| Shipping Weight, lbs [kg] | 383 [174] | 383 [174] |
| COMPRESSOR: Quantity | 1 | 1 |
| Type | Scroll | Scroll |
| Stages | 2 | 2 |
| CONDENSER FANS: Quantity | 1 | 1 |
| Diameter, in [mm] | 26 [660] | 26 [660] |
| Motor Power, hp [W] | 1/2 [373] | 1/2 [373] |
| Type | ECM | ECM |
| RPM | 1100 | 1100 |
| CONDESNSER COIL: Quantity | 1 | 1 |
| Rows | 2 | 2 |
| Fins per Inch, fpi [fpmm] | 22 [.866] | 22 [.866] |
| Area, ft2 [m2] | 32.44 [3.01] | 32.44 [3.01] |
| Material – Fins/Tubes | Aluminum/Copper | Aluminum/Copper |
| Tube Size, in [mm] | 3/8 [9.5] | 3/8 [9.5] |
| (-)ACL | 2078C | 2078D | 2090C | 2090D |
| COMPRESSOR MOTOR: Electrical Characteristics | 200-230V, 3PH, 60Hz | 460V, 3PH, 60Hz | 200-230V, 3PH, 60Hz | 460V, 3PH, 60Hz |
| OPERATING CURRENT: Rated Load Amps | 26.9 | 12.0 | 26.9 | 12.0 |
| Locked Rotor Amps | 164 | 94 | 164 | 94 |
| CONDENSER FAN MOTORS: Volts & Phase | 208-230V, 1PH | 460V, 1PH | 208-230V, 1PH | 460V, 1PH |
| Full Load Amps (each) | 5.3 | 2.5 | 5.3 | 2.5 |
| SYSTEM CHARACTERISTICS: Unit FLA | 32.2 | 14.5 | 32.2 | 14.5 |
| Minimum Circuit Ampacity | 39/40 | 18/18 | 39/40 | 18/18 |
| Maximum Fuse Size or HACR Circuit Breaker Ampacity | 60/60 | 25/25 | 60/60 | 25/25 |
| Disconnect Size | 60 | 30 | 60 | 30 |
INSTALLATION
IMPORTANT MESSAGE TO OWNER
The manufacturer assumes no responsibility for equipment installed in violation of any code or regulation. The operation portion of this manual gives instructions as to the service and care of the unit. It is recommended that the installer go over the operational portion of this manual with the owner so that there is a full understanding of the equipment and how it is intended to function. These instructions should be read and kept for future reference. It is suggested that this booklet be affixed to or adjacent to the indoor equipment. It is addressed to your dealer and serviceman, but we highly recommend that you read it—paying particular attention to the section titled “MAINTENANCE.”
INSPECTION AND HANDLING
Inspect exterior of unit for evidence of rough handling in shipment. If damage is found, enter claim at once. Unpack carefully after moving unit to approximate location. Any damage should be reported immediately to the transportation company. Material in this shipment was inspected at the factory and released to the common carrier with no known damage.
ORDER PARTS
When reporting shortages or damaged parts, or when ordering repair parts, give the complete unit model and serial numbers which are stamped on the Unit Rating Plate.
STANDARD ITEMS
The condensing unit consists of a completely assembled package which includes a compressor, a condenser coil, fan, fan motors, outdoor control box, factory wiring, factory tubing and fittings.
INSTALLATION GENERAL
The condensing unit should be installed outdoors. It should be located as near as possible to the evaporator section to keep connecting refrigerant tubing lengths to a minimum. The unit must be installed to allow a free air flow to the condenser coils. If several units are installed adjacent to each other, care must be taken to avoid recirculation of air from one condenser to another. In all installations, adequate space must be provided for installation and servicing.
The unit must not be connected to any duct work. Do not locate unit under a roof drip; if necessary, install gutters, etc., to prevent water runoff from hitting the unit. To prevent air recirculation, it is recommended that the unit not be installed under an overhang, but if necessary allow a minimum of 60 inches above the unit for air discharge.
NOTE:
To prevent the possibility of freeze damage, you can install an air proving switch in the air handler supply duct wired in series with the compressor contactor coil (24V) which would lock out the compressor in the event of air flow failure.
ROOFTOP INSTALLATION (REFER TO TABLE 1)
If rooftop installation is required, make certain that the building construction is adequate for the weight of the unit. (Refer to physical data chart.) Before placing the unit on the roof, make certain that the nylon rigging slings are of sufficient length to maintain equilibrium of the unit when lifting. Under no circumstances should the unit be lifted by only one corner for rooftop installation.
SLAB INSTALLATION
Condensing units should be set on a solid level foundation. When installed at ground level, the unit should be placed on a 6 inch cement slab. If the pad is formed at the installation site, do not pour the pad tight against the structure, otherwise vibration will be transmitted from the unit through the pad.
REFRIGERANT PIPING DATA
CONDENSING UNITS ARE SHIPPED WITH A NITROGEN-HOLDING CHARGE. EVACUATE CONDENSING UNIT BEFORE CHARGING WITH REFRIGERANT.
| EQUIVALENT LENGTH (FT.) [m] OF STRAIGHT TYPE “L” TUBING FOR NON-FERROUS VALVES & FITTINGS (BRAZED) | ||||||
| TUBE SIZE, INCHES [mm] O.D. | SOLENOID VALVE | ANGLE VALVE | SHORT RADIUS ELL | LONG RADIUS ELL | TEE LINE FLOW | TEE BRANCH FLOW |
| 1⁄2 [13] | 12 [3.7] | 8.3 [2.5] | 1.6 [0.5] | 1.0 [0.3] | 1.0 [0.3] | 3.1 [0.9] |
| 5⁄8 [16] | 15 [4.6] | 10.4 [3.2] | 1.9 [0.8] | 1.2 [0.4] | 1.2 [0.4] | 3.6 [1.1] |
| 3⁄4 [19] | 18 [5.5] | 12.5 [3.8] | 2.1 [0.7] | 1.4 [0.4] | 1.4 [0.4] | 4.2 [1.3] |
| 7⁄8 [22] | 21 [6.4] | 14.8 [4.4] | 2.4 [0.7] | 1.6 [0.5] | 1.6 [0.5] | 4.8 [1.5] |
| 11⁄8 [29] | 12 [3.7] | 18.8 [5.7] | 3.0 [0.9] | 2.0 [0.6] | 2.0 [0.6] | 6.0 [1.8] |
| 13⁄8 [35] | 15 [4.6] | 22.9 [7.0] | 3.6 [1.1] | 2.4 [0.7] | 2.4 [0.7] | 7.2 [2.2] |
| 15⁄8 [41] | 18 [5.5] | 27.1 [8.3] | 4.2 [1.3] | 2.8 [0.8] | 2.8 [0.8] | 8.4 [2.6] |
| 25⁄8 [54] | 21 [6.4] | 35.4 [10.8] | 5.3 [1.6] | 3.5 [1.1] | 3.5 [1.1] | 10.7 [3.3] |
WARNING
DO NOT USE OXYGEN TO PURGE LINES OR PRESSURE SYSTEM FOR LEAK TEST. OXYGEN REACTS VIOLENTLY WITH OIL, WHICH CAN CAUSE AN EXPLOSION RESULTING IN SEVERE PERSONAL INJURY OR DEATH.
LIQUID LINE PRESSURE DROP PER 100 FEET EQUIVALENT LENGTH (TYPE L COPPER TUBING)

NOTES:
- 1. When evaporator coil is above condenser, the pressure drop due to vertical lift (.5 PSIG per foot of lift) must be added to the pressure drop derived from this curve.
2. Size liquid line for no more than 10°F loss (approximately 50 PSIG total pressure drop).
3. Do not oversize liquid line. Oversized liquid lines add significantly to the amount of refrigerant required to charge the system.
4. The maximum recommended velocity with solenoid valves or other quick closing devices in the liquid line is 300 FPM.
INSTALLATION OF PIPING
Once located, the condensing unit is ready to be interconnected with the evaporator using ONLY refrigeration grade dehydrated tubing. The following should be considered when connecting the tubing.
- Pitch the suction line toward the compressor approximately 1⁄2 inch every 10 feet to facilitate oil return.
- It is recommended that the sight glass, filter drier and liquid line solenoid valve be installed in the liquid line just prior to the evaporator.
- Silver solder (such as silfos, Easy Flow, etc.) should be used for all refrigerant joints.
- Thoroughly clean all joints before fluxing. DO NOT USE ACID FLUX.
- When fluxing, limit the application of paste to the minimum and always apply flux to the male portion of the connection.
- Suction lines should be insulated to prevent condensate drip. Use insulation of at least 3⁄8 inch wall thickness. The insulation should be installed on the tubing prior to making the sweat connections.
- Insulate the liquid line whenever the heat pickup or transfer can affect the subcooling.
- Care should be taken to avoid transmission of noise or vibration to building structure.
SUCTION LINE SYSTEM CAPACITY LOSS IN PERCENT PER 100 FEET EQUIVALENT LENGTH (TYPE L COPPER TUBING)

NOTES:
- The minimum velocity line (700 fpm) is recommended for cooling only units with vertical or horizontal run refrigerant lines.
- For suction pressure drop (PSIG), multiply percent (%) loss by 1.18.
TYPICAL PIPING RECOMMENDATIONS
REFRIGERANT PIPING:
The following will be of help in accomplishing a successful installation.
- Size liquid line for no more than 10°F loss which corresponds to approximately 50 PSIG pressure drop.
- Size suction lines for no more than 2°F loss which corresponds to approximately 5 PSIG pressure drop.
- Install sight glass, filter drier and solenoid valve in liquid line adjacent to evaporator. Filter drier should be between the condensing unit and sight glass.
- Pitch all horizontal suction lines downward in the direction of flow. (1/2” to 10 ft. run)
- When making up refrigerant piping, take every precaution to prevent dirt and moisture from entering the piping.
- Locate the condensing unit and evaporator(s) as close together as possible to minimize piping runs.
- Liquid or suction lifts not to exceed 60 ft.
| RUN LENGTH (FEET) | LIQUID LINE OD SIZE (INCHES) | VAPOR LINE OD SIZE (INCHES) | ||
| (-)ACL2078 | (-)ACL2090 | (-)ACL2078 | (-)ACL2090 | |
| 0 to 15 | 1/2 | 1/2 | 11/8 | 11/8 |
| 15 to 50 | 1/2 | 1/2 | 11/8 | 11/8 |
| 50 to 100 | 1/2 | 1/2 | 13/8 | 13/8 |
| 100 to 150 | 1/2 | 1/2 | 13/8 | 13/8 |
NOTE:
Runs between condenser and evaporator not to exceed 150’ linear equivalent length

WIRING
NOTE:
Field wiring must comply with the National Electric Code (CEC in Canada) and any local ordinance that may apply.
ELECTRICAL POWER
It is important that proper electrical power is available at the unit. Voltage must not vary more than 10% of that stamped on the rating plate. (See Electrical Data Table for minimum and maximum voltage.) Interphase voltage variation on threephase units must not be more than 3%. Contact local power company for correction of improper voltage or phase unbalance.
IMPORTANT:
Models equipped with scroll compressors must be phased correctly for proper compressor rotation. If the compressor is noisy or if suction and discharge pressures do not appear normal, reverse any two power leads to the unit. Extended run time in reverse rotation will damage the compressor and lead to premature failure.
POWER WIRING
Power wiring must be run in grounded raintight conduit. Power wiring must comply with the National Electric Code (C.E.C. in Canada) and any applicable local code.
WIRE ROUTING
POWER WIRING MUST BE RUN IN CONDUIT. Conduit must be run through the connector panel below the service cover and attached to the bottom of the control box.
If low (extralow in Canada) voltage control wire is run in conduit with power supply, Class I insulation is required. If run separate, Class II is required. Low voltage wiring may be run through the insulated bushing provided in the 7/8 “ hole in the connector panel then routed to the control box.
WARNING
AFTER COMPLETION OF WIRING CHECK ALL ELECTRICAL CONNECTIONS, INCLUDING FACTORY WIRING WITHIN THE UNIT, AND MAKE SURE ALL CONNECTIONS ARE TIGHT, REPLACE AND SECURE ALL ELECTRICAL BOX COVERS AND ACCESS DOORS BEFORE LEAVING UNIT OR TURNING ON POWER TO CIRCUIT SUPPLY UNIT. FAILURE TO DO SO CAN CAUSE A FIRE OR ELECTRICAL SHOCK RESULTING IN PROPERTY DAMAGE, PERSONAL INJURY OR DEATH.
GROUNDING
A grounding lug is provided in control box for a ground wire. Grounding may be accomplished by grounding the power line conduit to the unit.
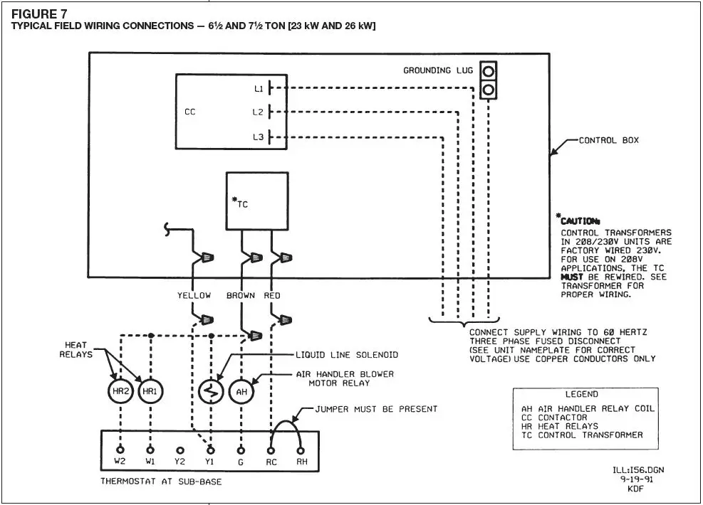
THERMOSTAT — 61⁄2 AND 71⁄2 TON [23 kW AND 26 kW]
A twostage cooling, twostage heating (if heating is used) thermostat should be mounted on an inside wall about four to five feet above the floor in a location where it will not be affected by the sun or drafts, from open doors or other sources. Install, level, and after installation check the thermostat calibration and recalibrate if necessary.
LEAK TESTING
Pressure line set and coil through service fittings with dry nitrogen to 150 psig maximum. Leak test all joints using liquid detergent. If a leak is found, recover pressure and repair.
REFRIGERANT
R-410A REFRIGERANT
TOOLS REQUIRED FOR INSTALLING & SERVICING R-410A MODELS
CAUTION
- R-410A systems operate at higher pressures than R-22 systems. Do not use
- R-22 service equipment or components on R-410A equipment.
Manifold Sets:
- Up to 800 PSIG High Side
- Up to 250 PSIG Low Side
- 550 PSIG Low Side Retard
Manifold Hoses:
- Service Pressure Rating of 800 PSIG
Recovery Cylinders:
- 400 PSIG Pressure Rating
- Dept. of Transportation 4BA400 or BW400
SPECIFICATION OF R410A
- Application: R410A is not a dropin replacement for R22; equipment designs must accommodate its higher pressures It cannot be retrofitted into R22 condensing units.
- Physical Properties: R410A has an atmospheric boiling point of 62.9°F and its saturation pressure at 77°F is 224.5 psig.
- Composition: R410A is an azeotropic mixture of 50% by weight difluoromethane (HFC32) and 50% by weight pentafluoroethane (HFC125).
- Pressure: The pressure of R410A is approximately 60% (1.6 times) greater than R22. Recovery and recycle equipment, pumps, hoses and the like need to have design pressure ratings appropriate for R410A. Manifold sets need to range up to 800 psig highside and 250 psig lowside with a 550 psig lowside retard. Hoses need to have a service pressure rating of 800 psig. Recovery cylinders need to have a 400 psig service pressure rating. DOT 4BA400 or DOT BW400.
- Combustibility: At pressures above 1 atmosphere, mixture of R410A and air can become combustible. R410A and air should never be mixed in tanks or supply lines, or be allowed to accumulate in storage tanks. Leak checking should never be done with a mixture of R410A and air. Leak checking can be performed safely with nitrogen or a mixture of R410A and nitrogen.
QUICK REFERENCE GUIDE FOR R-410A
- R410A refrigerant operates at approximately 60% higher pressure (1.6 times) than R 22. Ensure that servicing equipment is designed to operate with R410A.
- R410A refrigerant cylinders are pink in color.
- R410A, as with other HFC’s, is only compatible with POE oils.
- Vacuum pumps will not remove moisture from oil.
- R410A systems are to be charged with liquid refrigerants. Prior to March 1999, R 410A refrigerant cylinders had a dip tube. These cylinders should be kept upright for equipment charging. Post-March 1999 cylinders do not have a dip tube and should be inverted to ensure liquid charging of the equipment.
- Do not install a suction line filter drier in the liquid line.
- A liquid line filter drier is standard on every unit. Only manufacturer-approved liquid line filter driers can be used. These filter driers are rated for a minimum working pressure of 600 psig.
- Desiccant (drying agent) must be compatible for POE oils and R410A.
REPLACEMENT UNITS
To prevent failure of a new condensing unit, the existing evaporator tubing system must be correctly sized and cleaned or replaced. Care must be exercised that the expansion device is not plugged. For new and replacement units, a liquid line filter drier should be installed and refrigerant tubing should be properly sized. Test the oil for acid. If positive, a suction line filter drier is mandatory.
IMPORTANT:
WHEN REPLACING AN R22 UNIT WITH AN R410A UNIT, EITHER REPLACE THE LINE SET OR ENSURE THAT THE EXISTING LINE SET IS THOROUGHLY CLEANED OF ANY OLD OIL OR DEBRIS.
CAUTION
Only use evaporators approved for use on R-410A systems. Use of existing R-22 evaporators can introduce mineral oil to the R-410A refrigerant form-ing two different liquids and decreasing oil return to the compressor. This can result in compressor failure.
EVAPORATOR COIL
REFER TO EVAPORATOR COIL MANUFACTURER’S INSTALLATION INSTRUCTIONS:
IMPORTANT:
The manufacturer is not responsible for the performance and operation of a mismatched system, or for a match listed with another manufacturer’s coil.
| FIELD WIRE SIZE FOR 24 VOLT THERMOSTAT CIRCUITS | |
| 3.0 2.5 2.0 | SOLID COPPER WIRE – AWG |
| 16 14 12 10 10 10 16 14 12 12 10 10 18 16 14 12 12 10 | |
| 50 100 150 200 250 300 Length of Run – Feet (1) | |
TYPICAL FIELD WIRING CONNECTIONS — 61⁄2 AND 71⁄2 TON [23 kW AND 26 kW]

EVACUATION AND CHARGING
The evacuation of any system component that has been exposed to the atmosphere or lost its charge is essential before charging. Never attempt to operate a system while it is under a vacuum.
NOTE:
The condensing unit is shipped with a holding charge of dry nitrogen which must be purged from the unit before evacuation.
- Since the condensing unit itself must be evacuated, open the suction, discharge and liquid shutoff valves.
- Use a refrigeration-type vacuum pump capable of evacuation in the 500-micron range.
- Connect the vacuum pump to the service manifold assembly with a pressure gauge that will read 30 inches vacuum. Connect the service manifold to the suction line schrader valve port.
CHARGING HINTSSYMPTOM POSSIBLE CAUSE REMEDY High head pressure a. Air flow to or from condenser restricted or dirty condenser b. Faulty condenser fan or motor.
c. Overcharge of refrigerant
d. Air in system.
a. Remove obstruction, relocate condensing unit, if necessary clean condenser. b. Replace.
c. Reduce charge.
d. Evacuate and recharge.
Low head pressure a. Short of refrigerant. b. Low evaporator air flow.
a. Check for leak, add charge. b. Increase blower speed, check filters.
Low vapor & hot compressor a. Short of refrigerant. a. Check for leak—add refrigerant. Excessive sweating a. Low indoor airflow b. Excess refrigerant
a. Increase speed of air handler blower or reduce restriction—replace air filter. b. Slowly reduce charge.
- With an accurate scale, 1⁄2 oz., set refrigerant tank up so its weight can be measured while in a position to charge liquid. (Unit must be off.) Energize liquid line solenoid valve by wiring valve to 24V power supply (or open by manual stem if applicable).
- Connect to the liquid shutoff valve port. Shut off tank and evacuate the system. The pressure gauge should read at least 29.5” of vacuum.
- Triple evacuate the system.
- The refrigerant system will now be free of noncondensables.
- Remove vacuum pump from 3way valve.
- Install refrigerant tank (liquid charging) to service valve.
- Before tightening, purge tank and service valve hose.
- Note weight of the refrigerant tank.
- Deenergize liquid line solenoid valve. Open the refrigerant tank valve. Allow pressure in tank and unit to equalize.
- Close off the service valve to liquid port and note the weight of the refrigerant tank.
- Position the tank for gas charging.
- Rewire liquid line solenoid to thermostat control. Close main disconnect switch and turn the thermostat to lowest setting.
- Charge unit per chart.
- Adjust the refrigerant charge to obtain the pressures indicated (refer to Table 5).
- Note the weight of the refrigerant tank.
- When the system has stabilized, check superheat at the suction line service valve. The actual line temperature should be 8° to 20°F higher than the saturation temperature corresponding to the suction pressure. If superheat is measured at the evaporator, the actual line temperature should be 6° to 10° higher than the saturation temperature corresponding to the suction pressure.
- Close service ports on suction and liquid valves. Remove service gauges.
- Replace service port caps and valve stem caps. These caps must be replaced to prevent leaks.
- Record total charge quantity on the rating plate.
| Tube Size O.D., In. | Liquid oz/ft | Vapor oz/ft |
| 1/2 | 1.06 | 0.04 |
| 5/8 | 1.65 | 0.07 |
| 3/4 | 2.46 | 0.10 |
| 7/8 | 3.28 | 0.13 |
| 1 1/8 | 0.22 | |
| 1 3/8 | 0.34 | |
| 1 5/8 | 0.48 | |
| 2 1/8 | 0.84 |
Quantities based on 110°F liquid and 45°F vapor.
BASIC SYSTEM CHARGE
| Unit Model | Basic System Charge, Oz. |
| (-)ACL2078 | 378 |
| (-)ACL2090 | 378 |
NOTE: System with 0 feet of tubing
SEQUENCE OF OPERATION
61⁄2 XVIII. AND 71⁄2 TON [23 kW AND 26 kW]
- When the room temperature is higher than the thermostat setting, the thermostat contacts close and energize the compressor contactor (CC) through the high pressure, and low-pressure controls. If the unit has “short cycled” and the optional time delay (TDC) has been supplied, the contactor coil (CC) will remain deenergized for up to five (5) minutes.
- The system will continue cooling operation, as long as the contacts of all safety devices are closed and until the thermostat is satisfied.
- When the thermostat is satisfied, the compressor or contactor (CC) is deenergized.
ACCESSORIES
ANTI-SHORT CYCLE TIMER
ANTISHORTCYCLE TIMER
Prevents restarting of unit for five minutes if shut down for any reason. (See wiring diagram and schematic in this manual for proper location and installation; item TDC.)
NOTE:
These units must be installed outdoors. No ductwork can be attached, or other modifications made, to the discharge grille. Modifications will affect performance or operation.
LOW AMBIENT CONTROL
Outdoor fan motor speed control designed to regulate condenser head pressure at low ambients by varying the air volume through the condenser. Has been tested and is available through the parts department.
- Part No. RXADA08

LIQUID LINE SOLENOID VALVE
LIQUID LINE SOLENOID VALVE (24V)
Recommended for all split system applications, to prevent refrigerant migration during off cycles. See wiring connection (See Figure 10). Solenoid to be located in liquid line close to air handler.
- Part No. RXAVCD078
SIGHT GLASS
SIGHT GLASS
Allows viewing of the refrigerant. Bubbles may indicate a shortage of refrigerant or a restriction in the liquid line. The color indicator shows relative moisture saturation of the refrigerant. Its inclusion in the refrigerant piping is recommended. A minimum of 12 hours after installation is required before attempting to determine if a moisture condition within the system exists.
- Part No RXAG A048

MISCELLANEOUS
CHARGE CHARTS
FIGURE 10
Split System Air Conditioner 6-1/2 Tons System Charge Chart – Refrigerant 410A
Basic System Charge With 0 Feet Of Tubing = 344.2 Oz. Add Additional Amount As Shown In Table Below
COOLING
Design Subcooling @ 95 F Ambient = 10 F (At Service Valve)
Cooling Instructions
Caution:
Return Air Temperature Must Be Between 70° & 75° Before Final Refrigerant Check.
INSTRUCTIONS:
- Connect Pressure Gauges To Vapor And Liquid Ports At Outdoor Unit.
- Measure Air Temperature To The Unit (Outdoor Dry Bulb Ambient).
- Place An “X” On The Chart Where The Vapor And Liquid Pressure Cross.
- If “X” Is Below Outdoor Temperature Line, Add Charge And Repeat 3.
- If “X” Is Above Indoor Temperature Line, Recover Charge And Repeat 3.
- Pressures Are Ref. Only -Final Charge Varification To Be Based On “Design Subcooling” Note At The Top Of The Cooling Chart.
| Required Ounces R-410A Charge Per Foot of Tubing | ||
| Tube Size O.D. in. | Liquid Tube | Vapor Tube |
| 1/2 | 1.15 | |
| 5/8 | 1.86 | |
| 1-1/8 | 0.34 | |
| 1-3/8 | 0.52 | |
CHARGE CHARTS
FIGURE 11
Split System Air Conditioner 7-1/2 Tons System Charge Chart – Refrigerant 410A
Basic System Charge With 0 Feet Of Tubing = 344.2 Oz. Add Additional Amount As Shown In Table Below
COOLING
Design Subcooling @ 95 F Ambient = 10 F (At Service Valve)
Cooling Instructions
Caution:
Return Air Temperature Must Be Between 70° & 75° Before Final Refrigerant Check.
INSTRUCTIONS:
- Connect Pressure Gauges To Vapor And Liquid Ports At Outdoor Unit.
- Measure Air Temperature To The Unit (Outdoor Dry Bulb Ambient).
- Place An “X” On The Chart Where The Vapor And Liquid Pressure Cross.
- If “X” Is Below Outdoor Temperature Line, Add Charge And Repeat 3.
- If “X” Is Above Indoor Temperature Line, Recover Charge And Repeat 3.
- Pressures Are Ref. Only -Final Charge Varification To Be Based On “Design Subcooling” Note At The Top Of The Cooling Chart.
| Required Ounces R-410A Charge Per Foot of Tubing | ||
| Tube Size O.D. in. | Liquid Tube | Vapor Tube |
| 1/2 | 1.15 | |
| 5/8 | 1.86 | |
| 1-1/8 | 0.34 | |
| 1-3/8 | 0.52 | |
MAINTENANCE AND OPERATION
- All access panels must be in place when unit is in operation.
- For maximum efficiency, the condenser coil must be kept clean. Periodic inspections, depending on local conditions are recommended. If it is necessary to clean the con-denser coil, use a common garden hose.
- Never operate the unit without filters installed in the air handler.
- If a compressor crankcase heater is used, it must be turned on 12 hours prior to starting the compressor.
CONTACTOR
The contactor is an electrical switch that operates the compressor and condenser fans. Its 24-volt coil is activated either directly or indirectly by the room thermostat.
HIGH-PRESSURE SWITCH (HPC)
Opens the contactor (24 volt) circuit on high refrigerant pressure—Manual Reset—check for cause of tripping before putting unit back in service.
LOW-PRESSURE SWITCH (LPC)
Acts as safety against loss of refrigerant and low evaporator temperatures.
PRE-START CHECK
PRE-START CHECK
- Is the condensing unit properly located and level?
- Is air free to travel to and from the condensing unit?
- Is the wiring correct and according to the unit wiring diagram?
- Are wiring connections tight? (Including those in unit and compressor electrical box.)
- Is the unit properly grounded?
- Is the circulating air blower correctly wired?
- Is the condensing unit properly fused?
- Is the thermostat level, correctly wired and in a good location?
- Is the ductwork correctly sized, run, taped, and insulated?
- Is refrigerant tubing neatly run and the suction line thoroughly insulated?
- Is the condensate drain line properly sized, run, trapped, and pitched?
- Are refrigerant connections tight and leak tested?
- Is the filter clean and in place?
- Does the condenser fan turn free without rubbing?
- Is the fan tight on the fan shaft?
- Are all covers and access panels in place to prevent air loss?
- Are refrigerant valves open for full flow?
TROUBLESHOOTING
WARNING
DISCONNECT ALL POWER TO UNIT BEFORE SERVICING. THE CONTACTOR MAY BREAK ONLY ONE SIDE. FAILURE TO SHUT OFF POWER CAN CAUSE ELECTRICAL SHOCK RESULTING IN PERSONAL INJURY OR DEATH.
| SYMPTOM | POSSIBLE CAUSE | REMEDY |
| Unit will not run | • Power off or loose electrical connection • Thermostat out of calibrationset too high • Defective contactor
• Blown fuses • Transformer defective • High pressure control open (if provided)
• Interconnecting low voltage wiring damaged. | • Check for correct voltage at compressor contactor in control box • Reset • Check for 24 volts at contactor coil replace if contacts are open • Replace fuses • Check wiringreplace transformer • Resetalso see high head pressure remedyThe high pressure control opens at 610 PSIG • Replace thermostat wiring |
| Condenser fan runs, compressor doesn’t | • Run or start capacitor defective (single phase only) • Start relay defective (single phase only) • Loose connection
• Compressor stuck, grounded or open motor winding, open internal overload.
• Low voltage condition | • Replace • Replace • Check for correct voltage at compressor check & tighten all connections • Wait at least 2 hours for overload to reset. If still open, replace the compressor. At compressor terminals, voltage must be within 10% of rating plate volts when unit is operating. • Add start kit components |
| Insufficient cooling | • Improperly sized unit • Improper airflow • Incorrect refrigerant charge • Air, noncondensibles or moisture in system • Incorrect voltage | • Recalculate load • Check should be approximately 400 CFM per ton. • Charge per procedure attached to unit service panel • Recover refrigerant, evacuate & recharge, add filter drier • At compressor terminals, voltage must be within 10% of rating plate volts when unit is operating. |
| Compressor short cycles | • Incorrect voltage
• Defective overload protector • Refrigerant undercharge | • At compressor terminals, voltage must be ±10% of nameplate marking when unit is operating. • Replace check for correct voltage • Add refrigerant |
| Registers sweat | • Low evaporator airflow | • Increase speed of blower or reduce restriction replace air filter |
| High headlow vapor pressures | • Restriction in liquid line, expansion device or filter drier • Flow check piston size too small • Incorrect capillary tubes • TXV does not open | • Remove or replace defective component • Change to correct size piston • Change coil assembly • Replace TXV |
| High headhigh or normal vapor pressure Cooling mode | • Dirty condenser coil • Refrigerant overcharge • Outdoor fan not running • Air or noncondensibles in system | • Clean coil • Correct system charge • Repair or replace • Recover refrigerant, evacuate & recharge |
| High headhigh or normal vapor pressure Heating mode | • Low air flow condenser coil • Refrigerant overcharge • Air or noncondensibles in system • Dirty condenser coil | • Check filters correct to speed • Correct system charge • Recover refrigerant, evacuate & recharge • Check filter clean coil |
| Low headhigh vapor pressures | • Defective Compressor valves • Defective TXV(s) | • Replace compressor • Replace coil assembly |
| Low vapor cool compressor iced evaporator coil | • Low evaporator airflow • Operating below 65°F outdoors • Moisture in system | • Increase speed of blower or reduce restriction replace air filter • Add Low Ambient Kit • Recover refrigerant evacuate & recharge add filter drier |
| High vapor pressure | • Excessive load • Defective compressor | • Recheck load calculation • Replace |
| Fluctuating head & vapor pressure | • TXV hunting
• Air or non-condensibles in system | • Check TXV bulb clamp – check air distribution on coil – replac TXV • Recover refrigerant, evacuate & recharge |
| Gurgle or pulsing noise at expansion device or liquid line | • Air or non-condensibles in system | • Recover refrigerant, evacuate & recharge |
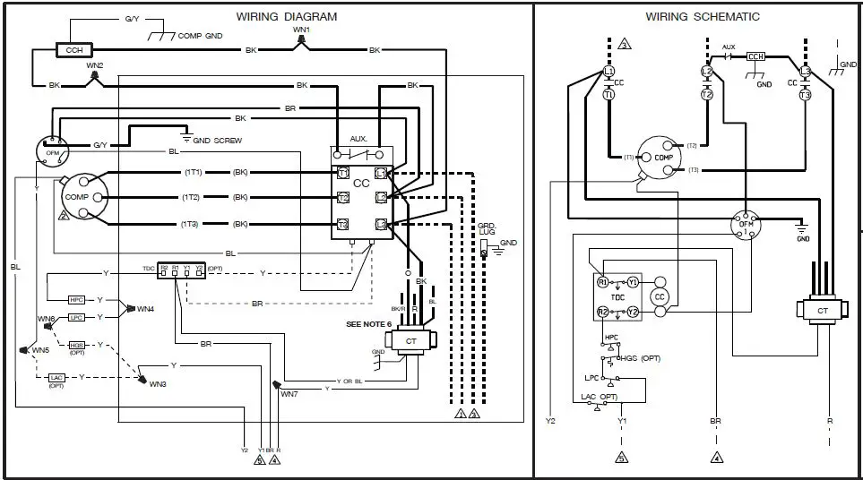
WIRING DIAGRAM
WIRING DIAGRAM & SCHEMATIC

COMPONENT CODES
- AUX AUXILIARY CONTACT
- CC COMPRESSOR CONTACTOR
- CCH CRANKCASE HEATER
- CT CONTROL TRANSFORMER
- COMP COMPRESSOR
- GND GROUND CHASSIS
- HGS HOT-GAS SENSOR
- HPC HIGH-PRESSURE CONTROL
- LAC LOW AMBIENT COOLING CONTROL
- LPC LOW-PRESSURE CONTROL
- OFM OUTDOOR FAN MOTOR
- OPT OPTIONAL COMPONENT
- RES RESISTOR
- SC START CAPACITOR
- SR START RELAY
- TDC TIME DELAY CONTROL
NOTES
- CONNECTORS SUITABLE FOR USE WITH COPPER CONDUCTORS ONLY.
- COMPRESSOR MOTOR THERMALLY PROTECTED AND ALL 3 PHASE ARE PROTECTED UNDER PRIMARY SINGLE PHASE CONDITIONS.
- CONNECT FIELD WIRING IN GROUNDED RAINTIGHT CONDUIT TO FUSED DISCONNECT VOLTAGE, HERTX, AND PHASE PER RATING PLATE.
- LOW VOLTAGE CIRCUIT TO BE N.E.C. CLASS 2 WITH A CLASS 2 TRANSFORMER 24 VOLT, 50 OR 60 HERTZ.
- TO THERMOSTAT SUB-BASE, REFER TO SYSTEM SCHEMATICS OR SCHEMATICS ON INDOOR SECTION FOR LOW VOLTAGE CONTROL WIRING.
- MAIN UNIT TRANSFORMER PRIMARY LEADS:
208/230-460V 60HZ: BLACK-COM, RED – 208V, ORANGE – 230V, BLACK/RED – 460V 220/240V 50HZ: BLACK-COM, RED – 220V, ORANGE – 230V 380V 60HZ: ORANGE-COM, BLUE – 380V
WIRING INFORMATION
LINE VOLTAGE
- FACTORY STANDARD
- FACTORY OPTION
- FIELD-INSTALLED
LOW VOLTAGE
- FACTORY STANDARD
- FIELD INSTALLED
REPLACEMENT WIRE
- MUST BE THE SAME SIZE AND TYPE OF INSULATION AS THE ORIGINAL (105C. MIN.)
WARNING
CABINET MUST BE PERMANENTLY GROUNDED AND CONFORM TO I.E.C., N.E.C., C.E.C., NATIONAL WIRING REGULATIONS, AND LOCAL CODES AS APPLICABLE.
WIRE COLOR CODE
- BK……BLACK
- BR……BROWN
- BL…….BLUE
- G……..GREEN
- GY……GRAY
- O……..ORANGE
- PR……PURPLE
- R……..RED
- W…….WHITE
- Y……..YELLOW
ELECTRICAL WIRING DIAGRAM 2-STAGE CONDENSING UNITS THREE PHASE WITH ECM
208/230, 380, 460V, 3 PH, 60 Hz, 220/220, 380/415V, 3 PH, 50 Hz



















