Installation Instructions for
Testa Wall
TESTA_OD_WALL
1.0 8_57793S
GENERAL PRODUCT INFORMATION:
These fixtures are intended to be installed utilizing NEC compliant junction boxes.
This product is safety listed for wet locations. This instruction shows a typical installation.
CAUTION RISK OF FIRE
-This product must be installed in accordance with the applicable installation code by a person familiar with the construction and operation of the product and the hazards involved.
Use minimum 90°c supply conductors.
SAVE THESE INSTRUCTIONS!

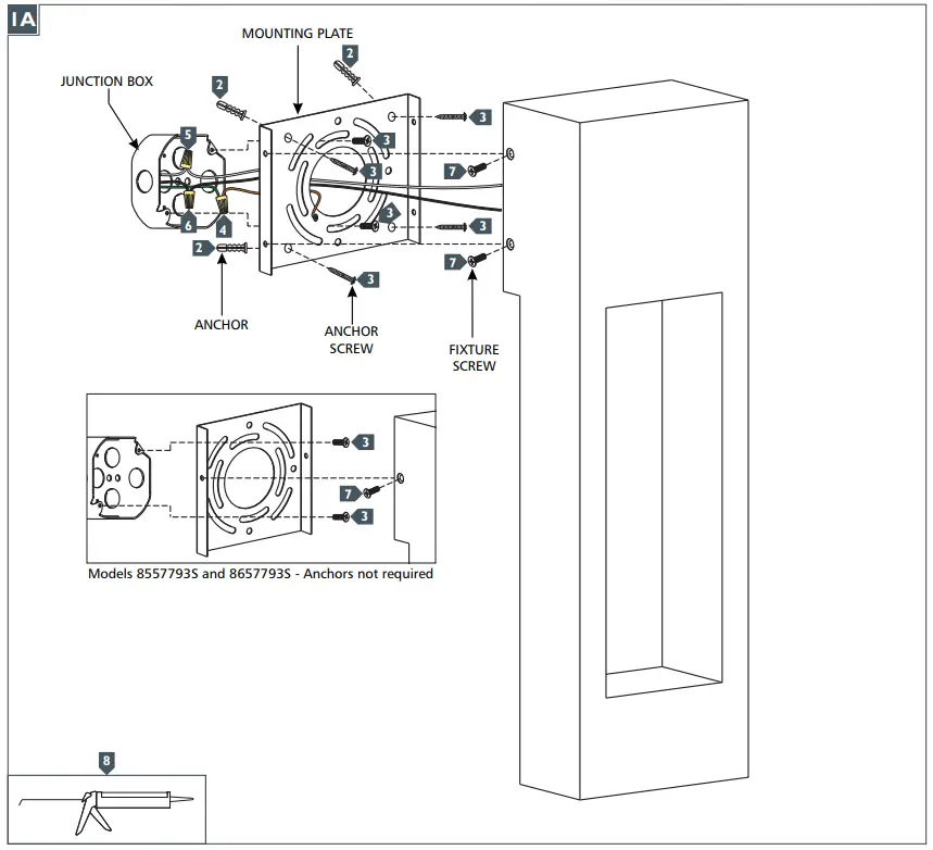
Install the Fixture

- For 8657793S and 8857793S models only: Temporarily install the mounting plate to the junction box and mark the anchor locations through the holes on the mounting plate. Remove the mounting plate.
- For 8657793S and 8857793S models only: Drill appropriate sized holes at the marked locations and install the anchors.
- Secure the mounting plate to the junction box and screw the anchor screws into the anchors. Note: anchors not required for models 8557793S and 8657793S.
- Connect the fixture to a suitable ground in accordance to local electrical codes.
- Connect the white fixture wire (square and/or rigid) to the neutral power line wire with a wire nut.
- Connect the black fixture wire (round and/or smooth) to the hot power line wire with a wire nut.
- Neatly place all the wires into the junction box, place the fixture base onto the mounting plate, and secure it in place with the fixture screws.
- Caulk around the base of the fixture with waterproof construction sealant.
7400 Linder Ave., Skokie, IL 60077
T 847.410.4400 | F 847.410.4500
www.generationlighting.com
©2022 Visual Comfort & Co., L.L.C. All rights reserved.
The Visual Comfort & Co. logo is a registered trademark of Visual Comfort & CoVisual Comfort & Co. reserves the right to change specifications for product improvements without notification.














