Paslode F350-21 21 Degree Round Head Framing Nailer
INTRODUCTION
The PASLODE® F350-21° framing nailer is a quality-built tool designed for use in residential framing applications. This tool will deliver efficient, dependable performance when used according to the manufacture’s guidelines. Please study this manual including the safety instructions to fully understand the operation of this tool.
ACCESSORIES
TOOL AND FASTENER SPECIFICATIONS
TOOL SPECIFICATIONS
| MODEL NO. | F350-21° (Part# 514000) |
| HEIGHT | 13” |
| WIDTH | 5″ |
| LENGTH | 21″ |
| WEIGHT | 8 lbs. 1oz. |
| OPERATING PRESSURE | 80 to 120 p.s.i. (5.5 to 8.3 bars) |
FASTENER SPECIFICATIONS
| NAIL LENGTH | 2″ -3-1/2″ |
| SHANK DIAMETER | .113 – .148 |
TOOL AIR FITTINGS:
This tool uses a 3/8” N.P.T. male plug. The fitting must be capable of discharging tool air
pressure when disconnected from the air supply.
OPERATING AIR PRESSURE:
80 to120 p.s.i. (5.5 to 8.3 bars). Select the operating air pressure within this range for best tool performance. DO NOT EXCEED THIS RECOMMENDED OPERATING PRESSURE.
SAFETY INSTRUCTIONS
SAFETY FIRST
These safety instructions provide information necessary for safe operation of Paslode® tools. DO NOT ATTEMPT TO OPERATE THE TOOL UNTIL YOU READ AND UNDERSTAND ALL SAFETY PRECAUTIONS AND MANUAL INSTRUCTIONS.
WEAR EYE AND HEARING PROTECTION
Always wear hearing and eye protection devices, that conform to ANSI Z87.1 requirements, when operating or working in the vicinity of a tool. As an employer you are responsible for enforcing the use of eye protection. Wear hard hats in environments that require their use.
THE TOOL MUST BE USED ONLY FOR THE PURPOSE FOR WHICH IT WAS DESIGNED
Do not throw the tool on the floor, strike the housing in any way or use the tool as a hammer to knock material into place.
NEVER ENGAGE IN HORSEPLAY WITH THE TOOL
The tool is not a toy so do not use it like one. Never engage in horseplay with the tool or point it at yourself or any other person, even if you think it is not loaded.
NEVER ASSUME THE TOOL IS EMPTY
Check the magazine for fasteners that may be left in the tool. Even if you think the tool is empty or disconnected, never point it at anyone or yourself. Unseen fasteners could fire from the tool.
NEVER CLAMP THE TRIGGER IN A LOCKED OR OPERATING POSITION
The trigger of the tool must never be tampered with, disabled or clamped in a locked or operating position since this will cause the tool to drive a fastener any time the work contacting element depressed.
DO NOT LOAD FASTENERS WITH THE AIR LINE CONNECTED, OR WITH THE TOOL TRIGGER OR WORK CONTACTING ELEMENT DEPRESSED
When loading fasteners into the tool be sure you disconnect the air line and that you do not depress the trigger or work contacting element.
OPERATE THE TOOL ONLY ON A WORKPIECE
The tool should be operated only when it is in contact with the workpiece. Even then you should be careful when fastening thin material or working near the edges and corners of the workpiece since the fasteners may drive through or away from the workpiece.
DO NOT DISABLE OR REMOVE THE WORK CONTACTING ELEMENT
This tool is equipped with a safety mechanism, called a work contacting element, to help prevent accidental firing. Never tamper with, disable or remove the work contacting element. Do not use the tool unless the work contacting element is working properly. The tool could fire unexpectedly.
DISCONNECT THE TOOL WHEN NOT IN USE
Always disconnect the tool from the air line when it is not in use, when you leave the work area or when moving the tool to a new location. The tool must never be left unattended because people who are not familiar with the tool might handle it and injure themselves or others.
CARRY THE TOOL ONLY BY THE HANDLE
Always carry the tool by the handle only. Never carry the tool by the air hose or with the trigger depressed since you could drive a fastener unintentionally and injure yourself or someone else.
DO NOT WEAKEN THE TOOL HOUSING
The tool housing is a pressure vessel and should never be weakened by having your companyʼs name, area of work or anything else stamped or engraved into its surface.
DISCONNECT THE TOOL WHEN PERFORMING REPAIRS AND CLEARING JAMS
Never attempt to clear a jam or repair a tool unless you have disconnected the tool from the air line and removed all remaining fasteners from the tool. ALWAYS USE THE PROPER FITTING FOR THE TOOL Only MALE pneumatic type air connectors should be fitted to the tool, so that high pressure air in the tool is vented to atmosphere as soon as the air line is disconnected. NEVER install FEMALE quick disconnect couplings on the tool. Female couplings will trap high pressure air in the tool when the air line is disconnected, leaving the tool charged and able to drive at least one fastener.
DO NOT EXCEED THE MAXIMUM RECOMMENDED AIR PRESSURE
Operate the tool only at the recommended air pressure. Do not exceed the maximum air pressure marked on the tool. Be sure the air pressure gauge is operating properly and check it at least twice a day. Never use any bottled air or gases such as oxygen to operate the tool since they could cause the tool to explode.
INSPECT TOOL FOR PROPER OPERATION
Clean the tool at least daily and lubricate as required. Never operate a dirty or malfunctioning tool.
USE ONLY PASLODE RECOMMENDED PARTS AND FASTENERS
Use only parts and fasteners specifically designed and recommended by Paslode for use in the tool and for work to be done. Using unauthorized parts and fasteners or modifying the tool in any way creates dangerous situations. Replace all missing warning labels—refer to tool schematic for correct placement and part number.
TOOL INSTALLATION
Your Paslode tool comes ready for immediate use and can be installed by following these steps:
SAFETY
- All tool operators and their immediate supervisors must become familiar with the operator safety instructions before operating the tool. The instructions are on page 4 of this manual.
- Included with each tool are one copy of this Safety and Maintenance manual and one copy of the Tool Schematic. Keep these publications for future reference. An ownership registration card is also included. This card must be completed and returned to Paslode immediately to register your ownership.
- The plastic cap in the air inlet of the tool must be removed before the male fitting is installed. The fitting must be a male pneumatic type that discharges the air from the tool when the air line is disconnected.
- Install a filter/regulator/lubricator unit, with a gauge as close as practical to the tool, preferably within ten feet. Refer to the Air Systems section of this manual for air hose requirements and lengths. In general, no other special installation is required.
- If the operator is working at a bench or table, it is usually best to run the air line underneath the bench. A small tray under the benchtop can hold the fastener supply and the tool when not in use.
- If this tool does not work when it is first connected, do not try to make repairs. Call your Paslode representative immediately
TOOL OPERATION
The depth of drive adjustment is made by turning the thumbwheel on the work contact element. If the tool is overdriving (the fastener head is driven below the work surface), the work contact element should be moved downward. If the fasteners stand up (the head not flush with the surface), the work contact element should be moved up. Adjust the work contact element until the fastener head depth meets job requirements.
Loading of Nails
- Step 1 – Grasp the handle firmly.
- Step 2 – Insert one or two strips of nails into the rear of the magazine.
- Step 3 – Pull the follower to the rear of th magazine until it is engaged behind th nails
Switching the Trigger
The tool is manufactured with a trigger that can be switched from sequential operation to a bounce drive operation. The trigger is placed in the sequential operating position when the tool was manufactured. To switch the trigger to the bounce operating position, remove the O-ring and trigger pivot pin from the trigger assembly. Move the trigger to the bounce operation position and install the trigger pivot pin and O-ring. The postion indicator
on the tool should now be pointing to the
as shown in the illustration.
Sequential Operation
- The sequential operating kit prevents succesive or “bounce” driving.
- Depress the work contacting element and hold it against the work surface before pulling the trigger.
- After each fastener is driven, completely release the trigger and lift the tool from the work surface

Precision Placement Driving
- Grasp the tool handle firmly and place the bottom of the work contacting element firmly against the workpiece until it is completely depressed.
- Squeeze the trigger to drive the fastener.
- Lift the tool from the workpiece.
- Repeat the procedure for the next fastener. Successive (Bounce) Driving
- Grasp the handle firmly.
- Squeeze the trigger and move the tool along the workpiece with a bouncing motion, depressing the work contacting element at the points where you want to insert a fastener.
- Keep the trigger depressed and continue to bounce the work contacing element against the workpiece, positioning the tool above as carefully as possible.
- When the desired number of fasteners have been driven, release the tool trigger to avoid unintentional fastener discharge.
AIR SYSTEMS
For air-powered tools to work their best, the air supply system must be properly installed and maintained regularly. A drawing in this section shows a properly installed air supply system. Handy checklists for installing and maintaining air supply systems follow. Indoor Air System Installation -Be certain that: All pipes supplying air have a large enough inside diameter to ensure adequate air supply. The main supply pipe slopes down, away from the compressor (1/16 inch per foot). Air storage is provided along lengthy air lines. Pipe line branch outlets are at the top of the main pipe line. Cutoff valves are provided at each branch pipe line throughout the system. Water legs extend from the bottom of each branch line. A refrigerant-type dryer is installed on the system. Air hoses are kept as short as practical. A regular maintenance program is followed. Outdoor Air System Installation -Be certain that: A moisture trap and a filter/regulator/lubricator are installed at the compressor. Air hoses and fittings are large enough so that air flow is not restricted. The minimum hose size is 3/8 inch ID with 1/2 inch ID hose used for any application over 25 feet. Air hoses are not longer than 150 feet. The air system is lubricated regularly A regular maintenance program is followed.
Filter/Regulator/Lubricator Units
Filter/regulator/lubricator units that can supply enough air and protection for Paslode tools must meet the following specifications:
- Minimum 3/8 inch NPT port size .
- 50 micron or fine filters.
- Regulated pressure from zero to 120 psi.
- Lubricators designed for low or changing airflow.

Calculating Compressor Size.
Use the air consumption chart in the Tool Schematic for each tool when calculating the operating requirements for the tools. Paslode tools are designed to operate efficiently between 80 and 120 psi and should never be operated at pressure greater than 120 psi. The air consumption chart will help you find the correct compressor size for your application that will quickly replenish tool air pressure. To use the chart you will need to know how many how many tools will be used and approximately how many fasteners will be driven each minute by each tool onthe line.
Using the equation:
Number of tools X average fasteners/minute/ tool X 1.2 (safety factor) X air consumption (scfm) @ pressure* (psi) = scfm required. We can use the following example: 10 tools X 30 fasteners/minute/tool X 1.2 X 0.051scfm* (@100psi) = 18.36 scfm. *This number is found in the Air Consumption Chart In this example, using the air consumption chart we findthat a compressor providing at least 19 scfm of air is required. Because in compressors approximately 1 hp is required to produce 4 scfm, a compressor of at least 5 hp is required.
Calculated Required Piping
For example, given a 20 hp electric compressor supplying approximately 80 cfm of air at 120 psi and a main supply pipe length of 350 feet, we see by the table the minimum main pipe inside diameter required for this application is 1-1/4 inch.
| VOLUME OF AIR (CFM) | LENGTH OF RUN (FT.) | ||||
| 50-200 | 290-500 | 500-1000 | 1000-2500 | 2500-5000 | |
| NOMINAL PIPE DIAMETER (IN.) | |||||
| 30-60 | 1 | 1 | 1¼ | 1½ | 1½ |
| 60-100 | 1 | 1¼ | 1¼ | 2 | 2 |
| 100-200 | 1¼ | 1½ | 2 | 2¼ | 2½ |
| 200-500 | 2 | 2½ | 3 | 3½ | 3½ |
| 500-1000 | 2½ | 3 | 3½ | 4 | 4½ |
Pneumatic System Maintenance – Be certain that:
- Pneumatic fittings are tight and do not leak.
- Water legs, filters and air lines are drained daily, and ensure that automatic draining systems are operating correctly.
- Air lines are cleared to prevent freezing, especially in winter.
- Lubricator operation is checked regularly and ensure it has an adequate supply of lubricant. (Paslode Part No. 403720)
- The filter element is cleaned every six months.
- Only regulated air is being used and that each regulator is operating properly.
F350-21° FEATURES & BENEFITS
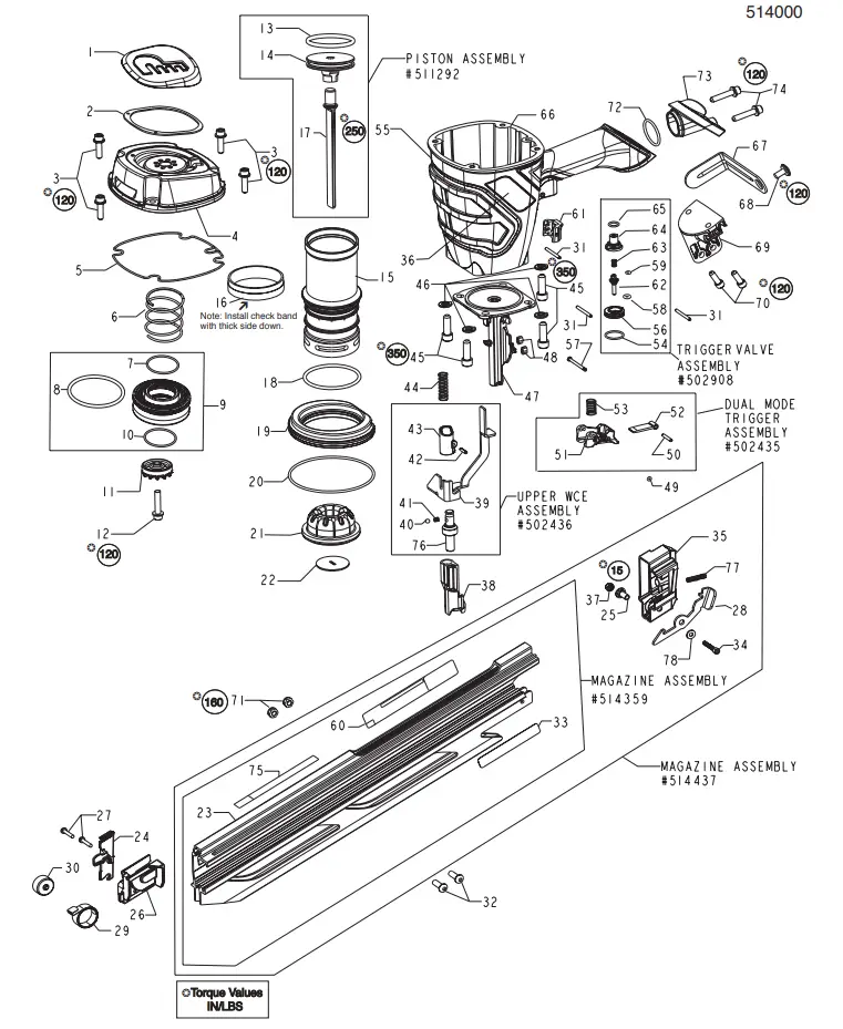
PARTS LEGEND
| 1 * 2 3 4 * 5 6 * 7 * 8 9 *10 • 11 12 *13 14 15 *16 ■ *17 *18 19 *20 *21 *22 23 24 25 26 27 28 29 30 31 32 33 34 35 36 37 38 39 | 502004 502062 501299 502003 502013 123984 502859 211664 502434 198028 502056 501300 092971 501337 511119 502010 502261 092235 502007 401985 500866 500729 514890 502126 502147 514127 502258 502146 502026 502025 403796 502017 514289 502274 514129 514034 404325 502293 502046 | 1 1 4 1 1 1 1 1 1 1 1 1 1 1 1 1 1 1 1 1 1 1 1 1 1 1 2 1 1 1 3 2 1 1 1 1 1 1 1 | Air Deflector Air Deflector Gasket S.H.C.S. 1/4-20 x 1” Top Cap Top Cap Gasket Valve Spring O-Ring O-Ring Poppet Assembly O-Ring Exhaust Seal S.H.C.S.1/4-20 x 1-1/4” O-Ring, Piston Piston Sleeve Check Band Driver Blade O-Ring Bulkhead O-Ring Bumper Driver Blade Seal Magazine Assembly Follower Latch Bushing Follower Body P.P.H.S. #6 x 3/4” Follower Latch Negator Spring Drum Pin Assembly Roll Pin 1/8” x 1-1/4” B.H.C.S. 1/4-20 x 3/4” Model Label S.H.C.S. #8-32 x 1” Magazine End Cap Housing Label Left Locknut #8-32 Lower W.C.E. Upper W.C.E. | 40 41 42 43 44 ▲ 45 46 47 * 48 * 49 50 51 52 53 * 54 55 56 57 * 58 * 59 **60 61 62 63 64 *65 66 67 68 69 ■ 70 71 * 72 73 74 75 76 77 78 | 502049 502061 404361 502050 502055 009016 095417 502125 502014 502042 091866 502053 502040 502060 092747 514035 502043 502041 1015358 196345 514288 502033 502446 502059 502044 197913 502353 502774 502357 502351 009041 442681 417147 502005 501300 502193 502299 502191 401955 | 1 1 1 1 1 4 4 1 2 1 1 1 1 1 1 1 1 1 1 1 1 1 1 1 1 1 1 1 1 1 2 2 1 1 2 1 1 1 1 | Detent Ball Detent Spring Roll Pin 1/8” x 1/2” Detent Body W.C.E. Spring S.H.C.S. 5/16-18 x 1” with Patch Lock Washer 5/16 Nose Magazine Isolator O-Ring Roll Pin 1/8” x 3/4” Dual Mode Trigger Trip Lever Trigger Spring O-Ring Housing Label Right Lower Valve Spool Trigger Pivot Pin O-Ring O-Ring Name Plate/Warning Label W.C.E. Guide Block Valve Pin with O-Rings Valve Pin Spring Upper Valve Spool O-Ring Housing with Grip Rafter Hook Rafter Hook Bolt Magazine Bridge S.H.C.S. 1/4-20 x 3/4” Locknut 1/4-20 O-Ring Housing End Plug S.H.C.S. 1/4-20 x 1-1/4” Actuation Setting Label Thumb Wheel Latch spring #8 Flat Washer |
- Denotes Normal Wear Items.
- Make sure Warning Label (514288) is properly affixed. Replace if necessary. Label available at no charge through the Service Parts Dept
Apply Loctite 242 (Blue) Part No. 093500
Apply Loctite 620 (Green) Part No. 401491
Apply Loctite 271 (Red) Part No. 093422
Denotes New Change
SAFETY INSTRUCTIONS
WEAR EYE AND HEARING PROTECTION
Always wear hearing protection and eye protection devices, including side shields when operating or working in the vicinity of a tool.

DO NOT EXCEED THE MAXIMUM RECOMMENDED AIR PRESSURE
Operate the tool using only the recommended air pressure. Do not exceed the maximum air pressure marked on the tool. Be sure the air pressure gauge is operating properly and check it at least twice a day
MAINTENANCE
Paslode® tools are built for ease of maintenance. A few simple details will assure trouble-free operation and long tool life. Anyone who uses or maintains the tool must read the safety and maintenance instructions. Study the schematic drawing before starting any repairs on the tool. Air-operated tools must be inspected periodically, and worn or broken parts must be replaced to keep the tool operating safely and efficiently. Also the items on the maintenance chart must be checked often.
Cold Weather Care .
When temperatures are below freezing, tools should be kept warm by any convenient, safe method. If this is not possible, the following procedure should be used to warm up the tools.
- Reduce the regulated air pressure to 30 psi.
- Remove all fasteners from the tool.
- Collect an air line and blank fire the tool. The reduced air pressure will be enough to free- re the tool. Slow speed fi operation tends to warm up the moving parts. Slowing up the piston helps the bumper and the O-rings to become springy
- Once the tool is warmed up, readjust the regulator to the proper working pressure and reload the tool.
- Tool operators working outdoors or in unheated areas in extremely cold temperatures should also: Use Paslode pneumatic oil with antifreeze in the lubricator, Part No. 219090 (8oz.) Once a week, depending on the amount of tool use, take the tool apart and wash away any sludge with tool cleaner (Paslode Part No. 219348) to keep the tool operating efficiently. Cleaning the air-operated tools with solvents removes the thin coating of grease applied to the cylinder wall and O-rings at the factory. To replace this coating of grease
use Chemplex grease (Paslode Part No. 403734) - Open the drain on the air compressor tank to drain any moisture at least daily in extremely cold or humid weather. A few ounces of anti-freeze in the tank will keep the air free of frost.
Testing the Tool After Servicing
- After replacing any part or parts, it is important to check the tool for proper operation. This ensures that the tool was put together correctly, is safe to use, and will perform the job properly.
- Ensure that all hardware is tight.
- Ensure that the work contacting element is installed correctly in relation to the trigger, and that both parts move freely.
- Ensure that the magazine is properly attached.
- Ensure that the required safety information on the tool is legible.
- Use only Paslode-approved fasteners in the tool, and ensure that they are correct for the application.
- Ensure that a male air fitting is securely connected to the tool.
- Test the tool by driving fasteners into a workpiece identical to the tool’s application.
- Check the tool for air leaks during testing and for the proper sequence of operation.
- Ensure that all fasteners are driven to the same depth and that the crown of the fastener is flush with the workpiece.
Tool Lubrication
It is most important that the tool be properly lubricated by keeping the air line lubricator filled and correctly adjusted. Without proper lubrication, the tool will not work properly and parts will wear prematurely. Use the proper lubricant in the air line lubricator. The lubricator should be of low air flow or changing air flow type, and should be kept filled to the correct level. Use only Paslode-recommended lubricants. Substitutes may harm the rubber compounds in the tools O-rings and other rubber parts. Paslode Part No. 403720 is a pneumatic lubricating oil specially made for pneumatic applications. If a filter/regulator/lubricator is not installed on the air system, air operated tools should be lubricated at least once a day with 6 to 20 drops of oil, depending on the work environment, directly through the male fitting in the tool housing. Most minor problems can be resolved quickly and easily using the maintenance table that follows. If problems persist, contact your Paslode dealer for assistance.
MAINTENANCE TABLE
| ACTION | WHY | HOW |
| Drain air line filter(daily). | Prevent accumulation of mositure and dirt. | Open manual petcock (most air supply systems have such a valve). |
| Keep lubricator filled. | Keep tool lubricated. | Fill with Paslode pneumatic tool lubricant. Part No. 403720. |
| Clean filter element-then blow air through filter in direction opposite to normal flow. | Prevent clogging of filter with dirt. | Wash with soap and water or follow manufacturers instruc- tions. |
| Check that all screws on tool are tight. | Prevent air leakage and pro- mote efficient operation. | Check screws daily. |
| Keep work contacting elelment working properly. | Promote operator safety and efficient tool operation. | Blow clean daily. |
| Keep magazine and feeder mechanism clean. | Prevent jamming of fasteners. | Blow clean daily. |
| Lubricate “O” rings that are replaced. | Assure long life and proper operation of tool. | Use Chemplex grease, Part No. 403734. |
| Use only Paslode replacement parts. | Keep tool operating efficiently and maintain Paslode tool warranty. | Order any repacement parts needed from Paslode Dealer. |
OPERATOR TROUBLESHOOTING
| ACTION | WHY | HOW |
| Drain air line filter(daily). | Prevent accumulation of mositure and dirt. | Open manual petcock (most air supply systems have such a valve). |
| Keep lubricator filled. | Keep tool lubricated. | Fill with Paslode pneumatic tool lubricant. Part No. 403720. |
| Clean filter element-then blow air through filter in direction opposite to normal flow. | Prevent clogging of filter with dirt. | Wash with soap and water or follow manufacturers instruc- tions. |
| Check that all screws on tool are tight. | Prevent air leakage and pro- mote efficient operation. | Check screws daily. |
| Keep work contacting elelment working properly. | Promote operator safety and efficient tool operation. | Blow clean daily. |
| Keep magazine and feeder mechanism clean. | Prevent jamming of fasteners. | Blow clean daily. |
| Lubricate “O” rings that are replaced. | Assure long life and proper operation of tool. | Use Chemplex grease, Part No. 403734. |
| Use only Paslode replacement parts. | Keep tool operating efficiently and maintain Paslode tool warranty. | Order any repacement parts needed from Paslode Dealer. |
TOOL WARRANTY AND LIMITATIONS
Paslode warrants that newly purchased powe fastening tools, parts and accessories will be fre from defects in material and workmanship for th period shown below, after the date of delivery to the original user.
ONE-YEAR LIMITED WARRANTY
A one-year warranty will apply to all parts, excep those which are specifically covered by an extended warranty.
FIVE-YEAR EXTENDED LIMITED WARRANTY
A five-year warranty will apply to all housing and cap assembly castings.
WARRANTY STATEMENT
This warranty is limited to tools sold and service requested in the United States. To obtain information on warranty service in the United States, refer to the Service Center listing that was provided with your tool. Paslode’s sole liability hereunder will be to replace any part or accessory which proves to be defective within the specific time period. Any replacement part or accessory provided in accordance with this warranty will carry a warranty for the balance of the period of warranty applicable to the part it replaces. This warranty does not apply to part replacement required due to normal wear. This warranty is void as to any tool which has been subjected to misuse, abuse, accidental or intentional damage, use with fasteners.not meeting Paslode specification, size, orquality, improperly maintained, repaired with other than genuine Paslode replacement parts, damaged in transit or handling, or which, in Paslode’s opinion, has been altered or repaired in a way that affects or detracts from the performance of the tool. PASLODE MAKES NO WARRANTY, EXPRESSED OR IMPLIED, RELATING TO MERCHANTABILITY, FITNESS, ORA OTHERWISE, EXCEPT AS STATED ABOVE, and Paslode’s liability AS STATED ABOVE AND AS ASSUMED ABOVE is in lieu of all other warranties arising out of, or in connection with, the use and performance of the tool, except to the extent other wise provided by applicable law. PASLODE SHALL IN NO EVENT BE LIABLE FOR ANY DIRECT, INDIRECT, OR CONSEQUENTIAL DAMAGES, INCLUDING, BUT NOT LIMITED TO, DAMAGES WHICH MAY ARISE FROM LOSS OFANTICIPATED PROFITS OR PRODUCTION, SPOILAGE OF MATERIALS, AND INCREASED COST OF OPERATION, OR OTHERWISE. Paslode reserves the right to change specifications, equipment, or designs at any time without notice and without incurring obligation.

INTRODUCTION




















