VISUAL COMFORT TOB 5455 Piaf Large Two Light Linear Pendant
NOTICE:
This light fixture should be installed in accordance with all applicable, local installation codes, and by a person familiar with the construction and operation of it, as well as the hazards involved. Inspect item and contents carefully. If any damage or defect is found, do not install. Retain all packaging material until installation is complete and approved.
TOOLS REQUIRED (NOT INCLUDED)
- Phillips Screwdriver
- Wire Strippers
- Slotted Screwdriver
- Wire Cutters
ASSEMBLY INSTRUCTIONS
- Carefully remove all parts from the box. Place on a clean, soft surface.
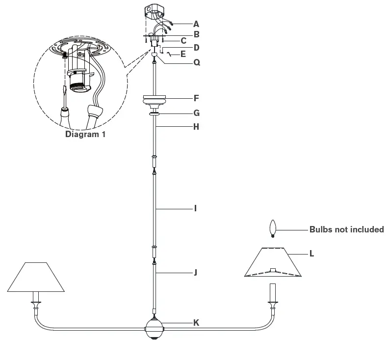
- Remove mounting plate (B) from the canopy (F) by removing the collar ring (G).
- Install mounting plate (B) to the junction box and secure with mounting screws (C).
- Feed electrical wires through the bottom rod (J) and connect to the fixture body (K). Repeat for middle rod (I), connecting to the bottom rod (J).
- Feed electrical wires through the top rod (H) and remove the swivel ball (Q) from the top rod (H).
- Let collar ring (G) and canopy (F) pass through top rod (H), then secure swivel ball (Q) to top rod (H) and connect top rod (H) to middle rod (I).
- Hang fixture swivel ball (Q) to the center of mounting plate (B) and secure with set screw (D) with a provided wrench (E).
NOTE: Slide components down slowly to avoid damage. - Cut excess wires, being sure to leave enough to reach the junction box. Separate wires, and strip insulation on each 5/8″.
- Wrap fixture ground wire (bare copper) around the green grounding screw (see diagram 1). Tighten. Continue fixture ground wire and connect to supply ground wire (usually green or bare copper) using wire nut (A).
NOTE: It is imperative that the fixture is grounded. - Connect fixture neutral wire (white) to the supply neutral wire (usually white) using wire nut (A).
- Connect fixture hot wire (black) to the supply hot wire (usually black) using wire nut (A).
CAUTION: Do not reverse the hot and neutral connections. - Make sure all wire connections are tight, then carefully tuck them into the junction box.
- Install canopy (F) to mounting plate (B) and secure with collar ring (G).
- Install light bulbs into the sockets.
- Clip shades (L) onto the bulbs.

Care Instructions
Clean only with a soft dry cloth or feather duster. Do Not use abrasive or chemical agents.










