BroadLink BL3372-P_1V1 PCB Antenna

Product Information
The BL3372-P_1V1 WiFi/BT Module is a cost-effective embedded Wi-Fi module designed by BroadLink, the world’s leading smart home solution provider. It is highly integrated with a 100MHz 32-bit MCU, 256KB SRAM, 4MB pSRAM, and external 2MB/4MB FLASH. The module supports AES, MD5, SHA1, and XIP, and has a working voltage of DC 3.3V. It also supports BLE (BT4.2), 802.11 b/g/n standard, station and soft AP, SmartConfig and AP configuration, WEP/WPA2, multiple cloud services, and has an integrated balun/PA/LNA. The TCP/IP stack is optimized for IoT applications and has a PCB antenna. The module has 3x UART, 1x SPI, 8x PWM, and up to 13GPIOs. It has a working temperature of 0 to +85°C and is designed for surface mounting production.
Product Usage Instructions
The BL3372-P_1V1 WiFi/BT Module can be widely used in various applications such as smart transportation, smart home/appliances, instruments, health care, industrial automation, intelligent security, and smart energy. To use this module, please follow the instructions below:
- Ensure that the working environment temperature is between 0 to +85°C.
- Connect the module to a power supply with a voltage range of 3.0V to 3.6V.
- Refer to Table 1 in the user manual for power consumption data.
- The module supports BLE (BT4.2) and Wi-Fi-related features. Refer to the user manual for specific details on how to configure and use these features.
- The module has 3x UART, 1x SPI, 8x PWM, and up to 13GPIOs. Refer to the user manual for specific details on how to use these peripherals.
- For reference design, refer to section 5 in the user manual for UART Interface Design and Power Supply Requirement.
Features
- 100MHz 32bits MCU 256KB SRAM/4MB pSRAM External 2MB/4MB FLASH Support AES,MD5,SHA1 Support XIP
- Working voltage: DC 3.3V Support BLE (BT4.2)
- Wi-Fi related features
- Support 802.11 b/g/n standard Support station and soft AP
- Support SmartConfig and AP configuration
- Support WEP/WPA2
Support multiple cloud services Integrated balun/PA/LNA TCP/IP stack optimized for IoT application - application
- PCB antenna
- Peripherals:
- 3x UART
- 1x SPI
- 8x PWM
- Up to 13GPIOs
- Working temperature: 0℃ to +85℃
- Stamp-style SMD for surface mounting production
Applications
- Smart Transportation
- Smart home/appliances
- Instruments
- Health care
- Industrial automation
- Intelligent security
- Smart energy
Model
| Model | Antenna type | Note |
| BL3372-P_1V1 | PCB antenna | Default |
Overview
- BL3372-P_1V1 is a cost-effective embedded Wi-Fi module designed by BroadLink, highly integrated with 32-bit MCU speed up to 100MHz, 256KB SRAM, 4MB pSRAM and 2MB or 4MB flash, with 3.3V power supply.
- The module integrates radio transceiver, MAC, baseband, all Wi-Fi protocols, configurations, and network stack. ItocanabedwidelLy uisednin applications like smart home devices, remote monitoring devices, and medical care instruments.
Basic Specifications
Power Consumption
Please refer to Table 1 for power consumption data.
Table 1 BL3372-P_1V1 Power Consumption Data
| Specifications | Min. | Typ. | Max. | Units |
| VDD | 3.0 | 3.3 | 3.6 | V |
| VIL(input low voltage) | 0.8 | V | ||
| VIH(input high voltage) | 2.0 | 3.6 | V | |
| VOL(output low voltage) | 0.4 | V | ||
| VOH(output high voltage) | 2.4 | 3.6 | V | |
| Standby (RX) | 60 | 70 | mA | |
| pulse current @TX 11b @17.5dBm 11Mbps | 270 | mA | ||
| pulse current @TX 11g @16.5dBm 54Mbps | 255 | mA | ||
| pulse current @TX | 250 | mA |
| 11n @16dBm 65Mbps | ||||
| BLE @5.5dBm | 160 | mA |
Working Environment
Please refer to Table 2 for working environment data.
Table 2 BL3372-P_1V1 Working Environment Data
| Symbol | Description | dMin. | Max. | Units |
| Ts | Storage temperature | -40 | 125 | ℃ |
| TA | Ambient operating temperature | 0 | 85 | ℃ |
| Vdd | Supply voltage | 3.0 | 3.6 | V |
| Vio | The voltage on the IO pin | 0 | 3.6 | V |
Radio Specifications
Basic Radio Specification
Please refer to Table 3 for radio specifications.
Table 3 BL3372-P_1V1 Radio Specification
| Radio range | 2.412 GHz – 2.472 GHz |
| Wireless standards | IEEE 802.11 b/g/n |
| Radio output (conductive) | 802.11b:16.5±1.5dBm@11Mbps |
| 802.11g: 16±1.5dBm@54Mbps | |
| 802.11n: 15±1.5dBm@MCS7/HT20 | |
| BLE: 5±2dBm | |
| Antenna type | Internal: PCB antenna |
| External: Not supported | |
| Receiving sensitivity | 802.11b≦-90dBm@11Mbps |
| 802.11g≦-76dBm@54Mbps | |
| 802.11n/HT20≦-73dBm@MCS7 | |
| BLE ≦- 98dBm | |
| Stack | IPv4, TCP/UDP/FTP/HTTP/HTTPS/TLS/DNS |
| Data rate (max) | [email protected], [email protected], [email protected] |
| Security | Encryption standard: Open/WEP-Open/WPA/WPA2 |
| BEncrrypotion algorithm: WEiPn64/WkEP128/TKIP/AES | |
| Network types | STA/AP |
Radio Performance
IEEE802.11b
Table 4 Basic specifications under IEEE802.11b
| ITEM | Specification |
| Modulation Type | DSSS / CCK |
| Frequency range | 2412 MHz~ 2462 MHz |
| Channel | CH1 to CH11 |
| Data rate | 1, 2, 5.5, 11Mbps |
Table 5 Transmitting performance under IEEE802.11b
| TX Characteristics | Min. | Typical | Max. | Unit |
| Power@11Mbps | 16 | 19 | dBm | |
| Frequency Error | -15 | +15 | ppm | |
| EVM@11Mbps | -14 | dB | ||
| Transmit spectrum mask | ||||
| Pass | ||||
Table 6 Receiving performance under IEEE802.11b
| RX Characteristics | Min . | Typical | Max. | Unit |
| 11Mbps Input Level Sensitivity | ||||
| Minimum Input Level (FER≦ 8%) | -90 | dBm | ||
IEEE 802.11g
Table 7 Basic specifications under IEEE802.11g
| ITEM | Specification |
| Modulation Type | OFDM |
| Frequency range | 2412 MHz~ 2462 MHz |
| Channel | CH1 to CH11 |
| Data rate | 6, 9, 12, 18, 24, 36, 48, 54Mbps |
Table 8 Transmitting performance under IEEE802.11g
| TX Characteristics | Min. | Typical | Max. | Unit |
| Power@54Mbps | 15 | 18 | dBm | |
| Frequency Error | -15 | +15 | ppm | |
| EVM@54Mbps | -30 | dB | ||
| Transmit spectrum mask | ||||
| Pass | ||||
Table 9 Receiving performance under IEEE802.11g
| RX Characteristics | Min
| Typical | Max. | Unit |
| 54Mbps Input Level Sensitivity | ||||
| Minimum Input Level (FER≦10%) | -76 | dBm | ||
IEEE802.11n
IEEE802.11n 20MHz bandwidth mode
Table 10Basic specifications under IEEE802.11n with 20MHz
| ITEM | Specification |
| Modulation Type | OFLDMink |
| Frequency range | 2412 MHz~ 2462 MHz |
| Channel | CH1 to CH11 |
| Data rate | MCS0/1/2/3/4/5/6/7 |
Table 11 Transmitting performance under IEEE802.11n with 20MHz
| TX Characteristics | Min. | Typical | Max. | Unit |
| Power@HT20, MCS7 | 14.5 | 17.5 | dBm | |
| Frequency Error | -15 | +15 | ppm | |
| EVM@HT20, MCS7 | -30 | dB | ||
| Transmit spectrum mask | ||||
| Pass | ||||
Table 12 Receiving performance under IEEE802.11n with 20MHz
| RX Characteristics | Min . | Typical | Ma x. | Unit |
| MCS7 Input Level Sensitivity | ||||
| Minimum Input Level (FER≦10%) | -73 | dBm | ||
BL3372-P_1V1 Hardware Information
PIN Sequence
Please refer to Fig 1 for the pin sequence.
PIN Definitions
Please refer to Table 13 for pin definitions.
| PIN | Function 1 | Function 2 | Function 3 | Function 4 | Function 5 | Function 6 |
| 1 | GND | |||||
| 2 | VDD | |||||
| 3 | RST | |||||
| 4 | GPIO14 | TX0 | SD_INT | |||
| 5 | GPIO13 | RX0 | ||||
| 6 | GPIO16 | TX2 | SPI-SCL | SD_D3 | ||
| 7 | GPIO15 | RX2 | SPI-CS | SD_D2 | ||
| 8 | GPIO0 | PWM0 | ||||
| 9 | GPIO17 | PWM5 | SD_CMD | |||
| 10 | GPIO18 | PWM6 | SD_CLK |
| 11 | GPIO19 | PWM7 | SPI-MOSI | SD_D0 | ||
| 12 | GPIO20 | PWM0 | SPI-MISO | SD_D1 | ||
| 13 | VDD | |||||
| 14 | GND | |||||
| 15 | GPIO4 | PWM4 | ||||
| 16 | GPIO1 | PWM1 | ||||
| 17 | GPIO3 | TX1 | PWM2 | I2C-SDA | SPI-SCL | |
| 18 | GPIO2 | RX1 | PWM3 | I2C-SCL | SPI-CS |
Table 13 BL3372-P_1V1 pin definitions
Note:
- In default, UART0 (pin4 and pin5) are used for bypass communication and UART2 (pin6 and pin7) are used for output of debugging information and burning firmware. Please refer to the description in DC Characteristics for UART output current level.
- RST is the reset pin and will be effective with VIL. Configuration information will be remained after module reset. The module has pull-up process for RST designed internally.
- The pins for reset button and LED indication should be defined according to actual firmware and circuit
- GPIO0 and GPIO1 are hardware function pins and DO NOT pull up these two pins before power-up.
- Pulling up both GPIO0 and GPIO13 will switch the module to firmware programming mode.
Recommendations
- The following precautions should be considered during PCB designing:
- Do not place any electrical components or grounding in antenna area on main board and it’s better to leave this area blank on PCB.
- It is recommended to not place any electrical components within 10mm range of module antenna and not design any circuit or bond copper on main board under this area.
- Do not use the module inside any metal case or containers with metal painting.
- Keep the antenna of Wi-Fi module next to the edge of main board (as shown in Fig 5) during design of PCB to ensure better performance of antenna.

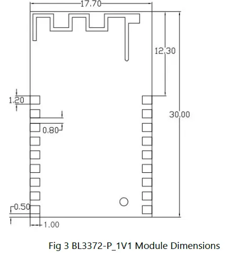
Mechanical Dimensions
- Please refer to Fig 3 for the dimensions of the module.

- Note: Dimensions (17.7±0.2) mm * (30±0.2) mm * (3.6± 10%)mm (with shielding case)
Recommended Pad Size
- Please refer to Fig 4 for the recommended pad size

Certifications
- Certified for SRRC standard
- Compliant with the requirement of RoHS 2.0.
- Compliant with the requirement of REACH.
Label
- Please refer to Fig 8 for the content description on label.
- Model: Module model
- SN: 00ACA3FE75D7: Module unique MAC address
- QR code: Model No. BL3372-P_1V1, MAC, CMIIT ID, and other info
Shielding Case Dimensions
- Please refer to Fig 6 for the dimensions of the shielding case.

Packaging
- Please refer to Fig 7 and Fig 8 for the details of the packaging.

- Fig 8 Carton BL3372-P_1V1 is packed in reel with 850 pcs/reel.
Reference Design
UART Interface Design
- For devices with 3.3V power supply, you can directly connect the device UART port with module UART port according to the illustration in Fig 12.

- If your device is powered by 5V, you can refer to the circuit shown in Fig 10 or design your own circuit for power conversion. The value of resistor can be adjusted according to actual circuit design.

Power Supply Requirement
- If an LDO is used to supply the module with 3.3V power, C1 capacitor can be used with 10uF-22uF; If a DCDC is used to supply 3.3V power, C1 capacitor can be used with 22uF.
- It is recommended to supply the module with power higher than 400mA to ensure enough power supply to the module and avoid power down during data.
- The module is designed with 2x 3.3V pins. You can power the module with either pin or both pins.
FCC
Warning
- This device complies with Part 15 of the FCC Rules. Operation is subject to the following two conditions:
- This device may not cause harmful interference, and this device must accept any interference received, including interference that may cause undesired operation.
NOTE: Any changes or modifications to this unit not expressly approved by the party responsible for compliance could void the user’s authority to operate the equipment. - FCC Radiation Exposure Statement:
This equipment complies with FCC radiation exposure limits set forth for an uncontrolled environment. End users must follow the specific operating instructions for satisfying RF exposure compliance.
Note This module certified that complies with RF exposure requirement under mobile or fixed condition, this module is to be installed only in mobile or fixed applications. - A mobile device is defined as a transmitting device designed to be used in other than fixed locations and to generally be used in such a way that a separation distance of at least 20 centimeters is normally maintained between the transmitter’s radiating structure(s) and the body of the user or nearby persons. Transmitting devices designed to be used by consumers or workers that can be easily re-located, such as wireless devices associated with a personal computer, are considered to be mobile devices if they meet the 20-centimeter separation requirement.
- A fixed device is defined as a device that is physically secured at one location and is not able to be easily moved to another location.
- Note Any modifications made to the module will void the Grant of Certification, this module is limited to OEM installation only and must not be sold to end-users, end-user has no manual instructions to remove or install the device, only software or operating procedure shall be placed in the end-user operating manual of final products.
- Note Additional testing and certification may be necessary when multiple modules are used.
- Note The module may be operated only with the antenna with which it is authorized. Any antenna that is of the same type and of equal or less directional gain as an antenna that is authorized with the intentional radiator may be marketed with, and used with, that intentional radiator.
- Note 5: To ensure compliance with all non-transmitter functions the host manufacturer is responsible for ensuring compliance with the module(s) installed and fully operational. For example, if a host was previously authorized as an unintentional radiator under the Supplier’s Declaration of Conformity procedure without a transmitter-certified module and a module is added, the host manufacturer is responsible for ensuring that the after the module is installed and operational the host continues to be compliant with the Part 15B unintentional radiator requirements. Since this may depend on the details of how the module is integrated with the host, Hangzhou BroadLink Technology Co., Ltd. shall provide guidance to the host manufacturer for compliance with the Part 15B requirements.
- BroadLinkNote 6: FCC ID label on the final system must be labeled with “Contains FCC ID:
2ATEV-BL3372-P-1V1” or “Contains transmitter module FCC ID: 2ATEV-BL3372-P-1V1”. - Note 7: For all products market in US, OEM has to limit the operation channels in CH1 to CH11 for 2.4G band by supplying a firmware programming tool. OEM shall not supply any tool or info to the end-user regarding to Regulatory Domain change.
- IC WARNING
- This device contains license-exempt transmitter(s) that comply with Innovation, Science and Economic Development Canada’s licence-exempt RSS(s). Operation is subject to the following two conditions:
- This device may not cause interference.
- This device must accept any interference, including interference that may cause undesired operation of the device.
IC Radiation Exposure Statement:
- This device and its antenna(s) must not be co-located with any other transmitters except in accordance with IC multi-transmitter product procedures. Referring to the multi-transmitter policy, multiple-transmitter(s) and module(s) can be operated simultaneously without reassessment permissive change.
- This equipment complies with IC RSS-102 radiation exposure limits set forth for an uncontrolled environment. This equipment should be installed and operated with minimum distance 20cm between the radiator & your body.
- This module is limited to OEM installation only and must not be sold to end-users, end-user has no manual instructions to remove or install the device, only software or operating procedure shall be placed in the end-user operating manual of final products.
- Additional testing and certification may be necessary when multiple modules are used.
- Any changes or modifications not expressly approved by the manufacturer could void the user’s authority to operate this equipment.
- The final end product must be labeled in a visible area with the following ” Contains IC: 25062-BL3372P1V1 “.
Revision History
| Date | Version | Updated Content |
| 1/7/2021 | 1.0 | Preliminary version |
| 3/1/2022 | 1.1 | Added some electrical parameters BdroadnLiInk |
| 6/28/2022 | 1.2 | Ad ed IO multiplexi g SD O definition |
| 7/1/2022 | 1.3 | Added IO multiplexingSPI definition |
| 8/25/2022 | 1.4 | Add 4MB Flash spec option, modify pins’ definition |
| 2/8/2023 | 1.5 | Typesetting optimization |
| 2/27/2023 | 1.6 | Updated the introduction of pin |
Copyrights
- It is prohibited to use or copy all or any part of the contents in this manual without prior permission, especially applicable for trademarks, models, part numbers and figures.
Contact Us
- Ms. Zhou
- Hangzhou BroadLink Technology Co., Ltd.
- Add: Building C, 57 Jiang’er Road, Binjiang District, Hangzhou, P.R.China Postcode: 310052
- Tel: +86-571-85071744-8010
- Email: [email protected]
- For more information on BroadLink Wi-Fi modules, please visit our website: www.broadlink.com.cn



















