NVS-90210061MA 60W Mini Digital Mixer Amplifier

Thank you for using our public address system. Please read this User Manual carefully to make better use of this equipment
Profile of Product
Description
The NVS-90210061MA is a 1.5U designed Mini Digital amplifier with USB/FM and Bluetooth and have outputs of 100V, 70V and rated resistance outputs of 4-16 Ω. It is a built-in Class-D amplifier module and switching power, with 100V/70V transformer technology. It provides 2 auxiliary inputs. Microphone1 is 6.3mm jack in front panel and Microphone2 is XLR in rear panel, also phantom power is available for Microphone2. For each microphone and auxiliary, individual volume control is available. It also contains EMC signal input for emergency.
Features
- Built-in Bluetooth, FM, and USB function.
- 2 MIC inputs, 2 EMC inputs, 2-line inputs, 1 line output.
- Support 100V/70V constant voltage output, and 4 -16Ω constant resistance output.
- Can be controlled by the infrared remote controller.
- Equipped with priority function, the priority is EMC/MIC1>AUX1/AUX2/MIC2.
- Master volume control, individual volume control for MIC & LINE, treble and bass volume control.
Appearance
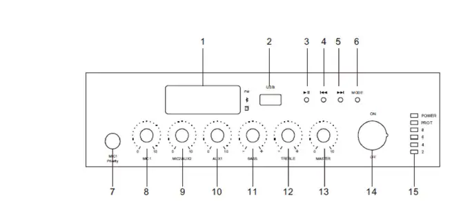
Front Panel
- Display screen
- USB interface
Insert the USB to provide program to the built-in MP3. - Play / Pause
In USB and Bluetooth mode, this key is Pause & Play.
In FM mode, this key is auto search. - Previous song/ (Previous FM when in FM mode)
In USB and Bluetooth mode, press this key to switch to the “previous song”. In FM mode, press this key to switch to the “previous FM”.
In FM/Bluetooth/USB mode, long press this key to turn down the volume. - Next song/ (Next FM when in FM mode)
In USB and Bluetooth mode, press this key to switch to the “next song”.
In FM mode, press this key to switch to the “next FM”.
In FM/Bluetooth/USB mode, long press this key to turn up the volume. - Mode main function key
Bluetooth mode, USB mode, AUX input mode, FM mode can be switched. - MIC1 Input
This button has priority function. (Same level with EMC input signal on the real panel). - MIC1 volume adjustment
Adjust the volume of MIC1, clockwise to turn up the volume, counter clockwise to turn down the volume. - MIC2/AUX2 volume adjustment
Adjust the volume of MIC2/AUX2, clockwise to turn up the volume, counter clockwise to turn down the volume. - AUX1 volume adjustment
Adjust the volume of AUX1, clockwise to turn up the volume, counter clockwise to turn down the volume. - Bass volume adjustment
Take the central position as the benchmark, counter clockwise to turn down the bass, clockwise to turn up the bass. - Treble volume adjustment
Take the central position as the benchmark, counter clockwise to turn down the treble, clockwise to turn up the treble. - Master volume adjustment
Adjust the level of all signals (except EMC signal on the rear panel), clockwise to turn up the volume, counter clockwise to turn down the volume. - Power switch
Press “ON” to turn on the power, press “OFF” to turn off the power. - Level indicator
Audio output level display.
Rear Panel
- Power input
Connect the power plug from this interface. Insert the plug into the machine, and then connect the power grid. - FM antenna interface
Connect the FM antenna to this interface. - DC power input
DC24V backup power input interface. - Audio power output
Note: Any terminal of the power output cannot be connected to “Ground wire” directly or through other devices. - AUX output
- AUX1 input port
- AUX2 input port
- Audio source selection switch
- (AUX2-MIC2 Note: When you operate this switch, you need to turn the volume down or turn off the device)
- AUX2, MIC2/48V phantom power switch, toggle the switch left and right to choose.
- Indicator of phantom power
- MIC2 balanced input interface
- AUX2/MIC2 volume control
- 100V emergency signal input (When using external 100V emergency signal input, the ground wires of the two devices cannot be connected.)
- Emergency input volume control
- General emergency signal input port
Instructions
- MIC Mode
When the Microphone is broadcasting in any mode, the system will detect the MIC and mute the other sources. It will return to the original play status when the MIC has no signal. - Bluetooth Mode
Press MODE to display “BLUE” on the digital screen, the “BLUE” will always flash until device and mobile phone pairing success, take the name is “MIXER AMP BLUETOOTH”. After finishing the pairing, the user can play music on the mobile phone. With excellent wireless transmission function, and the wireless transmission distance is ≈10m. - USB Mode
When the USB access, it will be USB mode automatically (plug and play). - Line Mode
In line mode, press MODE, digital screen will display “AUX”. - FM Mode
Operation details please view the part 3, 4, 5 of “front panel”.
Remote Control Instructions

- Power switch (MP3/FM/BT)
- Mode
AUX, FM, BT, and MP3 mode switch - Mute
MP3, FM, and BT Mute key. Pressing this key, the currently playing program is muted, and the LED display screen will flash. - Play/ Pause key (MP3/BT), Radio channel selection
Repeatedly to recall the stored station - Previous song (MP3/BT), Previous channel (FM)
- Next (MP3/BT), Next channel (FM)
- EQ
Press this key you could choose different sound effects when in MP3 mode. You could choose Classical, Jazz, Rock, DBB, and Pop mode. - Vol-: MP3/FM/BT volume decrease
- Vol+:MP3/FM/BT volume increase
- 0-9 number key
Select MP3 player’s song by serial number or stored the searched radio program by serial number - U/SD: When in MP3 mode, switch USB disk or SD card to play
- RPT: When in MP3 mode, repeat one or repeat all
Specifications
| Sl No | Part Number | NVS-90210061MA |
| 1 | Power Supply | ~110-240V 50/60Hz |
| 2 | MIC1 input sensitivity | 5.5mV±1mV |
| 3 | MIC2 input sensitivity | 5.5mV±1mV |
| 4 | AUX1 input sensitivity | 350mV±10% |
| 5 | AUX2 input sensitivity | 350mV±10% |
| 6 | EMC input sensitivity | 350mV±10% |
| 7 | MIC frequency response | 200Hz~10kHz (±3dB) |
| 8 | AUX frequency response | 100Hz~15kHz (±3dB) |
| 9 | Noise | <5mV (4Ω load out) |
| 10 | Distortion | <1% 1KHz |
| 11 | Treble adjustment | 10dB (±2) |
| 12 | Bass adjustment | 10dB (±2) |
| 13 | Speaker Outputs | 60W |
| 14 | Interface output voltage | 70V,100V (Constant voltage output), 4-16Ω |
| 15 | Weight | 2.6Kg |
| 16 | Dimension (D×W×H) | 198×247×66mm |
QR SCAN
CONTACT
Norden Communication UK Ltd.
Address: Unit 13 Baker Close, Oakwood Business park, Clacton-On- Sea, Essex C015 480, United Kingdom
Tel +44 (0) 1255 474063 I E-mail: [email protected]




















