Lowell MA60 Mixer w-60W Amplifier
MA60 / MA125 / MA250 General Description
The MA60, MA125, and MA250 mixer/amplifiers, all have identical features except for the maximum power output. The MA60 is equipped with a 60 watt power amplifier, the MA125 is equipped with a 125 watt power amplifier, and the MA250 is equipped with a 250 watt power amplifier. Each model includes 4W, 8W, 25V, and 70V speaker outputs that are available at a screw terminal strip. The units may be powered by a switchable 115VAC or 230VAC @ 50/60Hz or by 24VDC. The main AC input is protected by a circuit breaker on the rear panel. An unswitched convenience AC outlet is provided on the rear panel that is protected by a separate circuit breaker. Each model includes 5 input channels that are switchable from XLR mic connectors to aux input dual combining RCA -phono connectors. An AUX-6 input channel is provided with dual combining RCA-phono connectors and a rear panel level control. Mic-1 mutes channels 3 through 6. A separate telephone input with a rear panel level control mutes all other inputs. Dual RCA-phono parallel tape-out connectors and dual RCA-phono parallel PRE-OUT (preampout) connectors are located on the rear panel near the POWER -AMP-IN RCA-phono connector. A jumper is included that couples one of the PRE-OUT jacks to the POWER-AMP-IN jack. A chassis-ground termination screw is available on the rear panel. The front panel includes channel 1-5 volume controls, treble and bass controls, a master volume control, a main power switch, and an output level LED display. Rack mounting brackets are included with each model.
Getting Started
Please study carefully the “IMPORTANT SAFETY INSTRUCTIONS” that are given on page 2 before applying power to your MA60, MA125, or MA125 power amplifier. Those experienced with the use of a mixer/amplifier will find that the input jacks, output jacks, and controls follow industry standard conventions and will be very intuitive . Standard 4W, 8W, 25V, and 70V speaker outputs are provided. Those that are not familiar with the speaker wiring required for these industry standard outputs will find a very helpful section covering this topic on pages 10, 11, and 12 of this “Installation Sheet and Owner’s Manual”.
Optional Accessories (sold separately)
Lowell Manufacturing offers a full line of 19″ equipment cabinets, wall mount shelves, rack mount AC power panels, AC power strips, and cooling fans that can be used to install the Lowell Amplifier products. See www.lowellmfg.com for product details.

IMPORTANT SAFETY INSTRUCTIONS
- Read these instructions.
- Keep these instructions.
- Heed all warnings.
- Follow all instructions.
- Do not use this apparatus near water.
- Clean only with a dry cloth.
- Do not block any ventilation openings. Install in accordance with manufacturer’s instructions.
- Do not install near any heat sources such as radiators, registers, stoves, or other apparatus (including amplifiers) that produce heat.
- Do not defeat the safety purpose of the polarized or grounding-type plug. A polarized plug has two blades with one wider than the other. A grounding-type plug has two blades and a third grounding prong. The wide blade or third prong is provided for your safety. If the provided plug does not fit into your outlet, consult an electrician for replacement of the obsolete outlet.
- Protect the power cord and plug from being walked on or pinched particularly at plugs , convenience receptacles, and the point where it exits from the apparatus.
- Only use attachments and accessories specified by the manufacturer .
- Use only with the cart, stand, tripod, bracket, or table specified by the manufacturer, or sold with the apparatus. When a cart is used, use caution when moving the cart/apparatus combination to avoid injury from tip-over.
- Unplug this apparatus during lightning storms or when unused for long periods of time .
- Refer all servicing to qualified service personnel. Servicing is required when the apparatus has been damaged in any way, such as power supply cord or plug is damaged, liquid has been spilled or objects have fallen into the apparatus, the apparatus has been exposed to rain or moisture, does not operate normally, or has been dropped.
- The plug on the power cord is the AC mains disconnect device and must remain readily operable . To completely disconnect this apparatus from the AC mains, disconnect the power supply cord plug from the AC receptacle.
- This apparatus shall be connected to a mains socket outlet with a protective earthing connection .
- When permanently connected, an all-pole mains switch with a contact separation of at least 3 mm in each pole shall be incorporated in the electrical installation of the building.
- If rack mounting, provide adequate ventilation. Equipment may be located above or below this apparatus, but some equipment (like large power amplifiers) may cause an unacceptable amount of hum or may generate too much heat and degrade the performance of this apparatus.
- This apparatus may be installed in an industry standard equipment rack . Use screws through all mounting holes to provide the best support.
WARNING: To reduce the risk of fire or electric shock, do not expose this apparatus to rain or moisture. Apparatus shall not be exposed to dripping or splashing and no objects filled with liquids, such as vases, shall be placed on the apparatus. This product may contain chemicals known to the State of California to cause cancer , or birth defects or other reproductive harm.
NOTE: This equipment may generate, uses, and can radiate radio frequency energy and, if not installed and used in accordance with the instructions, may cause harmful interference to radio communications. However, there is no guarantee that interference will not occur in a particular installation. If this equipment does cause harmful interference to radio or television reception, which can be determined by turning the equipment off and on, the user is encouraged to try to correct the interference by one or more of the following measures: Reorient or relocate the receiving antenna. Increase the separation between the equipment and receiver. Connect the equipment into an outlet on a circuit different from that to which the receiver is connected. Consult the dealer or an experienced radio/TV technician for help.
CAUTION: Changes or modifications not expressly approved by Lowell Manufacturing will void the manufacturers warranty .

To reduce the risk of elecrricaJ shock, do nor open the unit. No user serviceable pares inside. Refer servicing co qualified service personnel.
The symbols shown below are internationally accepced symbols chat warn of potential hazards with electrical produces.
![]() | This symbol indicates chat a dangerous voltage constructing a risk of electric shock is present within this unit. |
![]() | This symbol indicates that there are important operating and maintenance instructions in the literature accompanying chis unit. |

Technical Specifications
| AC Supply Voltage:115/230VAC(Rear panel switchable)+10%, 50/60Hz DC Supply Voltage: 24VDC (Max10% deviation) | |||
| Power Consumption (if supply is AC): | MA60: 150W | MA125: 300W | MA:250: 600W |
| Power Consumption (if supply is DC): | MA60: 5A | MA125: 8A | MA250: 16A |
| External circuit breakers: | MA60: 2.5A | MA125: 5A | MA250: 8A |
| Internal fuses | MA60: 2) 3AG-8A | MA125: 2) 3AG-10A | MA250: 2) 3AG-15A |
| Dimensions | 17″ wide x 3.5″ high x 13.5″deep, 431.8mm wide x 88.9mm high x 342.9mm deep | ||
| Weight | MA60: 17LBS. | MA125: 19LBS. | MA250: 24LBS. |
| Shipping Weight: | MA60: 22LBS. | MA125: 24LBS | MA250: 29LBS. |
| Color: | Black | Note: Black rack mounting brackets are included | |
| Speaker Level Outputs: | Screw terminal strip, 4Ω, 8Ω, 25V, 70V, MA60: 60W RMS, MA125: 125W RMS, MA250: 250W RMS | ||
| Tape Outputs: | Dual parallel RCA-phono jacks, 1V @ 4.7kΩ output | ||
| Preamp (“Pre”) Outputs: | Dual parallel RCA-phono jacks, 1V @ 600Ω outpu | ||
| Convenience AC Outlet: | 500W maximum unswitched outlet | ||
| Mic Inputs 1-5: | XLR receptacle or screw terminals, 1mV @ 600W balanced, Note: With channel aux switch depressed, XLR and screw terminal inputs still operate but are padded as line input 150mV @ 600W balanced. | ||
| Aux Inputs 1-6: | Dual parallel RCA-phono jacks, Stereo converted to mono, 150mV @ 22kW | ||
| Telephone Input 7: | Screw terminal strip, 150mV @ 600W balanced | ||
| Power Amp In: | RCA-phono jack, 1V @ 8kΩ | ||
| Frequency Response: | 50Hz-20KHz + 3dB (Test signal inserted at aux input) | ||
| Total Harmonic Distortion: | Less than 1% at 1kHz at rated power. | ||
| Signal to Noise Ratio | 80dB (Test signal inserted at Aux 6 input), 60dB (Test signal inserted at Mic 1 input), | ||
| Tone Controls: | Bass + 10dB @ 100Hz, Treble +10dB @ 10kHz | ||
| Phantom Power: | 16VDC, Shipped from factory with internal phantom power jumpers set “ON” for Channels 1-5. To defeat phantom power, remove cover and set jumper to “OFF”. Channel-1: see jumper JP1, Channel-2: see jumper JP2, Channel-3: see jumper JP3, Channel-4: see jumper JP4, Channel-5: see jumper JP5. | ||
| Priority Muting: | 3 levels of priority. See section “AMPLIFIER MUTING-PRIORITY SCHEME” on page 7. | ||
Amplifier Front Panel Description

- Channel 1 Volume Control
- Channel 2 Volume Control
- Channel 3 Volume Control
- Channel 4 Volume Control
- Channel 5 Volume Control
- Bass Control
- Treble Control
- Master Volume Control
- Power Switch
- Power Indicator LED
- Output Level Indicator LED
Amplifier Rear Panel Description

- IEC Socket for AC Line Connection
- Circuit Breaker for Amplifier
- Earth Ground Connection Screw
- Power Amp Input (RCA Jack)
- Preamp Output (RCA Jacks)
- Tape Output (RCA Jacks)
- Aux 6 Level Control
- Aux 6 Input (RCA Jacks)
- Aux 5 Input (RCA Jacks)
- Mic 5 / Aux 5 Selector Switch *
- Mic 5 Input (XLR Jack)
- Mic 4 Input (XLR Jack)
- Mic 4 / Aux 4 Selector Switch *
- Aux 4 Input (RCA Jacks)
- Aux 3 Input (RCA Jacks)
- Mic 3 / Aux 3 Selector Switch *
- Mic 3 Input (XLR Jack)
- Mic 3 Input (XLR Jack)
- Mic 2 / Aux 2 Selector Switch *
- Aux 2 Input (RCA Jacks)
- Aux 1 Input (RCA Jacks)
- Mic 1 / Aux 1 Selector Switch *
- Mic 1 Input (XLR Jack)
- Convenience AC Outlet
- 1 Circuit Breaker for Convenience Outlet
- Supply Voltage Switch (115V/230V)
- Speaker Output (Screw Terminals)
- 24VDC Supply Input (Screw Terminals)
- Mic 5 Input (Screw Terminals)
- Mic 4 Input (Screw Terminals)
- Mic 3 Input (Screw Terminals)
- Mic 2 Input (Screw Terminals)
- Mic 1 Input (Screw Terminals)
- Telephone Page Input (Screw Terminals)
- Telephone Page Level Control
- Mic 1 Mute Switch (Mic 1 Mutes Ch 3-6)
* Switch selects between Line inputs (RCA jacks) and Microphone level inputs (XLR jack or screw terminals)
Amplifier Installation and Connection
INSPECTION
This unit was carefully checked and packed before leaving the factory. However, it is always a good idea to inspect the shipping container and unit for indications of improper handling. If the unit has been damaged, make an
immediate claim to the dealer or distributor from whom it was purchased. If the unit was shipped to you, notify the transportation company without delay, saving all packing materials, in order to process the claim.
INITIAL PERFORMANCE CHECK
Before installing the amplifier, continue the inspection by running a quick performance check. Connect an 8W test speaker to the 8W direct output terminals and a tuner, tape deck, or CD player to one of the aux inputs and set the controls for operation. CAUTION: TO PROTECT THE SPEAKER FROM DAMAGE, DO NOT TURN THE UNIT ON UNTIL ALL CONNECTIONS HAVE BEEN MADE. IN ADDITION, MAKE SURE THE UNIT IS GROUNDED BEFORE TESTING. In this way you can check the basic operation of the amplifier before actually installing the unit and making all of the final terminations required for the permanent installation. If shipping damage has resulted in the amplifier being inoperable out of the box, call Lowell Customer Service to arrange for a replacement.
PASSIVE CONVECTION COOLING AND VENTILATION
This unit is cooled via passive convection and therefore designed for continuous operation. Excessive heat due to poor ventilation can shorten the lifespan of electronic equipment and could void the manufacturer’s warranty. Do not block the amplifier’s vent slots located on the top, sides, and bottom of the chassis.
SHELF MOUNTING
This amplifier may be placed on a wooden or metal wall-mount shelf. Do not remove the plastic feet from the bottom of the amplifier chassis. When the amplifier is placed on a countertop or is shelf-mounted, the plastic feet maintain the proper spacing under the amplifier for passive convection cooling. Do not block the side vents of the amplifier chassis and do not place anything on top of the amplifier where the vents on the top of the chassis would be blocked. If it is desired to stack an equalizer, AM/FM tuner, or other music program source unit on top of the amplifier, use spacers to make sure there is a minimum of 1.75″ clear above the amplifier for ventilation. Make sure that the spacing blocks do not obstruct the vents on top of the amplifier chassis.
RACK MOUNTING
If the amplifier will be rack mounted, we recommend that you provide a minimum of 1.75” of open space above and below the unit to assure proper ventilation. Provide ventilation fans in the equipment cabinet if that is required to maintain an amplifier operating temperature of no higher than 92o F. To mount the amplifier in a Lowell equipment cabinet, use standard 10-32 Phillips-head machine screws (like the Lowell model RS or RSP rack screws). Rack mounting brackets for the amplifier are included. To avoid issues with ground loops when mounting the amplifier in a metal equipment cabinet, see the instructions to the right.

POWER WIRING
The AC power cord provided with this amplifier is equipped with a North American style NEMA 5-15P plug and the AC SUPPLY SWITCH (see item on page 4) is set to operate on a 115 VAC 50/60 Hz. power source. The amplifier may also be powered with 24VDC (See the DC current requirements under POWER CONSUMPTION in the TECHNICAL SPECIFICATIONS section on page 3). If this unit is to be used in other geo-political areas of the world, it may be necessary to change the AC SUPPLY SWITCH to operate on 230 VAC. Remove the plug from the end of the cord and replace it with one appropriate for the local power grid receptacle standards . The internal wire color code for the cord supplied with this unit is as follows:
Green/Yellow Earth “E” or Safety Ground
Blue Neutral “N”
Brown Line “L” or Hot
WARNING:
THIS AMPLIFIER MUST BE EARTH GROUNDED.
Note: If a British Standard BS1363 plug is installed, it must be provided with a 5 Amp fuse. Since electrical color codes vary around the world, make sure that the correct connections are made to the cord even if the local color code is different. If in doubt, obtain the services of a locally qualified electrical professional.
GENERAL WIRING AND INSTALLATION GUIDELINES
DO NOT run microphone cables near AC power wires, data cables, telephone cables, or speaker wiring to avoid picking up extraneous signals in the sound system.
DO NOT run high impedance unbalanced wiring more than 20′ to avoid picking up noise and affecting the frequency response of the sound system.
DO NOT run speaker output cables near data cables, telephone cables, or other low voltage wiring that could pick up the signal from the higher level speaker cables.
DO use shielded cable for all microphone and line level cables (except the balanced 600 ohm input line from a telephone system may be twisted pair cable).
DO make sure that all speakers are wired in phase with each other.
DO make sure there are no short circuits on the loudspeaker lines before connecting them to the amplifier output.
GROUND LOOPS A ground loop is created any time two (2) pieces of equipment with grounded AC plugs, are connected by an unbalanced RCA to RCA cable. In some instances, this does not cause a problem. In other cases, this causes a “hum” or “buzz” that can be heard in the system’s speakers. This can be corrected using industry standard grounding techniques as described in the Lowell “Eliminating Ground Loops” white paper that can be found at the following link: https://www.lowellmfg.com/wp-content/uploads/EliminatingGroundLoops.pdf
LINE LEVEL “AUX” INPUT CONNECTIONS
The amplifier includes high-impedance unbalanced auxiliary inputs which may be used for connecting the output of an AMFM tuner, CD player, cassette deck, or other music program source. A push switch is provided on Channels 1 through 5 that selects the aux input jacks while switching the XLR and screw terminal inputs for that same channel to low impedance line level inputs. Use the aux input jacks or the line level XLR/screw terminal inputs but do not use both at the same time. Two (2) RCA-phono connectors are provided for each aux input so stereo input cables can be connected. The stereo input signal is converted internally to a mono signal. Mono inputs need only use one or the other of the RCA-phono connectors.
| Sleeve: Shield | ![]() |
| Pin: Signal |
MIC LEVEL INPUT CONNECTIONS

The amplifier includes low-impedance balanced microphone inputs. 16VDC Phantom Power is available at microphone inputs 1-5. The amplifier is shipped from the factory with internal Phantom Power jumpers set “ON” for Channel 1-5. The Phantom power for each microphone channel may be defeated by first unplugging the power cord, and then removing the amplifier chassis cover and changing the jumper position for that channel to “OFF” (Channel-1: jumper JP1, Channel-2: jumper JP2, Channel-3: jumper JP3, Channel-4: jumper JP4, and Channel-5: jumper JP5). The jumpers are located on the circuit board that includes the input connectors. See the picture to the right which shows JP2 (for Channel-2) and JP4 (for Channel-4).
Note: A push switch is provided on channels 1 through 5 that turns on the aux input jacks and at the same time pads the XLR and screw terminal inputs for that channel so they can be used as low impedance balanced line level inputs. With the switch in the “AUX” position, use either the aux input jacks, or the XLR/screw terminal low impedance line level inputs. Do not use both at the same time. When using the XLR jacks or screw terminals as line inputs, defeat the phantom power for that input channel.

TELEPHONE INPUT CHANNEL
The amplifier includes a telephone input Channel-7. This input accepts a low impedance balanced 600W line level input that would typically be available as a page port output from a telephone system. A Channel-7 level control is located on the rear panel directly to the right of the telephone input terminals.

AMPLIFIER MUTING-PRIORITY SCHEME
The amplifier includes unique voice-activated (VOX) ducking/muting circuitry. When a page is made, other inputs (such as a music input) that are set up at a lower muting level, softly lower in volume during the page. If the volume of the page is not strong, the music will only duck in volume (not be completely muted). If the incoming page is strong in level, the music volume will be completely muted. When the page has been completed, the volume of the music will return to its normal level. The amplifier has three levels of muting priority as described below:
Muting Priority 1
The telephone input Channel-7 has the highest level of muting priority. The telephone input is never muted by other inputs and the telephone input mutes all other inputs. The muting caused by the telephone input is not defeat able (in other words, the muting is always on).
Muting Priority 2
The Channel-1 XLR or screw terminal inputs (not the Channel-1 aux inputs) have the second highest level of muting priority. The telephone input always mutes Channel-1. The Channel-1 XLR and screw terminal inputs mute Channels 3-6 as long as the Channel-1 mute switch is in the “ON” position. The Channel-1 muting is active whether using the XLR or screw terminal inputs in the microphone mode (with the aux switch in the “MIC1” position), or when using the XLR or screw terminal inputs in the balanced line level mode (with the aux switch in the “AUX1” position). Channel-1 never mutes the Channel-2 inputs.
Special Channel 2
Channel-2 (XLR input, screw terminal inputs and aux inputs) are all muted by the telephone input. Channel-2, however, is never muted by any other channel including Channel-1. The Channel-2 inputs never mute any other channels, so Channel-2 can be treated as a special input channel that is not affected by any mutes, except the mute from the telephone input.
Muting Priority 3
Channels-3, Channel-4, and Channel-5 (the XLR inputs, screw terminal inputs, and aux inputs) are all muted by the telephone input and by the Channel-1 input if the Channel-1 mute switch is in the “ON” position. Channel-3, Channel-4, and Channel-5 never mute any other channels.
Special Channel 6
Channel-6 (aux inputs only) are all muted by the Telephone input and by the Channel-1 input if the Channel-1 mute switch is in the “ON” position. Channel-6 has no mic inputs. The Channel-6 (Aux 6) level control is located to the left of the AUX 6 RCA-Phono input jacks. The Channel-6 aux inputs never mute any other channels.
TAPE OUTPUT CONNECTIONS
The amplifier includes two (2) parallel RCA/Phono high-impedance unbalanced auxiliary output jacks which may be used for feeding recording devices such as cassette decks, DVD recorders, or to feed devices like assistive listening transmitters. The parallel dual RCA jacks may be used to feed a mono signal to both the left and right channel inputs of a stereo device, or one or the other of the RCA-phono connectors may be used to feed mono outputs to two different devices. As shown in the AMPLIFIER BLOCK DIAGRAM on page 3, the tape output jacks are fed from the output of the mixing section and before the master volume control. In other words, if you wish the levels to remain the same in the recording regardless of the setting of the MASTER volume control (that may need to be adjusted due to crowd requirements in a live performance), the tape output jacks are a good choice. If you wish for the output signal level to be adjusted as you increase the MASTER volume control, see the PREAMP OUT jacks described below.
| Sleeve: Shield | ![]() |
| Pin: Signal |
PREAMP OUTPUT CONNECTIONS
The amplifier includes two (2) parallel RCA/Phono high-impedance unbalanced PREAMP OUT jacks which may be used for feeding devices such as booster amplifiers. The parallel dual RCA jacks may be used to feed a mono signal to both the left and right channel inputs of a stereo device, or one or the other of the RCA-phono connectors may be used to feed mono outputs to two different devices (such as a booster amplifier or equalizer). As shown in the AMPLIFIER BLOCK DIAGRAM on page 3, the PREAMP OUT jacks are fed from the output of the master volume control. In other words, if you wish the levels to be adjusted as a result of changes in the setting of the MASTER volume control (that may need to be adjusted due to crowd noise in a live performance), the PREAMP OUT jacks are a good choice.
POWER AMP IN CONNECTIONS
The amplifier includes an RCA/Phono high-impedance unbalanced POWER AMP IN which feeds the local power amplifier that is included in this unit. As shipped from the factory, a jumper is connected from one of the PREAMP OUT jacks to the POWER AMP IN JACK so the MASTER volume control adjusts the input to the local power amplifier. The illustrations that follow describe connections where the jumper may need to be removed.




SPEAKER SYSTEM CONNECTIONS
The amplifier includes a speaker output screw terminal strip. Connect the speaker line common to “COM” and the hot side to the 70V, 25V, 8W, or 4W terminals. _ 70V 25V 8W 4W COM + 24V DC INPUT Never connect an 8W or 4W speaker system (that has no 70V or 25V matching transformers) to the 70V or 25V outputs.

8 Ohm Series/Parallel Speaker System Wiring
Lowell amplifiers include 8W and 4W outputs that can drive basic 8W speakers without the use of any line matching transformers. The impedance of the speaker load must always be equal to or greater than the impedance of the amplifier output. For example, it is safe for the amplifier if the 8W output is used to drive an 8W load or a 16W load, and it is safe for the 4W output to drive a 4W load or a 6W load, but it is not safe for the 8W output to drive a 6W load and it is not safe for the 4W output to drive a 2W load. Overloading the amplifier output can cause distortion and can damage the amplifier and void the manufacturer’s warranty. It is also important to pay attention to the power rating of the speakers used. If an 8W speaker is fed from the 8W output of an amplifier and the amplifier is turned all the way up, the speaker will receive the maximum power output of the amplifier. A speaker must be chosen with sufficient power handling capacity for the amplifier used. For example, if an 8W speaker can handle 150 watts and it will be fed from the 8W output of the amplifier, an amplifier with a power output of 150 watts or less should be chosen so that if the amplifier is turned all the way up, the speaker will be able to handle the amplifier’s full power output. All of the Series/Parallel configurations shown below will result in load impedances that will be safe for the amplifier when connected as shown. Depending on the size of the amplifier used, verify that the maximum amplifier power when divided between the speakers, will not exceed the power rating of the speaker chosen.
One 8Ω Speaker
Result:
One speaker receives the total amplifier power.
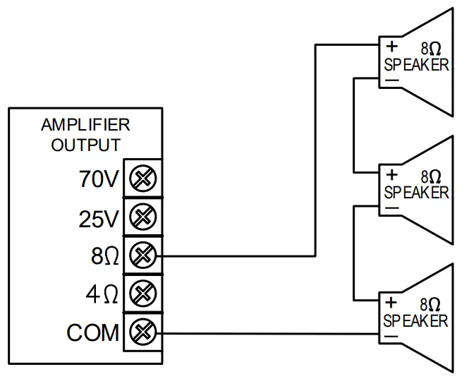
Two 8Ω Speakers wired in Parallel
Result:
Each speaker receives ½ of the total amplifier power.
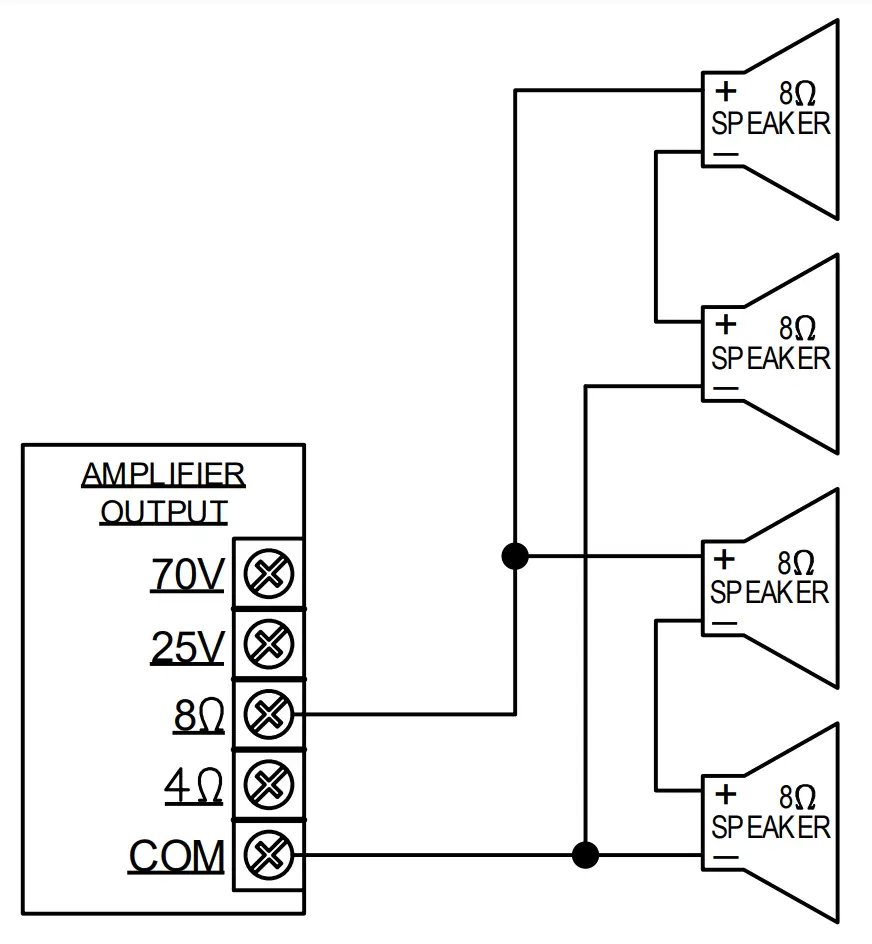
Four 8Ω Speakers wired in Series/Parallel
Result:
Each speaker receives ¼ of the total amplifier power.
Three 8W Speakers wired in Series
Result: Total amplifier power is reduced due to impedance mismatch.
Each speaker receives 1/3 of the reduced total amplifier power.

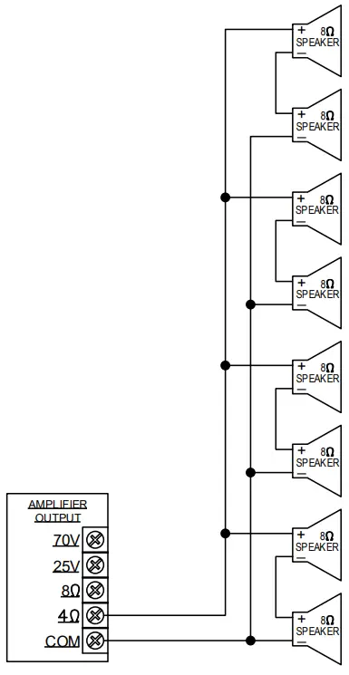
Eight 8W Speakers wired in Series/Parallel
Result:
Each speaker receives 1 /8 of the total amplifier power.

70V / 25V Speaker System Wiring
70 volt and 25 volt “Constant Voltage Distribution Systems” have been a source of confusion for people for a long time. Our Series/Parallel speaker wiring discussion on page 10, illustrates why industry engineers developed the “Constant Voltage” concept. Series/Parallel configurations are manageable for small localized systems using up to 8 speakers and when no expansion is anticipated. Even with only 8 speakers, wiring a Series/Parallel configuration can be confusing. Nobody would ever want to attempt Series/Parallel wiring for 8000 speakers spread over an entire office complex. The 70V and 25V speaker systems (and the 100V system which is used in Europe) rely on inexpensive line matching transformers to simplify the “impedance matching” and “amplifier loading” issues. The line matching transformers allow all of the speakers in a 70V or 25V speaker system to be wired in parallel regardless if there are 8 speakers or 8000 speakers in the system, as long as the total of all transformer taps used does not exceed the power rating of the amplifier. Parallel connections make field wiring easy and it makes it possible to add speakers anywhere along the speaker string without any concern about Series/Parallel load impedance. The term “Constant Voltage” can be misleading. “Constant Voltage” means whether you have a 10W 70V amplifier, 100W 70V amplifier, or a 1000W 70V amplifier, the output will be at 70.7V when the amplifier is turned all the way up. When a 70V amplifier is turned down, it will be running at less that 70V. The key thing to remember is that the transformer power tap values are calculated for when the amplifier is running at a full 70V. A 70V speaker transformer tapped at 5 watts, will only draw a full 5 watts, when the amplifier is at it’s full 70V output.
70V / 25V Constant Voltage Speaker System Advantages:
A 70V or 25V speaker system is easy to design and easy to wire in the field because all speakers can be wired in parallel. The higher transmission voltages used greatly reduce the power lost in the speaker lines so smaller less expensive speaker wiring can be used. The volume of a single speaker on the line can be adjusted louder or softer by adjusting the power tap used on that speaker’s matching transformer. That adjustment does not affect the volume of the other speakers in the system. The volume adjustment of a single speaker on the line or the volume adjustment of groups of speakers in a zone can be made accessible to the user by way of inexpensive wall-mount auto former-based volume controls. The settings on wall-mount volume controls can be easily bypassed during pages or during emergency announcements. (See Lowell “priority attenuator” volume controls that include a “-PA” in the model number). It is easy to add speakers to the system in the future without having to change any of the existing wiring. If adding additional speakers in the future will require a more powerful amplifier at the head-end, an amplifier with a higher output power capability can replace the existing unit without changing any of the existing speaker wiring or any of the existing speaker transformer tap settings. For example: A Lowell MA60 could be replaced with a Lowell MA125 so that more speakers could be added to the system, with no other changes required to the existing speaker wiring or transformer taps.
Individual Speaker Transformer Tap Settings:
A 70V or 25V speaker that is chosen by the system designer, has a matching transformer with a maximum power rating . For example, the Lowell R1810-72 (shown to the right) has a Lowell TLM-572 5-watt 70V/25V dual voltage transformer. That means that this speaker can be used on both 70V systems and 25V systems. The 8W secondary of the transformer is connected directly to the 8W input terminals on the 810 speaker. The primary has transformer taps for either 70V or 25V at 0.25W, 0.5W, 1W, 2W, and 5W. When a designer is mapping out the coverage of these ceiling speakers, he/she will determined how many speakers are required and in what locations, and what power tap will be used for the speakers to be loud enough for this application. Let’s say for example that the designer has determined that 100 speakers will be required tapped at 1W each at 70 volts. That means that our total speaker load is 100 watts. The speakers will be wired in the field in parallel as shown below making sure the connections are made with the proper polarity to keep all of the speakers operating in phase with each other.


70V and 25V Amplifier Load Calculations and Amplifier Selection:
Never use a speaker load (the sum of all speaker transformer taps) that exceeds the amplifier power rating. Overloading the amplifier can cause distortion and could damage the amplifier and void the warranty.
In fact, it is good design practice to limit the speaker load to 85% of the amplifiers power rating. That designed-in headroom allows for future expansion (adding a few speakers) and also the reduced load will increase the lifetime of the amplifier by allowing it to run cooler. Continuing with the example from page 11, the designer knows that the expected speaker load is 100 watts. What would be an appropriately sized amplifier for that system? If the designer considers a 125W amplifier, 125 X .85 = 106.25 watts. It would be good design practice to limit the speaker load to no more than 106.25 watts, so since the speaker load in the example is 100W, the 125W watt amplifier would be a good choice. Sometimes the amplifier has already been purchased and the number of speakers required is known, but the question becomes what transformer tap setting to use. Desired speaker SPL calculations to determine the speaker transformer tap required are beyond the scope of this paper, but there are some practical considerations when choosing the power tap. If a 125 watt amplifier has already been purchased, using the 85% loading rule of thumb, 125W X .85 = 106.25 watts. It would be good design practice to limit the speaker load to no more than 106.25W. Since we know from our example that 100 speakers would be required, it is obvious that tapping the speakers at 1W is the best choice. Some system designers feel it is best to tap the speaker transformers as high as possible. Consider an example where a sound system that has a 125W 70V amplifier, only has 10 speakers. If the transformers are tapped at 0.25W each, the total speaker load will be 0.25W X 10 speakers = 2.5W. If the amplifier is turned all the way up so its output is 70 volts, those speakers will still only draw a maximum of 0.25W each and it would not be possible to get the speakers any louder. That would result in tons of headroom but you wouldn’t have much volume out of the speakers. Some designers would suggest that the speakers in this example should be tapped at 5W each so the speaker load would be 5W X 10 speakers = 50W. Again, plenty of headroom for the amplifier but more than 12dB more sound pressure level out of the speakers. Other designers would prefer that the speakers be tapped at 1W each (if they are sure that the 1W tap would provide sufficient SPL) because the 1W tap provides 2 higher powered taps that are available if this particular speaker needs to be louder, and 2 lower-powered taps if this speaker is too loud. The designer needs to determine the appropriate tap setting after considering the requirements of the system design. The question might be asked, what happens when the designer has a 125 watt amplifier, and needs 25 speakers tapped at 5 watts each? That results in a speaker load of 125 watts with no headroom. Sometimes a designer is confident that adding speakers in the future will not be necessary, and competitive pressure in a bid situation will not make it possible to use a larger amplifier to provide the desired headroom. Although headroom is always desirable, be assured that the Lowell amplifiers will survive and operate safely when fully loaded.
Wiring Size and Length:
Cable distance should be kept as short as possible to minimize power loss. The chart below can be used as a general guide showing various wire sizes and the maximum distance related to cable loading that speakers can be placed from the unit for an approximate 0.5dB loss (-12.5% power).

Lowell Manufacturing Company| 100 Integram Drive | Pacific, Missouri 63069 U.S.A.
Call: 800-325-9660 Fax: 636-257-6606 Click: www.lowellmfg.com
Instruction Sheet
IS-MA60/125/250
Issued: 9-6-22




















