RVR ELETTRONICA TEX-LCD Series FM Transmitters

Revision History
- File Name: AUDIGIN-TEX_ING_1.0.indb
- Version: 1.0
- Date: 04/03/2022
| Date | Version | Reason | Editor |
| 04/03/2022 | 1.0 | First edition | J. H. Berti |
AUDIGIN-TEX – User Manual Version 1.0 Copyright 2022 R.V.R. Elettronica
Via del Fonditore 2/2c – 40138 – Bologna (Italia)
- Phone: +39 051 6010506
- Fax: +39 051 6011104
- Email: [email protected]
- Web: www.rvr.it.
All rights reserved
Printed and bound in Italy. No part of this manual may be reproduced, memorized or transmitted in any form or by any means, electronic or mechanical, including photocopying, recording or by any information storage and retrieval system, without written permission of the copyright owner.
Introduction
Main Highlights
- The card allows to TEX-LCD exciters the integration into those systems that use digital audio distribution. It is located on rear panel of the TEX-LCD and is internally connected to the audio motherboard using a 10-pin flat connector.
- The card allows the conversion of digital signals into “Left” and “Right” analog signals and then delivers it to the modulator.
- This card can be added without requiring any special adjustments to the typical analog audio input section; by updating it there is no need to change the exciter firmware.
- The system provides for twelve cyclical queries that allow you to immediately find the active channel and put it on the air. If a digital input is present, then it is automatically selected by the included logic. The automatic exchange takes place to select the digital input between balanced (AES/EBU) or optical (TOSLINK).
- Through the two trimmers, it is possible to adjust the converted digital input level, to normalize the R and L signals with respect to the adjusted level for the analog input.
- The D/A conversion is performed automatically by 24-bit converters using a sampling frequency from 32 to 96 KHz.
- This card supports S/PDIF, AES/EBU, IEC958, and EIAJ CP340/1201 data formats.
AUDIGIN-TEX Option

Digital Input
- Type: TOS-LINK Female

Left (MONO) / Right
Type: XLR Female
- GND
- Positive
- Negative

Technical Annex
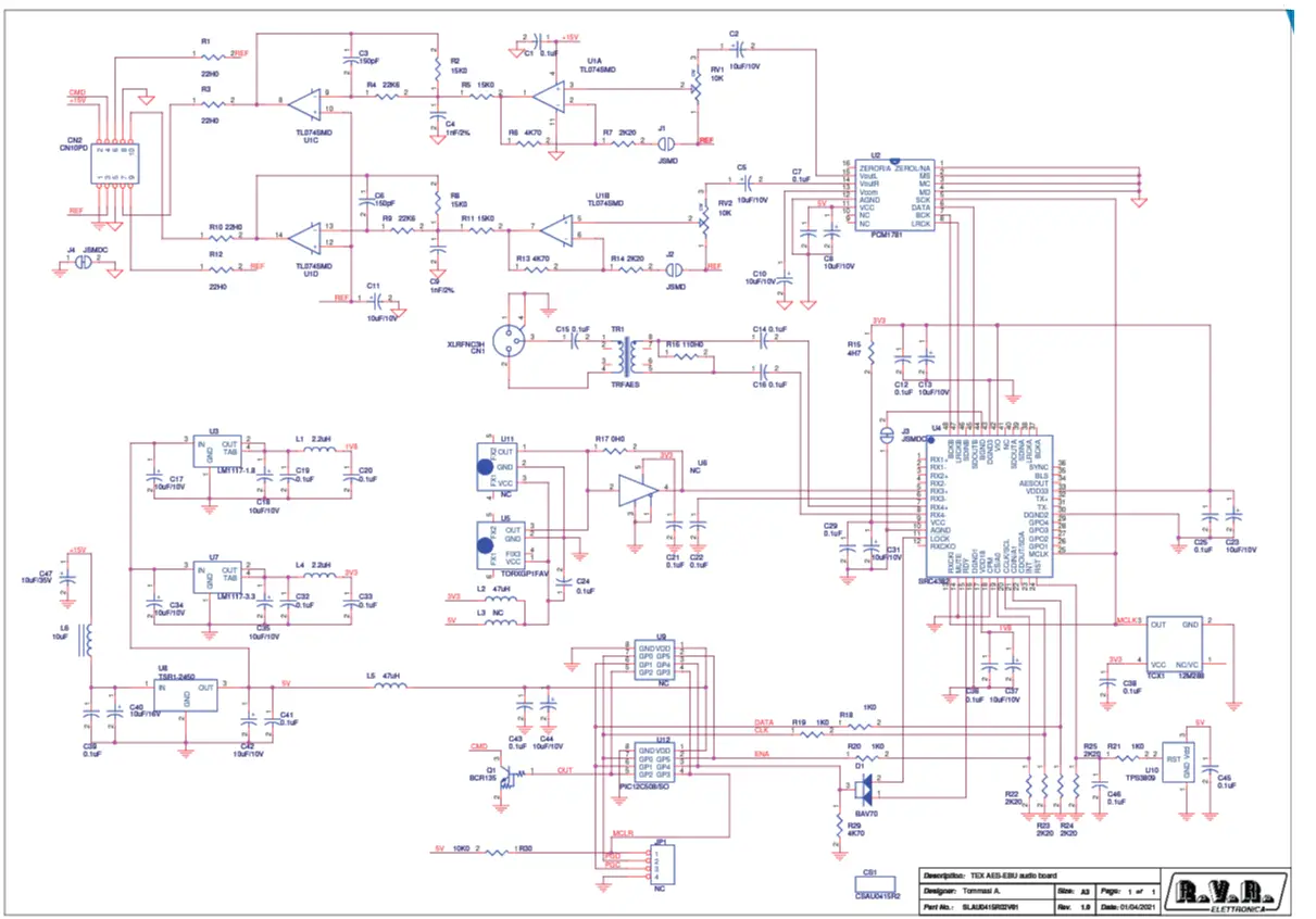
AES/EBU Audio Card – SLAU0415R02V01


TEX AES-EBU audio board
- Revised: Thursday, April 01, 2021 SLAU0415R02V01
- Revision: 1.0
Tommasi A.
| Item | Quantity | Reference | Part | Description |
| 1 | 1 | CN1 | XLRFNC3H | Connettore XLR NC3 femm. cs 90° |
| 2 | 1 | CN2 | CN10PD | Connettore 10 poli Flat cs |
| 3 | 1 | CS1 | CSAU0415R2 | Circuito stampato |
| 4 | 22 | C1, C7, C12, C14, C15, C16, C19, C20, C21, C22, C24, C25, C29, C32, C33, C36, C38, C39, C41, C43, C45, C46 | 0.1uF | Cond. SMD 0805 |
| 5 | 15 | C2, C5, C8, C10, C11, C13, C17, C18, C23, C31, C34, C35, C37, C42, C44 | 10uF/10V | Cond. Elett. SMD tant. size A |
| 6 | 2 | C3, C6 | 150pF | Cond. SMD 0805 COG |
| 7 | 2 | C4, C9 | 1nF/2% | Cond. SMD 0805 COG |
| 8 | 1 | C40 | 10uF/16V | Cond. Elett. SMD d. 4mm |
| 9 | 1 | C47 | 10uF/35V | Cond. Elett. SMD d. 4mm |
| 10 | 1 | D1 | BAV70 | Doppio Diodo SMD SOT23 |
| 11 | 1 | JP1 | NC | Strip maschio 4 pin |
| 12 | 2 | J1, J2 | JSMD | Pad SMD a saldare |
| 13 | 2 | J3, J4 | JSMDC | Pad SMD a saldare chiuso |
| 14 | 2 | L1, L4 | 2.2uH | Induttanza SMD 3225 (1210) |
| 15 | 2 | L2, L5 | 47uH | Induttanza SMD 3225 (1210) |
| 16 | 1 | L3 | NC | Induttanza SMD 3225 (1210) |
| 17 | 1 | L6 | 10uF | SMD Vertical Ind. WE PD2 series |
| 18 | 1 | Q1 | BCR135 | Trans./Res. NPN SOT23 |
| 19 | 2 | RV1, RV2 | 10K | Trimmer Rg H 3296X |
| 20 | 4 | R1, R3, R10, R12 | 22H0 | Res. SMD 0805 1% |
| 21 | 4 | R2, R5, R8, R11 | 15K0 | Res. SMD 0805 1% |
| 22 | 2 | R4, R9 | 22K6 | Res. SMD 0805 1% |
| 23 | 3 | R6, R13, R29 | 4K70 | Res. SMD 0805 1% |
| 24 | 6 | R7, R14, R22, R23, R24, R25 | 2K20 | Res. SMD 0805 1% |
| 25 | 1 | R15 | 4H7 | Res. SMD 0805 1% |
| 26 | 1 | R16 | 110H0 | Res. SMD 0805 1% |
| 27 | 1 | R17 | 0H0 | Res. SMD 0805 1% |
| 28 | 4 | R18, R19, R20, R21 | 1K0 | Res. SMD 0805 1% |
| 29 | 1 | R30 | 10K0 | Res. SMD 0805 1% |
| 30 | 1 | TCX1 | 12M288 | OSC SMD 5×3.2mm |
| 31 | 1 | TR1 | TRFAES | Trasf. SMD AES/EBU |
| 32 | 1 | U1 | TL074SMD | Quad Op. SMD SO14 |
| 33 | 1 | U2 | PCM1781 | Stereo DAC |
| 34 | 1 | U3 | LM1117-1.8 | Stab. SMD SOT223 |
| 35 | 1 | U4 | SRC4382 | 2 ch SRC DIR DIT |
| 36 | 1 | U5 | TORXGP1FAV | Ricevitore digitale ottico |
| 37 | 1 | U6 | NC | Level translator |
| 38 | 1 | U7 | LM1117-3.3 | Stab. SMD SOT223 |
| 39 | 1 | U8 | TSR1-2450 | Switching SIP3 regulator |
| 40 | 1 | U9 | NC | PIC Microprocessor SMD |
| 41 | 1 | U10 | TPS3809 | uP supply supervisor |
| 42 | 1 | U11 | NC | Ricevitore digitale ottico |
| 43 | 1 | U12 | PIC12C508/SO | PIC Microprocessor SMD |
15kHz audio filter & AES/EBU card – SLAU0469R01V01

Audio Filter 15Khz TEX w AES/EBU Revised: 17/05/2017 SLAU0469R01V01 Revision: 1.1
A. Tommasi
| Item | Quantity | Reference | Part | Description | Code | |
| 1 | 1 | CN1 | NC | Conn. 10 poli Flat cs | ||
| 2 | 1 | CS1 | CSAU0469R1 | Circuito stampato | CSAU0469R1 | |
| 3 | 8 | C1, C2, C3, C4, C15, C19, C20, C21 | 0.1uF | Cond. SMD 0603 | CCC063104KXC | |
| 4 | 16 | C5, C6, C7, C8, C9, C10, C11, C12, C13, C14, C16, C17, C18, C22, C23, C24 | 3.3nF 1o2% | Cond. SMD 0805 COG | CCC085332GCB | |
| 5 | 1 | D1 | BAT54H | SOD323 SMD Diode | DISBAT54HT1G | |
| 6 | 2 | JP1, JP2 | STM10SSMD | Male strip 10 pin SMD | CNTSTMT10SDLS | Precidip 350-10-110-00-106101 |
| 7 | 2 | JP3, JP4 | NC | Male strip 10 pin SMD | ||
| 8 | 7 | RV1, RV2, RV3, RV5, RV6, RV7, RV8 | 500H | Trimmer SMD V 3314 | RVT4X4H0500V | |
| 9 | 1 | RV4 | NC | Trimmer SMD V 3314 | ||
| 10 | 2 | RY1, RY2 | RLYFTR-B3G-12V | Rele’ FTR-B3G | RLM2V12V2AS | Fujitsu FTR-B3G A 012 o FTR-B3S A 012 |
| 11 | 4 | R1, R4, R33, R34 | 316K0 | Res. SMD 0603 | RCH063F0316K | |
| 12 | 8 | R2, R3, R6, R8, R31, R32, R40, R44 | 10K0 | Res. SMD 0603 | RCH063F0010K | |
| 13 | 4 | R5, R11, R39, R46 | 51H0 | Res. SMD 0603 | RCH063F0051H | |
| 14 | 2 | R7, R38 | 3K01 | Res. SMD 0603 | RCH063F03K01 | |
| 15 | 4 | R9, R24, R35, R55 | 3K83 | Res. SMD 0603 | RCH063F03K83 | |
| 16 | 2 | R10, R45 | 5K11 | Res. SMD 0603 | RCH063F05K11 | |
| 17 | 2 | R12, R36 | 5K36 | Res. SMD 0603 | RCH063F05K36 | |
| 18 | 4 | R13, R14, R37, R47 | 4K64 | Res. SMD 0603 | RCH063F04K64 | |
| 19 | 2 | R15, R41 | 442H0 | Res. SMD 0603 | RCH063F0442H | |
| 20 | 2 | R16, R42 | 2K21 | Res. SMD 0603 | RCH063F02K21 | |
| 21 | 2 | R17, R43 | 1K58 | Res. SMD 0603 | RCH063F01K58 | |
| 22 | 12 | R18, R19, R20, R21, R22, R23, R48, R49, R50, R52, R53, R54 | 3K16 | Res. SMD 0603 | RCH063F03K16 | |
| 23 | 4 | R25, R26, R56, R57 | 2K67 | Res. SMD 0603 | RCH063F02K67 | |
| 24 | 11 | R27, R28, R29, R51, R58, R59, R60, R62, R63, R64, R65 | NC | Res. SMD 0603 | ||
| 25 | 1 | R30 | 249H0 | Res. SMD 0603 | RCH063F0249H | |
| 26 | 1 | R61 | 150H0 | Res. SMD 0603 | RCH063F0150H | |
| 27 | 4 | U1, U2, U3, U4 | LF347SMD | Quad Op. SMD SO14 | CILLF347SMD |
R.V.R Elettronica S.r.l.
Via del Fonditore 2 / 2c 40138 · Bologna · Italy
- Phone: +39 051 6010506 ·
- Fax: +39 051 6011104
- e-mail: [email protected]
- web: http://www.rvr.it.
The RVR Logo and other referenced RVR products and services are trademarks of RVR Elettronica in Italy, other countries, or both. RVR ® 1998 all rights reserved. All other trademarks, trade names, or logos used are property of their respective owners.























