Honeywell Home 2 Zone S Plan Plus Smart Thermostat with Receiver Box Installation Guide
2 ZONE S PLAN PLUS
- 2x T6R or T6RWP Smart thermostat
- 1x R6H 2-channel Receiver box
- 1x R4H Receiver box
- T6RWP

- R6H

- R4H

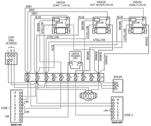
WIRING DIAGRAM



Honeywell Home 2 Zone S Plan Plus Smart Thermostat with Receiver Box Installation Guide






Download manual
Here you can download full pdf version of manual, it may contain additional safety instructions, warranty information, FCC rules, etc.